R4 Lautstärkesprung beim Einschalten
R4 Lautstärkesprung beim Einschalten
Hallo Atelierfreund,
Mein R4 macht etwas ärger mit der lautstärke regelung.
Nach dem einschalten sehe ich entweder vol 00 oder den letzten lautstärke level von der vorherigen nutzung.
Das wäre noch kein drama aber erstmal kein audio, erst nach dem betätigen der mute-taste aber dann gibts maximale lautstärke.
Ich kann das sofort in den griff bekommen und mit der wippe sofort runter-regeln, offensichtlich ist da was defekt !
Die wippe lässt sich ohne probleme bedienen, also kein hängen o.ä. bei der bedienung.
Ich habe versucht nur mit der fernbedienung einzuschalten und zu regeln, also ohne toblerone die ich vorher in der prozessorbox
ausgesteckt hatte, aber leider das gleiche problem.
Könnte mir jemand ein tipp für die fehlersuche geben - das wäre prima.
Dank in voraus
Alf
Mein R4 macht etwas ärger mit der lautstärke regelung.
Nach dem einschalten sehe ich entweder vol 00 oder den letzten lautstärke level von der vorherigen nutzung.
Das wäre noch kein drama aber erstmal kein audio, erst nach dem betätigen der mute-taste aber dann gibts maximale lautstärke.
Ich kann das sofort in den griff bekommen und mit der wippe sofort runter-regeln, offensichtlich ist da was defekt !
Die wippe lässt sich ohne probleme bedienen, also kein hängen o.ä. bei der bedienung.
Ich habe versucht nur mit der fernbedienung einzuschalten und zu regeln, also ohne toblerone die ich vorher in der prozessorbox
ausgesteckt hatte, aber leider das gleiche problem.
Könnte mir jemand ein tipp für die fehlersuche geben - das wäre prima.
Dank in voraus
Alf
Re: R4 Lautstärkesprung beim Einschalten
Hallo Alf.
Hast du schon einmal den Goldcap getauscht?
Oder ist es noch der erste?
LG
Lars
Hast du schon einmal den Goldcap getauscht?
Oder ist es noch der erste?
LG
Lars
Wer alles auf einmal erledigt, zerstört nur alles auf einmal!
Bei obigem Beitrag handelt es sich um meine private Meinung.
Rechtsansprüche dürfen aus deren Anwendung nicht abgeleitet werden.
Bei obigem Beitrag handelt es sich um meine private Meinung.
Rechtsansprüche dürfen aus deren Anwendung nicht abgeleitet werden.
Re: R4 Lautstärkesprung beim Einschalten
Hallo Alf,
"Das wäre noch kein drama aber erstmal kein audio, erst nach dem betätigen der mute-taste aber dann gibts maximale lautstärke."
=> passiert das auch, wenn du den Source wechselst?
=> ist die maximale Lautstärke wirklich MAX oder gefühlt MAX.
Zur besseren Abgrenzung des Problemes:
- R4/1 oder R4/2?
- Was bedeutet bei dir einschalten? Von Stromlos -> StandBy -> "Aktiv" oder StandBy -> "Aktiv"?
- Sind alle Einstellungen wie Bass, Treble, LBass auch betroffen? (hörbar)
- Sind eq, highblend, loundness, etc vorhanden?
- ist TVA aktiv?
- sind alle gesepicherten Programme noch da?
- kannst du feststellen, (falls es die Boxen und Ohren mitmachen, je nach Boxen wirkt das anders) "MAX" zu ermitteln (Tippe auf 40 oder 60)
Der Prozessor steuert die Lautstärke. Wenn der zu Beginn dem großen Sony nicht die notwendigen Signale gibt, stellt sich dieser auf den Werkszustand ein: Vol 40, Rest aus, EQ aktviert. Dass passiert aber nur bei Stromlos -> StandBy. Ab dann behält er alles, da er ja nicht Stromlos wird. Der Prozessor kann beide Sony's nicht nach ihrem Status abfragen.
Für einmal einen reset des Prozessors durch. Hab leider nicht die Doku dafür aktuell zur Hand.
Gruß Markus
PS.: wenn die R4 immer eingeschaltet ist, hat eine defekte GoldCap keinen Einfluss
"Das wäre noch kein drama aber erstmal kein audio, erst nach dem betätigen der mute-taste aber dann gibts maximale lautstärke."
=> passiert das auch, wenn du den Source wechselst?
=> ist die maximale Lautstärke wirklich MAX oder gefühlt MAX.
Zur besseren Abgrenzung des Problemes:
- R4/1 oder R4/2?
- Was bedeutet bei dir einschalten? Von Stromlos -> StandBy -> "Aktiv" oder StandBy -> "Aktiv"?
- Sind alle Einstellungen wie Bass, Treble, LBass auch betroffen? (hörbar)
- Sind eq, highblend, loundness, etc vorhanden?
- ist TVA aktiv?
- sind alle gesepicherten Programme noch da?
- kannst du feststellen, (falls es die Boxen und Ohren mitmachen, je nach Boxen wirkt das anders) "MAX" zu ermitteln (Tippe auf 40 oder 60)
Der Prozessor steuert die Lautstärke. Wenn der zu Beginn dem großen Sony nicht die notwendigen Signale gibt, stellt sich dieser auf den Werkszustand ein: Vol 40, Rest aus, EQ aktviert. Dass passiert aber nur bei Stromlos -> StandBy. Ab dann behält er alles, da er ja nicht Stromlos wird. Der Prozessor kann beide Sony's nicht nach ihrem Status abfragen.
Für einmal einen reset des Prozessors durch. Hab leider nicht die Doku dafür aktuell zur Hand.
Gruß Markus
PS.: wenn die R4 immer eingeschaltet ist, hat eine defekte GoldCap keinen Einfluss
Jeden Tag habe ich ein Grinsen im Gesicht, wenn ich meine Atelier sehe und nutze.
- Paparierer
- Moderator

- Beiträge: 2790
- Registriert: 28.12.2010, 15:36
- Wohnort: 85077 Manching
Re: R4 Lautstärkesprung beim Einschalten
Moin Alf,
RESET beim R4:
Gerät ausschalten - MEMO drücken und gedrückt halten - Gerät einschalten.
Gruß, Gereon
RESET beim R4:
Gerät ausschalten - MEMO drücken und gedrückt halten - Gerät einschalten.
Gruß, Gereon
_______________________________
meistens ist es was mechanisches...
_______________________________
„Audiophile verwenden ihre Geräte nicht, um Ihre Musik zu hören.
Audiophile verwenden Ihre Musik, um ihre Geräte zu hören.“
Alan Parsons
meistens ist es was mechanisches...
_______________________________
„Audiophile verwenden ihre Geräte nicht, um Ihre Musik zu hören.
Audiophile verwenden Ihre Musik, um ihre Geräte zu hören.“
Alan Parsons
Re: R4 Lautstärkesprung beim Einschalten
Hallo zusammen,
Erstmal herzlichen dank für eure hilfestellung.
Sieht nach hausaufgaben aus - der R4 steht im holiday apartment und ist bei abwesentheit immer vom netz getrennt.
Bin am wo’ende dort und werde so gut ich kann die tips bzw antworten dann liefern.
Ciao, ALF
Erstmal herzlichen dank für eure hilfestellung.
Sieht nach hausaufgaben aus - der R4 steht im holiday apartment und ist bei abwesentheit immer vom netz getrennt.
Bin am wo’ende dort und werde so gut ich kann die tips bzw antworten dann liefern.
Ciao, ALF
Re: R4 Lautstärkesprung beim Einschalten
Hallo,
Sorry, hat etwas gedauert:
Der R4 ist ein R4/2.
Da im holiday apartment geparkt wird er stromlos gehalten bei abwesentheit - einschalten geht also von stromlos auf stand-by.
Dann normal einschalten und erstmal ist nichts zu hören obwohl display die letzte einstellung anzeigt ??
Dann Mute aktivieren und deaktivieren danach kommt was aber eben erstmal mit gewaltigen vol sprung….bis er sich “beruhigt”.
Zum Gold Cap kann ich nichts sagen, vermute aber eher das er nicht ausgetauscht wurde ?!
Die ganze geschichte ist merkwûrdig denn nach dem anfangs hick-up funktioniert er tadellos.
Dabei fällt mir gerade ein das ich das mit dem Reset vergessen habe - werde ich am wochenende nach holen.
Er funktioniert also aber eben mit einschränkung und genau das würde ich gern kurieren…..
Mfg ALF
Sorry, hat etwas gedauert:
Der R4 ist ein R4/2.
Da im holiday apartment geparkt wird er stromlos gehalten bei abwesentheit - einschalten geht also von stromlos auf stand-by.
Dann normal einschalten und erstmal ist nichts zu hören obwohl display die letzte einstellung anzeigt ??
Dann Mute aktivieren und deaktivieren danach kommt was aber eben erstmal mit gewaltigen vol sprung….bis er sich “beruhigt”.
Zum Gold Cap kann ich nichts sagen, vermute aber eher das er nicht ausgetauscht wurde ?!
Die ganze geschichte ist merkwûrdig denn nach dem anfangs hick-up funktioniert er tadellos.
Dabei fällt mir gerade ein das ich das mit dem Reset vergessen habe - werde ich am wochenende nach holen.
Er funktioniert also aber eben mit einschränkung und genau das würde ich gern kurieren…..
Mfg ALF
Re: R4 Lautstärkesprung beim Einschalten
Hallo ALF,
ich würde auch erst einmal die Reset-Prozedur durchführen, da sich der Goldcap nach längerer Zeit ohne Stromversorgung komplett entlädt und bei Wiederinbetriebnahme sich der Prozessor in einem undefinierten Zustand befinden könnte.
Der Goldcap ist sozusagen die Erhaltungsstromversorgung des Prozessors. Das Gerät mal länger am Netz und eingeschaltet lassen. Sollten die Probleme unmittelbar im Anschluss - nach aus- und wieder einschalten - immer noch vorhanden sein,
so könnte die Fehlersuche in eine andere Richtung gehen. Ich vermute eher letzteres.
VG
Thomas
ich würde auch erst einmal die Reset-Prozedur durchführen, da sich der Goldcap nach längerer Zeit ohne Stromversorgung komplett entlädt und bei Wiederinbetriebnahme sich der Prozessor in einem undefinierten Zustand befinden könnte.
Der Goldcap ist sozusagen die Erhaltungsstromversorgung des Prozessors. Das Gerät mal länger am Netz und eingeschaltet lassen. Sollten die Probleme unmittelbar im Anschluss - nach aus- und wieder einschalten - immer noch vorhanden sein,
so könnte die Fehlersuche in eine andere Richtung gehen. Ich vermute eher letzteres.
VG
Thomas
Re: R4 Lautstärkesprung beim Einschalten
Hallo Thomas,
Habe endlich den Reset durchgeführt mit MEMOK ergebnis. Konnte aber den R4 danach nicht ausschalten….also nochmals
mem gedrückt, dann kam SFAIL ?? Anschluessend den R4 vom netz gestrennt, also stromlos und danach wieder eingeschalten.
Der RR war für eine gute woche in Standby mode, also nicht stromlos.
Bevor ich den reset startete hatte ich den R4 eingeschalten um zu sehen was passiert:
Eingeschalten, nichts am display zu sehen, nichts zu hôren ! Danach Mute aktiviert - also Vol 00 - Mute deaktiviert und da war es
Eben wieder….Vol volle kanne, was ich den box3n nicht antun will. Kurz die prozedur wiederholt danach lief alles normal.
Der fehler ist also doch wo anders zu suchen….aber wo ? Prozessor fehler ??
Sorry aber das war nicht das gewûnschte ergebnis.
Mfg ALF
Habe endlich den Reset durchgeführt mit MEMOK ergebnis. Konnte aber den R4 danach nicht ausschalten….also nochmals
mem gedrückt, dann kam SFAIL ?? Anschluessend den R4 vom netz gestrennt, also stromlos und danach wieder eingeschalten.
Der RR war für eine gute woche in Standby mode, also nicht stromlos.
Bevor ich den reset startete hatte ich den R4 eingeschalten um zu sehen was passiert:
Eingeschalten, nichts am display zu sehen, nichts zu hôren ! Danach Mute aktiviert - also Vol 00 - Mute deaktiviert und da war es
Eben wieder….Vol volle kanne, was ich den box3n nicht antun will. Kurz die prozedur wiederholt danach lief alles normal.
Der fehler ist also doch wo anders zu suchen….aber wo ? Prozessor fehler ??
Sorry aber das war nicht das gewûnschte ergebnis.
Mfg ALF
Re: R4 Lautstärkesprung beim Einschalten
Hallo Alf,
Wenn der Test mit MEMOK endet, ist alles gut.
Beachte: der Test Modus lässt sich NUR mit ziehen des Netzsteckers beenden, deshalb konntest du deinen R4 nicht ausschalten.
Die Meldung SFAIL (bedeutet: Serial Input bekommt keine Rückmeldung) wird gelegentlich angezeigt und kann ignoriert werden.
Zur Fehlersuche hattest du ja schon die Tastatur abgezogen und damit als Fehlerquelle ausgeschlossen.
Mache nun dasselbe mir dem 4poligen Stecker des IR- Auges. Die alten IR- Empfänger reagieren gerne mal auf Energiesparlampen oder andere Lichtquellen.
Viele Grüße
Hajo
P.S. sollte das IR Auge "unschuldig" sein, kontrolliere das Blechgehäuse der Prozessorbox (auch von unten). Nimm beide Deckel ab. Die Box ist isoliert eingebaut, wenn du die 2 Stecker, die von der Vorverstärkerplatine kommen in der Box abziehst, darf das Gehäuse der Box keine elektrische Verbindung zum R4- Gehäuse mehr haben. Deswegen findest du auch an der linken Seite der Box eine Pappscheibe zur Isolation.
Das Blechgehäuse ist an mehreren Stellen mit der Prozessorplatine verlötet. Schau die diese Lötstellen genau an, da sie gerne brechen.
Behandele die Box wie ein rohes Ei, die doppelseitige Platine verzeiht keine grobe Behandlung. Also Vorsicht beim Stecker abziehen und erst recht beim löten!
Wenn der Test mit MEMOK endet, ist alles gut.
Beachte: der Test Modus lässt sich NUR mit ziehen des Netzsteckers beenden, deshalb konntest du deinen R4 nicht ausschalten.
Die Meldung SFAIL (bedeutet: Serial Input bekommt keine Rückmeldung) wird gelegentlich angezeigt und kann ignoriert werden.
Zur Fehlersuche hattest du ja schon die Tastatur abgezogen und damit als Fehlerquelle ausgeschlossen.
Mache nun dasselbe mir dem 4poligen Stecker des IR- Auges. Die alten IR- Empfänger reagieren gerne mal auf Energiesparlampen oder andere Lichtquellen.
Viele Grüße
Hajo
P.S. sollte das IR Auge "unschuldig" sein, kontrolliere das Blechgehäuse der Prozessorbox (auch von unten). Nimm beide Deckel ab. Die Box ist isoliert eingebaut, wenn du die 2 Stecker, die von der Vorverstärkerplatine kommen in der Box abziehst, darf das Gehäuse der Box keine elektrische Verbindung zum R4- Gehäuse mehr haben. Deswegen findest du auch an der linken Seite der Box eine Pappscheibe zur Isolation.
Das Blechgehäuse ist an mehreren Stellen mit der Prozessorplatine verlötet. Schau die diese Lötstellen genau an, da sie gerne brechen.
Behandele die Box wie ein rohes Ei, die doppelseitige Platine verzeiht keine grobe Behandlung. Also Vorsicht beim Stecker abziehen und erst recht beim löten!
R4/CC4 triple F (fit for future) https://tinyurl.com/2bay9e9k
Re: R4 Lautstärkesprung beim Einschalten
Hallo Hajo,
Vielen dank für die nächsten “hausaufgaben”
Wird am wo’end angegangen - ich werde berichten - nochmals danke für die pointers.
Mfg
ALF
Vielen dank für die nächsten “hausaufgaben”
Wird am wo’end angegangen - ich werde berichten - nochmals danke für die pointers.
Mfg
ALF
Re: R4 Lautstärkesprung beim Einschalten
Du schreibst ganz oben, dass Du die Toblerone ausgesteckt hast. Das Bedienteil wird mit insgesamt zwei Kabeln angeschlossen. Eines 4-polig, das andere hat 13. Der kleinere Stecker ist für die Infrarotschaltung, der größere für die Bedienelemente. Welches von den beiden hast Du abgezogen?
VG
Thomas
VG
Thomas
Zuletzt geändert von tommi am 26.10.2025, 11:16, insgesamt 1-mal geändert.
Re: R4 Lautstärkesprung beim Einschalten
Hi Thomas,
Es war das 13polige kabel
ALF
Es war das 13polige kabel
ALF
Re: R4 Lautstärkesprung beim Einschalten
Hallo Alf,
folgende Fragen/Anregungen:
- passiert das Problem immer bei stromlos->stand by->on? (ggf habe ich das in einem früheren Post von dir überlesen)
- was passiert, wenn du anstelle die mute-Taste die vol-Taste betätigst? Was wird angezeigt?
- bei stromlos->stand by->on und dann keine weitere Taste: kannst du feststellen, ob das Mute-Relais offen oder geschlossen ist?
- hält die GoldCap grundsätzlich die Daten?
- welcher input ist aktiv, wenn du beim einschalten nicht FM/AM/... sondern die on Taste verwendest?
Mehrerer Fragen ggf später.
Gruß Markus
folgende Fragen/Anregungen:
- passiert das Problem immer bei stromlos->stand by->on? (ggf habe ich das in einem früheren Post von dir überlesen)
- was passiert, wenn du anstelle die mute-Taste die vol-Taste betätigst? Was wird angezeigt?
- bei stromlos->stand by->on und dann keine weitere Taste: kannst du feststellen, ob das Mute-Relais offen oder geschlossen ist?
- hält die GoldCap grundsätzlich die Daten?
- welcher input ist aktiv, wenn du beim einschalten nicht FM/AM/... sondern die on Taste verwendest?
Mehrerer Fragen ggf später.
Gruß Markus
Jeden Tag habe ich ein Grinsen im Gesicht, wenn ich meine Atelier sehe und nutze.
Re: R4 Lautstärkesprung beim Einschalten
hi Markus,
werde ich spätestens am wo’ende testen und melde mich wieder.
danke für due neuen pointers
gruss
ALF
werde ich spätestens am wo’ende testen und melde mich wieder.
danke für due neuen pointers
gruss
ALF
Re: R4 Lautstärkesprung beim Einschalten
Hallo,
Zurück im workshop.
Die lötstellen platine-uP box auf der unterseite der uP box waren nicht perfekt, zumindest
einige hatten cracks die ich nachlöteten konnte - das kann kein problem mehr sein.
Kurz zurück zum status quo:
Ob ich den R4 einschalte via ON oder beispielsweise FM, es kommt erstmal kein audio obwohl ich das relais klicken hôre.
Das display zeigt die frequenz aber Keinen Vol wert.
Erst wenn die EQ taste betâtigt -ein/aus- wird kommt audio ??
Im fall das volle lautstärke kommt wird aber kein Vol level am display angezeigt ?
Ich frage ob die EQ funktion etwas mit dem problem zu tun hat ?? Wie gesagt, prinzipiell funktioniert der RR gut abgesehen
Von diesem problem - vielleicht sollte ich einfach damit leben obwohl etwas nicht so ist wie es sein soll ??
Es wäre super wenn es eine triviale lösung geben würde……aber
Auf alle fälle vielen dank für eure hilfestellungen


Mfg
ALF
Zurück im workshop.
Die lötstellen platine-uP box auf der unterseite der uP box waren nicht perfekt, zumindest
einige hatten cracks die ich nachlöteten konnte - das kann kein problem mehr sein.
Kurz zurück zum status quo:
Ob ich den R4 einschalte via ON oder beispielsweise FM, es kommt erstmal kein audio obwohl ich das relais klicken hôre.
Das display zeigt die frequenz aber Keinen Vol wert.
Erst wenn die EQ taste betâtigt -ein/aus- wird kommt audio ??
Im fall das volle lautstärke kommt wird aber kein Vol level am display angezeigt ?
Ich frage ob die EQ funktion etwas mit dem problem zu tun hat ?? Wie gesagt, prinzipiell funktioniert der RR gut abgesehen
Von diesem problem - vielleicht sollte ich einfach damit leben obwohl etwas nicht so ist wie es sein soll ??
Es wäre super wenn es eine triviale lösung geben würde……aber
Auf alle fälle vielen dank für eure hilfestellungen
Mfg
ALF
Re: R4 Lautstärkesprung beim Einschalten
Hallo Alf,
etwas sehr kurios.
Verstehe ich das richtig, dass beim Einschalten nicht der Vol Wert angezeigt wird? In deiner Einleitung hattest du geschrieben, dass dies angezeigt wird.
Es gibt für den Sony keinen Befehl EQ on/off. EQ on/off bedeutet lediglich: bass ein/0, trebble ein/0, 20hz on/off, lbass ein/0, loudness on/off. Die Ersten werden an den großen Sony gesendet incl, Quellen; 20hz wird zusammen mit der Lautstärke!!! an den großen Sony gesendet. Hier schaltet sich dann die Lautstärke bei dir wohl ein, wird aber nicht angezeigt (ist so). Die letzten beiden werden an den kleinen Sony gesendet.
Bitte verfolge mal die Signalwege für STR 7976 (kleiner Sony), STR 789 (großer Sony), Clock, Data, und Mute. Prüfe auch das 13pol Flachbandkabel auf Brüche und korrekten Sitz in der Prozessorbox.
Ggf könnte ich dir eine Prozessorbox zukommen lassen.
Gruß Markus
etwas sehr kurios.
Verstehe ich das richtig, dass beim Einschalten nicht der Vol Wert angezeigt wird? In deiner Einleitung hattest du geschrieben, dass dies angezeigt wird.
Es gibt für den Sony keinen Befehl EQ on/off. EQ on/off bedeutet lediglich: bass ein/0, trebble ein/0, 20hz on/off, lbass ein/0, loudness on/off. Die Ersten werden an den großen Sony gesendet incl, Quellen; 20hz wird zusammen mit der Lautstärke!!! an den großen Sony gesendet. Hier schaltet sich dann die Lautstärke bei dir wohl ein, wird aber nicht angezeigt (ist so). Die letzten beiden werden an den kleinen Sony gesendet.
Bitte verfolge mal die Signalwege für STR 7976 (kleiner Sony), STR 789 (großer Sony), Clock, Data, und Mute. Prüfe auch das 13pol Flachbandkabel auf Brüche und korrekten Sitz in der Prozessorbox.
Ggf könnte ich dir eine Prozessorbox zukommen lassen.
Gruß Markus
Jeden Tag habe ich ein Grinsen im Gesicht, wenn ich meine Atelier sehe und nutze.
Re: R4 Lautstärkesprung beim Einschalten
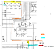
Hallo Alf,
überprüfe mal die 5V Spannung am IC501.
Du misst die 5V am besten direkt an den Pins 7 und 14 des IC501, alles andere könnte zu Verwirrung führen
Ich habe mal eine Zeichnung angefügt um die Erzeugung dieser Spannung zu erläutern.
In Verbindung mit dem IC 504 in der Prozessorbox werden die TTL Pegel der Steuersignale an die Pegel der SONYs angepasst.
Die -15V Spannung aus der die 5V abgeleitet werden, wird über T704 und T705 geregelt. An dieser Stelle gibt es mehrere SI- Modifikationen, du solltest auch das genau überprüfen.
Es gab schon einen Fall, wo sich die SONYs nicht richtig steuern ließen, weil R714 einen falschen Wert hatte.

Viele Grüße
Hajo
überprüfe mal die 5V Spannung am IC501.
Du misst die 5V am besten direkt an den Pins 7 und 14 des IC501, alles andere könnte zu Verwirrung führen
Ich habe mal eine Zeichnung angefügt um die Erzeugung dieser Spannung zu erläutern.
In Verbindung mit dem IC 504 in der Prozessorbox werden die TTL Pegel der Steuersignale an die Pegel der SONYs angepasst.
Die -15V Spannung aus der die 5V abgeleitet werden, wird über T704 und T705 geregelt. An dieser Stelle gibt es mehrere SI- Modifikationen, du solltest auch das genau überprüfen.
Es gab schon einen Fall, wo sich die SONYs nicht richtig steuern ließen, weil R714 einen falschen Wert hatte.

Viele Grüße
Hajo
R4/CC4 triple F (fit for future) https://tinyurl.com/2bay9e9k
Re: R4 Lautstärkesprung beim Einschalten
Hallo,
Und herzlichen dank für die neuen “hausaufgaben”. Es ist keine leichte übung aber erstmal
ein paar korrekturen bzw. Beobachtungen:
Nach dem einschalten - via ON oder FM - zeigt das display die letzte senderfrequenz und kurz den letzten Vol level der kurz danach verschwindet aber soweit erstmal kein audio zu hôren ??
Dann betätigte ich die EQ taste - die ich zuvor völlig ignorierte - und audio ist plötzlich present ABER ohne den wahnsinn
Vol sprung ??
Diese schritte wiederholte ich einige male mit dem gleichen ergebnis.
Damit könnte ich leben aber verstehen ist was anderes - offensichtlich hat die EQ funktion einfluss auf das ärgerliche fehlerbild.
Das verifizieren diverser spannungen habe ich noch vor.
Mfg
ALF
Und herzlichen dank für die neuen “hausaufgaben”. Es ist keine leichte übung aber erstmal
ein paar korrekturen bzw. Beobachtungen:
Nach dem einschalten - via ON oder FM - zeigt das display die letzte senderfrequenz und kurz den letzten Vol level der kurz danach verschwindet aber soweit erstmal kein audio zu hôren ??
Dann betätigte ich die EQ taste - die ich zuvor völlig ignorierte - und audio ist plötzlich present ABER ohne den wahnsinn
Vol sprung ??
Diese schritte wiederholte ich einige male mit dem gleichen ergebnis.
Damit könnte ich leben aber verstehen ist was anderes - offensichtlich hat die EQ funktion einfluss auf das ärgerliche fehlerbild.
Das verifizieren diverser spannungen habe ich noch vor.
Mfg
ALF
Re: R4 Lautstärkesprung beim Einschalten
Der Prozessor in der Box ist doch gesockelt. Könnte der vielleicht Kontaktprobleme mit den Jahren bekommen haben? Meinen hatte ich für die Revision aus dem Sockel genommen und bemerkte einige schwarze Stellen an den Kontakten, die ich mit Iso komplett entfernen konnte. Nur mal so nebenbei. Aber man muss auch sagen, das man den nicht mal eben so rausziehen kann. Dazu gehört schon etwas Feingefühl und spezielles Werkzeug.
VG
Thomas
VG
Thomas
Re: R4 Lautstärkesprung beim Einschalten
Hallo Thomas,
Ja, er ist in der tat “gesockelt”. Eine IC zange habe ich, ist also machbar mit äusserster vorsicht !!
Ein kontaktproblem würde ich ebenfalls nicht ganz ausschliessen…..?!
Sollte ich die übung angehen werde ich den sockel allerdings gegen einen “tulip style” ersetzen.
Mfg
ALF
Ja, er ist in der tat “gesockelt”. Eine IC zange habe ich, ist also machbar mit äusserster vorsicht !!
Ein kontaktproblem würde ich ebenfalls nicht ganz ausschliessen…..?!
Sollte ich die übung angehen werde ich den sockel allerdings gegen einen “tulip style” ersetzen.
Mfg
ALF
Re: R4 Lautstärkesprung beim Einschalten
Das Ersetzen des ganzen Sockels empfehle ich dann wiederum nicht. Wie Hajo schon schrieb, ist das Platinenmaterial der Prozbox von sehr schlechter Qualität, sodass Leiterbahnen und auch Durchkontaktierungen bei solchen Aktionen sehr schnell Schaden nehmen können. Ich würde wenn, dann nur den bestehenden Sockel einmal gründlich mit Iso durchspülen und reinigen. Mehr nicht.
VG
Thomas
VG
Thomas
Re: R4 Lautstärkesprung beim Einschalten
Da muss ich dir recht geben obwohl ein hochwertigerer sockel natürlich gut gewesen wäre….
Also werde ich eine reinigungs aktion machen…..sicher ist sicher !
Danke für die warnung…..schadenspotential sollte man ernst nehmen.
Mfg
ALF
Also werde ich eine reinigungs aktion machen…..sicher ist sicher !
Danke für die warnung…..schadenspotential sollte man ernst nehmen.
Mfg
ALF
Re: R4 Lautstärkesprung beim Einschalten
Hi,
Kommando zurück - was auf dem ersten blick so aussah wie ein uP sockel war nur der print auf der leiterplatte….
Das auslöten des 64-pin uP lasse ich lieber bleiben !! Die warnungen waren deutlich denke ich.
Mfg
ALF
Kommando zurück - was auf dem ersten blick so aussah wie ein uP sockel war nur der print auf der leiterplatte….
Das auslöten des 64-pin uP lasse ich lieber bleiben !! Die warnungen waren deutlich denke ich.
Mfg
ALF
Re: R4 Lautstärkesprung beim Einschalten
Nochmals ein nachtrag zu meiner früheren antwort bzgl R4/1oder R4/2 ??
Nach etwas research im forum handelt es sich bei meinem R4 um die erste serie und NICHT wie irrtümlich
angrgeben R4/2 !
Offensichtlich hatte der vorbesitzer die seitenteile ausgetauscht - jetzt vertikal !
Auch wurde vorgeschlagen die 5V versorgung am IC501 zu überprûfen……ein bisschen blind ginge ja noch aber
Ich konnte diesen IC absolut nicht sehen in der uP box ??
Wo ist der denn versteckt oder gibt es den im R4/1 nicht ??
Mfg
ALF
Nach etwas research im forum handelt es sich bei meinem R4 um die erste serie und NICHT wie irrtümlich
angrgeben R4/2 !
Offensichtlich hatte der vorbesitzer die seitenteile ausgetauscht - jetzt vertikal !
Auch wurde vorgeschlagen die 5V versorgung am IC501 zu überprûfen……ein bisschen blind ginge ja noch aber
Ich konnte diesen IC absolut nicht sehen in der uP box ??
Wo ist der denn versteckt oder gibt es den im R4/1 nicht ??
Mfg
ALF
Re: R4 Lautstärkesprung beim Einschalten
Update:
Nach schaltplan research ist das IC501 im R4/1 durch IC510 “ersetzt” soweit ich das sehen konnte.
Die spannung an Pin7 / Pin10 = 4.25VDC, Pin16 = 4.85VDC. Sollte ich da 5VDC haben ???
Sorry, bin etwas langsam und es ist lange lange her seit ich an dem R4 gearbeitet habe.
Mfg
ALF
Nach schaltplan research ist das IC501 im R4/1 durch IC510 “ersetzt” soweit ich das sehen konnte.
Die spannung an Pin7 / Pin10 = 4.25VDC, Pin16 = 4.85VDC. Sollte ich da 5VDC haben ???
Sorry, bin etwas langsam und es ist lange lange her seit ich an dem R4 gearbeitet habe.
Mfg
ALF
Re: R4 Lautstärkesprung beim Einschalten
Moin alf,
sorry, aber ich habe vergessen, dich "abzuholen" und dir zu sagen wo die Bauteile installiert sind.
IC 504 (NJD 6506D) befindet sich in der Prozessorbox. Es beinhaltet lediglich ein paar Transistoren, um damit die relativ höhere Daten- Pegelspannung der SONY- ICs vom Prozessor fernzuhalten.
Der Prozessor arbeitet mit einer einfachen Spannung von 5V, die SONYs mit + / - 15V. Da kann man die Datenleitungen nicht einfach verbinden, deshalb der Aufwand mit 2 ICs.
IC 501 (LC4011B) ist quasi der Empfänger der Daten, die vom Prozessor über das IC 504 gesendet werden (der Datenverkehr geht nur in eine Richtung), das IC501 sitzt auf der Vorverstärkerplatine. Die Ausgänge dieses ICs gehen auf die Dateneingänge der beiden SONYs.
Die Logikpegel liegen zwischen 0V und -5V, weshalb IC501 diese merkwürdige Spannungsversorgung hat.
Daher müssen auch die -15V von T704 stabil sein, wobei der absolute Wert keine große Rolle spielt, mache Geräte liefern auf diesem Spannungszweig nur -13,X Volt und funktionieren trotzdem problemlos.
Keine Angst, der R4/1 unterscheidet sich nur minimal vom R4/2, BRAUN hat kein neues Gerät konstruiert, sondern nur die in der Serie /1 gewonnenen Erkenntnisse zusammengefasst und zum neuen Standard /2 erklärt.
Daher würde es mich interessieren, wo und wie du IC 510 gefunden hast, da stehe ich jetzt auf'm Schlauch
LG
Hajo
sorry, aber ich habe vergessen, dich "abzuholen" und dir zu sagen wo die Bauteile installiert sind.
IC 504 (NJD 6506D) befindet sich in der Prozessorbox. Es beinhaltet lediglich ein paar Transistoren, um damit die relativ höhere Daten- Pegelspannung der SONY- ICs vom Prozessor fernzuhalten.
Der Prozessor arbeitet mit einer einfachen Spannung von 5V, die SONYs mit + / - 15V. Da kann man die Datenleitungen nicht einfach verbinden, deshalb der Aufwand mit 2 ICs.
IC 501 (LC4011B) ist quasi der Empfänger der Daten, die vom Prozessor über das IC 504 gesendet werden (der Datenverkehr geht nur in eine Richtung), das IC501 sitzt auf der Vorverstärkerplatine. Die Ausgänge dieses ICs gehen auf die Dateneingänge der beiden SONYs.
Die Logikpegel liegen zwischen 0V und -5V, weshalb IC501 diese merkwürdige Spannungsversorgung hat.
Daher müssen auch die -15V von T704 stabil sein, wobei der absolute Wert keine große Rolle spielt, mache Geräte liefern auf diesem Spannungszweig nur -13,X Volt und funktionieren trotzdem problemlos.
Keine Angst, der R4/1 unterscheidet sich nur minimal vom R4/2, BRAUN hat kein neues Gerät konstruiert, sondern nur die in der Serie /1 gewonnenen Erkenntnisse zusammengefasst und zum neuen Standard /2 erklärt.
Daher würde es mich interessieren, wo und wie du IC 510 gefunden hast, da stehe ich jetzt auf'm Schlauch
LG
Hajo
R4/CC4 triple F (fit for future) https://tinyurl.com/2bay9e9k
Re: R4 Lautstärkesprung beim Einschalten
Hallo Hajo,
Erstens suchte ich in der uP box nach IC501 denn der war ja auf dem schaltplan des R4/2 !!! neben dem uP deutlich zu sehen.
Zu diesem zeitpunkt raufte ich verbleibende haare denn in meinem R4/1 !! konnte ich das teil in der box einfach nicht finden ?
Danach vermutete ich einen design change R4/1 ==> R4/2, checkte den schaltplan des “alten” R4/1 und da war eben das IC510 am gleicher stelle zu sehen wie das IC501 im R4/2 schaltplan.
So passierte das mit dem IC510 - jetzt bedanke ich mich für die info bzgl lage des IC501 und muss die uP box nicht mehr “belästigen”
Da es schon recht lange her ist seit dem ich am R4 was gearbeitet habe vermute ich das vorverstärker board befindet sich unter dem tuner board ?
Mfg
ALF
Erstens suchte ich in der uP box nach IC501 denn der war ja auf dem schaltplan des R4/2 !!! neben dem uP deutlich zu sehen.
Zu diesem zeitpunkt raufte ich verbleibende haare denn in meinem R4/1 !! konnte ich das teil in der box einfach nicht finden ?
Danach vermutete ich einen design change R4/1 ==> R4/2, checkte den schaltplan des “alten” R4/1 und da war eben das IC510 am gleicher stelle zu sehen wie das IC501 im R4/2 schaltplan.
So passierte das mit dem IC510 - jetzt bedanke ich mich für die info bzgl lage des IC501 und muss die uP box nicht mehr “belästigen”
Da es schon recht lange her ist seit dem ich am R4 was gearbeitet habe vermute ich das vorverstärker board befindet sich unter dem tuner board ?
Mfg
ALF
Re: R4 Lautstärkesprung beim Einschalten
Hallo alf,
danke für den Hinweis, wieder mal ein Fehler im Schaltbild, war mir noch nicht aufgefallen. In der Prozessorbox ist IC501 = IC510 ( M74LS139P) drin und auf der VV Platine IC501 (= 4011).
Ist nicht die erste Doppelvergabe von Bauteilnummern.
ja, der Vorverstärker ist unter der Tunerplatte.
Soweit ich mich erinnere, sind mindestens 80% meiner originalen Prozessorboxen defekt.
Deshalb verwende ich nur noch Geräte mit unserem Umbau , die alten Tunerplatinen und Prozessorboxen liegen in irgendwelchen Kisten.
Ich werden gerne mein (eher geringes) Wissen darüber teilen, aber nichts davon reparieren (falls jemand fragt
)
LG
Hajo
danke für den Hinweis, wieder mal ein Fehler im Schaltbild, war mir noch nicht aufgefallen. In der Prozessorbox ist IC501 = IC510 ( M74LS139P) drin und auf der VV Platine IC501 (= 4011).
Ist nicht die erste Doppelvergabe von Bauteilnummern.
ja, der Vorverstärker ist unter der Tunerplatte.
Soweit ich mich erinnere, sind mindestens 80% meiner originalen Prozessorboxen defekt.
Deshalb verwende ich nur noch Geräte mit unserem Umbau , die alten Tunerplatinen und Prozessorboxen liegen in irgendwelchen Kisten.
Ich werden gerne mein (eher geringes) Wissen darüber teilen, aber nichts davon reparieren (falls jemand fragt
LG
Hajo
R4/CC4 triple F (fit for future) https://tinyurl.com/2bay9e9k
Re: R4 Lautstärkesprung beim Einschalten
Fakt ist, wenn einmal gemutet, lässt sich das CC4 (gleiche Prozbox wie R4) mit keiner anderen Funktion/Taste aus diesem Status wieder herausbringen. Gerade getestet. Auch beim erneuten Einschalten bleibt Mute gesetzt. Selbst wenn ich die Lautstärke am Bedienteil oder an der Fernbedienung verändere, wird Mute nicht abgeschaltet.
Hattest Du den 4-poligen Stecker vom IR-Empfänger auch mal abgezogen.
Und mit der Equalizer-Taste meinst Du bestimmt diese hier ->|<- oder?
Edit: Verstehe ich das richtig, das nach dem Einschalten "Mute" nicht gesetzt ist, Du aber keinen Ton hörst? Erst nach einmal "Mute" Ein/Aus kommt dann wieder was aus den Lautsprechern raus?
Wie fit bist Du mit Youtube? Wäre klasse, wenn Du uns das Verhalten mal in Bild und Ton zeigen würdest.
VG
Thomas
Hattest Du den 4-poligen Stecker vom IR-Empfänger auch mal abgezogen.
Und mit der Equalizer-Taste meinst Du bestimmt diese hier ->|<- oder?
Edit: Verstehe ich das richtig, das nach dem Einschalten "Mute" nicht gesetzt ist, Du aber keinen Ton hörst? Erst nach einmal "Mute" Ein/Aus kommt dann wieder was aus den Lautsprechern raus?
Wie fit bist Du mit Youtube? Wäre klasse, wenn Du uns das Verhalten mal in Bild und Ton zeigen würdest.
VG
Thomas
Re: R4 Lautstärkesprung beim Einschalten
Hallo Thomas,
Ja, genau richtig verstanden !
Um irgendwelche streulicht beeinflussung zu vermeiden testete ich auch mal im total verdunkelten lzimmer - kein licht ausser das des displays - Kein unterschied im ergebnis.
Mit youtube uploads habe ich leider ünerhaupt kein erfahrung
Der R4/1 ist halt eben schon recht alt und wenn der trick mit der EQ taste funktioniert das problem zu umgehen
bin ich momentan zufrieden, wenn auch nicht super happy. Ich vermute das es kein leicht zu behebender fehler ist.
Abgesehen davon funktioniert der R4 ganz wunderbar - klar das dies für puristen kein akzeptables argument ist.
Mfg
ALF
Ja, genau richtig verstanden !
Um irgendwelche streulicht beeinflussung zu vermeiden testete ich auch mal im total verdunkelten lzimmer - kein licht ausser das des displays - Kein unterschied im ergebnis.
Mit youtube uploads habe ich leider ünerhaupt kein erfahrung
Der R4/1 ist halt eben schon recht alt und wenn der trick mit der EQ taste funktioniert das problem zu umgehen
bin ich momentan zufrieden, wenn auch nicht super happy. Ich vermute das es kein leicht zu behebender fehler ist.
Abgesehen davon funktioniert der R4 ganz wunderbar - klar das dies für puristen kein akzeptables argument ist.
Mfg
ALF


