VU Meter an Regie 520 anschließen

Sämtliche Steuergeräte (Receiver) Braun regie
Antworten
Nachricht
Autor
Strongpete
Jungspund
Jungspund
Beiträge: 21
Registriert: 06.11.2024, 13:08
Wohnort: Essen

VU Meter an Regie 520 anschließen

#1 Beitrag von Strongpete » 04.02.2025, 23:07

Hallo,

ich habe mir aus den Resten eines toten TG1000 die Drehspuleninstrumente ausgebaut, eines davon zerlegt und repariert und mir dann ein zur "Regie" Optik passendes Gehäuse für zwei VU-Meter gebaut. Die passende Platine zur Ansteuerung habe ich fertig gekauft und lediglich eingebaut. Funktionierte auf Anhieb perfekt, an meinem noch jungen, ca. 20 Jahre alten Marantz Verstärker. Ich greife das nicht lautstärkeabhängige Eingangssignal für das Tapdeck ab und die Zeiger zappeln.

Ich war super stolz auf mein Werk, bis ich das Ding dann an meine Regie 520 in der gleichen Weise angeschlossen habe. Es passiert nicht nur sehr wenig, es passiert gar nichts. Die Anzeigen bleiben komplett bewegungslos.
Ich greife das Einganssignal auf dem Weg zum TG1000 ab. Stecke ich die Chinch Stecker um auf das Ausgangssignal vom TG1000 zur Regie 520 und drücke die "Monitor" Taste, sodass das Eingangssignal über die TG1000 an den Receiver zurückgegeben wird, kann ich das Signal über die Aussteurungsinstrumente des TG1000 hochdrehen und die VU Anzeige ist dann nahezu identisch mit dem was auf den Instumenten des TG1000 zu sehen ist. Das war natürlich nicht mein Plan, immer das TG1000 einschalten zu müssen, um dann auf vier Instumenten das Gleiche zu sehen.

Daraufhin habe ich folgendes Dinge ausprobiert:

- Andere Kabel und anderer Y-Verbinder zwischen TG1000 und Regie.
- Gleicher Versuch mit dem "Reserve" Ausgang des Regie 520.
- TG1000 abgeklemt und nur das VU-Meter angeschlossen.
- die einzelnen Adern des DIN Ausgangs des Receivers direkt abgegriffen und auf das VU-Meter gelegt.

Nicht davon lässt die VU-Meter auch nur zucken.

Habe ich einen Denkfehler? Sind die Verbindungen beim Regie anders geschaltet als üblich, oder haben die Regie Geräte ein so schwaches Vorverstärker-Ausgangssignal, dass es nicht für das VU Signal reicht?

Nebenbei bemerkt, es laufen alle Geräte so wie sie sollen, keine Ausfälle keine Schaltblockaden. Ich habe ein sauberen Klang und ich kann die Aufnahmen am TG1000 sauber aussteuern und die Hinterbandkontrolle aktivieren.

Ich würde mich freuen, wenn jemand einen Tipp hat woran ich gescheitert bin.

Gruß
Peter Stark
Dateianhänge
VU1.jpg
VU2.jpg
VU3.jpg

Benutzeravatar
Meo
Experte
Experte
Beiträge: 384
Registriert: 26.04.2021, 20:20

Re: VU Meter an Regie 520 anschließen

#2 Beitrag von Meo » 05.02.2025, 07:34

Moin,

miss doch mal den Ausgangspegel von beiden Geräten.
Ab 1971 gab es eigentlich eine Norm. Allerdings auf freiwilliger Basis.

0dBVu = 775mV

Strongpete
Jungspund
Jungspund
Beiträge: 21
Registriert: 06.11.2024, 13:08
Wohnort: Essen

Re: VU Meter an Regie 520 anschließen

#3 Beitrag von Strongpete » 05.02.2025, 08:32

Danke für den ersten Tipp.

Ich habe allerdings nur ein Multimeter. Doch damit komme ich am Marantz, bei laufender Musik und der Messung von Wechselspannung auf 250mV - 500mV. Am Regie Reveiver sind es um die 6mV (!).
Auch wenn die Messung in der Form nicht genau sein kann, ist der Unterschied eindeutig.

Kann das so richtig sein?

Gruß
Peter

Benutzeravatar
raimund54
Braun-Insider
Braun-Insider
Beiträge: 1667
Registriert: 03.01.2009, 20:23
Wohnort: 64295 Darmstadt

Re: VU Meter an Regie 520 anschließen

#4 Beitrag von raimund54 » 05.02.2025, 08:40

Hallo,

die älteren Braungeräte mit Diodensteckern haben einen sogenannten DIN-Stromausgang für die Tonbandaufnahme (auf Pins 1+4). Da ist die Spannung am Eingang eines Tonbandgerätes o.ä. vom Eingangswiderstand des jeweiligen Gerätes abhängig. Wohingegen die Cinch-Aufnahmeausgänge hochpegelige Ausgänge sind (idealerweise 775 mV wie Meo schrieb).

Mit anderen Worten der Eingangspegel für Deine VU-Meterschaltung ist zu gering und es kann nicht angezeigt werden. Evtl. kannst Du im Eingang des VU-Meters einen relativ niederohmigen Widerstand ohne Nachteil entfernen, damit die Spannung höher wird. Andere Variante ist im regie die Vorwiderstände zum Aufnahmeausgang zu überbrücken. Das TG 1000 verkraftet locker den hohen Pegel, nur ein TGC 450 wäre überfordert.

Gruß

Raimund

Strongpete
Jungspund
Jungspund
Beiträge: 21
Registriert: 06.11.2024, 13:08
Wohnort: Essen

Re: VU Meter an Regie 520 anschließen

#5 Beitrag von Strongpete » 05.02.2025, 09:26

Danke für die Infos.

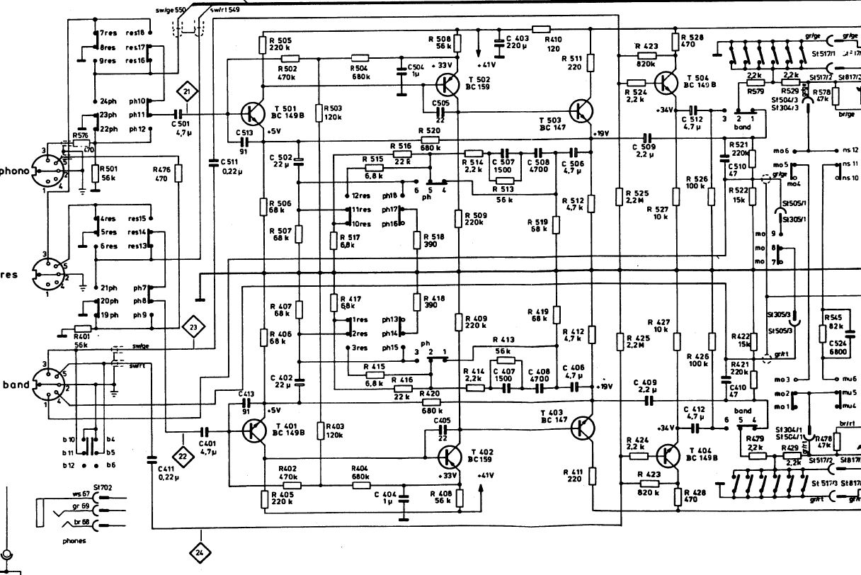
Ich möchte natürlich ungern im Regie irgendwelche Widerstände überbrücken. Dennoch die Frage, welcher Widerstand müsste überbrückt werden? :D (Siehe Ausschnitt Schaltplan) Das TGC hängt am Reserve Ausgang und müsste davon unberührt bleiben. Ich habe noch ein TG1020 am Marantz hängen. Da liegt ja dann der höhere Pegel für die Aufnahme an. Hier ist die Aussteuerung natürlich deutlich niedriger einzustellen als am Regie aber Probleme gibt es nicht.

Zur Treiberplatine (Foto) für die VU Meter habe ich keinen Schaltplan, was das Auffinden des passenden Widerstandes, zumindest für mich als Laien, schwierig macht. Die Platine hat aber ein paar Stellschrauben, an denen man evtl angreifen kann.
Zum Einen kann man mit den Dip-Schaltern zwischen Ausgangspegel Lautsprecher und Vorverstärker wählen, (Steht natürlich auch Vorverstärker) und es gibt zwei einstellbare Widerstände für die Empfindlichkeit der beiden Anzeigen.Bringt es was diese evtl gegen Kleinere zu tauschen?
Dateianhänge
Regie 520.JPG
Unbenannt.JPG

Benutzeravatar
raimund54
Braun-Insider
Braun-Insider
Beiträge: 1667
Registriert: 03.01.2009, 20:23
Wohnort: 64295 Darmstadt

Re: VU Meter an Regie 520 anschließen

#6 Beitrag von raimund54 » 05.02.2025, 12:21

Hallo Peter,

Du müßtest R521/R421 jeweils überbrücken und R522/R422 mit einem Bein auslöten. Also keine große Sache, die jederzeit rückgängig zu machen ist.

Gruß

Raimund

Strongpete
Jungspund
Jungspund
Beiträge: 21
Registriert: 06.11.2024, 13:08
Wohnort: Essen

Re: VU Meter an Regie 520 anschließen

#7 Beitrag von Strongpete » 05.02.2025, 12:36

Hallo Raimund,

danke für die Info, hört sich überschaubar an. Ich schaue mir das mal an.
Dann habe ich direkt die entsprechende Signalstärke, oder muss dann noch eine Anpassung über ein Poti stattfinden?

Ich war schon auf der Suche nach einem "Aufholverstärker", den ich mit in das Gehäuse bauen würde. Es gab auch mal bei Conrad einen "DIN - Cinch Pegelanpassung" Bausatz zu dem Thema. Aber leider sind solche Bausätze nicht mehr zu finden.

Da ich ja kein "sauberes" Audio Signal brauche, sondern nur eine Anhebung der Signalstärke, kann man sich da nicht selber was bauen?

Peter

Benutzeravatar
raimund54
Braun-Insider
Braun-Insider
Beiträge: 1667
Registriert: 03.01.2009, 20:23
Wohnort: 64295 Darmstadt

Re: VU Meter an Regie 520 anschließen

#8 Beitrag von raimund54 » 05.02.2025, 12:55

Hallo Peter,

nach der Änderung mit den überbrückten Widerständen muß man sonst am regie nichts machen, evtl. den maximalen Anzeigepegel in Deinem VU-Anzeiger anpassen.

Man kann natürlich sich einen kleinen Vorverstärker bauen, der das Signal entsprechend verstärkt. Das ist aber deutlich mehr Aufwand als die Anpassung mit den Widerständen.

Gruß

Raimund

Strongpete
Jungspund
Jungspund
Beiträge: 21
Registriert: 06.11.2024, 13:08
Wohnort: Essen

Re: VU Meter an Regie 520 anschließen

#9 Beitrag von Strongpete » 06.02.2025, 13:41

Hallo Raimund,

so, ich hab´s getan und die entsprechenden Widerstände gebrückt und die Beine gekappt. Klappt perfekt wie von dir beschrieben. Vielen Dank nochmal für den Tipp.

Es war zu erwarten, dass ich das TG1000 jetzt ganz knapp über Null aussteuern muss und der Peak nicht mehr bei ca. Sieben liegt. Was ich jedoch gehofft hatte war, dass auch das Ausgangssignal des TG1000 dann über die VU Meter zu sehen ist. Das ist leider nicht so. Offensichtlich wird das Signal zur Funktion der Hinterbandkontrolle von der "Monitor" Taste am Receiver gekillt.

Gruß
Peter

Benutzeravatar
raimund54
Braun-Insider
Braun-Insider
Beiträge: 1667
Registriert: 03.01.2009, 20:23
Wohnort: 64295 Darmstadt

Re: VU Meter an Regie 520 anschließen

#10 Beitrag von raimund54 » 06.02.2025, 15:49

Hallo Peter,

das Signal wird nicht gekillt :D Es wird nur abgeschaltet bzw. nicht durchgeschaltet, sonst hättest Du eine Rückkopplungsschleife und es würde evtl. nur noch pfeiffen.

Gruß

Raimund

Strongpete
Jungspund
Jungspund
Beiträge: 21
Registriert: 06.11.2024, 13:08
Wohnort: Essen

Re: VU Meter an Regie 520 anschließen

#11 Beitrag von Strongpete » 12.02.2025, 10:02

Kurze Ergänzung

Jetzt habe ich auch kappiert, warum ich seit zig Jahren ein DIN Kabel mit 470 KOhm Widerstand an den Eingängen zum TG habe, welches ich nie benutzt habe. Es war bei irgendeinem Kauf dabei und ist speziell für den Anschluss "alter" Bandmaschninen an dem hohen Ausgangspegel von "modernen" Verstärkern gedacht. Damit habe ich jetzt das Eingangssignal zum TG1000 wieder etwas gesenkt und die Aussteuerung ist nicht mehr gannz so eng, wie zuvor mit dem angehobenen Ausgangssignal vom Regie 520.

Zudem habe ich einen Umschalter an dem VU Meter verbaut, sodass ich auf einen zweiten Eingang wechseln kann. Ich greife das Ausgangssignal vom TG1000 nun vor dem Verstärker ab und führe es auf den zweiten Eingang am VU Meter. So kann ich auch das Ausgangssignal des TG1000 sichtbar machen, indem ich mit dem Umschalter von dem 520 auf das Signal vom TG1000 umschalte.

Benutzeravatar
raimund54
Braun-Insider
Braun-Insider
Beiträge: 1667
Registriert: 03.01.2009, 20:23
Wohnort: 64295 Darmstadt

Re: VU Meter an Regie 520 anschließen

#12 Beitrag von raimund54 » 12.02.2025, 10:10

Hallo,

wenn Du das Kabel mit eingebauten Widerständen benutzt, dann bitte unbedingt darauf achten, daß der Stecker mit diesen Widerständen direkt am TG eingesteckt ist und nicht auf der Regieseite, sonst hast Du einen starken Höhenabfall bei einer evtl. Aufnahme. Der Widerstand (auf der Regieseite) mit der Kabelkapazität bedeutet sonst einen Tiefpass, der die Höhen stark abschwächt.

Gruß

Raimund

Strongpete
Jungspund
Jungspund
Beiträge: 21
Registriert: 06.11.2024, 13:08
Wohnort: Essen

Re: VU Meter an Regie 520 anschließen

#13 Beitrag von Strongpete » 12.02.2025, 18:06

Danke für den Hinweis. Das Kabel hat einen DIN Stecker und 4x Cinch. Der DIN Stecker steckt im Tonband. Das sollte so passen. Wenn es falsch wäre, hätte sich vermutlich auch der Pegel zur Aussteuerung nicht verändert, oder?

Benutzeravatar
raimund54
Braun-Insider
Braun-Insider
Beiträge: 1667
Registriert: 03.01.2009, 20:23
Wohnort: 64295 Darmstadt

Re: VU Meter an Regie 520 anschließen

#14 Beitrag von raimund54 » 12.02.2025, 18:26

Ja, so ist alles richtig, auch Deine Vermutung bzgl. Pegel

Gruß

Raimund

Antworten