TG 550, Funktionsausfall der Steuerung nach Gleichrichterkurzschluss

Sämtliche Tonbandgeräte bis zum TG 1020
Antworten
Nachricht
Autor
Benutzeravatar
sadomskyj
Experte
Experte
Beiträge: 382
Registriert: 06.03.2022, 18:02
Wohnort: Berlin

TG 550, Funktionsausfall der Steuerung nach Gleichrichterkurzschluss

#1 Beitrag von sadomskyj » 22.11.2023, 13:07

Hallo Kollegen,

ich versuche für eine große braun Sammlung ein TG 550 zu reparieren.
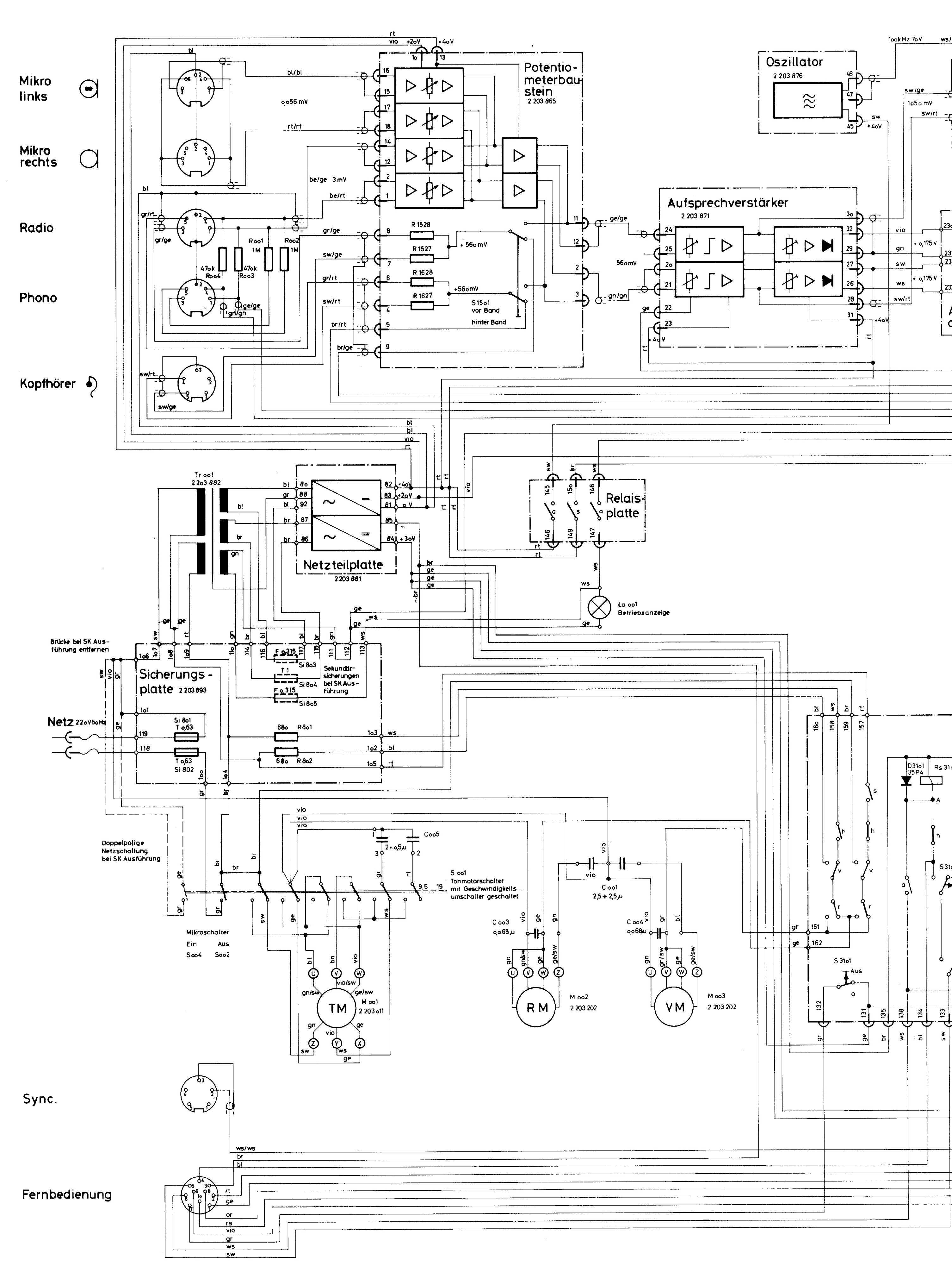
Das Problem wurde durch einen defekten Gleichrichter verursacht (s. markierten Gleichrichter im Schaltplanausschnitt).
Der Betreiber der Sammlung sprach von einem lauten Krachen beim Anschalten des TG 550 und dann Ausfall der Laufwerksfunktionen.
Die dabei ausgelöste 1 A-Sicherung wurde später probeweise getauscht, die neue löste auch gleich wieder aus ("brannte" durch).
Der Capstanmotor lief trotz des Ausfalls.
Bei Messungen habe ich den defekten Gleichrichter lokalisiert.
Der Gleichrichter ist inzwischen getauscht, die Spannungsversorgungen auf der Platine mit den beiden Gleichrichtern funktioniert wieder einwandfrei (Versorgungsspannungen nachgemessen).
Das Problem besteht darin, dass die Laufwerkstasten nun keine Funktion mehr auslösen.
Ich vermute, dass beim "Hochgehen" des Gleichrichters dahinterliegenden Bauteile, die mit den Spannungen der Gleichrichterplatine versorgt werden, zerstört wurden und plane aktuell die Suche nach diesen.
Falls jemand einen Tipp hat, der mich auf eine richtige Spur bringt?
Ich würde mich ansonsten entlang des Schaltplans vorarbeiten und ein Bauteil nach dem anderen, welche direkt an der eingehenden Versorgungsspannung liegen, prüfen.
Ich hoffe, dass es kein Relais erwischt hat.

Grüße
Michael
tg550_Plan1a.jpg
tg550_Osz_Netz-1.jpg

Benutzeravatar
Meo
Experte
Experte
Beiträge: 384
Registriert: 26.04.2021, 20:20

Re: TG 550, Funktionsausfall der Steuerung nach Gleichrichterkurzschluss

#2 Beitrag von Meo » 22.11.2023, 16:10

Moin,

bei so einem alten Gerät die Kondensatoren, vor dem langsam Hochfahren am Trenntrafo prüfen. (Ohne Synchronmotor)
Meist haben die Elkos einen Schluss und dann geht der Gleichrichter kaputt.

Gruß

Benutzeravatar
sadomskyj
Experte
Experte
Beiträge: 382
Registriert: 06.03.2022, 18:02
Wohnort: Berlin

Re: TG 550, Funktionsausfall der Steuerung nach Gleichrichterkurzschluss

#3 Beitrag von sadomskyj » 22.11.2023, 16:25

Hallo Meo,

das TG 550 wurde als Bestandteil der zugänglichen braun Sammlung Besuchern vorgeführt, war also mehr oder weniger in regelmäßigem Betrieb.
Sie wurde nicht erst nach längerer Stillstandszeit erstmalig angeschaltet.
Gleichwohl bin ich bei Dir, was Kondensatoren im Netzteil betrifft.
Ich werde die Sammlung mittel- und langfristig betreuen, da werde ich besonderes Augenmerk darauf legen.

Als nächstes steht aber erst einmal die Reparatur der TG 550 an, bzw. Beseitigung der Folgeschäden durch den defekten Gleichrichter.
Hierzu bin ich für Tips sehr dankbar.

Grüße

Michael

Benutzeravatar
raimund54
Braun-Insider
Braun-Insider
Beiträge: 1671
Registriert: 03.01.2009, 20:23
Wohnort: 64295 Darmstadt

Re: TG 550, Funktionsausfall der Steuerung nach Gleichrichterkurzschluss

#4 Beitrag von raimund54 » 22.11.2023, 19:12

Hallo Michael,

wenn die Versorgungsspannungen auf der Netzteilplatine alle 3 vorhanden sind, dürfte kein Elko einen Kurzschluß haben, wie Meo schreibt. Dann würde der Gleichrichter wieder in die ewigen Jagdgründe eingehen.

Wenn ich mich recht entsinne (ich habe schon ca. 15 Jahre kein TG 550 mehr in der Hand gehabt, man möge mir mein Unwissen verzeihen), gibt es beim TG 550 auch einen Brückenstecker auf der Fernbedienungsbuchse (wie beim TG 1000). Steckt der?

Sonst habe ich jetzt keinen schnellen Tipp außer prüfen, ob die Relais jeweils schalten. Das die Relais hinüber sind, glaube ich nicht.

Gruß

Raimund

Benutzeravatar
sadomskyj
Experte
Experte
Beiträge: 382
Registriert: 06.03.2022, 18:02
Wohnort: Berlin

Re: TG 550, Funktionsausfall der Steuerung nach Gleichrichterkurzschluss

#5 Beitrag von sadomskyj » 22.11.2023, 22:04

Hallo Raimund,

den C802 1 mF Elko, der im Stromkreis des defekten Gleichrichter sitzt, habe ich zusammen mit dem Gleichrichter ausgewechselt.
(Der Wert des alten Kondensators war aber noch soweit in Ordnung).
Ich habe zur Vermeidung weiteren Ärgers auch den zweiten Gleichrichter gewechselt sowie alle Kondensatoren in dessen Stromkreis. Ein Elko wies hier einen sehr stark abweichenden Wert auf, fast keine Kapazität mehr.

Der Blindstecker in der Fernbedienungsbuchse fehlt. Ich war mir dessen bis zu Deinem Post gar nicht bewusst.
Ich kannte das nur von der Revox A77, dass sie den Blindstecker benötigt (dort laufen beim Drücken der Laufwerkstasten die Spulmotoren jedoch auch ohne Stecker und die Andruckrolle wird angepresst, nur bleibt die jeweilige Funktion nicht aktiv, wenn die Taste wieder losgelassen wird).
Ich frage morgen gleich mal bei dem Sammlungsbesitzer an, dass er mir einen Blindstecker zum Testen zur Verfügung stellt.

Das wäre ja sehr schön, wenn das TG 550 damit wieder laufen würde!

Viele Grüße

Michael

Benutzeravatar
Meo
Experte
Experte
Beiträge: 384
Registriert: 26.04.2021, 20:20

Re: TG 550, Funktionsausfall der Steuerung nach Gleichrichterkurzschluss

#6 Beitrag von Meo » 23.11.2023, 18:18

sadomskyj hat geschrieben: 22.11.2023, 16:25 Hallo Meo,

das TG 550 wurde als Bestandteil der zugänglichen braun Sammlung Besuchern vorgeführt, war also mehr oder weniger in regelmäßigem Betrieb.
Sie wurde nicht erst nach längerer Stillstandszeit erstmalig angeschaltet.
Gleichwohl bin ich bei Dir, was Kondensatoren im Netzteil betrifft.
Ich werde die Sammlung mittel- und langfristig betreuen, da werde ich besonderes Augenmerk darauf legen.

Als nächstes steht aber erst einmal die Reparatur der TG 550 an, bzw. Beseitigung der Folgeschäden durch den defekten Gleichrichter.
Hierzu bin ich für Tips sehr dankbar.

Grüße

Michael
Ah, ok. 👍🏻

Wenn am NT alle Spannungen anliegen einfach die paar Teile auf der Steuerung durchmessen.
Schauen ob ein Relais fest hängt.
Prüfen ob eine der Freilaufdioden einen Schluss hat.

Benutzeravatar
raimund54
Braun-Insider
Braun-Insider
Beiträge: 1671
Registriert: 03.01.2009, 20:23
Wohnort: 64295 Darmstadt

Re: TG 550, Funktionsausfall der Steuerung nach Gleichrichterkurzschluss

#7 Beitrag von raimund54 » 24.11.2023, 13:16

Hi,

wenn eine der Freilaufdioden an den Relais einen Kurzschluß hätte, würde beim Drücken der entsprechenden Laufwerkstaste der Gleichrichter oder Sicherung wieder hochgehen.

Wenn das Gerät nicht auf "Pause" steht, muß beim Drücken einer Laufwerkstaste das Klacken mindestens eines Relais zu höre sein.

Gruß

Raimund

Benutzeravatar
Meo
Experte
Experte
Beiträge: 384
Registriert: 26.04.2021, 20:20

Re: TG 550, Funktionsausfall der Steuerung nach Gleichrichterkurzschluss

#8 Beitrag von Meo » 24.11.2023, 13:41

Bekommt die Freilaufdiode denn Strom?
Gibt es die Möglichkeit die Erregerspule vom Relais zu messen?

Wobei…. nee….

Wenn die Erregerspannung da ist, am NT. Dann müssen die Relais ja schalten.
An C802 liegt welche Spannung an?

Benutzeravatar
raimund54
Braun-Insider
Braun-Insider
Beiträge: 1671
Registriert: 03.01.2009, 20:23
Wohnort: 64295 Darmstadt

Re: TG 550, Funktionsausfall der Steuerung nach Gleichrichterkurzschluss

#9 Beitrag von raimund54 » 24.11.2023, 14:17

@Meo,

weißt Du wovon du redest? Die Freilaufdiode parallel zur Relaisspule bekommt in dem Moment Strom wenn man die entsprechende Taste der Laufwerkssteuerung drückt. Dann würde es bei einem Kurzschluß der Freilaudiode wieder etwas im Netzteil killen. Aber das geschieht ja offensichtlich nicht!

Ich habe im Schaltplan nachgeschaut: Wenn weder die Fernbedienung noch der Blindstecker auf der Fernbedienungsbuchse steckt, funktioniert keine der Laufwerksfunktionen!

@Michael,

prüfe bitte ob eines der beiden Teile in der Fernbedienungsbuchse gesteckt ist bevor Du weiteres ausprobierst.

Gruß

Raimund

Benutzeravatar
Meo
Experte
Experte
Beiträge: 384
Registriert: 26.04.2021, 20:20

Re: TG 550, Funktionsausfall der Steuerung nach Gleichrichterkurzschluss

#10 Beitrag von Meo » 24.11.2023, 17:19

raimund54 hat geschrieben: 24.11.2023, 14:17 @Meo,

weißt Du wovon du redest? Die Freilaufdiode parallel zur Relaisspule bekommt in dem Moment Strom wenn man die entsprechende Taste der Laufwerkssteuerung drückt. Dann würde es bei einem Kurzschluß der Freilaudiode wieder etwas im Netzteil killen. Aber das geschieht ja offensichtlich nicht!


Raimund
Oder die Erregerspule vom Relais ist defekt.

Der neue Gleichrichter ist Pin richtig eingelötet?
An C802 ist welche Spannung?

Benutzeravatar
raimund54
Braun-Insider
Braun-Insider
Beiträge: 1671
Registriert: 03.01.2009, 20:23
Wohnort: 64295 Darmstadt

Re: TG 550, Funktionsausfall der Steuerung nach Gleichrichterkurzschluss

#11 Beitrag von raimund54 » 24.11.2023, 17:36

@Meo,

wenn das Gerät beim Einschalten kaputt geht, kann keine der Relaisspulen oder Freilaufdioden eine Rolle spielen.

Gruß

Raimund

Benutzeravatar
Meo
Experte
Experte
Beiträge: 384
Registriert: 26.04.2021, 20:20

Re: TG 550, Funktionsausfall der Steuerung nach Gleichrichterkurzschluss

#12 Beitrag von Meo » 24.11.2023, 18:34

Habe ich auch nie gesagt!
Es ist dann ja ein Folgefehler oder was auch immer.
Wenn der Gleichrichter abraucht dann doch nur wegen einem niederohmigen Elko.

Die Frage war ja, nach Reparatur Steuerung defekt.

Also nochmals meine Frage:

Ist der Gleichrichter richtig eingelötet ~ ~ + - ?
Sonst mach mal ein Foto davon.
Welche Spannung liegt an C 802 an?

Benutzeravatar
raimund54
Braun-Insider
Braun-Insider
Beiträge: 1671
Registriert: 03.01.2009, 20:23
Wohnort: 64295 Darmstadt

Re: TG 550, Funktionsausfall der Steuerung nach Gleichrichterkurzschluss

#13 Beitrag von raimund54 » 24.11.2023, 19:18

@Meo,

Michael hat geschrieben, daß alle Spannungen auf der Platine in Ordnung sind, auch die an C802.

Zu Deiner Info: Gleichrichter können auch intern niederohmig werden und deshalb ohne weiteres Zutun kaputt gehen, Sicherungen auslösen/durchschmelzen lassen und sogar Netztrafos killen. Alles schon erlebt.

Gruß

Raimund

Benutzeravatar
sadomskyj
Experte
Experte
Beiträge: 382
Registriert: 06.03.2022, 18:02
Wohnort: Berlin

Re: TG 550, Funktionsausfall der Steuerung nach Gleichrichterkurzschluss

#14 Beitrag von sadomskyj » 24.11.2023, 20:56

Hallo Raimund, hallo Meo,

ich komme an den Blindstecker für die Fernbedienung leider erst am Sonntag ran, wenn die Sammlung um 11 h öffnet.
Ich bin mir inzwischen ziemlich sicher, dass ich den Stecker bei der Demontage des Bodenblechs - im Werkstattbereich der Sammlung - abgezogen habe und dann aufgrund der mangelnden Erfahrung, dass er zwingend für die Funktion erforderlich ist, im weiteren Zuge dort liegen gelassen habe.
(Das Gerät befindet sich aktuell bei mir in meiner "privaten" Werkstatt).
Ich werde bis Sonntag warten und vorher nichts weiter unternehmen.

Die Spannung am C802 war die erste, die ich nach dem Austausch des Gleichrichters (und des C802 selbst) gemessen hatte, sie ist jetzt wieder da (ich hatte ein paar wenige Volt mehr als 30 V gemessen).
(Zur Vorbeugung weiteren Ärgers hatte ich dann auch den zweiten Gleichrichter nebst allen Kondensatoren getauscht aber das nur nebenbei. Auch hier sind alle Spannungen da und hier genau im SOLL-Wert).

Der defekte Gleichrichter hat zwischen einem der Wechselstromeingänge und dem Plusausgang einen Widerstand von nur wenigen Ohm (den genauen Wert müsste ich nochmal nachmessen).

Grüße

Michael

Benutzeravatar
sadomskyj
Experte
Experte
Beiträge: 382
Registriert: 06.03.2022, 18:02
Wohnort: Berlin

Re: TG 550, Funktionsausfall der Steuerung nach Gleichrichterkurzschluss

#15 Beitrag von sadomskyj » 26.11.2023, 17:15

Erfolgsmeldung. Nach dem Einstecken des Blindsteckers gehen alle Laufwerksfunktionen wieder.
Inzwischen konnte ich auch rekapitulieren, dass nicht ich den Stecker von der Buchse des TG 550 abgezogen hatte, dies hatte ein Vereinsmitglied der Sammlung gemacht, bevor ich das Gerät zur Reparatur übernahm.
Da wir nicht darüber gesprochen hatten, war mir das Fehlen des Steckers nicht bewusst.

Vielen Dank für alle Hinweise, vor allem an Raimund!

Grüße
Michael

Benutzeravatar
sadomskyj
Experte
Experte
Beiträge: 382
Registriert: 06.03.2022, 18:02
Wohnort: Berlin

Re: TG 550, Funktionsausfall der Steuerung nach Gleichrichterkurzschluss

#16 Beitrag von sadomskyj » 26.11.2023, 21:25

Und ich bitte auch noch um Entschuldigung, weil ich den Thread unwissend fälschlicherweise mit "Funktionsausfall der Steuerung" eröffnet hatte.
Dass ein Blindstecker in die Buchse der Fernbedienung rein muss (oder eben eine Fernbedienung angeschlossen werden muss), werde ich jetzt nicht mehr vergessen!

Antworten