A2 mit Spannungsproblemen
A2 mit Spannungsproblemen
Hallo Forum,
Mein letztes Gerät in der Kellerwerkstatt ist ein A2/1 der ersten Serie.
Beim Messen der Endstufe ist mir aufgefallen, dass die Spannungen nicht stimmen, ich messe am Zugang
f soll 57Volt ist 54Volt schwankend
g soll 25,7Volt ist 22 Volt Schwankend
I soll -25,7Volt ist -31 Volt stabil
j soll -57Volt ist -63 Volt stabil
an den Gleichrichtern das Selbe
D 802 -63V und +54V an
D 801 -31V und +22V.
Die habe ich vorsorglich getauscht
Leider kann ich mir (wie immer) keinen Reim daraus machen.
Wäre nett, wenn Ihr mir wieder auf die Sprünge helft.
Alle Transistoren im Netzbereich 801-808 habe ich getauscht und IC 801 ebenfalls
Grüße
Christian
			
			
									
									
						Mein letztes Gerät in der Kellerwerkstatt ist ein A2/1 der ersten Serie.
Beim Messen der Endstufe ist mir aufgefallen, dass die Spannungen nicht stimmen, ich messe am Zugang
f soll 57Volt ist 54Volt schwankend
g soll 25,7Volt ist 22 Volt Schwankend
I soll -25,7Volt ist -31 Volt stabil
j soll -57Volt ist -63 Volt stabil
an den Gleichrichtern das Selbe
D 802 -63V und +54V an
D 801 -31V und +22V.
Die habe ich vorsorglich getauscht
Leider kann ich mir (wie immer) keinen Reim daraus machen.
Wäre nett, wenn Ihr mir wieder auf die Sprünge helft.
Alle Transistoren im Netzbereich 801-808 habe ich getauscht und IC 801 ebenfalls
Grüße
Christian
Re: A2 mit Spannungsproblemen
Moin,
was stört Dich daran, Du hast aus dem Netz primär 220-240V und es tolleriert immer.
Gruß Uli
			
			
									
									
						was stört Dich daran, Du hast aus dem Netz primär 220-240V und es tolleriert immer.
Gruß Uli
Re: A2 mit Spannungsproblemen
Hallo Uli,
du hast recht, schwanken kann das immer und im Minusbereich ist das ok da sind es etwa 0,2 bis 0,3 Volt.
Im Plusbereich betragen die Schwankungen aber 2 bis 3 Volt, das ist Zuviel.
was mich aber wirklich beunruhigt, ist das was an der Endstufe ankommt, da stimmt ja gar nichts.
f 54 Volt
g 22 Volt
h Masse
i -31 Volt
j -63 Volt
Netzteilspannung 240V
Grüße
Christian
			
			
									
									
						du hast recht, schwanken kann das immer und im Minusbereich ist das ok da sind es etwa 0,2 bis 0,3 Volt.
Im Plusbereich betragen die Schwankungen aber 2 bis 3 Volt, das ist Zuviel.
was mich aber wirklich beunruhigt, ist das was an der Endstufe ankommt, da stimmt ja gar nichts.
f 54 Volt
g 22 Volt
h Masse
i -31 Volt
j -63 Volt
Netzteilspannung 240V
Grüße
Christian
Re: A2 mit Spannungsproblemen
Hallo Christian,
das hört sich irgendwie nach Problemen mit den Kondensatoren an. Hast du die betreffenden im Netzteil überprüft? (C 809/808 und C 814/813)
Gruß Udo
			
			
									
									
						das hört sich irgendwie nach Problemen mit den Kondensatoren an. Hast du die betreffenden im Netzteil überprüft? (C 809/808 und C 814/813)
Gruß Udo
Re: A2 mit Spannungsproblemen
Hallo Udo,
traue mich kaum es zu sagen, so furchtbar ist es.
Habe meinen Lötkolben abgebrochen
,
Friedel, der sicher mitliest wird sich eins grinse, zu recht.
Werde wenn ich Ersatz besorgt habe die Elkos auslösen und überprüfen.
Grüße
Christian
			
			
									
									
						traue mich kaum es zu sagen, so furchtbar ist es.
Habe meinen Lötkolben abgebrochen
Friedel, der sicher mitliest wird sich eins grinse, zu recht.
Werde wenn ich Ersatz besorgt habe die Elkos auslösen und überprüfen.
Grüße
Christian
Re: A2 mit Spannungsproblemen
Hallo Forum,
zurück aus dem Urlaub habe ich mich gestern mit neuer Lötstation ans Werk gemacht und die Großen Elkos getauscht, leider ohne Erfolg.
 
im Plusbereich schwankt die Spannung immer noch bis zu 3 Volt.
habe alle Gleichrichter und die Siebelkos getauscht, kann mir keinen Reim draus machen.
Grüße
Christian
			
			
									
									
						zurück aus dem Urlaub habe ich mich gestern mit neuer Lötstation ans Werk gemacht und die Großen Elkos getauscht, leider ohne Erfolg.
im Plusbereich schwankt die Spannung immer noch bis zu 3 Volt.
habe alle Gleichrichter und die Siebelkos getauscht, kann mir keinen Reim draus machen.
Grüße
Christian
Re: A2 mit Spannungsproblemen
Moin,
beschreibe mal "schwanken", meist Du das die Ströme hoch und runter gehen oder das sie andere Werte als im SP haben?
Hast Du auch die Spannungsregler (78xx & 79xx) getauscht?
Bist Du sicher das Du die Gleichrichter richtig gepolt eingebaut hast?
Sind die etwas größeren Gleichrichterdioden auch getauscht worden?
Gruß Uli
			
			
									
									
						beschreibe mal "schwanken", meist Du das die Ströme hoch und runter gehen oder das sie andere Werte als im SP haben?
Hast Du auch die Spannungsregler (78xx & 79xx) getauscht?
Bist Du sicher das Du die Gleichrichter richtig gepolt eingebaut hast?
Sind die etwas größeren Gleichrichterdioden auch getauscht worden?
Gruß Uli
Re: A2 mit Spannungsproblemen
Hallo Uli,
sowohl als auch die Spannung stimmt nicht und sie schenkt bei den positiven Seite um ca. 3 Volt
den 78xx hab ich getauscht einen 79xx gibt es beim A2/1 nicht.
Grüße
Christian
			
			
									
									
						sowohl als auch die Spannung stimmt nicht und sie schenkt bei den positiven Seite um ca. 3 Volt
den 78xx hab ich getauscht einen 79xx gibt es beim A2/1 nicht.
Grüße
Christian
Re: A2 mit Spannungsproblemen
Moin,
ich denke schon: Gruß Uli
			
			
									
									
						ich denke schon: Gruß Uli
Re: A2 mit Spannungsproblemen
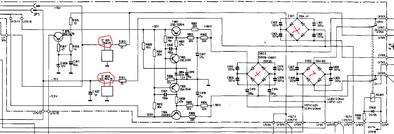
Hallo Uli,
beim Model1 des A2 sieht das so aus.
Grüße
Christian
			
			
									
									
						beim Model1 des A2 sieht das so aus.
Grüße
Christian
Re: A2 mit Spannungsproblemen
Hallo Christian,prüfe doch mal die Spannungen,wenn du beide Lautsprechergruppen einschaltest,ob die niedrigere Spannung stabil ist.
Gruss
Gerhard
			
			
									
									
						Gruss
Gerhard
Re: A2 mit Spannungsproblemen
Hallo Gerhard,
das geht leider nicht, wenn ich die Endstufe dranhänge, kokeln die äußeren Sacken durch.
Grüße
			
			
									
									
						das geht leider nicht, wenn ich die Endstufe dranhänge, kokeln die äußeren Sacken durch.
Grüße
Re: A2 mit Spannungsproblemen
Es sollte genügen die beiden Tasten zu drücken.
Gruss
Gerhard
			
			
									
									
						Gruss
Gerhard
Re: A2 mit Spannungsproblemen
Hallo Gerhard,
probiere ich morgen aus, bin gerade am Kochen.
Grüße
			
			
									
									
						probiere ich morgen aus, bin gerade am Kochen.
Grüße
Re: A2 mit Spannungsproblemen
Hallo zusammen,
ich hätte auch noch 2 Fehlermöglichkeiten, die man untersuchen könnte.
1. Die Umschaltrelais für die Endstufenversorgungsspannung
2. Die Mittelanzapfung des Netztrafos für die Versorgungsspannung der Endstufe. Es ist das schwarze Kabel und es muss auf jeden Fall eine niederohmige Verbindung nach Masse bestehen, sonst könnte es passieren, dass die sonst gleichen negative wie positive Spannung unterschiedlich werden. D.h. was im positiven fehlt, ist im negativen zu vie oder umgekehrt.
Man könnte mal die Spannungen mit einer 230V 100W Glühbirne testweise belasten und schauen wie sich das ganze verhält.
MfG
Rainer
			
			
									
									
						ich hätte auch noch 2 Fehlermöglichkeiten, die man untersuchen könnte.
1. Die Umschaltrelais für die Endstufenversorgungsspannung
2. Die Mittelanzapfung des Netztrafos für die Versorgungsspannung der Endstufe. Es ist das schwarze Kabel und es muss auf jeden Fall eine niederohmige Verbindung nach Masse bestehen, sonst könnte es passieren, dass die sonst gleichen negative wie positive Spannung unterschiedlich werden. D.h. was im positiven fehlt, ist im negativen zu vie oder umgekehrt.
Man könnte mal die Spannungen mit einer 230V 100W Glühbirne testweise belasten und schauen wie sich das ganze verhält.
MfG
Rainer
Re: A2 mit Spannungsproblemen
Hallo Gerhard,
bei gedrückten Tasten ändert sich die Spannung von f und j das springen bei den positiven Seite bleibt.
f +37 - +40 Volt
g +20 - +23 Volt
i -31 Volt
j -47 Volt
Hallo Rainer,
meinst du das Relais 501 für Aktivboxen, dass ist beim Typ 1 des A2 nicht verbaut sondern gebrückt.
Ist das schwarze Kabel LV6/2 ?
da messe ich 13KOhk ausgeschaltet mach Masse
eingeschaltet steigt das an bis nicht mehr messbar.
Danke für die Hilfe
Grüße
Christian
			
			
									
									
						bei gedrückten Tasten ändert sich die Spannung von f und j das springen bei den positiven Seite bleibt.
f +37 - +40 Volt
g +20 - +23 Volt
i -31 Volt
j -47 Volt
Hallo Rainer,
meinst du das Relais 501 für Aktivboxen, dass ist beim Typ 1 des A2 nicht verbaut sondern gebrückt.
Ist das schwarze Kabel LV6/2 ?
da messe ich 13KOhk ausgeschaltet mach Masse
eingeschaltet steigt das an bis nicht mehr messbar.
Danke für die Hilfe
Grüße
Christian
Re: A2 mit Spannungsproblemen
Hallo Christian,hast du C813 und 814 gewechselt?,und wenn ja richtig gepolt?
Gruss
Gerhard
			
			
									
									
						Gruss
Gerhard
Re: A2 mit Spannungsproblemen
Hallo Gerhard,
ja hab ich und alle C's um die Gleichrichter herum.
Grüße
			
			
									
									
						ja hab ich und alle C's um die Gleichrichter herum.
Grüße
Re: A2 mit Spannungsproblemen
Hallo Gerhard,
Polung wie auf Platine aufgedruckt, messe morgen mal evtl. falsch beschriftet.
Grüße
			
			
									
									
						Polung wie auf Platine aufgedruckt, messe morgen mal evtl. falsch beschriftet.
Grüße
Re: A2 mit Spannungsproblemen
Hallo Christian,
ich meine Relais RS801, das schaltet die Versorgungsspannung um zwischen 8Ohm und 4Ohm Betrieb.
LV6/2 ist auch Masse, aber da geht ja das schwarze Kabel vom Netztrafo nicht hin. Nach meinem Plan geht das auf LV6/21, was der gemeinsame Fußpunkt der großen Elkos ist. Die Verbindung muss sehr niederohmig sein. Zwischen LV6/21 und LV6/2 dürfte aber auch kein Widerstand messbar sein, d.h. extrem niederohmig, da ja das selbe Potential. Eventuell hast du ja auf der Platine irgendwo eine Leiterbahnunterbrechung oder eine kalte Lötstelle.
MfG
Rainer
			
			
									
									
						ich meine Relais RS801, das schaltet die Versorgungsspannung um zwischen 8Ohm und 4Ohm Betrieb.
LV6/2 ist auch Masse, aber da geht ja das schwarze Kabel vom Netztrafo nicht hin. Nach meinem Plan geht das auf LV6/21, was der gemeinsame Fußpunkt der großen Elkos ist. Die Verbindung muss sehr niederohmig sein. Zwischen LV6/21 und LV6/2 dürfte aber auch kein Widerstand messbar sein, d.h. extrem niederohmig, da ja das selbe Potential. Eventuell hast du ja auf der Platine irgendwo eine Leiterbahnunterbrechung oder eine kalte Lötstelle.
MfG
Rainer
Re: A2 mit Spannungsproblemen
Hallo Christian,wenn ich die Layoutabbildung ansehe, ist LV5/4 der Massepunkt.Zwischen Minuspol von D802 und diesem Punkt müssten  0 Ohm zu messen sein.Oder eben auch null Volt
Gruss
Gerhard
			
			
									
									
						Gruss
Gerhard
Re: A2 mit Spannungsproblemen
Hallo Gerhard, 
da muss ich korrigieren. Ich habe jetzt gerade die Serviceunterlagen nicht greifbar, aber gemäß Schaltbild ist LV5/4 nicht der Massepunkt, sondern eine der beiden negativen Versorgungsspannungen der Endstufe.
MfG
Rainer
			
			
									
									
						da muss ich korrigieren. Ich habe jetzt gerade die Serviceunterlagen nicht greifbar, aber gemäß Schaltbild ist LV5/4 nicht der Massepunkt, sondern eine der beiden negativen Versorgungsspannungen der Endstufe.
MfG
Rainer
Re: A2 mit Spannungsproblemen
Hallo Rainer,du hast recht.War vermutlich die späte Stunde,da ist mir der Durchblick abhanden gekommen.
Gruss
Gerhard
			
			
									
									
						Gruss
Gerhard
Re: A2 mit Spannungsproblemen
Hallo Leute,
gemessen an LV6/21 nach Masse, messe ich 0,39 Ohm
habe tausend Lötstellen nachgelötet und ein Leiterbahn auf der Filterplatine 7,5kHz jetzt scheint es zu stimme, die Spannungen haben sich angeglichen und der Positiv-Bereich ist stabil
f 58,1
g 26,3
h Masse
i -26,4
j -58,2
Bilder von der Platine reiche ich nach
bin gespannt ob das alles war
Grüße
und besten Dank für Eure Unterstützung,
 
schönen Rest Sonntag
Christian
			
			
									
									
						gemessen an LV6/21 nach Masse, messe ich 0,39 Ohm
habe tausend Lötstellen nachgelötet und ein Leiterbahn auf der Filterplatine 7,5kHz jetzt scheint es zu stimme, die Spannungen haben sich angeglichen und der Positiv-Bereich ist stabil
f 58,1
g 26,3
h Masse
i -26,4
j -58,2
Bilder von der Platine reiche ich nach
bin gespannt ob das alles war
Grüße
und besten Dank für Eure Unterstützung,
schönen Rest Sonntag
Christian
Re: A2 mit Spannungsproblemen
Hallo Forum,
bevor ich die Endstufe anschließe habe ich die Spannung an
a -49 Volt
b 0
c 0
d 0
e -49 Volt
k -49 Volt
l 0
m 0
n 0
o -49 Volt
gemessen, die Werte sind schnell gefallen und ins positive gekehrt.
nach einigen Minuten ca.8 habe ich folgendes gemessen
a +47 Volt
b 0
c 0
d 0
e +46 Volt
k +43 Volt
l 0
m 0
n 0
0 +42 Volt
Grüße
Christian
			
			
									
									
						bevor ich die Endstufe anschließe habe ich die Spannung an
a -49 Volt
b 0
c 0
d 0
e -49 Volt
k -49 Volt
l 0
m 0
n 0
o -49 Volt
gemessen, die Werte sind schnell gefallen und ins positive gekehrt.
nach einigen Minuten ca.8 habe ich folgendes gemessen
a +47 Volt
b 0
c 0
d 0
e +46 Volt
k +43 Volt
l 0
m 0
n 0
0 +42 Volt
Grüße
Christian
Re: A2 mit Spannungsproblemen
Hier das Bild der Platine,
Grüße
Christian
			
			
									
									
						Grüße
Christian
Re: A2 mit Spannungsproblemen
Hallo Christian,
das sieht so meiner Meinung nach nicht schlecht aus. Da die Treibertransistoren T605, T608 jetzt ins Leere laufen, hat die Endstufenschaltung quasi keine Gegenkopplung, daher kann die Spannung an den Treibertransistoren schon mal driften.
Jetzt mal eine generelle Frage. Warum hast du die Endtransistoren abgeklemmt. Hat die Endstufe nicht mehr funktioniert oder war das eine Vorsichtsmaßnahme bei der Suche nach den Spannungsschwankungen?
Bevor ich du die Endstufe(Endtransistoren) wieder anschließt, solltest du auf jeden Fall die Spannung an den 4 großen Elkos C851-C854 kontrollieren. Diese sollten entladen sein, d.h. Spannung ca. 0 - 2V. Wenn die Spannung höher ist, über einen Widerstand ( ca. 5,6k Ohm 0,3W) entladen. Vorsicht! Auf keinen Fall zum Entladen einfach nur kurzschließen. In den Elkos ist eine Menge Energie gespeichert, das knallt ganz schön.
MfG
Rainer
			
			
									
									
						das sieht so meiner Meinung nach nicht schlecht aus. Da die Treibertransistoren T605, T608 jetzt ins Leere laufen, hat die Endstufenschaltung quasi keine Gegenkopplung, daher kann die Spannung an den Treibertransistoren schon mal driften.
Jetzt mal eine generelle Frage. Warum hast du die Endtransistoren abgeklemmt. Hat die Endstufe nicht mehr funktioniert oder war das eine Vorsichtsmaßnahme bei der Suche nach den Spannungsschwankungen?
Bevor ich du die Endstufe(Endtransistoren) wieder anschließt, solltest du auf jeden Fall die Spannung an den 4 großen Elkos C851-C854 kontrollieren. Diese sollten entladen sein, d.h. Spannung ca. 0 - 2V. Wenn die Spannung höher ist, über einen Widerstand ( ca. 5,6k Ohm 0,3W) entladen. Vorsicht! Auf keinen Fall zum Entladen einfach nur kurzschließen. In den Elkos ist eine Menge Energie gespeichert, das knallt ganz schön.
MfG
Rainer
Re: A2 mit Spannungsproblemen
Hallo Rainer,
danke für den Tipp, die Eklos entlade ich generell immer, egal was ich mache.
Die Endstufe habe ich zur Sicherheit abgetrennt, da hat beim ersten einschalten was gekokelt.
Hatte auf die äußeren Sacken getippt, dass hat richtig gequalmt, hab alle ausgelötet und überprüft, scheinen OK zu sein.
 
Muss da noch genauer schauen und werde Berichten.
Bis dahin besten Dank für Deine, Eure Unterstützung
Grüße
Christian
			
			
									
									
						danke für den Tipp, die Eklos entlade ich generell immer, egal was ich mache.
Die Endstufe habe ich zur Sicherheit abgetrennt, da hat beim ersten einschalten was gekokelt.
Hatte auf die äußeren Sacken getippt, dass hat richtig gequalmt, hab alle ausgelötet und überprüft, scheinen OK zu sein.
Muss da noch genauer schauen und werde Berichten.
Bis dahin besten Dank für Deine, Eure Unterstützung
Grüße
Christian
Re: A2 mit Spannungsproblemen
Hallo auch mal von mir - nur kurz aus dem Urlaub, und ich habe hier nur ganz mieses Netz (Schweiz, Sauteuer, also nur WLAN unterwegs)
Ich würde raten, Transistoren nie auszubauen, nur um sie mal zu testen. Das habe ich auch mal irgendwo geschrieben. Mein (Fluke-)Multimeter misst nämlich auch die Diodenspannung der PN-Überänge - also z.B. von Basis nach Emitter bei einem NPN werden dann, wenn der Übergang heile ist, so an die 0,6 V angezeigt. Wenn er defekt ist, ist es ein Kurzschluss oder eben unendlich. Gerade die Sanken aus- und wieder einzulöten halte ich so für viel zu aufwendig und zerstört nur das Material. Bei noch allen Geräten/Verstärkern habe ich so die defekten Transistoren gefunden - teilweise bei IC's per Vrgleichsmesseungen mit anderen Geräten auch dort die defekten.
Herzliche Grüße - Rüdiger
			
			
									
									
						Ich würde raten, Transistoren nie auszubauen, nur um sie mal zu testen. Das habe ich auch mal irgendwo geschrieben. Mein (Fluke-)Multimeter misst nämlich auch die Diodenspannung der PN-Überänge - also z.B. von Basis nach Emitter bei einem NPN werden dann, wenn der Übergang heile ist, so an die 0,6 V angezeigt. Wenn er defekt ist, ist es ein Kurzschluss oder eben unendlich. Gerade die Sanken aus- und wieder einzulöten halte ich so für viel zu aufwendig und zerstört nur das Material. Bei noch allen Geräten/Verstärkern habe ich so die defekten Transistoren gefunden - teilweise bei IC's per Vrgleichsmesseungen mit anderen Geräten auch dort die defekten.
Herzliche Grüße - Rüdiger
Re: A2 mit Spannungsproblemen
Hallo Christian,
bist du bei der Fehlersuche schon weitergekommen?
Du solltest auf jeden Fall auch die Dioden auf der Endstufenplatine überprüfen. Wenn die nicht in ordnung sind, kann es auch zu Kurzschlüssen über die Transistoren kommen.
Bevor du aber alles in Asche und Rauch verwandelst, hätte ich einen Vorschlag für eine Strombegrenzung. Auf der 230V Seite du solltest in Reihe zum Verstärker eine 100W Glühbirne schalten. Bei Kurzschluss in der Endstufe leuchtet dann die Glühbirne hell aber die Spannung kann im Verstärker nicht so weit ansteigen, dass alles abfackelt. Wenn alles in Ordnung ist, sollte die Leistungsaufnahme des Verstärkers so klein sein, dass die Lampe so gut wie nicht leuchtet, du hast dann zwar etwas Unterspannung im Verstärker aber zum Testen sollte der damit auch funktionieren.
MfG
Rainer
			
			
									
									
						bist du bei der Fehlersuche schon weitergekommen?
Du solltest auf jeden Fall auch die Dioden auf der Endstufenplatine überprüfen. Wenn die nicht in ordnung sind, kann es auch zu Kurzschlüssen über die Transistoren kommen.
Bevor du aber alles in Asche und Rauch verwandelst, hätte ich einen Vorschlag für eine Strombegrenzung. Auf der 230V Seite du solltest in Reihe zum Verstärker eine 100W Glühbirne schalten. Bei Kurzschluss in der Endstufe leuchtet dann die Glühbirne hell aber die Spannung kann im Verstärker nicht so weit ansteigen, dass alles abfackelt. Wenn alles in Ordnung ist, sollte die Leistungsaufnahme des Verstärkers so klein sein, dass die Lampe so gut wie nicht leuchtet, du hast dann zwar etwas Unterspannung im Verstärker aber zum Testen sollte der damit auch funktionieren.
MfG
Rainer




