CC4 funktion steuerung

Sämtliche Gerätetypen Braun atelier
Antworten
Nachricht
Autor
Nerdmann
Jungspund
Jungspund
Beiträge: 14
Registriert: 12.01.2018, 19:49
Wohnort: Leer

CC4 funktion steuerung

#1 Beitrag von Nerdmann » 28.01.2018, 21:51

Ich versuche einen AC701 durch einen CC4 zu ersetzen. Aktivboxen und Yamaha Tape, Denon CD, P2 Plattenspieler.
Müssen irgendwelche Signale beim CC4 ankommen damit er die Signale aus dem lautsprecheranschluss freigibt? Irgendwie kommt nichts an den Boxen an!

sven.schnelle
Foren-As
Foren-As
Beiträge: 105
Registriert: 13.09.2017, 08:18

Re: CC4 funktion steuerung

#2 Beitrag von sven.schnelle » 28.01.2018, 22:39

Hallo,

beim CC4 muss eigentlich nichts ausser einem Audiosignal an einem der Chincheingänge ankommen. Ich geh davon aus, du hast eine Endstufe an einem der Pre-Out Ausgänge angeschlossen? Lautsprecheranschlüsse hat der CC4 ja keine. Ist denn der entsprechende Pre-Out aktiv? Steht out1 bzw. out2 im Display, und ist das Gerät auch nicht stummgeschaltet (kein "V00" im Display?)

Viele Grüße
Sven

Friedel
Braun-Insider
Braun-Insider
Beiträge: 2096
Registriert: 24.03.2022, 15:51

Re: CC4 funktion steuerung

#3 Beitrag von Friedel » 29.01.2018, 11:31

Um Unsicherheiten einzugrenzen, würde ich einen Kopfhörer an den CC4 anschließen. Der Anschluss liegt unmittelbar vor den Pre Out Anschlüssen. Wenn da Signal anliegt, beide out einschalten.

Nerdmann
Jungspund
Jungspund
Beiträge: 14
Registriert: 12.01.2018, 19:49
Wohnort: Leer

Re: CC4 funktion steuerung

#4 Beitrag von Nerdmann » 29.01.2018, 18:40

Vielen Dank erstmal. Also: Über den Kopfhöreranschluss vorne kommt was an. Angeschlossen ist an dem Remote Speaker Ausgang mit entsprechenden Din Stecker . Auf dem Display ist der Anschluss zu sehen, out 1, out 2 kann ich zuschalten. Aber es steht V00 oder 1/00. Equalizer kann ich zu- oder abschalten.
Und wie stellt man eigentlich die Sender ein?

Friedel
Braun-Insider
Braun-Insider
Beiträge: 2096
Registriert: 24.03.2022, 15:51

Re: CC4 funktion steuerung

#5 Beitrag von Friedel » 29.01.2018, 19:11

Speaker Remote ist nur für Steuerspannungen zum PA4. Nicht kompatibel zu Deinen Boxen. Das hatten wir doch schon. An der Buchse liegt auch keine NF an.
Sender abspeichern ist ein wenig tricky. Besorg Dir ne Bedienungsanleitung, oder die Service CD von Klauz.

Benutzeravatar
Paparierer
Moderator
Moderator
Beiträge: 2804
Registriert: 28.12.2010, 15:36
Wohnort: 85077 Manching

Re: CC4 funktion steuerung

#6 Beitrag von Paparierer » 29.01.2018, 19:45

Auf wegavision (in Suchmaschine eingeben) gibt es keine Bedienungsanleitung für einen CC4, aber eine für einen R4 - das Einstellen der Festsender dürfte ähnlich gehen, steht in der R4-BDA auf Seite 11.
Gruß, Gereon
_______________________________
meistens ist es was mechanisches...
_______________________________
„Audiophile verwenden ihre Geräte nicht, um Ihre Musik zu hören.
Audiophile verwenden Ihre Musik, um ihre Geräte zu hören.“

Alan Parsons

Nerdmann
Jungspund
Jungspund
Beiträge: 14
Registriert: 12.01.2018, 19:49
Wohnort: Leer

Re: CC4 funktion steuerung

#7 Beitrag von Nerdmann » 29.01.2018, 20:31

Mmmh, ich verstehe gar nichts mehr! Bin aber auch eher Laie. Traue mir nur das gröbere zu. Gehe nicht an die internes des Gerätes. Muss aber irgendwie feststellen ob das zusammen funktioniert.
Friedel, du hattest gesagt es gibt keine ausreichende steuerspannung. Habe also meinen Relais überbrückt und lasse die Aktivboxen über die geschalteten Steckdosen zuschalten. Aus der Belegung der Stecker aus einem forumsbeitrag ging hervor, dass an Pin 6 und 7 LS 1 und LS 2 anliegt, hielt ich jetzt für die Ausgangssignale. An welchen Stecker gehen denn dann die nf an die Endstufe? Und woher rührt die stummschaltung v00?

sven.schnelle
Foren-As
Foren-As
Beiträge: 105
Registriert: 13.09.2017, 08:18

Re: CC4 funktion steuerung

#8 Beitrag von sven.schnelle » 29.01.2018, 20:36

Hallo Nerdmann,

die NF Signal für die Endstufen kommen an den Pre OUT Chinch buchsen raus. Hier ganz rechts auf dem Bild: http://www.highend-anlage.de/files/imag ... 57583c.jpg" onclick="window.open(this.href);return false; An den runden DIN Buchsen kommen nur die Steuersignale raus, welche der PA4 sagen welche Lautsprecher aktiv sein sollen, aber keine NF Signale.

Viele Grüße
Sven

Friedel
Braun-Insider
Braun-Insider
Beiträge: 2096
Registriert: 24.03.2022, 15:51

Re: CC4 funktion steuerung

#9 Beitrag von Friedel » 29.01.2018, 20:46

Ich halt mich mal raus, sonst schreibe ich wieder Zeug, was zur Unmut führt.

Nerdmann
Jungspund
Jungspund
Beiträge: 14
Registriert: 12.01.2018, 19:49
Wohnort: Leer

Re: CC4 funktion steuerung

#10 Beitrag von Nerdmann » 29.01.2018, 21:02

Na das das ist ja mal richtig lustig. :lol:
Kein Wunder!
Da danke ich mal allen Beteiligten und mach mich an die Arbeit. Mir wurde diese Anlage von einem früheren Braun Profi und Liebhaber zusammengestrickt, der inzwischen verstorben ist. Ich versuche nur diese zu erhalten.

sven.schnelle
Foren-As
Foren-As
Beiträge: 105
Registriert: 13.09.2017, 08:18

Re: CC4 funktion steuerung

#11 Beitrag von sven.schnelle » 29.01.2018, 21:29

Viel Erfolg!

wernerhuss
Foren-As
Foren-As
Beiträge: 113
Registriert: 01.11.2011, 02:19
Wohnort: 24340 Eckernförde

Re: CC4 funktion steuerung

#12 Beitrag von wernerhuss » 29.01.2018, 21:38

Hallo Nordmann,
tu dir und dem CC4 den Gefallen und besorge dir eine Bedienungsanleitung für das Teil. Dort findest du alle Informationen die du brauchst und es besteht dann geringere Gefahr, dass du durch Fehlschaltungen etwas beschädigst.
Nur ein Tipp von jemandem, der die Geräte benutzt, sie aber nicht reparieren kann.
Viele Grüße aus dem Norden
Werner
CD5/2, P4, C4, CC4/2, PA4/1-> M9, PA4/1-> LS130, RC1, VC4, 2x LTV, div. GS3,4,5,6
CD3, R4/2-> LS 80
CD5/2, P4, C3, R4/1-> RM7
CD2³, T2, A2-> CM6 alles grau
TG1000/4 silber, audio308S silber-> L480/1,
R4/1 schwarz

Nerdmann
Jungspund
Jungspund
Beiträge: 14
Registriert: 12.01.2018, 19:49
Wohnort: Leer

Re: CC4 funktion steuerung

#13 Beitrag von Nerdmann » 30.01.2018, 19:40

Ich habe ja schon eine Serviceanweisung, aber die Bedienungsanleitung besorge ich mir, ich wollte nur erst mal checken ob das Ding läuft. Scheint aber ja in der Bedienung etwas komplizierter zu sein.
Aber danke für den Tipp.

braunb@r
Experte
Experte
Beiträge: 264
Registriert: 30.09.2016, 22:17
Wohnort: Erkrath bei Düsseldorf

Re: CC4 funktion steuerung

#14 Beitrag von braunb@r » 30.01.2018, 21:16

Hallo Nerdmann,

also so kompliziert ist der cc4 auch wieder nicht zu bedienen.

Wenn man am Kopfhörerausgang was hört, dann ist das ja schon die halbe Miete.
Jetzt an der aufgeklappten Toblerone die Taste out1 oder out2 drücken (die befinden sich ganz rechts auf der Toblerone) dann müsste eigentlich aun den preout1 oder preout2 Bochsen auf der Rückseite ein signal anliegen.
Ich hatte allerdings bei meinem CC4 auch schon ein defektes Ausgangsrelais.
Sicherheitshalber mal beide Ausgänge testen.

MfG

Rainer

Nerdmann
Jungspund
Jungspund
Beiträge: 14
Registriert: 12.01.2018, 19:49
Wohnort: Leer

Re: CC4 funktion steuerung

#15 Beitrag von Nerdmann » 01.02.2018, 22:52

Hallo Rainer,
Jetzt habe ich einfach mal über pre-out meine Aktivboxen angeschlossen. Das ist natürlich irgendwie Murks weil ich auf der Boxenseite Din 7 Pin Stecker habe und irgendwie Cichstecker am anderen Ende angelötet habe. Aber da tut sich nichts und Display zeigt V00. Out 1 und out 2 ausprobiert.
Dann habe ich die Cinchausgänge meines ac 701 zu Probe angeschlossen über den ich die Boxen normalerweise über Din Stecker betreibe. Da kommt nur ganz wenig an.
Woher kommt die stummschaltung?
Ich besorge mir erstmal eine Bedienungsanleitung. Dann kann ich wenigsten Sender einstellen.
Gruß, nerdmann

Friedel
Braun-Insider
Braun-Insider
Beiträge: 2096
Registriert: 24.03.2022, 15:51

Re: CC4 funktion steuerung

#16 Beitrag von Friedel » 01.02.2018, 23:09

Sorry, aber jetzt schreibe ich doch einmal.
V00 bedeutet, dass die Mutingfunktion des CC4 aktiv ist. Drück mal am Gerät unter der Wippe die Mute Taste. (und besorge Dir endlich eine Bedienungsanleitung) Wir sind sicherlich nicht hier, um Dir den A**** hinterher zu tragen.
Was die unterschiedlichen Anschlussarten angeht, so mischst Du ja auch Äpfel mit Birnen.

Nerdmann
Jungspund
Jungspund
Beiträge: 14
Registriert: 12.01.2018, 19:49
Wohnort: Leer

Re: CC4 funktion steuerung

#17 Beitrag von Nerdmann » 02.02.2018, 00:01

Der cc4 ist in Ordnung! Habe zufällig noch Aktivboxen mit Cinchanschluss ausprobieren können. Die LS 150 Aktivboxen funktionieren auch. Also fehlt nur eine Lösung für das Kabel zwischen Vorverstärkers (cinch) und Aktivbox (Din). Sofern die Ausgangssignale dafür geeignet sind.

Nerdmann
Jungspund
Jungspund
Beiträge: 14
Registriert: 12.01.2018, 19:49
Wohnort: Leer

Re: CC4 funktion steuerung

#18 Beitrag von Nerdmann » 02.02.2018, 00:20

Das ist ja eine wirklich reizende Umgangsform, aber trotzdem Danke.

KrimskRAMS
Neuling
Neuling
Beiträge: 7
Registriert: 18.06.2014, 16:32
Wohnort: Bavaria

Re: CC4 funktion steuerung

#19 Beitrag von KrimskRAMS » 02.02.2018, 10:06

Hallo Niels,
wahrscheinlich geht - pardon: ging - man hier davon aus, dass Du Dich mit der Materie auskennst, nachdem Du ja bereits LS 150 nachgebaut und mit Verstärkern aktiviert hast.
Die Enttäuschung, dass Du das Symbol "durchgestrichener Lautsprecher" nicht mit der Muting-Funktion (Stummschaltung) verbunden hast, irritiert hier einige der Spezialisten, die den CC4 auch mit verbundenen Augen bedienen könnten.

Dazu hast Du dreimal den Rat bekommen, Dir die Bedienungsanleitung zu beschaffen - und hast es selber ja auch vor - dann tu es bitte und lies Dir die Deine Probleme betreffenden Passagen durch.
Dem Beitrag zum CC4 in der Produktgalerie kannst Du entnehmen, dass er ein abgespeckter R4 ist (ihm fehlt die Endstufe).
Die Bedienungsanleitung des R4, wie von Paparierer vorgeschlagen (übrigens innerhalb von 5min herunterladbar), sollte Dir also weiterhelfen, wenn Du keine vom CC4 bekommen kannst und Dir die erwähnte CD nicht kaufen magst.

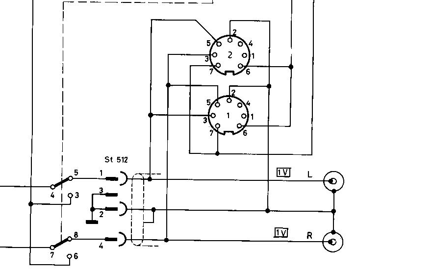
Was die Pinbelegung der Remote-Kabel resp. der -Buchsen angeht, hast Du die Übersicht ja schon gesehen:
http://www.braun-hifi-forum.de/viewtopi ... mote+kabel" onclick="window.open(this.href);return false;
und schaltest die Lautsprecher nun mit den Netzbuchsen des CC4, damit fehlt also nur noch ein Cinch-DIN-Adapter, den Du dir ev. selbst zusammenlöten musst.
Das Ausgangssignal beim AC701 liegt übrinx bei den Cinch- und den DIN-Buchsen parallel an, dass Signal vom CC4 ist also "geeignet", wenn ich mich nicht irre...
AC701-preout.jpg
Ich übernehme allerdings keine Gewähr!

Viel Erfolg!
KrimskRAMS

edit: Der Ausschnitt aus dem AC701-Schaltplan stammt übrigens auch von der wegavision-Seite.
More Rams - less Ramsch

Friedel
Braun-Insider
Braun-Insider
Beiträge: 2096
Registriert: 24.03.2022, 15:51

Re: CC4 funktion steuerung

#20 Beitrag von Friedel » 02.02.2018, 13:41

Das ist genau der Punkt gewesen. Es passiert hier im Board so häufig, dass sich neue User anmelden, im Leben wohl noch keine Suche genutzt haben und Löcher in den Bauch fragen. Jetzt hat sich Paparierer schon die Mühe gemacht, Dir den Link zum Manual auf dem Präsentierbrett zu liefern und es wird trotzdem immer weiter gefragt. Ich versuche mal ruhiger zu werden und meine Hilfestellung mal wieder ein wenig zurück zu fahren. Es gibt genug andere User hier im Board, die scheinbar ein dickeres Fell haben und mit stoischer Ruhe immer die selben Antworten geben. Ich kann es jedenfalls nicht.

Nerdmann
Jungspund
Jungspund
Beiträge: 14
Registriert: 12.01.2018, 19:49
Wohnort: Leer

Re: CC4 funktion steuerung

#21 Beitrag von Nerdmann » 02.02.2018, 17:35

Ich habe Verständnis wenn man so tief in der Materie steckt sind meine Fragen und Handlungen im Nachhinein auch ein bisschen peinlich, aber es gab bisher keine passenden Antworten im forum. Die Mute Taste habe ich die ganze Zeit benutzt, ich hatte den Hinweis falsch verstanden. Aber man stellt die Fragen ja auch nicht bewusst blöd und man muss ja auch nicht antworten, oder? Ich bin ja jetzt aufm weg und danke. Ich melde mich dann wieder wenn ich blöde Fragen habe und bring Friedel auf die Palme.

Nerdmann
Jungspund
Jungspund
Beiträge: 14
Registriert: 12.01.2018, 19:49
Wohnort: Leer

Re: CC4 funktion steuerung

#22 Beitrag von Nerdmann » 02.02.2018, 18:43

Zur Information: habe ein 10 m langes cinchkabel gekauft, eine Seite gekappt, die 2 Nf und die gemeinsame Masse auf einen Din Stecker entsprechend der Belegung getötet. Jetzt läuft die Aktivbox ohne Brummen schaltet sich über die Netzbuchsen zu. Jetzt muss nur noch die zweite umgebaut werden. Klingt ziemlich Klasse zusammen.

Antworten