ich bin neu hier und verfolge seit längerem mit großem Interesse die verschiedensten Beiträge hier. Jedoch bin ich bei meinem CSV 500 mit meinem Latein am Ende und hoffe ihr könnt mir bei der Fehlersuche behilflich sein.
Kurze Einleitung:
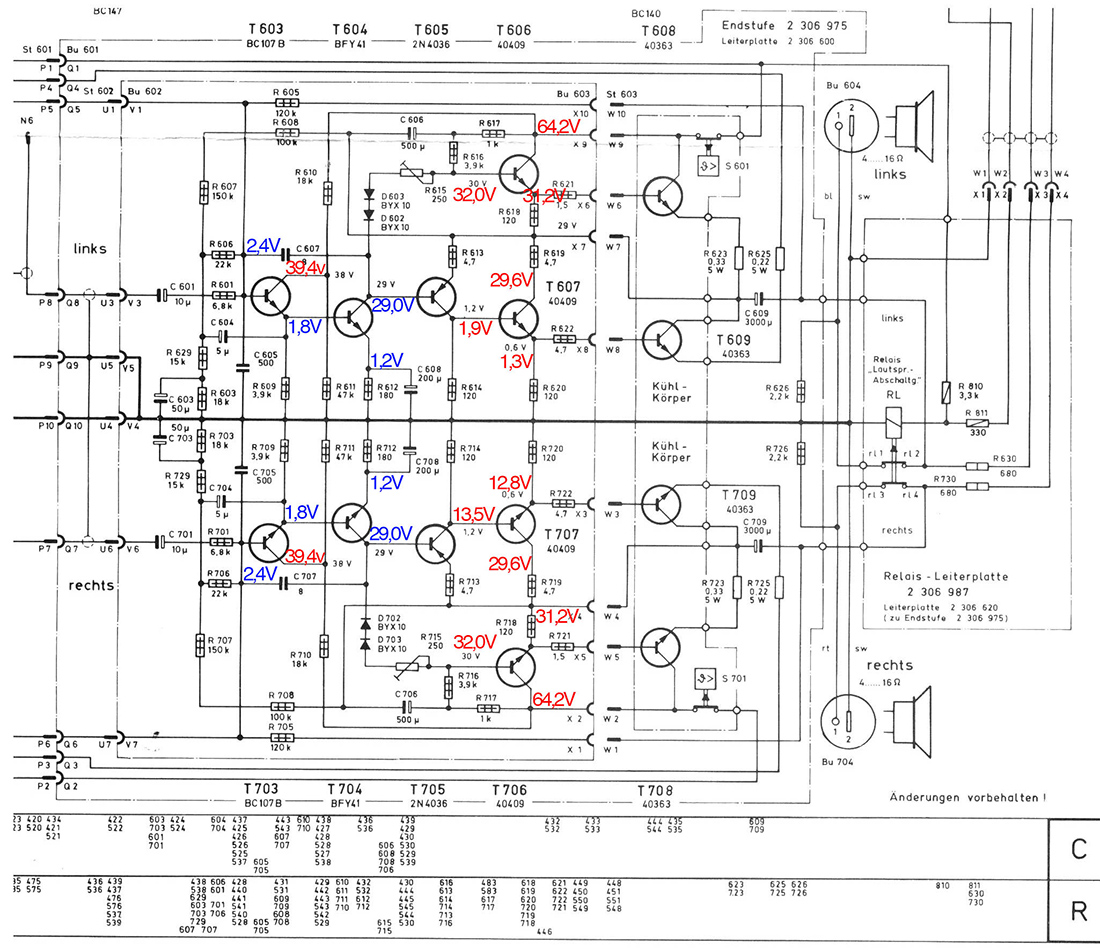
Ich habe den Verstärker vor einem Monat vom Speicher geholt, die 4A Sicherung auf der Netzteilplatine war defekt und darauf hin machte ich mich auf die Suche nach der Ursache. Ich hab wie in anderen Beiträgen auch beschrieben die Endstufenplatine ins Visir genommen. Darauf war das Trimmer Poti, der 500uf Elko, eine byx10 Diode, ein 2N 4036, 2x 2N 3055 und einer der Treiber Transistoren BSW 65 defekt (Kurzschluss).
Habe darauf hin in der Endstufe alle Elkos (die zwei 500pf Kondensatoren auf Kapazität geprüft, OK), alle Widerstände geprüft, 4x BSW 65 ( durch BD139-16 ersetzt), 2x 2N 4036, 2x BC107 und die 4 dyx10 durch 1N4007 ersetzt. Desweiteren habe ich auch alle 4 Leistungs Transistoren (2N3055) ersetzt.
Im nächsten schritt habe ich auf der Netzteilplatine die zwei Elkos 500uf und 2500uf ersetzt, die Zener Diode mit dem dioden Tester geprüft und die anderen Folien-Kondensatoren ersetzt. die 4 Transistoren (BC147b und BC177) auch geprüft.
Problem:
Lautsprecher angeschlossen, auf Phono gestellt und Eingeschaltet. Es gab nen Plopp im Lautsprecher und alle 4 Leistungstransistoren wurden warm doch gab es eine kaum hörbare Verstärkung des anliegenden Signals. Balance Regler war auf linken Kanal gestellt, Ruhestrom war noch nicht eingestellt. Dann Band Taste gedrückt und die Transistoren der Linken-Endstufe waren tot und die 4A Sicherung flog. Diagnose Kurzschluss Emitter - Kollektor der beiden 2N3055.
Inzwischen auch alle Elkos und Kondensatoren auf dem Steuerverstärker erneuert und die Transistoren mit dem Dioden Tester geprüft. Transistoren wieder erneuert
auf rechten Kanal gestellt. Eingeschalten, lauter Plopp und binnen einer Sek. die beiden rechten Leistungstransistoren tot, jedoch bevor die Sicherung flog.
Auf der Endstufen Platine ist nichts mit gestorben. hab auch die BD139-16 ausgelötet und nochmals gemessen und alles in Ordnung auch die Dioden sind noch Ok.
Die jeweiligen Leistungstransistoren werden je nach stellung des Balance regler gegrillt.
Was mir aufgefallen ist die Netzteil Platine weicht Deutlich vom Schaltplan ab.
Ich hoffe Ihr könnt mir helfen das gute Stück wieder ins Leben zurück zu holen, ich bin euch sehr dankbar.
besten Dank
Andreas




