Hallo zusammen,
ich sitze gerade an einem CSV1000, den ich defekt ersteigert hatte (ein Kanal ging nicht). Es waren schon recht viele Elkos erneuert. Im Vorverstärker waren nur noch die rosafarbenen 10 uF Elkos original. Die habe ich als erstes kontrolliert und schnell einen ersten defekten gefunden. Ich habe dann alle 6 noch vorhanden getauscht - beim Nachmessen waren drei defekt. Danach kamm immerhin schon auf beiden Kanälen Musik, aber unterschiedlich laut. Hier war die Ursache offensichtlich nicht im Vorverstärker, da ein Brücken des Stereosignals am Ausgang des Vorverstärkers daran nichts änderte. Es stellte sich heraus, dass der 25uF Kondensator C604 Kapazität verloren hatte. Da dieser auch noch aus der Originalbestückung war, habe ich ihn und sein Pendant im anderen Kanal ersetzt.
Jetzt habe ich immer noch folgenden Fehler: in der Schalterstellung linear (überbrückte Tonregelung) geht alles einwandfrei. Mit Tonregelung wird nur der linke Kanal deutlich lauter und die Regler sind immer noch ohne Funktion. Auf dem rechten Kanal wird es beim Einschalten der Tonregelung nicht lauter und die Regler gehen ganz normal. Mit Präsenz wird der Klang aber auch links etwas heller. Wenn man den Pegelregler für links voll aufdreht, verzerrt der Kanal bei eingeschalteter Tonregelung, in lin ist alles in Ordnung.
Hat jemand eine Idee?
Herzliche Grüße
Gerhard
CSV 1000 Problem mit Klangregelung
Re: CSV 1000 Problem mit Klangregelung
Hallo zusammen,
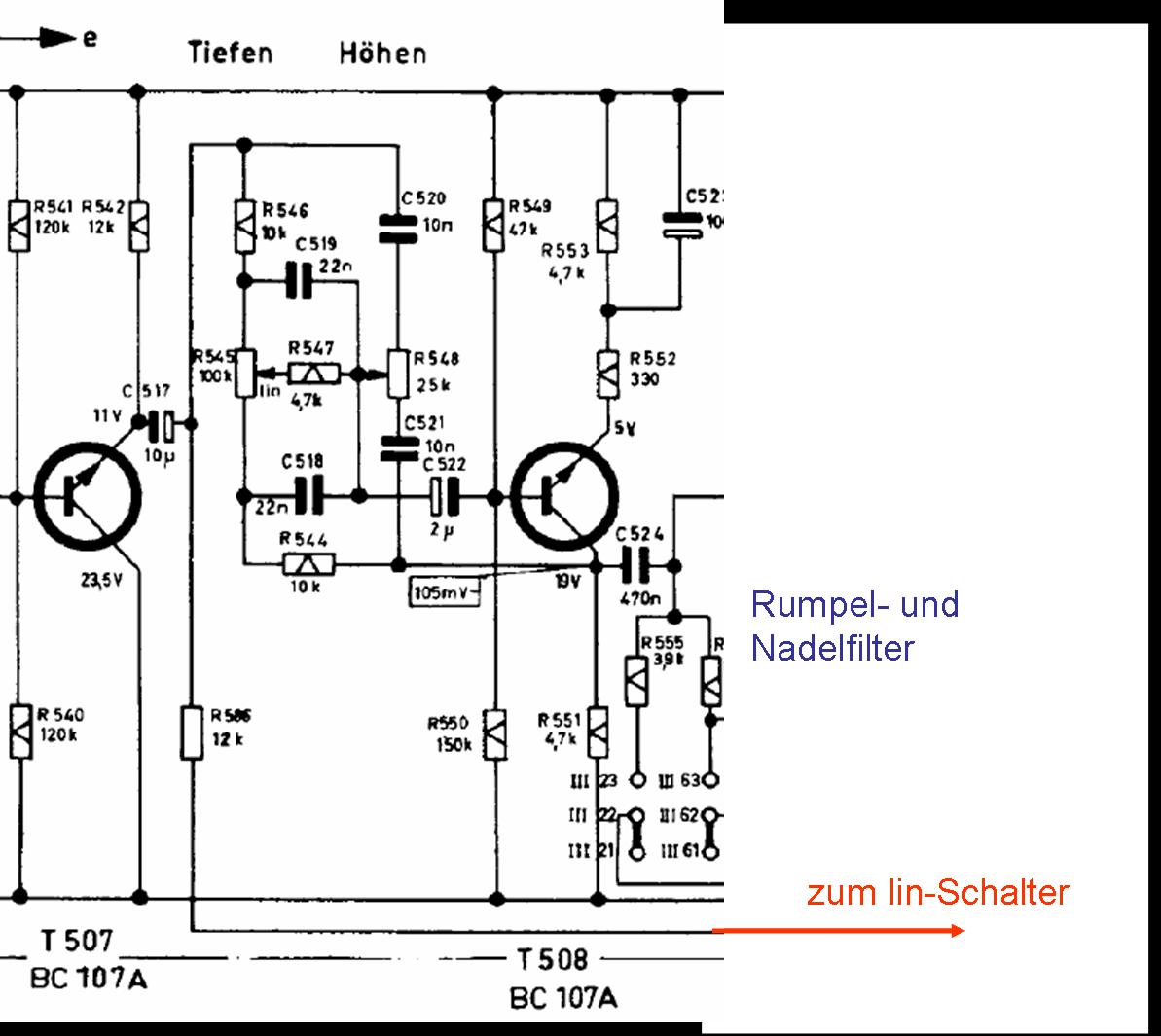
ich habe mir den Schaltplan angeschaut. Das Problem muss zwischen T507 und T508 liegen -> siehe Schaltplanausschnitt.
ich habe mir den Schaltplan angeschaut. Das Problem muss zwischen T507 und T508 liegen -> siehe Schaltplanausschnitt.
Re: CSV 1000 Problem mit Klangregelung
Hallo zusammen,
Fehler gefunden. Wie ich zu meiner Schande gestehen muss, habe ich ihn selbst eingebaut. Beim Wechsel einer der 10 uF-Elkos habe ich - auch weil der Lötpunkt schlecht zugänglich halb unter einem der Potis liegt - eine Lötbrücke gezogen. Die betroffene Leiterbahn war zwar an der Stelle mit Lötlack überzogen, ist aber trotzdem durchgegangen. Also beim nächsten Mal besser aufpassen!
Herzliche Grüße
Gerhard
Fehler gefunden. Wie ich zu meiner Schande gestehen muss, habe ich ihn selbst eingebaut. Beim Wechsel einer der 10 uF-Elkos habe ich - auch weil der Lötpunkt schlecht zugänglich halb unter einem der Potis liegt - eine Lötbrücke gezogen. Die betroffene Leiterbahn war zwar an der Stelle mit Lötlack überzogen, ist aber trotzdem durchgegangen. Also beim nächsten Mal besser aufpassen!
Herzliche Grüße
Gerhard
