CSV250 nicht CSV250/1 !
CSV250 nicht CSV250/1 !
Liebes Forum!
Kann mir jemand ein Kundendienstmanual oder ein Schaltbild zum CSV250 überlassen oder einen Link zum download benennen?
Im Internet bin ich bisher nicht fündig geworden, alles was ich fand war für den 250/1 jedoch keine Unterlage zum CSV250.
Vorab herzlichen Dank und Grüße
Thomas
Kann mir jemand ein Kundendienstmanual oder ein Schaltbild zum CSV250 überlassen oder einen Link zum download benennen?
Im Internet bin ich bisher nicht fündig geworden, alles was ich fand war für den 250/1 jedoch keine Unterlage zum CSV250.
Vorab herzlichen Dank und Grüße
Thomas
Ein Teil meiner weiteren Braun-Geräte TG1020-CEV520-PS500, können hier betrachtet werden:
https://tonbandforum.de/showthread.php?tid=8051
https://tonbandforum.de/showthread.php?tid=8051
Re: CSV250 nicht CSV250/1 !
evtl hilft ein kleiner umweg:
viewtopic.php?t=873
viewtopic.php?t=873
frei nach k. ebstein: im leben geht manchmal was daneben.
Re: CSV250 nicht CSV250/1 !
Leider hilft diese Stelle nicht weiter, da es nicht der Plan des CSV 250 ist, sondern der eines CSV250/1.
Ich suche daher weiterhin.
Dennoch Danke und
Grüße
Thomas
Ich suche daher weiterhin.
Dennoch Danke und
Grüße
Thomas
Ein Teil meiner weiteren Braun-Geräte TG1020-CEV520-PS500, können hier betrachtet werden:
https://tonbandforum.de/showthread.php?tid=8051
https://tonbandforum.de/showthread.php?tid=8051
Re: CSV250 nicht CSV250/1 !
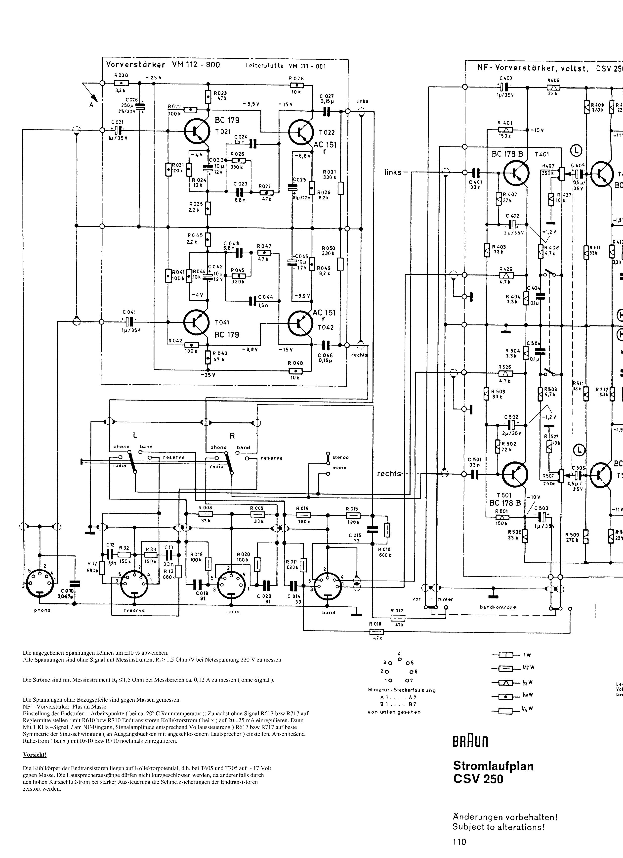
Hallo Thomas,
hier die Unterlagen, die Du suchst:
. .
Zu den Fotos Deines Plattenspielers und den Headshells, die Du im Tonbandforum eingestellt hast:
. .
Bei den abgebildeten Headshells gehört nur das rechte zum PS500. Das linke Headshell wurde ausschließlich im PS400, 410, 420 und PS430 eingesetzt. Es gibt jedoch noch eine Variante des Headshells für den PS500. Sie war nur für den PS1000 bestimmt. Beide sind baugleich, jedoch ist die Oberfläche des Headshells für den PS500 matt, die des PS1000 glänzend poliert.
Deine Sammlung von Braun-Geräten, die Du besitzt, gefällt mir sehr gut.
Viele Grüße
Heinrich
hier die Unterlagen, die Du suchst:
. .
Zu den Fotos Deines Plattenspielers und den Headshells, die Du im Tonbandforum eingestellt hast:
. .
Bei den abgebildeten Headshells gehört nur das rechte zum PS500. Das linke Headshell wurde ausschließlich im PS400, 410, 420 und PS430 eingesetzt. Es gibt jedoch noch eine Variante des Headshells für den PS500. Sie war nur für den PS1000 bestimmt. Beide sind baugleich, jedoch ist die Oberfläche des Headshells für den PS500 matt, die des PS1000 glänzend poliert.
Deine Sammlung von Braun-Geräten, die Du besitzt, gefällt mir sehr gut.
Viele Grüße
Heinrich
Re: CSV250 nicht CSV250/1 !
Hallo Heinrich,
danke, jedoch vermute ich, dass sich hinter dem Schaltbild nicht ein CSV250 in der Urversion verbirgt. Der soll ja ausschließlich mit germanium Transistoren bestückt sein, das sieht in dem Schaltbild anders aus, da sind etliche silizium Transistoren verbaut worden.
Oder irre ich mit meiner Annahme bezüglich der Germanium Transistoren?
Dies habe ich zumindest hier im Forum so gelesen.
Grüße
Thomas
danke, jedoch vermute ich, dass sich hinter dem Schaltbild nicht ein CSV250 in der Urversion verbirgt. Der soll ja ausschließlich mit germanium Transistoren bestückt sein, das sieht in dem Schaltbild anders aus, da sind etliche silizium Transistoren verbaut worden.
Oder irre ich mit meiner Annahme bezüglich der Germanium Transistoren?
Dies habe ich zumindest hier im Forum so gelesen.
Grüße
Thomas
Ein Teil meiner weiteren Braun-Geräte TG1020-CEV520-PS500, können hier betrachtet werden:
https://tonbandforum.de/showthread.php?tid=8051
https://tonbandforum.de/showthread.php?tid=8051
Re: CSV250 nicht CSV250/1 !
moin, hatte obigen tipp nicht selber nachgeprüft 
wenn das von henry auch nix ist, kuck mal hier ob der passt:
https://www.hifi-archiv.info/Braun/Brau ... 3b-001.jpg
hätte den auch zum einscannen falls das zu grob ist.
davor gabs imho tc 40, hätte ich auch aber nur den plan auf einem dina4
wenn das von henry auch nix ist, kuck mal hier ob der passt:
https://www.hifi-archiv.info/Braun/Brau ... 3b-001.jpg
hätte den auch zum einscannen falls das zu grob ist.
davor gabs imho tc 40, hätte ich auch aber nur den plan auf einem dina4
frei nach k. ebstein: im leben geht manchmal was daneben.
Re: CSV250 nicht CSV250/1 !
Hallo,
es gibt 2 Versionen vom CSV 250 und eine Version vom /1:
- die erste Version vom CSV 250 ist komplett mit Germaniumtransistoren bestückt
- einige Germaniumtransistoren wurden durch Siliziumtransistoren bei der 2. Version des CSV 250 ersetzt, aber nicht alle
- weitere Germiumtransistoren wurden durch Siliziumtransitoren im CSV 250/1 ersetzt, aber immer noch nicht alle
- Nadel- und Rumpelfilter im CSV 250/1 zusätzlich
Gruß
Raimund
es gibt 2 Versionen vom CSV 250 und eine Version vom /1:
- die erste Version vom CSV 250 ist komplett mit Germaniumtransistoren bestückt
- einige Germaniumtransistoren wurden durch Siliziumtransistoren bei der 2. Version des CSV 250 ersetzt, aber nicht alle
- weitere Germiumtransistoren wurden durch Siliziumtransitoren im CSV 250/1 ersetzt, aber immer noch nicht alle
- Nadel- und Rumpelfilter im CSV 250/1 zusätzlich
Gruß
Raimund
Re: CSV250 nicht CSV250/1 !
Hallo Raimund und hallo Buggy
und alle anderen,
das hilft mir sehr gut weiter und die Auflösung der Bilder ist ausreichend.
Nochmals besten Dank
Thomas
und alle anderen,
das hilft mir sehr gut weiter und die Auflösung der Bilder ist ausreichend.
Nochmals besten Dank
Thomas
Ein Teil meiner weiteren Braun-Geräte TG1020-CEV520-PS500, können hier betrachtet werden:
https://tonbandforum.de/showthread.php?tid=8051
https://tonbandforum.de/showthread.php?tid=8051



