Umbau des Regie 550d auf 87,5...108 MHz

Sämtliche Steuergeräte (Receiver) Braun regie
Antworten
Nachricht
Autor
Benutzeravatar
henry2
Moderator
Moderator
Beiträge: 1152
Registriert: 03.10.2010, 10:39
Wohnort: Markgräflerland

Umbau des Regie 550d auf 87,5...108 MHz

#1 Beitrag von henry2 » 20.09.2016, 17:05

Hallo Freunde und Besitzer des Regie 550d,

es gibt gute Nachrichten. Zu dem schon mehrfach angesprochenen Wunsch, die FM-Empfangsfrequenz auf 108 MHz zu erweitern, möchte ich Euch eine leicht zu verwirklichende Lösung beschreiben.

Im Unterschied zum Regie 550 besitzt ja der d-Typ keine Senderskala, sondern ein Display, das die Empfangsfrequenz anzeigt. Dahinter steckt ein Frequenzzähler, der einfach die Oszillatorfrequenz misst und davon 10,7 MHz (bei AM 455 KHz) abzieht, woraus sich die Empfangsfrequenz ergibt.

Beim Umbau des Regie 550d auf 87,5...108 MHz entfallen praktisch alle Nachteile, die diesen Umbau beim Regie 550 als nicht empfehlenswert erscheinen lassen. Diese hatte ich hier schon mal geschildert.

Uli stellte mir glücklicherweise sein Regie 550d als "Versuchsobjekt" zur Verfügung, sodass ich meine Vorstellungen zum Umbau verwirklichen konnte. Vielen Dank dafür!

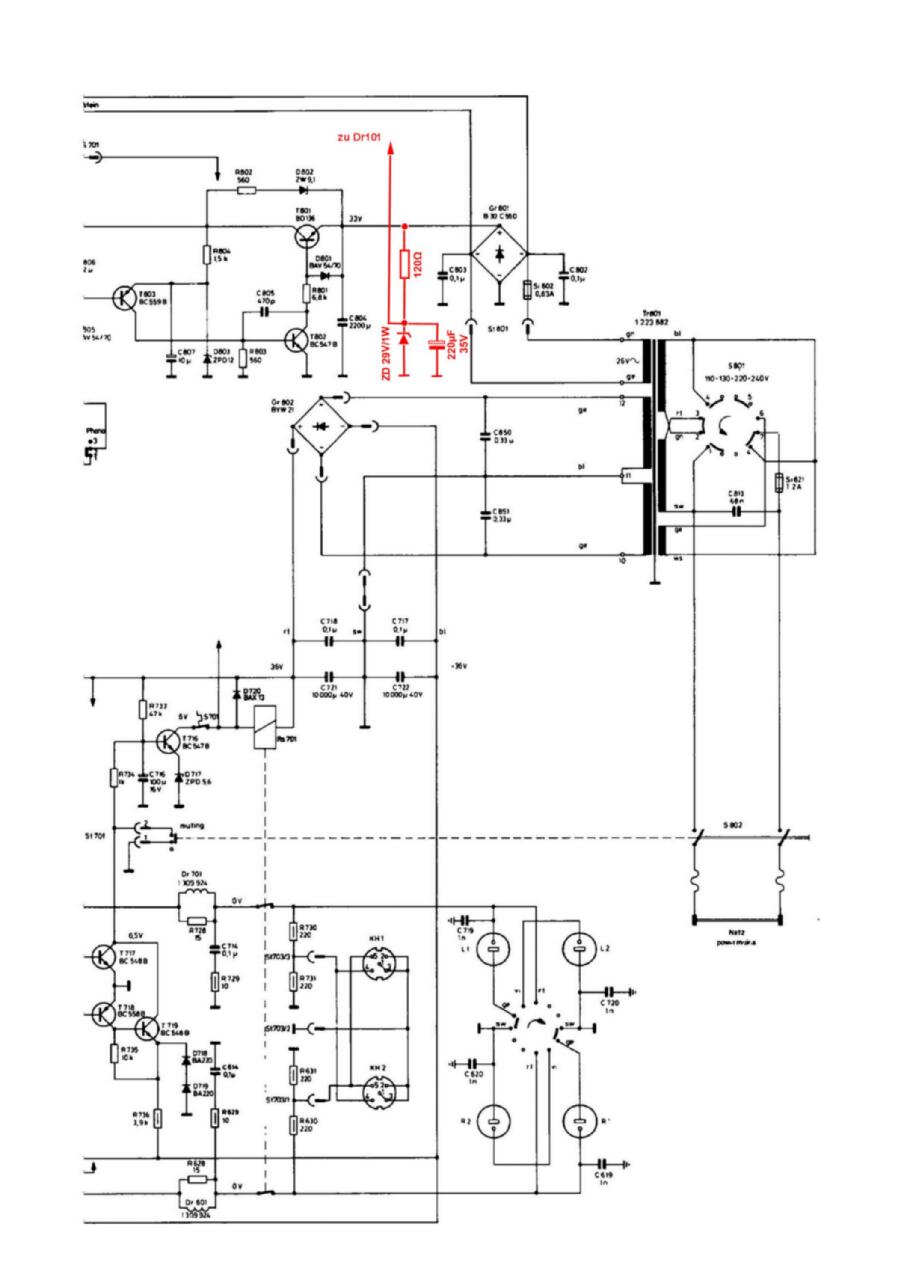
Als Erstes muss die Abstimmspannung für die Kapazitätsdioden erhöht werden, damit deren Kapazitäten für den 108 MHz-Empfang weiter verkleinert werden können. Dazu wird eine kleine, einfache Schaltung mit einem Widerstand, einem Elko und einer oder zwei Zenerdioden (erwünschte Zenerspannung 29V) aufgebaut. Da ich in dem kleinen Elektronikladen meines Vertrauens keine Zenerdiode mit 29V bekommen konnte, habe ich eine mit 13V und eine mit 16V in Reihe geschaltet. Die Eingangsspannung der Schaltung entnimmt man direkt am Elko C804. Die durch die Zenerdiode(n) einigermaßen stabilisierte Ausgangsspannung sollte 29V betragen. Die benötigte hochgenaue und temperaturkompensierte Stabilisierung der Abstimmspannung wird von Ci101 erledigt. Eine etwas höhere Spannung als 29V wäre zwar wünschenswert, lässt sich aber wegen der dann zu geringen Spannungsdifferenz zwischen Ein- und Ausgangsspannung des kleinen Selbstbaumoduls leider nicht realisieren. Aus diesem Grund sollte auch der Selengleichrichter Gr801 gegen einen Siliziumgleichrichter ausgetauscht werden, wodurch eine etwas höhere Gleichspannung an C804 erzielt wird. An die Stromversorgung für die Endstufe, die zwar 36V gegen Masse bereithält, mochte ich nicht drangehen, da sie (trotz Siebung) bei großen Lautstärken zu instabil wird und dazu noch mit niederfrequentem NF-Signal moduliert ist.

Ich habe die paar Bauteile vorerst auf einem Stückchen Experimentierplatine untergebracht und dieses auf einem Distanzröllchen an die untere Platine geschraubt. Uli möge mir verzeihen, dass ich dort (fernab von jeder Leiterbahn) ein kleines Loch hineingebohrt habe.
Platinchen.jpg
Da sich Uli auch bestens auf die Herstellung feiner Platinchen versteht, lässt er sich bestimmt eine elegantere Lösung einfallen, wenn er sein Gerät wieder zurückerhalten hat. Mir ging es zunächst mal um einen funktionierenden Versuchsaufbau.
cev550d_Plan3.jpg
Die Ausgangsspannung der kleinen Schaltung wird direkt der Dr101 auf der oberen Leiterplatte zugeführt, wobei man die Leiterbahn, die zu dieser Drossel führt, kurz davor natürlich unterbrechen muss. Nun stehen an der Drossel 29V anstelle der zuvor anliegenden 25V an.
Leiterbahn.jpg
Die letzte durchzuführende Schaltungsänderung besteht darin, dass der Widerstand R134 von 27KΩ auf 18KΩ reduziert werden muss. Das war dann schon alles.

Nun folgen nur noch die Einstell- und Abgleicharbeiten. Diese werden dank des Frequenzanzeigedisplays genial vereinfacht. Dadurch erspart sich nämlich der mittellose Heimwerker einen gescheiten UKW-Messsender und erzielt trotzdem ein für den Hausgebrauch absolut zufriedenstellendes Ergebnis. Also los geht's:

1. Den Senderwahlknopf an den rechten Anschlag (höchste Empfangsfrequenz) stellen. Mit R139 108 MHz einstellen. Wenn sich hierdurch 108 MHz (noch) nicht einstellen lassen, R139 vom Anschlag wieder um ca. 1/3 zurückstellen und den Oszillatorschwingkreis mit C120 (im FM-Frontend) auf 108 MHz abgleichen.

2. Den Senderwahlknopf an den linken Anschlag (niedrigste Empfangsfrequenz) stellen. Mit R142 87,5 MHz einstellen.
Abstimmpoti.jpg
3. Bei rechtem Anschlag des Senderwahlknopfs mit R139 nochmal auf 108 MHz nachjustieren, anschließend Pkt. 2. und 3. wiederholen, bis die beiden Einstellungen stimmen.

Zu den Sender-Speichertasten:
Nach betätigen einer beliebigen Speichertaste ist dort am zugehörigen Spindelpotentiometer die niedrigst mögliche Frequenz einzustellen. Sie wird zunächst noch erheblich über der Sollfrequenz von 87,5 MHz liegen. Nun mit dem Trimmpoti R122 (auf der unteren Leiterplatte) die gewünschten 87,5 MHz einstellen. Fertig. Die Einstellung ist für alle Speichertasten wirksam. Es ist auch nicht mehr notwendig, eine Einstellung für das obere Ende der Empfangsfrequenz bei 108 MHz vorzunehmen. Diese stimmt noch nach wie vor.

Das war der Oszillator. Nun zu den Vor- und Zwischenkreisen:
Frontend.jpg
4. Gerät auf einen schwachen Sender bei etwa 105...106 MHz einstellen; Feldstärkeanzeige ca. 1 bis 1,5 (ggf. ohne eingesteckte Antenne arbeiten). Abstimmbares Zwischenkreisbandfilter mit C108 und C111 auf maximale Feldstärkeanzeige abstimmen. Dann Vorkreis mit C104 ebenfalls auf Maximum abstimmen.

5. Gerät auf einen schwachen Sender bei etwa 90 MHz einstellen (Feldstärkeanzeige ca. 1 bis 1,5). Abstimmbares Zwischenkreisbandfilter mit L102 und L103 auf maximale Feldstärkeanzeige abstimmen. Dann Vorkreis mit L101 ebenfalls auf Maximum abstimmen.

Kleiner Hinweis: Da der Vorkreis recht breitbandig ausgelegt ist, ergibt sich eine relativ breite Resonazkurve, was sich (im Unterschied zu den steilflankigeren Zwischenkreisen) durch eine sehr weiche, nur wenig merkliche Reaktion beim Abgleich von C104/L101 zeigt. Dennoch: Sorgfältig abgleichen.

6. Pkt. 4. und 5. wiederholen, bis alle Maxima erreicht sind.

Für die Abgleicharbeiten an den Spulen und Trimmern müssen geeignete Abgleichschlüssel verwendet werden. Hierbei wäre auch etwas Fingerspitzengefühl und Sorgfalt gefragt, ansonsten ist das Ganze aber kein Hexenwerk.

Da ich leider nicht über einen UKW-Messsender verfüge, kann ich die Empfangsempfindlichkeit nicht auf genaue Werte hin überprüfen. Es zeigte sich jedoch, dass das Gerät nach dem Umbau mit anschließendem Abgleich nach wie vor eine ausgesprochen gute Empfindlichkeit aufweist. Auch nach mehrstündigem Probelauf blieb die Empfangsfrequenz absolut stabil. Man kann also rundum feststellen, dass dieser kleine Umbau, der in wenigen Stunden über die Bühne läuft, ausgesprochen lohnenswert ist.

Kleines Manko: Auf der Frontscheibe ist immer noch klein aufgedruckt:
UKW: Kanal 1 – 57 Kanal; 87,5 – 104 MHz.
Tatsächlich müsste es nun heißen:
UKW: Kanal 1 – 70 Kanal; 87,5 – 108 MHz.
Damit muss man jetzt eben leben :?.

Viele Grüße

Heinrich

Benutzeravatar
Uli
Braun-Insider
Braun-Insider
Beiträge: 4457
Registriert: 13.09.2009, 14:35
Wohnort: Bielefeld

Re: Umbau des Regie 550d auf 87,5...108 MHz

#2 Beitrag von Uli » 20.09.2016, 17:31

Moin!

Eine Topbeschreibung und eine super Arbeit, vielen Dank dafür!

Da ich gerade die Digitalanzeige nachbaue (dauert aber noch) werde ich die 29V Platine auch neu machen und hier zur Verfügung stellen!

Besten Dank für Deinen Einsatz, nun kommen die alten Schuhkartons wieder richtig zur Geltung! :zwink:

Gruß... Uli

andreas schnadt
Moderator
Moderator
Beiträge: 2254
Registriert: 16.09.2010, 14:50
Wohnort: Leverkusen

Re: Umbau des Regie 550d auf 87,5...108 MHz

#3 Beitrag von andreas schnadt » 20.09.2016, 19:18

Hallo Heinrich,
wieder einmal Respekt vor Deiner Arbeit und die hervorragende Darstellung! Hut ab!
Aber wir sind ja auch sehr verwöhnt von Deinen sachkundigen Beiträgen! :thumb:
Gruß Andreas
Viel Freude beim Hören !

Benutzeravatar
v/d/b
Braun-Insider
Braun-Insider
Beiträge: 2767
Registriert: 13.01.2009, 18:37
Kontaktdaten:

Re: Umbau des Regie 550d auf 87,5...108 MHz

#4 Beitrag von v/d/b » 20.09.2016, 23:25

Hallo Heinrich,
mal wieder ein toller Bericht von Dir :thumb:
Da fragt man sich, warum Braun den 550er nicht gleich bis 108 MHz ausgelegt hat.
Wurde dieser Frequenzbereich damals noch anderweitig genutzt?
Bleibt nur zu hoffen dass UKW nicht so bald abgeschaltet wird...

Viele Grüße
Thomas

Friedel
Braun-Insider
Braun-Insider
Beiträge: 2096
Registriert: 24.03.2022, 15:51

Re: Umbau des Regie 550d auf 87,5...108 MHz

#5 Beitrag von Friedel » 21.09.2016, 00:01

Es ist ja allgemein bekannt, wie sehr ich Heinrichs Wissen schätze. Ihm selber ist das eher unangenehm wenn ich darauf rum reite. Aber eins ist für mich sonnenklar. Seine Beiträge heben sich wohltuend von dem Müll einiger Poster hier ab und für mich neben einigen wenigen anderen Usern hier überhaupt noch ein Grund in diesem Board präsent zu sein.

Benutzeravatar
Jens
Administrator
Administrator
Beiträge: 1034
Registriert: 19.09.2009, 11:35
Wohnort: 45219 Essen

Re: Umbau des Regie 550d auf 87,5...108 MHz

#6 Beitrag von Jens » 21.09.2016, 00:51

Hallo Heinrich,

Ich habe mir erlaubt Deinen Top Beitrag direkt einmal "festzunageln", damit er auch gut gefunden wird. Alle Achtung für Deine fachlichen Kenntnisse.

Viele Grüße,
Jens
Don't Panic!

Benutzeravatar
henry2
Moderator
Moderator
Beiträge: 1152
Registriert: 03.10.2010, 10:39
Wohnort: Markgräflerland

Re: Umbau des Regie 550d auf 87,5...108 MHz

#7 Beitrag von henry2 » 21.09.2016, 10:17

Hallo zusammen,

vielen Dank für Eure Zustimmung und Eure freundlichen Worte. Im nachhinein machte ich mir aber doch noch einige Gedanken darüber, ob die geringe Differenz zwischen der unstabilisierten Spannung direkt hinter dem Gleichrichter Gr801 und der Ausgangsspannung der kleinen 29V-Platine ausreichend ist. Man ist ja da um jedes Volt froh.

Meine Gedanken dazu kamen allerdings etwas zu spät, denn der Beitrag war bereits draußen. Ich mochte eben nicht nur eine schöne, sondern auch eine bei allen in der Praxis vorkommenden Netzspanungsschwankungen (frequenz)stabile Lösung aufzeigen.

Also machte ich mich heute morgen nochmal ans Testen. Der Netzspannungs-Wahlschalter am Gerät ist auf 240V eingestellt. Die Netzspannung betrug exakt 230V. Rasch war der Regeltrafo angeschlossen und die Messungen konnten beginnen.

Ich führte drei kleine Messreihen bei 108, 100 und 90 MHz durch, wobei ich die Netzeinspeisung am Regie jeweils in 10er-Schritten von 230, 220, 200 bis auf 190V reduzierte. Bei allen drei eingestellten Frequenzen zeigte sich, dass sie bis hinunter auf einschließlich 200V absolut stabil blieben. Erst bei 190V fielen die eingestellten Frequenzen jeweils um 0,3 MHz ab.

Das ist ein beruhigendes Ergebnis, welches die Praxistauglichkeit des Umbaus nochmals bestätigt.

An dieser Stelle möchte ich auch die berechtigte Frage von Thomas aufgreifen, weshalb die Firma Braun das nicht schon von Anfang an so vorgesehen hatte. Ich habe da überhaupt keine Erklärung dafür. Schon der CE16 und sämtliche nachfolgenden Tuner waren für 108 MHz ausgelegt, ebenso alle Regiegeräte bis hin zum 520er. Das war ja auch besonders für den Export wichtig. Allerdings wurden alle diese Geräte mittels Drehko abgestimmt. Das Regie 550 war eines der frühen mit Varicap-Abstimmung. Ob man sich damit noch etwas zu unsicher war? Eher unwahrscheinlich, denn doof waren die Entwickler sicherlich nicht. Ich weiß es also wirklich nicht.

Falls jemand von Euch diesen Umbau für sich realisieren möchte und noch Fragen dazu hat, kann er (oder vielleicht auch sie) sich gerne an mich wenden und nochmal nachhaken. Vielleicht ist es auch eine gute Idee darauf zu warten, bis das 29V-Platinchen von Uli zu haben ist.

Viele Grüße

Heinrich

Benutzeravatar
Uli
Braun-Insider
Braun-Insider
Beiträge: 4457
Registriert: 13.09.2009, 14:35
Wohnort: Bielefeld

Re: Umbau des Regie 550d auf 87,5...108 MHz

#8 Beitrag von Uli » 21.09.2016, 10:52

Moin!

Leider sind keine Zenerdioden mit 29V zu bekommen, da wird es bei einem Z-Pärchen bleiben.
Man könnte aber auch einen Step-Up Wandler einbauen und dort die 29V Spannung einstellen, ab 2V taktet er stabil hoch. Ich hoffe man hört den Wandler nicht im Lautsprecher, ich werde es mal bei Gelegenheit testen!

Gruß... Uli

Benutzeravatar
werner
Profi
Profi
Beiträge: 554
Registriert: 08.03.2009, 21:45
Wohnort: 77716 haslach im kinzigtal

Re: Umbau des Regie 550d auf 87,5...108 MHz

#9 Beitrag von werner » 21.09.2016, 10:56

das unlogische obere endes der frequenzbandes hatten wir schon mal als thema.
frequenzband UKW

das war auch mein problem bei der slimline-serie:
beim T301 - ist bei 104 schluss - der deutschlandfunk im süden ist aber bei 106,3 (Kanal 80). der TS501 packt das gerade noch :D

der T301 hat drehko - der TS nicht mehr. erhöhung auf 108 Mhz ginge beim TS501 nicht. die LED-reihe ist zu ende :(

grüsse werner,
der noch viel UKW hört
Zuletzt geändert von werner am 21.09.2016, 14:02, insgesamt 1-mal geändert.

Benutzeravatar
v/d/b
Braun-Insider
Braun-Insider
Beiträge: 2767
Registriert: 13.01.2009, 18:37
Kontaktdaten:

Re: Umbau des Regie 550d auf 87,5...108 MHz

#10 Beitrag von v/d/b » 21.09.2016, 11:03

Huch, da habe ich ja sogar selbst was geschrieben :oops:
Danke für den Link Werner.

Viele Grüße
Thomas

Friedel
Braun-Insider
Braun-Insider
Beiträge: 2096
Registriert: 24.03.2022, 15:51

Re: Umbau des Regie 550d auf 87,5...108 MHz

#11 Beitrag von Friedel » 21.09.2016, 20:32

Ich habe mal gelernt, Faustformel für stabile Ausgangsspannung eines Spannungsreglers ist Eingangsspannung : 1,414 = Ausgangsspannung.

bernie
Routinier
Routinier
Beiträge: 167
Registriert: 14.05.2011, 22:59

Re: Umbau des Regie 550d auf 87,5...108 MHz

#12 Beitrag von bernie » 23.09.2016, 13:12

Hallo,
wäre eine Spannungsregelung mit einem LM317L nicht sinnvoller? Mit den 32V Uin kommt der ebenfalls auf mindestens 29V Uout. Nur hält er die auch exakt ein und lässt sich genau trimmen. Er braucht lt. Datenblatt (Onsemi) je nach Stabilität der Schaltungsumgebung zwei kleinere Kondensatoren, die ich hier erstmal weglassen würde.

Z-Dioden haben eine Herstellungstoleranz, die für diesen Zweck ungeeignet ist. Z.B. eine ZPD30 hat lt. Datenblatt von Semtech Electronics* zulässige Werte von 28V ..32V. Das sind +- 2V! Eine für diesen Zweck viel zu große Toleranz, aber noch normal. Viel bessere Werte kann man von keiner Z-Diode in diesem Spannungsbereich erwarten. Spannungswerte einer Z-Diode sind immer nur Orientierungswerte!

Wenn man jetzt zwei Z-Dioden mit kleineren Werten in Serie schaltet, können die Toleranzen in der Summe zufällig noch größer sein, können sich aber auch zufällig aufheben. Man müsste also verschiedene Kombinationen individuell ausmessen und nicht blind einbauen. Sonst kommt man evtl. nur bis 27V.

Andererseits spricht die zulässige Toleranz dafür, dass eine einzige 30V Z-Diode auch ziemlich genau 29V haben kann.

Die Temperaturdrift kann dagegen vernachlässigt werden. Üblich sind bis 1/1000 V pro 1°K. Zwischen Raumtemperatur (20°C) und betriebswarmem Gerät liegen an der Einbaustelle geschätzt höchstens 15°K. Eine max. Änderung der Abstimmspannung von 0,015V dürfte einen gut eingestellten Sender nicht verstimmen.

*) http://www.alldatasheet.com/datasheet-p ... ZPD30.html" onclick="window.open(this.href);return false;
mfg berni

Benutzeravatar
henry2
Moderator
Moderator
Beiträge: 1152
Registriert: 03.10.2010, 10:39
Wohnort: Markgräflerland

Re: Umbau des Regie 550d auf 87,5...108 MHz

#13 Beitrag von henry2 » 24.09.2016, 14:27

Hallo berni,

was Du zu den zulässigen Toleranzen bei den Zenerdioden schreibst, ist richtig. Ich habe mir deshalb auch 3 Paare der 13- und 16V-Dioden gekauft (sind ja nur Pfennigartikel), damit ich ggf. ein stimmiges Paar zusammenstellen kann. Anschließend hatte ich alle 3 Paare nacheinander mit passendem Vorwiderstand angeschlossen und nachgemessen. Alle 3 Paare lieferten mit einer Diskrepanz von nur wenigen Hundert mV ihre 29V. Ganz so schlimm scheint es also um die tatsächlichen Abweichungen in der Praxis nicht bestellt zu sein.

Natürlich ist Dein Vorschlag, eine Spannungsregelung mit einem LM317L aufzubauen, ein gangbarer Weg, der eine exakte und stabile Ausgangsspannung liefert und nicht sehr viel Mehraufwand erfordert. Demgegenüber hat es sich aber auch erwiesen, dass die einfache Lösung mit den Zenerdioden völlig ausreichend ist, wenn sie eine Spannung von ca. 29V zur Verfügung stellen. Die erforderliche hochgenaue und temperaturkompensierte Stabilisierung der Abstimmspannung wird ja - wie schon erwähnt - vom LM723 (Ci101) erledigt.

Freilich bleibt es nun jedem unbenommen, welche dieser Lösungen er gerne umzusetzen möchte.

Gruß Heinrich

Benutzeravatar
henry2
Moderator
Moderator
Beiträge: 1152
Registriert: 03.10.2010, 10:39
Wohnort: Markgräflerland

Re: Umbau des Regie 550d auf 87,5...108 MHz

#14 Beitrag von henry2 » 01.09.2017, 15:38

Hallo Jens,

ich möchte mich an dieser Stelle nochmals bei Dir für die Korrektur meines Schreibfehlers im Eingangsbeitrag dieses Threads bedanken.
Zur Erklärung für alle: Ich hatte im Absatz Ziff. 2 geschrieben:

"2. Den Senderwahlknopf an den linken Anschlag (niedrigste Empfangsfrequenz) stellen. Mit R142 97,5 MHz einstellen."

In diesem zweiten Satz muss es natürlich heißen: "Mit R142 87,5 MHz einstellen."

Das war die Berichtigung, die Jens vorgestern für mich vornahm. Den Fehler hatte ich erst vor wenigen Tagen bemerkt.

Schöne Grüße

Heinrich

Benutzeravatar
henry2
Moderator
Moderator
Beiträge: 1152
Registriert: 03.10.2010, 10:39
Wohnort: Markgräflerland

Re: Umbau des Regie 550d auf 87,5...108 MHz

#15 Beitrag von henry2 » 16.03.2021, 15:24

Hallo zusammen,

zwischenzeitlich habe ich schon einige Regie 550d auf 108 MHz umgebaut und bisher stets erfolgreich mit den beiden Zenerdioden 16+13V. Vor ein paar Tagen wurde ich erneut angefragt, ob ich noch einmal einen solchen Umbau machen könnte.

Zur Abwechslung, und weil ich gerade welche da hatte, wollte ich einmal anstelle der beiden Zenerdioden einen Versuch mit dem LM317T unternehmen.
LM317T.jpg
Der Aufbau mit einem LM317 war zwar aufwendiger als mit den Zenerdioden und beanspruchte auch mehr Platz (von dem aber reichlich zur Verfügung steht), aber das Ergebnis war exakt das selbe, d.h. es brachte in funktioneller Hinsicht keinerlei Verbesserungen gegenüber der Schaltung mit den Zehnerdioden.
k-DSC_0031.JPG
Resümee: In Zukunft werde ich bei den Zenerdioden bleiben, kaufe für wenige Cent ein paar davon mehr und messe ein geeignetes Paar heraus. Das ist zeitsparender, ein wenig preiswerter und im Ergebnis kein bisschen schlechter.

Viele Grüße

Heinrich

Antworten