Regie 510 "gestorben" - Einstieg in die Ursachenanalyse?
-
bullitt168
- Neuling

- Beiträge: 7
- Registriert: 06.01.2017, 20:28
Regie 510 "gestorben" - Einstieg in die Ursachenanalyse?
Hallo liebes Forum,
Ihr hattet mir vor einigen Wochen schon mal sehr mit meinem FM-Regler geholfen - Seitdem lief der Regie 510 bei mir wunderbar in meinem Büro und hat mir viel Freude bereitet.
Vor zwei tagen hat er sich leider verabschiedet mit folgendem "Fehlerbild" - Könnt ihr mir tipps geben, an welcher Komponente ich tiefer in die Analyse einsteigen sollte?
Fehlerbild:
- In den vergangenen Wochen sporadisches Knistern auf beiden Kanälen - Gefühlt bei "warmen" gerät nach einiger Zeit stärker werdend. Zwischendurch aber auch mal Abende ohne das leiseste Knistern.
- Vor wenigen Tagen dann: Musik "verschwand" schleichend (habe nicht aktiv hingehört) und dann bei Blick auf den Verstärker festgestellt, dass die Anzeigen für Feldstärke / Mittenabstimmung nicht mehr leuchteten.
- Ich konnte keine "elektrischen" Gerüche / Rauch /... wahrnehmen
- Seitdem ist dem 510er kein Ton mehr zu entlocken, egal welcher Eingang / Radio / Lautsprecherpaar.
- Was mich wundert: Beim Einschalten hört man in den Lautsprechern das übliche Einschalt-Knacken. Ich schlussfolgere daraus, dass es nicht das "Haupt"-Netzteil sein kann? (Kenne mich zugegebenermaßen bislang mit der Elektrik des Verstärkers aber auch nicht aus)
Kennt einer dieses "Sterbeverhalten" und kann mir eine Spur geben, wo ich mit Recherche/Analyse starten sollte? Mit Multimeter & Lötkünsten bin ich gesegnet, d.h. beabsichtige - wenn möglich - mich selbst an die Reparatur zu wagen.
Danke und Grüße,
Bastian
Ihr hattet mir vor einigen Wochen schon mal sehr mit meinem FM-Regler geholfen - Seitdem lief der Regie 510 bei mir wunderbar in meinem Büro und hat mir viel Freude bereitet.
Vor zwei tagen hat er sich leider verabschiedet mit folgendem "Fehlerbild" - Könnt ihr mir tipps geben, an welcher Komponente ich tiefer in die Analyse einsteigen sollte?
Fehlerbild:
- In den vergangenen Wochen sporadisches Knistern auf beiden Kanälen - Gefühlt bei "warmen" gerät nach einiger Zeit stärker werdend. Zwischendurch aber auch mal Abende ohne das leiseste Knistern.
- Vor wenigen Tagen dann: Musik "verschwand" schleichend (habe nicht aktiv hingehört) und dann bei Blick auf den Verstärker festgestellt, dass die Anzeigen für Feldstärke / Mittenabstimmung nicht mehr leuchteten.
- Ich konnte keine "elektrischen" Gerüche / Rauch /... wahrnehmen
- Seitdem ist dem 510er kein Ton mehr zu entlocken, egal welcher Eingang / Radio / Lautsprecherpaar.
- Was mich wundert: Beim Einschalten hört man in den Lautsprechern das übliche Einschalt-Knacken. Ich schlussfolgere daraus, dass es nicht das "Haupt"-Netzteil sein kann? (Kenne mich zugegebenermaßen bislang mit der Elektrik des Verstärkers aber auch nicht aus)
Kennt einer dieses "Sterbeverhalten" und kann mir eine Spur geben, wo ich mit Recherche/Analyse starten sollte? Mit Multimeter & Lötkünsten bin ich gesegnet, d.h. beabsichtige - wenn möglich - mich selbst an die Reparatur zu wagen.
Danke und Grüße,
Bastian
-
bullitt168
- Neuling

- Beiträge: 7
- Registriert: 06.01.2017, 20:28
Re: Regie 510 "gestorben" - Einstieg in die Ursachenanalyse?
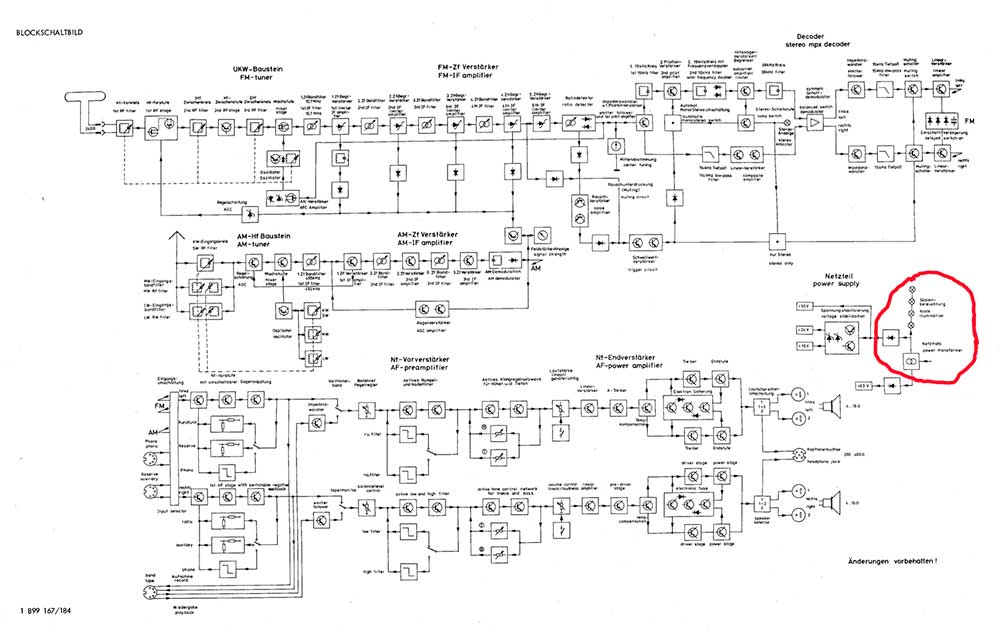
Vielleicht konnte ich mir selbst schon helfen:
Laut Blockschaltbild sind ja die die Skalen-Beleuchtungen quasi "direkt" am Netztrafo angeschlossen (Rote Markierung im Bild anbei) - Kann ich da diese nicht leuchten schon den Trafo als Delinquent identifizieren? Grüße,
Bastian
Laut Blockschaltbild sind ja die die Skalen-Beleuchtungen quasi "direkt" am Netztrafo angeschlossen (Rote Markierung im Bild anbei) - Kann ich da diese nicht leuchten schon den Trafo als Delinquent identifizieren? Grüße,
Bastian
Re: Regie 510 "gestorben" - Einstieg in die Ursachenanalyse?
Hallo Bastian,bezieht sich deine Aussage nur auf Radio oder alle Signalquellen.Wenn der Trafo defekt wäre,käme das Knacken nur einmal bis die Elkos entladen sind,dann nicht mehr.Bei den Lämpchen ist es so,dass wenn eins stirbt,die anderen auch nicht mehr leuchten.
Gruss
Gerhard
Gruss
Gerhard
-
bullitt168
- Neuling

- Beiträge: 7
- Registriert: 06.01.2017, 20:28
Re: Regie 510 "gestorben" - Einstieg in die Ursachenanalyse?
Hallo Gerhard,
Es sind alle Signalquellen tot (UKW, LW, MW, Band, Reserve), ebenso die Stereo-Leuchte, die Skalenbeleuchtung und die beiden Zeigernadeln.
Das Knacken kommt bei jedem Einschalten (ich hab den Eindruck wenn das gerät länger aus war ist das Knacken lauter als wenn ich mehrmals hintereinander an- und ausschalte).
Ich vermute mal die Lämpchen sind in Reihe und nicht Parallel geschaltet und verhalten sich daher so wie du schreibst - Die werden aber ja bei defekt kaum den ganzen receiver lahm legen.
Kann man mit dem Fehlerbild was anfangen?
Vielen Dank und Grüße,
Bastian
Es sind alle Signalquellen tot (UKW, LW, MW, Band, Reserve), ebenso die Stereo-Leuchte, die Skalenbeleuchtung und die beiden Zeigernadeln.
Das Knacken kommt bei jedem Einschalten (ich hab den Eindruck wenn das gerät länger aus war ist das Knacken lauter als wenn ich mehrmals hintereinander an- und ausschalte).
Ich vermute mal die Lämpchen sind in Reihe und nicht Parallel geschaltet und verhalten sich daher so wie du schreibst - Die werden aber ja bei defekt kaum den ganzen receiver lahm legen.
Kann man mit dem Fehlerbild was anfangen?
Vielen Dank und Grüße,
Bastian
Re: Regie 510 "gestorben" - Einstieg in die Ursachenanalyse?
Hallo Bastian,ich würde vermuten,dass der Transistor T801 hinüber ist,mal an C804 und C806 die Spannung messen.
Gruss
Gerhard
Gruss
Gerhard
-
bullitt168
- Neuling

- Beiträge: 7
- Registriert: 06.01.2017, 20:28
Re: Regie 510 "gestorben" - Einstieg in die Ursachenanalyse?
Hallo Gerhard,
Danke für deinen Hinweis und entschuldige dass ich erst jetzt antworte.
Ich habe gerade gemessen und messe an beiden Kondensatoren 0V - Vermutlich wenig verwunderlich, da die Schmelzsicherung links davon SI801 durchgeschmolzen ist.
Diese kann ich natürlich ersetzen (habe aber leider gerade keine im Haus) - Allerdings hat es ja vermutlich einen Grund, dass die Sicherung durch ist.
Weiterhin messe ich am Trafo zwischen 23gn/22bl einen Widerstand von 8 Ohm und zwischen 84gn/85sw 1,7 Ohm. (Im ausgeschalteten Zustand) - Ist das so in Ordnung?
Ist dies auch eine "Standard-Situation", aus der man ableiten kann, was ich vielleicht noch gleich mit austauschen sollte?
Grüße und Danke,
Bastian
Danke für deinen Hinweis und entschuldige dass ich erst jetzt antworte.
Ich habe gerade gemessen und messe an beiden Kondensatoren 0V - Vermutlich wenig verwunderlich, da die Schmelzsicherung links davon SI801 durchgeschmolzen ist.
Diese kann ich natürlich ersetzen (habe aber leider gerade keine im Haus) - Allerdings hat es ja vermutlich einen Grund, dass die Sicherung durch ist.
Weiterhin messe ich am Trafo zwischen 23gn/22bl einen Widerstand von 8 Ohm und zwischen 84gn/85sw 1,7 Ohm. (Im ausgeschalteten Zustand) - Ist das so in Ordnung?
Ist dies auch eine "Standard-Situation", aus der man ableiten kann, was ich vielleicht noch gleich mit austauschen sollte?
Grüße und Danke,
Bastian
Re: Regie 510 "gestorben" - Einstieg in die Ursachenanalyse?
Hallo Bastian,schön dass du dich nochmal meldest.Der gemessene Ohmwert ist vermutlich ok.Die Sicherung ist,vermute ich die 821 mit 1,6A.Wenn die gestorben ist könnte die Sekundärwicklung des Trafos einen Schluss haben,aber ich vermute mal eher einen der Gleichrichter oder die von mir genannten Elkos.Da könntest du mal ohmmässig messen.
Gruss
Gerhard
Gruss
Gerhard
Re: Regie 510 "gestorben" - Einstieg in die Ursachenanalyse?
Kleiner Nachtrag,ist der Knallfrosch noch drin?,der Entstörkondensator könnte auch der Auslöser für das Sicherungssterben sein.Allerdings riecht man das im allgemeinen.
Gruss
Gerhard
Gruss
Gerhard
Re: Regie 510 "gestorben" - Einstieg in die Ursachenanalyse?
Guten Tag.
Ich habe seit heute dasselbe Fehlerbild. Einschalt-Fump manchmal noch vorhanden, alles andere tot.
Bei mir ist es definitiv nicht nur irgendeine Sicherung, da sich der Fehler innerhalb von einigen Tagen fließend entwickelte: Gestern sprang der Regie 510 nach einigen Einschaltversuchen noch an und funktionierte dann fehlerfrei. Auch die Skalenbeleuchtung war da nochmal an.
Gibt es etwas neues zur Problemlösung?
Vielen Dank.
Ich habe seit heute dasselbe Fehlerbild. Einschalt-Fump manchmal noch vorhanden, alles andere tot.
Bei mir ist es definitiv nicht nur irgendeine Sicherung, da sich der Fehler innerhalb von einigen Tagen fließend entwickelte: Gestern sprang der Regie 510 nach einigen Einschaltversuchen noch an und funktionierte dann fehlerfrei. Auch die Skalenbeleuchtung war da nochmal an.
Gibt es etwas neues zur Problemlösung?
Vielen Dank.
-
andreas schnadt
- Moderator

- Beiträge: 2243
- Registriert: 16.09.2010, 14:50
- Wohnort: Leverkusen
Re: Regie 510 "gestorben" - Einstieg in die Ursachenanalyse?
Moin Namenloser,
nachdem Du Dich hier schon etwas eingelesen hast, ist Dir vielleicht aufgefallen, dass wir uns hier bei unserem Vornamen nennen, gerne auch mehr und eine kurze Vorstellung in der entsprechenden Sparte erfreut auch die Mitglieder hier. Ansonsten erstmal willkommen im Forum und viel Erfolg bei der Reanimation Deines schönen Gerätes!
Gruß Andreas
nachdem Du Dich hier schon etwas eingelesen hast, ist Dir vielleicht aufgefallen, dass wir uns hier bei unserem Vornamen nennen, gerne auch mehr und eine kurze Vorstellung in der entsprechenden Sparte erfreut auch die Mitglieder hier. Ansonsten erstmal willkommen im Forum und viel Erfolg bei der Reanimation Deines schönen Gerätes!
Gruß Andreas
Viel Freude beim Hören !
Re: Regie 510 "gestorben" - Einstieg in die Ursachenanalyse?
Hallo Andreas und hallo alle,
vor lauter Panik wegen meines kaputten Schätzchens bin ich natürlich nicht dazu gekommen, mich vorzustellen. Ich heiße Bernhard oder Bern und sammele neben alten Computern und Videospielkonsolen auch brAun-Geräte. So nebenher schon 30 Jahre lang, ich bin 52. Meine Jeden-Tag-Anlage besteht aus dem Regie 510 mit PS500-Plattenspieler und Kängurufuß-Tisch. Ein kleiner Bluetooth-Empfänger von Logitech stellt die Verbindung zu allem, was neu ist, her. Ich mag das Teil und ich muß es unbedingt wieder heil bekommen.
Gruß
Bernhard
vor lauter Panik wegen meines kaputten Schätzchens bin ich natürlich nicht dazu gekommen, mich vorzustellen. Ich heiße Bernhard oder Bern und sammele neben alten Computern und Videospielkonsolen auch brAun-Geräte. So nebenher schon 30 Jahre lang, ich bin 52. Meine Jeden-Tag-Anlage besteht aus dem Regie 510 mit PS500-Plattenspieler und Kängurufuß-Tisch. Ein kleiner Bluetooth-Empfänger von Logitech stellt die Verbindung zu allem, was neu ist, her. Ich mag das Teil und ich muß es unbedingt wieder heil bekommen.
Gruß
Bernhard
Re: Regie 510 "gestorben" - Einstieg in die Ursachenanalyse?
Hallo Bernhard,wenn kein Licht mehr brennt,gibt es 3 Möglichkeiten:1 der Einschalter ist hin, 2.die Eingangssicherung ist hinüber weil der Entstörkondi kurzschliesst, 3.der Trafo ist gestorben,was wir nicht hoffen wollen.Also Sicherung checken,wenn durch, den Kondi abknipsen und einen Neuen besorgen.
Gruss
Gerhard
Gruss
Gerhard
Re: Regie 510 "gestorben" - Einstieg in die Ursachenanalyse?
Hallo Gecko. Die Sicherung ist okay, ich hab sie gemessen. Schalter auch. War aber eh klar, denn der Defekt trat ja _fließend_ über drei Tage ein. Vorhin ist der Regie sogar nochmal einmal kurz angesprungen. Hab das Gerät jetzt offen vor mir stehen....gecko10 hat geschrieben:Hallo Bernhard,wenn kein Licht mehr brennt,gibt es 3 Möglichkeiten:1 der Einschalter ist hin, 2.die Eingangssicherung ist hinüber weil der Entstörkondi kurzschliesst, 3.der Trafo ist gestorben,was wir nicht hoffen wollen.Also Sicherung checken,wenn durch, den Kondi abknipsen und einen Neuen besorgen.
Gruss
Gerhard
Gruß
Bern
Re: Regie 510 "gestorben" - Einstieg in die Ursachenanalyse?
Hallo Berhard,dann miss doch mal am Entstörkondi ohmmässig die Primärwicklung.Natürlich vorher Stecker raus.
Gruss
Gerhard
Gruss
Gerhard
Re: Regie 510 "gestorben" - Einstieg in die Ursachenanalyse?
Also einfach an den beiden Enden des Entstörkondensators?gecko10 hat geschrieben:Hallo Berhard,dann miss doch mal am Entstörkondi ohmmässig die Primärwicklung.Natürlich vorher Stecker raus.
Gruss
Gerhard
Das sind 4,9 Ohm. Kann das sein?
Gruß
Bern
P.S. gemessen an dem großen goldenen runden Kondensator. In der Nähe sind noch zwei kleine rechteckige rote Kondensatoren. Wofür sind die?
Re: Regie 510 "gestorben" - Einstieg in die Ursachenanalyse?
Hallo Berhard,je nach Trafo sinds so 10 bis 20 OHM oder eben auch weniger.Jetzt miss mal bei gedrücktem Einschalter am Netzstecker,da müsste es dann wenn Schalter und Sicherung ok sind,etwa der gleiche Wert sein.
Gruss
Gerhard
Gruss
Gerhard
Re: Regie 510 "gestorben" - Einstieg in die Ursachenanalyse?
Widerstand unendlich! Auch direkt gemessen am Netzschalter. Aha! Sollte es doch der Netzschalter sein? Ich dachte schon, den hätte ich ausgeschlossen durch 30 mal draufdrücken. Und weil es ja noch "fump" macht beim einschalten.gecko10 hat geschrieben:Hallo Berhard,je nach Trafo sinds so 10 bis 20 OHM oder eben auch weniger.Jetzt miss mal bei gedrücktem Einschalter am Netzstecker,da müsste es dann wenn Schalter und Sicherung ok sind,etwa der gleiche Wert sein.
Gruss
Gerhard
Was schaltet der Netzschalter denn noch außer den Netzstrom? Da sind ja noch zwei dünne Drähtchen, die zusätzlich geschaltet werden.
Mache morgen weiter.....
Danke einstweilen.
Bern
Re: Regie 510 "gestorben" - Einstieg in die Ursachenanalyse?
Hallo Bern,der andere Kontakt ist der Stummschalter.Aber noch eine Frage:Hast die die Sicherung selbst gemessen oder am Halter?Ich habs zwar bei Braun Geräten noch nicht erlebt,aber gelegentlich werden auch die Sicherungshalter morsch.
Gruss
Gerhard
Gruss
Gerhard
Re: Regie 510 "gestorben" - Einstieg in die Ursachenanalyse?
Interessant: Defekt ist ausschließlich der Netzschalter! Und zwar beide 220V-Kontakte auf einmal. Passiert das öfter? Ich mußte also provisorisch zwei Brücken einlöten, damit es läuft.
Danke, Gerhard, daß Du so hartnäckig warst, obwohl ich zuerst gedacht habe, der Schalter wäre okay.
Stellt sich natürlich die Frage, woher ich Ersatz bekomme.
Hier
http://www.braun-hifi-forum.de/viewtopi ... =4&t=10656" onclick="window.open(this.href);return false;
habe ich gesehen, daß das garnicht so einfach ist.
Bei meinem speziellen Schalter könnte ich ich notfalls versuchen, so umzulöten, daß Knopf rein=aus und Knopf raus=ein. Das ginge sowohl bei den 220V-Pins als auch bei den Stummschalter-Pins.
Aber schön ist das ja nicht. Ein neuer Schalter wäre wohl besser. jemand eine Idee?
Gruß
Bern
Danke, Gerhard, daß Du so hartnäckig warst, obwohl ich zuerst gedacht habe, der Schalter wäre okay.
Stellt sich natürlich die Frage, woher ich Ersatz bekomme.
Hier
http://www.braun-hifi-forum.de/viewtopi ... =4&t=10656" onclick="window.open(this.href);return false;
habe ich gesehen, daß das garnicht so einfach ist.
Bei meinem speziellen Schalter könnte ich ich notfalls versuchen, so umzulöten, daß Knopf rein=aus und Knopf raus=ein. Das ginge sowohl bei den 220V-Pins als auch bei den Stummschalter-Pins.
Aber schön ist das ja nicht. Ein neuer Schalter wäre wohl besser. jemand eine Idee?
Gruß
Bern
Re: Regie 510 "gestorben" - Einstieg in die Ursachenanalyse?
Aha. Hier scheint ja jemand Original-Netzschalter zu haben:
http://www.braunforum.com/viewtopic.php ... 074#p69179" onclick="window.open(this.href);return false;
Da das Wort "Regie" fehlt, scheint er schwer gefunden zu werden oder wie?
Gruß
Bernhard
http://www.braunforum.com/viewtopic.php ... 074#p69179" onclick="window.open(this.href);return false;
Da das Wort "Regie" fehlt, scheint er schwer gefunden zu werden oder wie?
Gruß
Bernhard
Re: Regie 510 "gestorben" - Einstieg in die Ursachenanalyse?
Hallo nochmal, hallo Gerhard
Aus Mangel an Alternativen habe ich jetzt mal diese sehr billigen Schalter bestellt:
https://www.ebay.de/itm/2-x-TV-Netzscha ... Sw5cRZFbif" onclick="window.open(this.href);return false;
Einen Winkel muß ich dann selbst anfertigen.
Spricht etwas dagegen?
Gruß
Bernhard
Aus Mangel an Alternativen habe ich jetzt mal diese sehr billigen Schalter bestellt:
https://www.ebay.de/itm/2-x-TV-Netzscha ... Sw5cRZFbif" onclick="window.open(this.href);return false;
Einen Winkel muß ich dann selbst anfertigen.
Spricht etwas dagegen?
Gruß
Bernhard
Re: Regie 510 "gestorben" - Einstieg in die Ursachenanalyse?
So, mein Regie 510 läuft wieder. Jemand aus dem Form, der evtl. gern anonym bleiben wollte, hat mir einen passenden Nachbau des Netzschalters (mit passendem Haltewinkel) geschickt.
Allen Beteiligten vielen Dank für die tolle Hilfe!

Allen Beteiligten vielen Dank für die tolle Hilfe!
- roland
- Administrator

- Beiträge: 951
- Registriert: 12.02.2010, 15:26
- Wohnort: 72119 ammerbuch / ex-aachener
- Kontaktdaten:
Re: Regie 510 "gestorben" - Einstieg in die Ursachenanalyse?
moin,
interessant wäre natürlich für alle anderen regie-besitzer wo man diesen nachbau her bekommt. ich frage nicht ganz uneigennützig
interessant wäre natürlich für alle anderen regie-besitzer wo man diesen nachbau her bekommt. ich frage nicht ganz uneigennützig
herzlichen gruß
roland
________________________________________
carum est quod rarum est et veri amici rari sunt.
absolvo te
roland
________________________________________
carum est quod rarum est et veri amici rari sunt.
absolvo te

