Hallo ,
das Thema gab es schon einmal, was sich aber nicht mehr ergänzen ließ. Falls jemand dieses Brummen eliminieren möchte
und sich es um mechanisches Brummen handelt, hier ein Lösungsansatz, der zumindest bei mir für absolute Ruhe gesorgt hat.
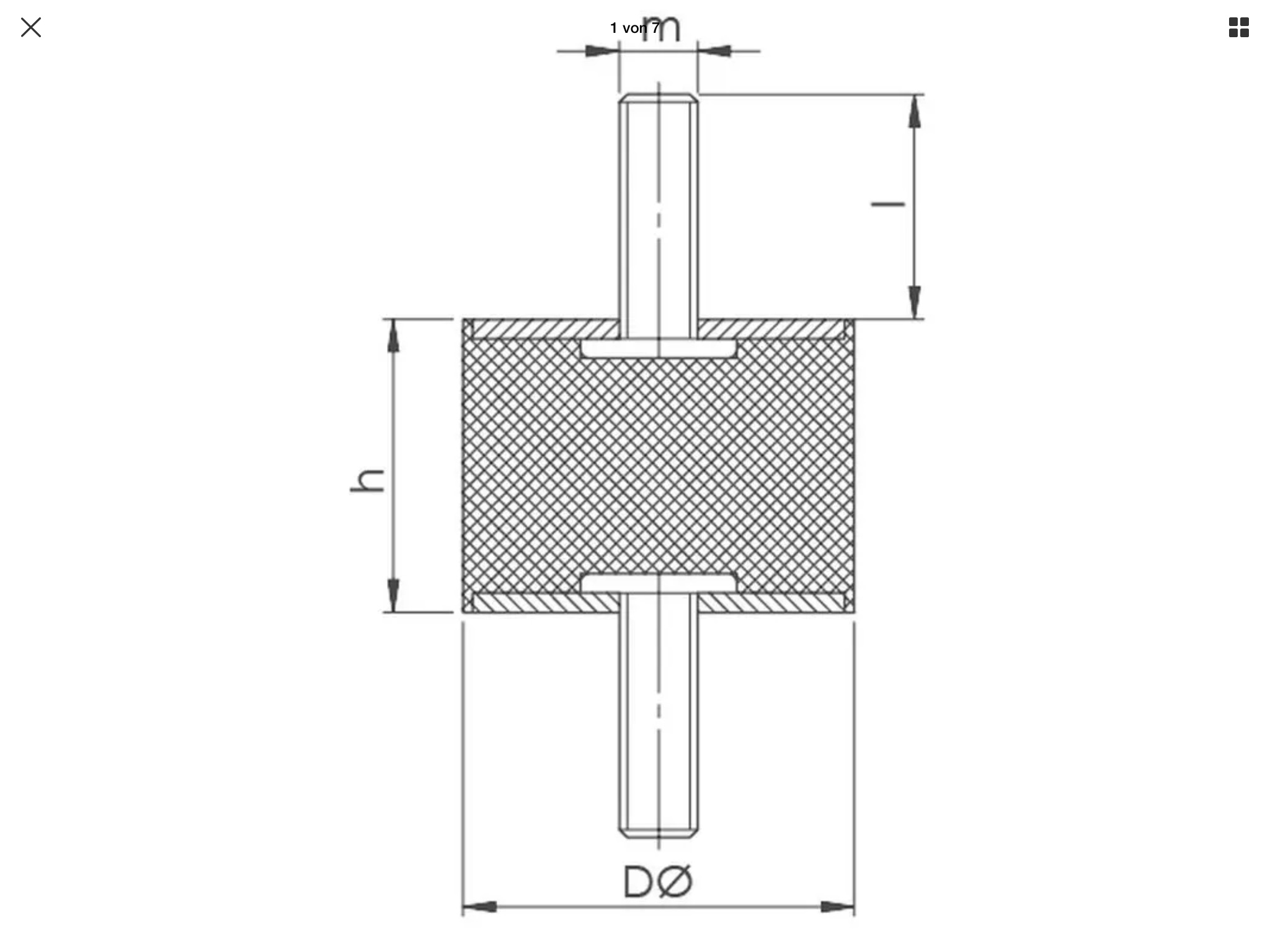
Trafo Verschraubungen lösen, kurz testen, ob das Brummen allein dadurch leiser wird. Wenn ja, alle 4 Schrauben (273) komplett entfernen und Gummipuffer Typ A Silentblock Schwingungsdämpfer M3 zwischen Trafohalterung (335) und rechtem Seitenteil einsetzen. Das Gewinde passt in die Trafohalterung und die andere Seite mit Muttern M3 festziehen. Die überstehenden Enden am Seitenteil kürzen und fertig.
C4 Trafobrummen - mechanisch -1 Lösungsansatz
Re: C4 Trafobrummen - mechanisch -1 Lösungsansatz
Danke für den Tipp. Ich habe zwar ein C2/3 bei dem der Trafo brummt, aber da es der kleine Bruder vom C4 ist werde ich das mal testen.
Viele Grüße,
Dirk
Viele Grüße,
Dirk
Re: C4 Trafobrummen - mechanisch -1 Lösungsansatz
Nachdem ich meinen CD5/2 einer Revision unterzogen habe und ihn wieder öfters benutze,
hat mich das Trafobrummen auch gestört.
Austausch des Trafos brachte keine Verbesserung.
Die Trafobefestigung beim CD5 ist mechanisch gleich aufgebaut.
Beim CD5 ist aber der Abstand vom Trafo zur Platine anscheinend kleiner, also habe ich mir folgende Gummipuffer besorgt:
Typ A, Ø 6 mm Höhe 7 mm, AG/AG M3x6 (06-07-A)
Das Brummen hat sich enorm verbessert, wenn man direkt vorm Gerät steht, nimmt man es noch etwas wahr,
aber an meinem Hörplatz 2 m entfernt ist jetzt Ruhe.
Mechanische Entkopplung hilft also auch bei den CDx Geräten...
hat mich das Trafobrummen auch gestört.
Austausch des Trafos brachte keine Verbesserung.
Die Trafobefestigung beim CD5 ist mechanisch gleich aufgebaut.
Beim CD5 ist aber der Abstand vom Trafo zur Platine anscheinend kleiner, also habe ich mir folgende Gummipuffer besorgt:
Typ A, Ø 6 mm Höhe 7 mm, AG/AG M3x6 (06-07-A)
Das Brummen hat sich enorm verbessert, wenn man direkt vorm Gerät steht, nimmt man es noch etwas wahr,
aber an meinem Hörplatz 2 m entfernt ist jetzt Ruhe.
Mechanische Entkopplung hilft also auch bei den CDx Geräten...
Grüße Urknall
Viele tolle HiFi-Geräte von Braun aktiv im täglichen Einsatz...
Viele tolle HiFi-Geräte von Braun aktiv im täglichen Einsatz...


