CD 2/3 Problem

Sämtliche Gerätetypen Braun atelier
Antworten
Nachricht
Autor
Stereo666
Jungspund
Jungspund
Beiträge: 19
Registriert: 19.09.2012, 20:26
Wohnort: Wedel

CD 2/3 Problem

#1 Beitrag von Stereo666 » 28.09.2012, 21:12

Hallo zusammen,
leider habe ich Pech mit einem Kauf eines CD 2/3. Auf den Bildern des Verkäufers sieht man noch wie eine CD spielt (Display). Jetzt bei mir angekommen, liest der Player keine CDs mehr ein. Woran mag das liegen, habt ihr einen Tipp für mich? Der Slider fährt normal rein (der Verkäufer hatte wohl auch noch den Riemen erneuert), das war es dann aber auch. Kein Muks. Ich habe den Player dann mal aufgeschraubt und mit Qtipp die Linse gereinigt aber es scheint was gravierenderes zu sein.
Würde mich über Tipps freuen...
Habe bei Hermes schon einen Transportschaden angemeldet aber da das Paket heile war und der Player gut geschützt, sehe ich da nicht viel Chancen...
Gr. *seufz*
Jens
Braun Atelier > A2, C2, T2, P3

Benutzeravatar
Uli
Braun-Insider
Braun-Insider
Beiträge: 4465
Registriert: 13.09.2009, 14:35
Wohnort: Bielefeld

#2 Beitrag von Uli » 28.09.2012, 21:41

Hallo Jens,

Du hast aber wirklich viel Pech mit Deinen Ateliereinkäufen!

Kontrolliere mal die Tellerhöhe, sie kann durch den Transport verstellt sein.

Ein reinigern der Linse war nicht so gut... diese ist hyperempfindlich und geht schnell kaputt. Der Dreck sitzt übrigens nicht nur auf der Linse sondern auch darunter und hier kommst Du eh nicht ran, also... lieber die Finger davon lassen!

Wenn es etwas technisches ist findest Du hier im Forum mit der Suchfunktion einiges an Tips was es noch sein könnte.... aber pass auf das Du Dir nicht noch mehr schießt ;) !

Gruß... Uli
Gruß Uli
__________________________________
Dieser Beitrag kann Spuren von Ironie, Sarkasmus und Haselnüssen enthalten.

Stereo666
Jungspund
Jungspund
Beiträge: 19
Registriert: 19.09.2012, 20:26
Wohnort: Wedel

#3 Beitrag von Stereo666 » 28.09.2012, 22:24

Hi Uli,

ok, danke, das mit der Tellerhöhe checke ich mal....einen Tipp für mich als Anfänger wie ich da ran gehe? Danke

Gr.
Jens
Braun Atelier > A2, C2, T2, P3

Benutzeravatar
Uli
Braun-Insider
Braun-Insider
Beiträge: 4465
Registriert: 13.09.2009, 14:35
Wohnort: Bielefeld

#4 Beitrag von Uli » 28.09.2012, 22:37

Moin!

Schaue mal ob die Tellerhöhe sich mit sanfter Gewalt verstellen lässt ohne das Du die Inbusschraube lösen musst, verstelle Ihn aber nicht... schaue nur ob er sich ein Stück hochheben lässt und dann auf das geforderte Maß einrastet.
Das hatte ich schonmal bei nach einem Versand eines CD4´s!

Bild

Gruß... Uli
Gruß Uli
__________________________________
Dieser Beitrag kann Spuren von Ironie, Sarkasmus und Haselnüssen enthalten.

Stereo666
Jungspund
Jungspund
Beiträge: 19
Registriert: 19.09.2012, 20:26
Wohnort: Wedel

#5 Beitrag von Stereo666 » 29.09.2012, 10:21

Hi Uli,

leider scheint es das nicht zu sein. Der Teller sitzt bombenfest und ich will nicht mit zu viel Kraft an dem Teil arbeiten. Da hilft wohl nur einschicken...aber danke für den Versuch.
Gr.
Jens
Braun Atelier > A2, C2, T2, P3

Benutzeravatar
Uli
Braun-Insider
Braun-Insider
Beiträge: 4465
Registriert: 13.09.2009, 14:35
Wohnort: Bielefeld

#6 Beitrag von Uli » 29.09.2012, 12:03

Moin!

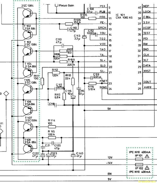
Wenn Du es Dir zutraust (ist immer auf eigene Gefahr) prüfe mal die Sicherungen der Transistorketten.
IP 101 und IP 102, auf der Platine selbst sind Beide fehlerhafterweise mit IP 101 bezeichnet.
Wenn du den Deckel aufmachst findest Du sie auf der Prozessorplatine vorne links, die beiden schwarzen Teile die so aussehen wie Transistoren... haben aber nur 2 Pinne, sie brennen gerne durch.
Wenn Du hier (je) auf beiden Pins den Strom misst (siehe SP unten) sind sie OK, wenn nicht ersetze Sie und auch die Transistorkette (die dicken Jungs darüber)... vielleicht haben sie auch einen Schaden davon bekommen... denn ohne Grund brennen die nicht durch! ;)
Bild

Hast Du einen kompletten Schaltplan?

Es stehen viele Messpunkte mit Spannungsangaben auf dem Board... prüfe auch diese!

Gruß...Uli
Gruß Uli
__________________________________
Dieser Beitrag kann Spuren von Ironie, Sarkasmus und Haselnüssen enthalten.

Stereo666
Jungspund
Jungspund
Beiträge: 19
Registriert: 19.09.2012, 20:26
Wohnort: Wedel

#7 Beitrag von Stereo666 » 29.09.2012, 12:32

Hallo Uli,

vielen Dank für den ausführlichen Tipp...leider hört da mein Technikwissen in Bezug auf Elektrik auf und so eine "OP" traue ich mir nicht zu, da lasse ich lieber den Fachmann ran.
Aber DANKE für die Mühe...das Innenleben sieht eigentlich noch ganz gut aus...könnte also auch noch an anderen Dingen liegen das die CD nicht mehr eingelesen wird.
Mal schauen ob sich eine Reparaur am Ende noch lohnt.
Gr.
Jens
Braun Atelier > A2, C2, T2, P3

Benutzeravatar
Uli
Braun-Insider
Braun-Insider
Beiträge: 4465
Registriert: 13.09.2009, 14:35
Wohnort: Bielefeld

#8 Beitrag von Uli » 29.09.2012, 12:38

Moin!

CD Player von Braun sind eigentlich immer von innen schön da sie geschlossene Gehäuse haben!

Nehme den Tip mit zum Techniker... das spart vielleicht einiges an Arbeitszeit und Suchnerven. ;)
Wenn es die beiden Sicherungen sind bekommst Du Bezugsquellen! (gibt es für kleines Geld bei Reichelt)
Die Teilepreise liegen unter 10€! ;)

Gruß... Uli
Gruß Uli
__________________________________
Dieser Beitrag kann Spuren von Ironie, Sarkasmus und Haselnüssen enthalten.

Stereo666
Jungspund
Jungspund
Beiträge: 19
Registriert: 19.09.2012, 20:26
Wohnort: Wedel

#9 Beitrag von Stereo666 » 29.09.2012, 19:35

Hi Uli,

so, zurück von Hifi Zeile in Worpswede. Hatte hier die Chance das Gerät kurz vom Profi auf die Schnelle checken zu lassen...Sicherungen waren OK, CD wurde auch als eingelegt erkannt, nur eben nicht eingelesen. Wir öffneten dann den Player von unten und drehten den "Wagen" mit dem Laser von Hand etwas nach hinten. Dann Gerät an Strom und der "Wagen" fuhr wieder nach vorne, Laser bewegte sich, lass die CD ein. Es ist also ein mechanisches Problem...sprich es wird Zeit die Führungsschienen und weiteren Plastik-Motorteile zu reinigen und neu zu schmieren.
Per Bruosch Test CD konnten wir dann noch testen das der Laser an sich noch alle Tracks ganz gut einlaß, nur eben der zweite Teil der Test CD zeigte das er Probleme hatte, also teils Sprang (mit der CD wurden Fehler auf CDs simuliert).
Ich werde mich jetzt selbst an die Arbeit machen um den Player wieder zuverlässiger zu machen...beim Fachmann würde es mich rund 250,-€ + Steuer kosten und das Geld habe ich derzeit nicht.
Soweit zu dem Thema....bin froh das es am Ende kein Totalausfall des Gerätes war.
Danke nochmals für die Hilfe
Gr.
Jens
Braun Atelier > A2, C2, T2, P3

Antworten