CD3 seltsames Phänomen
CD3 seltsames Phänomen
Hallo zusammen,
mein CD3 hat zum Beispiel ein komisches Phänomen. Überspringe ich Titel (Skip) mit der RC1 springt er teilweise anstatt eine Titel vor, drei, vier oder mehr zurück. Oder aber beim schnellen Vorspulen hängt er sich auf und hält nicht mehr, hast Du eine Idee, was das sein könnte?
Gruss
Stephan
mein CD3 hat zum Beispiel ein komisches Phänomen. Überspringe ich Titel (Skip) mit der RC1 springt er teilweise anstatt eine Titel vor, drei, vier oder mehr zurück. Oder aber beim schnellen Vorspulen hängt er sich auf und hält nicht mehr, hast Du eine Idee, was das sein könnte?
Gruss
Stephan
CD 3 / RC 1
Hallo Stephan,
am CD 3 ohne FB gehen die Funktionen? Hatte mal seltsame Steuereffekte mit einer
´verpappten ´ RC 1. Nach Demontage und Reinigung (Spüli Lösung) brauchte ich auch nicht mehr die Knöppe bis zum Boden durchdrücken......................
Gruss Carlos
am CD 3 ohne FB gehen die Funktionen? Hatte mal seltsame Steuereffekte mit einer
´verpappten ´ RC 1. Nach Demontage und Reinigung (Spüli Lösung) brauchte ich auch nicht mehr die Knöppe bis zum Boden durchdrücken......................
Gruss Carlos
Hallo Carlos,
vielen dank für Deine Antwort. Die RC1 ist top in Ordnung und ichbenutze sie eigentlich nur im Wohnzimmer am CC4.
Der CD 3 steht bei mir im Büro unterm Dach. Ich hatte die FB nur mal hochgeholt und probiert.
Gerade habe ich es nochmal ausprobiert. Den beschriebenen fehler gibt es ohne Fernbedienung, also bedienung am CD3 von Hand nicht.
Gruss
Stephan
vielen dank für Deine Antwort. Die RC1 ist top in Ordnung und ichbenutze sie eigentlich nur im Wohnzimmer am CC4.
Der CD 3 steht bei mir im Büro unterm Dach. Ich hatte die FB nur mal hochgeholt und probiert.
Gerade habe ich es nochmal ausprobiert. Den beschriebenen fehler gibt es ohne Fernbedienung, also bedienung am CD3 von Hand nicht.
Gruss
Stephan
Hi!
Wie schon mit Stephan gemailt, ich habe das gleiche Problem bei meinem CD3.
Hier der Auszug aus dem Schaltplan:

Es liegt weder am Fremdlicht noch an der RC1.
@Stephan: einfach die passiven Bauteile mal erneuern (bis auf L701), IC701 hätte ich noch und würde Dir bei Bedarf einen zukommen lassen. An D751 (dem IR Sensor) wird es wohl nicht liegen, da ja ein Empfang da ist.
Alternativ könnte man natürlich auch am Stecker CN110 den neuen Sensor von Pierre anschließen dann würde die ganze Platine entfallen. Hier gehts zum Bericht: klick mich!
Edit: 10V wären etwas zu viel für den neuen Sensor... also 5V müssten irgendwoanders abgeriffen werden!
Gruß... Uli
Wie schon mit Stephan gemailt, ich habe das gleiche Problem bei meinem CD3.
Hier der Auszug aus dem Schaltplan:

Es liegt weder am Fremdlicht noch an der RC1.
@Stephan: einfach die passiven Bauteile mal erneuern (bis auf L701), IC701 hätte ich noch und würde Dir bei Bedarf einen zukommen lassen. An D751 (dem IR Sensor) wird es wohl nicht liegen, da ja ein Empfang da ist.
Alternativ könnte man natürlich auch am Stecker CN110 den neuen Sensor von Pierre anschließen dann würde die ganze Platine entfallen. Hier gehts zum Bericht: klick mich!
Edit: 10V wären etwas zu viel für den neuen Sensor... also 5V müssten irgendwoanders abgeriffen werden!
Gruß... Uli
Gruß Uli
__________________________________
Dieser Beitrag kann Spuren von Ironie, Sarkasmus und Haselnüssen enthalten.
__________________________________
Dieser Beitrag kann Spuren von Ironie, Sarkasmus und Haselnüssen enthalten.
Hi!
gute Idee, das fehlt meinem noch:

Aber wenn man schonmal alles auseinander hat, kann man auch den Fremdlicht-Umbau machen.
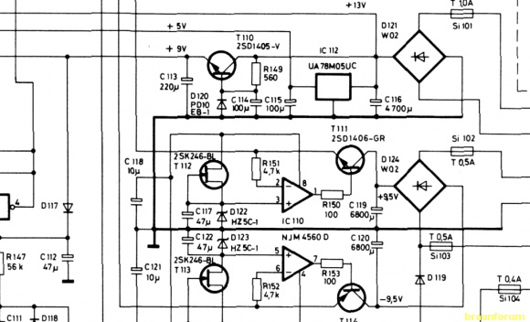
5V liefert ja das Netzteil über den Spannungsregler IC112:

Gruß... Uli
gute Idee, das fehlt meinem noch:

Aber wenn man schonmal alles auseinander hat, kann man auch den Fremdlicht-Umbau machen.
5V liefert ja das Netzteil über den Spannungsregler IC112:

Gruß... Uli
Gruß Uli
__________________________________
Dieser Beitrag kann Spuren von Ironie, Sarkasmus und Haselnüssen enthalten.
__________________________________
Dieser Beitrag kann Spuren von Ironie, Sarkasmus und Haselnüssen enthalten.
Hallo zusammen,
am letzten Samstag, habe ich den Umbau Dank Uli´s toller Unterstützung auch mit dem IC durchgeführt.
Ich habe zusätzlich zum IC uPC1373H alle Elkos mit getauscht, Widerstände durchgemssen die waren ok.
Anschließender Test war erst auch sehr erfolgversrechend. Ich hatte das Gerät auf meinem Schreibtisch und er reagierte relativ Normal auf Fernsteuerbefehle der RC1.
Lediglich 2 mal hatte ich den Fall, dass bei Skip von Titel 5 anstatt auf 6 auf 7 gesprungen wurde.
So zuversichtlich, habe ich mir den CD3 in mein Wonzimmer gestellt und gegen den CD4 ausgetauscht. Leider war das Ergebnis ziemlich ernüchternd. Der CD 3 reagierte dort so gar auf Lautsärkeänderung die dem CC4 per Fernbedienung galt mit Titelüberspringen.
Im Moment weiß ich nicht mehr weiter.
Anbei Fotos vom Umbau
Gruss
Stephan

am letzten Samstag, habe ich den Umbau Dank Uli´s toller Unterstützung auch mit dem IC durchgeführt.
Ich habe zusätzlich zum IC uPC1373H alle Elkos mit getauscht, Widerstände durchgemssen die waren ok.
Anschließender Test war erst auch sehr erfolgversrechend. Ich hatte das Gerät auf meinem Schreibtisch und er reagierte relativ Normal auf Fernsteuerbefehle der RC1.
Lediglich 2 mal hatte ich den Fall, dass bei Skip von Titel 5 anstatt auf 6 auf 7 gesprungen wurde.
So zuversichtlich, habe ich mir den CD3 in mein Wonzimmer gestellt und gegen den CD4 ausgetauscht. Leider war das Ergebnis ziemlich ernüchternd. Der CD 3 reagierte dort so gar auf Lautsärkeänderung die dem CC4 per Fernbedienung galt mit Titelüberspringen.
Im Moment weiß ich nicht mehr weiter.
Anbei Fotos vom Umbau
Gruss
Stephan


Hi Stephan,
ich sagte ja, das ich das gleiche Problem an meinem CD3 habe, ich werde an den Ostertagen mal versuchen den neuen Alternativsensor einzubauen.
Leider hat die PA4 Revision erstmal vorrang... so kann es wiegesagt etwas dauern!
Wenn Du vorab den neuen Sensor haben möchtest.... ich koche Kaffee außerdem ist das Bier ist immer kaltgestellt und Du kannst immer vorbeikommen!
Gruß... Uli
ich sagte ja, das ich das gleiche Problem an meinem CD3 habe, ich werde an den Ostertagen mal versuchen den neuen Alternativsensor einzubauen.
Leider hat die PA4 Revision erstmal vorrang... so kann es wiegesagt etwas dauern!
Wenn Du vorab den neuen Sensor haben möchtest.... ich koche Kaffee außerdem ist das Bier ist immer kaltgestellt und Du kannst immer vorbeikommen!
Gruß... Uli
Gruß Uli
__________________________________
Dieser Beitrag kann Spuren von Ironie, Sarkasmus und Haselnüssen enthalten.
__________________________________
Dieser Beitrag kann Spuren von Ironie, Sarkasmus und Haselnüssen enthalten.
Hallo zusammen,
ich habe jetzt den provisorischen Umbau auf den Sensor TSOP4833 durchgeführt. Uli hatte mir am Wochenende TSOP4833 und TSOP4836 gespendet.
Die Leitung vom Spannungsregler IC 112 um 5V abzugreifen, habe ich erstmal "Freiland" gezogen. Der Test hat sowohl mit TSOP4833 und TSOP 4836 sehr gut funktioniert.
Jetzt bin ich noch am überlegen, wie ich das ganze am saubersten Umbaue.
Eine Idee wäre, die Leiterbahn mit +10V, die auf der Platine zu Remote CN110 führt, zu unterbrechen und per Brücke die +5V zum Stecker auf der Platine einzuspeisen. Dann hätte ich von dort aus ein einziges Kabel, dass biss zu ursprünglichen IR Empfänger- Platine führt. Von hier aus müsste ich verlängern um bis an den neuen TSOP4833 zu kommen, der in der Frontblende des CD3 sitzt.
Vielleicht hat jemand von Euch einen besseren Vorschlag?
Ich habe auch weiterhin bei meinem CD3 die LED-Leiste für die Titelprogramierung in der Toblerone ausgetauscht. Das Ersatzteil war neu und ich musste das Flachbandkabel umlöten, da es so nicht passte. Das war mir aber schon von Bernhard mitgeteilt worden, also kein Problem. Bei dem Ausbau habe ich dann aber festgestellt, dass das alte Folien-Flachbandkabel schon "schieferte". Es trennte sich also (siehe Bild).
Ich habe das dann mit einem elastischen Kleber wieder verklebt und hoffe, dass es hält.
Fotos und Bericht des finalen Umbaus folgen. Hier jetzt ein paar Fotos vom oben beschriebenen Umbau.
Viele Grüße
Stephan


ich habe jetzt den provisorischen Umbau auf den Sensor TSOP4833 durchgeführt. Uli hatte mir am Wochenende TSOP4833 und TSOP4836 gespendet.
Die Leitung vom Spannungsregler IC 112 um 5V abzugreifen, habe ich erstmal "Freiland" gezogen. Der Test hat sowohl mit TSOP4833 und TSOP 4836 sehr gut funktioniert.
Jetzt bin ich noch am überlegen, wie ich das ganze am saubersten Umbaue.
Eine Idee wäre, die Leiterbahn mit +10V, die auf der Platine zu Remote CN110 führt, zu unterbrechen und per Brücke die +5V zum Stecker auf der Platine einzuspeisen. Dann hätte ich von dort aus ein einziges Kabel, dass biss zu ursprünglichen IR Empfänger- Platine führt. Von hier aus müsste ich verlängern um bis an den neuen TSOP4833 zu kommen, der in der Frontblende des CD3 sitzt.
Vielleicht hat jemand von Euch einen besseren Vorschlag?
Ich habe auch weiterhin bei meinem CD3 die LED-Leiste für die Titelprogramierung in der Toblerone ausgetauscht. Das Ersatzteil war neu und ich musste das Flachbandkabel umlöten, da es so nicht passte. Das war mir aber schon von Bernhard mitgeteilt worden, also kein Problem. Bei dem Ausbau habe ich dann aber festgestellt, dass das alte Folien-Flachbandkabel schon "schieferte". Es trennte sich also (siehe Bild).
Ich habe das dann mit einem elastischen Kleber wieder verklebt und hoffe, dass es hält.
Fotos und Bericht des finalen Umbaus folgen. Hier jetzt ein paar Fotos vom oben beschriebenen Umbau.
Viele Grüße
Stephan





