KMM 20 - Reinigung und Reparatur

Braun Nizo, Lectron, Rasierapparate, Haushaltsgeräte etc.
Antworten
Nachricht
Autor
reimerdichter
Eroberer
Eroberer
Beiträge: 98
Registriert: 22.08.2009, 15:52
Wohnort: Rostock

KMM 20 - Reinigung und Reparatur

#1 Beitrag von reimerdichter » 23.02.2013, 11:47

Hallo Ihr Lieben,

hab mir in der Bucht eine KMM 20 gekauft. Das Teil war als Geschenk für eine Espressoliebhaberin gedacht (ich muss verhindern, dass Sie sich eine neue im Blödmarkt kauft. Habt ihr schon mal gesehn wie neue Kaffeemühlen aussehen?!!).
Obwohl sehr sauber, riecht das Teil wie Hölle (sehr sehr muffig) und den Mahlgrad kann man nicht einstellen.
Hat jemand Erfahrung beim reinigen (ich weiß nicht ob Spüli hier hilft, schließlich möchte man ja hinterher wieder Kaffeebohnen durchjagen und danach Crema auf der Zunge, und nicht Pril)?
Gibts einen Trick, den Mahlgrad einzustellen (der Ring bewegt sich keinen Milimeter) ist es ein häufiger Fehler der sich beheben lässt oder ist es aussichtslos?
Vielen Dank.

Herzlichst

reimerdichter
SK 2; SK 61; CSV 60; CSV 500; CSV 1000; CE 1020; CT 1020; T 1000; CEV 501; CEV 510; CEV 520; R1; R 4/2; PCS 52E; PS 600; PS 1000; PS 350; PDS 550; P1; TG 1000; C 2³; CD 2³; KH 1000; L 11; L 420; L 710; L 715; LV 1020; L 630; LS 65; LS 200; RM5;

dille
Foren-As
Foren-As
Beiträge: 111
Registriert: 26.09.2011, 19:25

#2 Beitrag von dille » 24.02.2013, 11:04

Ich weiß ja nicht, wie alt die Mühle ist, da sie über mehr als 2 Jahrzehnte produziert wurde, aber in Bezug auf den Mief in alten Küchengeräten kann ich nur aus eigener Erfahrung berichten, dass dieser mit herkömmlichen Mitteln wie Pril u.ä. wohl bleibt. Ich habe noch einen alten Moulinex-Fleischschneider meiner Eltern von 1975. Dieser lag die letzten Jahre im Keller. Und jetzt mieft er aus den Lüftungsschlitzen. Das muss wohl in der Eigenart der Geräte liegen, wenn der Weichmacher raus ist und der neue Eigengeruch des Kunststoffes auf Mief umschaltet. Das ist bei Geräten, die Kontakt zu Lebensmitteln haben, sehr unangenehm. Um einen solchen Zustand zu beseitigen, helfen nur schärfere Geschütze und man kommt um einen Auseinanderbau nicht herum.
Zu der technischen Frage kann ich leider nichts beitragen.

Benutzeravatar
werner
Profi
Profi
Beiträge: 553
Registriert: 08.03.2009, 21:45
Wohnort: 77716 haslach im kinzigtal

#3 Beitrag von werner » 24.02.2013, 13:34

hallo namenlose,

die mühle hatte ich auch mal. aber der selbst feinste malgrad war nicht fein genug für meinen espresso -maschine.
ausserden sagten mir fachleute dass die kaffemahlwerke die härteren espressorbohnen
(stärkere röstung) nicht auf dauer verkraften. dann wird es automatisch noch gröber.

lavazza crema & gusto passt zu braun und krups siebträgermaschinen.
ganz voll (kleiner hügel) + mehrfach gut pressen gibt bei mir schönste crema.
lavazza rosso war früher auch gut, dann haben sie den malgrad feiner gemacht. der geht nicht mehr.

grüsse, werner

andreas schnadt
Moderator
Moderator
Beiträge: 2236
Registriert: 16.09.2010, 14:50
Wohnort: Leverkusen

#4 Beitrag von andreas schnadt » 24.02.2013, 17:03

Hallo,
der beste Geruchskiller ist Essig; eine gründliche Reinigung mit etwas verdünnter Essigessenz sollte den Mief beseitigen!
Gruß Andreas
Viel Freude beim Hören !

redl
Jungspund
Jungspund
Beiträge: 19
Registriert: 19.07.2010, 16:17

mahlgrad reloaded

#5 Beitrag von redl » 25.11.2013, 16:20

Würde den Thread gerne noch einmal aufnehmen, da ich ein ganz ähnliches Problem habe.

Nach einer Reinigungsaktion ist es mir unmöglich, den Vorratsbehälter so weit nach unten zu drehen, um den früher eingestellten Mahlgrad zu erreichen. Da spreizen sich flexible Stifte entgegen, die das wohl verhindern. Also eine mechanische Sache.

Aber vorher gings doch auch?

Wer kennt sich aus?

gstae
Experte
Experte
Beiträge: 377
Registriert: 03.02.2010, 15:07
Wohnort: Weserbergland

KMM 20

#6 Beitrag von gstae » 25.11.2013, 17:40

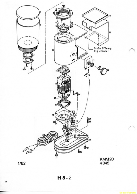
hallo redl?
hier findest du die anleitung zur einstellung des mahlgrades.
gruß
günter

Bild

Bild

redl
Jungspund
Jungspund
Beiträge: 19
Registriert: 19.07.2010, 16:17

#7 Beitrag von redl » 29.11.2013, 13:08

Erst einmal vielen Dank, Günter!

Was war der Grund? Kleine Kaffeemehlreste hatten sich in Gewinderillen verdichtet, nach genauerer Reinigung liess es sich wieder eindrehen.

Sie mahlt trotzdem zu grob, nach all den Jahren.

Antworten