CSV250 nicht CSV250/1 !

Receiver und (Vor-)Verstärker außerhalb atelier/regie/slim line
Antworten
Nachricht
Autor
gyrator
Eroberer
Eroberer
Beiträge: 84
Registriert: 03.01.2009, 21:40

CSV250 nicht CSV250/1 !

#1 Beitrag von gyrator » 24.10.2022, 19:41

Liebes Forum!

Kann mir jemand ein Kundendienstmanual oder ein Schaltbild zum CSV250 überlassen oder einen Link zum download benennen?

Im Internet bin ich bisher nicht fündig geworden, alles was ich fand war für den 250/1 jedoch keine Unterlage zum CSV250.

Vorab herzlichen Dank und Grüße

Thomas
Ein Teil meiner weiteren Braun-Geräte TG1020-CEV520-PS500, können hier betrachtet werden:
https://tonbandforum.de/showthread.php?tid=8051

Buggy
Profi
Profi
Beiträge: 427
Registriert: 28.02.2009, 11:13

Re: CSV250 nicht CSV250/1 !

#2 Beitrag von Buggy » 25.10.2022, 00:43

evtl hilft ein kleiner umweg:
viewtopic.php?t=873
frei nach k. ebstein: im leben geht manchmal was daneben.

gyrator
Eroberer
Eroberer
Beiträge: 84
Registriert: 03.01.2009, 21:40

Re: CSV250 nicht CSV250/1 !

#3 Beitrag von gyrator » 25.10.2022, 08:12

Leider hilft diese Stelle nicht weiter, da es nicht der Plan des CSV 250 ist, sondern der eines CSV250/1.


Ich suche daher weiterhin.

Dennoch Danke und

Grüße
Thomas
Ein Teil meiner weiteren Braun-Geräte TG1020-CEV520-PS500, können hier betrachtet werden:
https://tonbandforum.de/showthread.php?tid=8051

Benutzeravatar
henry2
Moderator
Moderator
Beiträge: 1152
Registriert: 03.10.2010, 10:39
Wohnort: Markgräflerland

Re: CSV250 nicht CSV250/1 !

#4 Beitrag von henry2 » 25.10.2022, 11:05

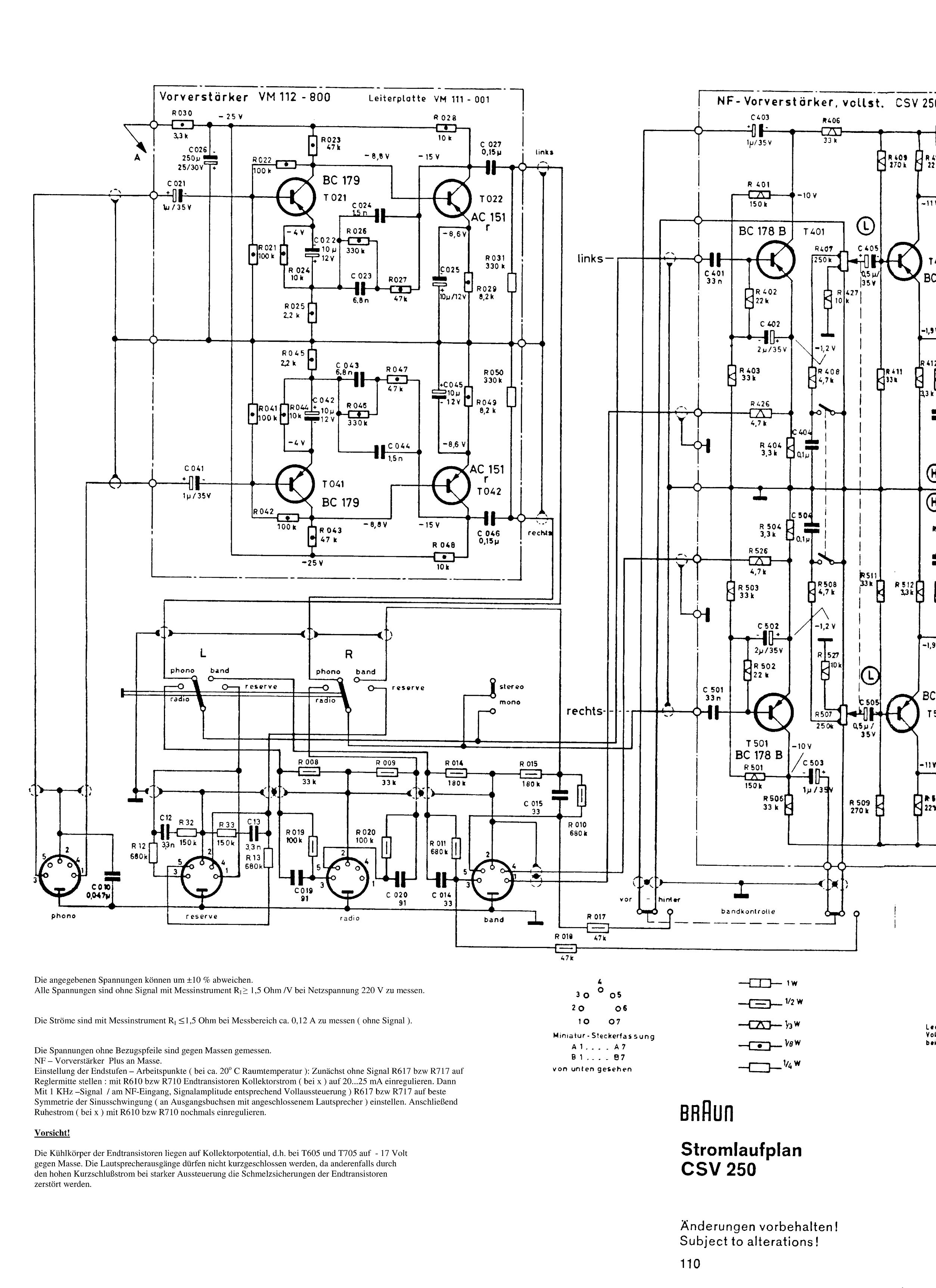
Hallo Thomas,

hier die Unterlagen, die Du suchst:
.
k-CSV250_Slp1.jpg
k-CSV250_Slp2.jpg
k-CSV250_Prints.jpg
.
Zu den Fotos Deines Plattenspielers und den Headshells, die Du im Tonbandforum eingestellt hast:
.
Headshells.JPG
.
Bei den abgebildeten Headshells gehört nur das rechte zum PS500. Das linke Headshell wurde ausschließlich im PS400, 410, 420 und PS430 eingesetzt. Es gibt jedoch noch eine Variante des Headshells für den PS500. Sie war nur für den PS1000 bestimmt. Beide sind baugleich, jedoch ist die Oberfläche des Headshells für den PS500 matt, die des PS1000 glänzend poliert.

Deine Sammlung von Braun-Geräten, die Du besitzt, gefällt mir sehr gut.

Viele Grüße

Heinrich

gyrator
Eroberer
Eroberer
Beiträge: 84
Registriert: 03.01.2009, 21:40

Re: CSV250 nicht CSV250/1 !

#5 Beitrag von gyrator » 25.10.2022, 13:13

Hallo Heinrich,

danke, jedoch vermute ich, dass sich hinter dem Schaltbild nicht ein CSV250 in der Urversion verbirgt. Der soll ja ausschließlich mit germanium Transistoren bestückt sein, das sieht in dem Schaltbild anders aus, da sind etliche silizium Transistoren verbaut worden.

Oder irre ich mit meiner Annahme bezüglich der Germanium Transistoren?
Dies habe ich zumindest hier im Forum so gelesen.

Grüße

Thomas
Ein Teil meiner weiteren Braun-Geräte TG1020-CEV520-PS500, können hier betrachtet werden:
https://tonbandforum.de/showthread.php?tid=8051

Buggy
Profi
Profi
Beiträge: 427
Registriert: 28.02.2009, 11:13

Re: CSV250 nicht CSV250/1 !

#6 Beitrag von Buggy » 25.10.2022, 18:42

moin, hatte obigen tipp nicht selber nachgeprüft ;)
wenn das von henry auch nix ist, kuck mal hier ob der passt:
https://www.hifi-archiv.info/Braun/Brau ... 3b-001.jpg

hätte den auch zum einscannen falls das zu grob ist.
davor gabs imho tc 40, hätte ich auch aber nur den plan auf einem dina4
frei nach k. ebstein: im leben geht manchmal was daneben.

Benutzeravatar
raimund54
Braun-Insider
Braun-Insider
Beiträge: 1695
Registriert: 03.01.2009, 20:23
Wohnort: 64295 Darmstadt

Re: CSV250 nicht CSV250/1 !

#7 Beitrag von raimund54 » 25.10.2022, 19:15

Hallo,

es gibt 2 Versionen vom CSV 250 und eine Version vom /1:

- die erste Version vom CSV 250 ist komplett mit Germaniumtransistoren bestückt
- einige Germaniumtransistoren wurden durch Siliziumtransistoren bei der 2. Version des CSV 250 ersetzt, aber nicht alle

- weitere Germiumtransistoren wurden durch Siliziumtransitoren im CSV 250/1 ersetzt, aber immer noch nicht alle
- Nadel- und Rumpelfilter im CSV 250/1 zusätzlich

Gruß

Raimund

gyrator
Eroberer
Eroberer
Beiträge: 84
Registriert: 03.01.2009, 21:40

Re: CSV250 nicht CSV250/1 !

#8 Beitrag von gyrator » 25.10.2022, 19:39

Hallo Raimund und hallo Buggy
und alle anderen,

das hilft mir sehr gut weiter und die Auflösung der Bilder ist ausreichend.

Nochmals besten Dank

Thomas
Ein Teil meiner weiteren Braun-Geräte TG1020-CEV520-PS500, können hier betrachtet werden:
https://tonbandforum.de/showthread.php?tid=8051

Antworten