Hallo Gemeinde,
Sicher kennt der Eine oder Andere das Problem des abgebrochenen Tonarmhebers.
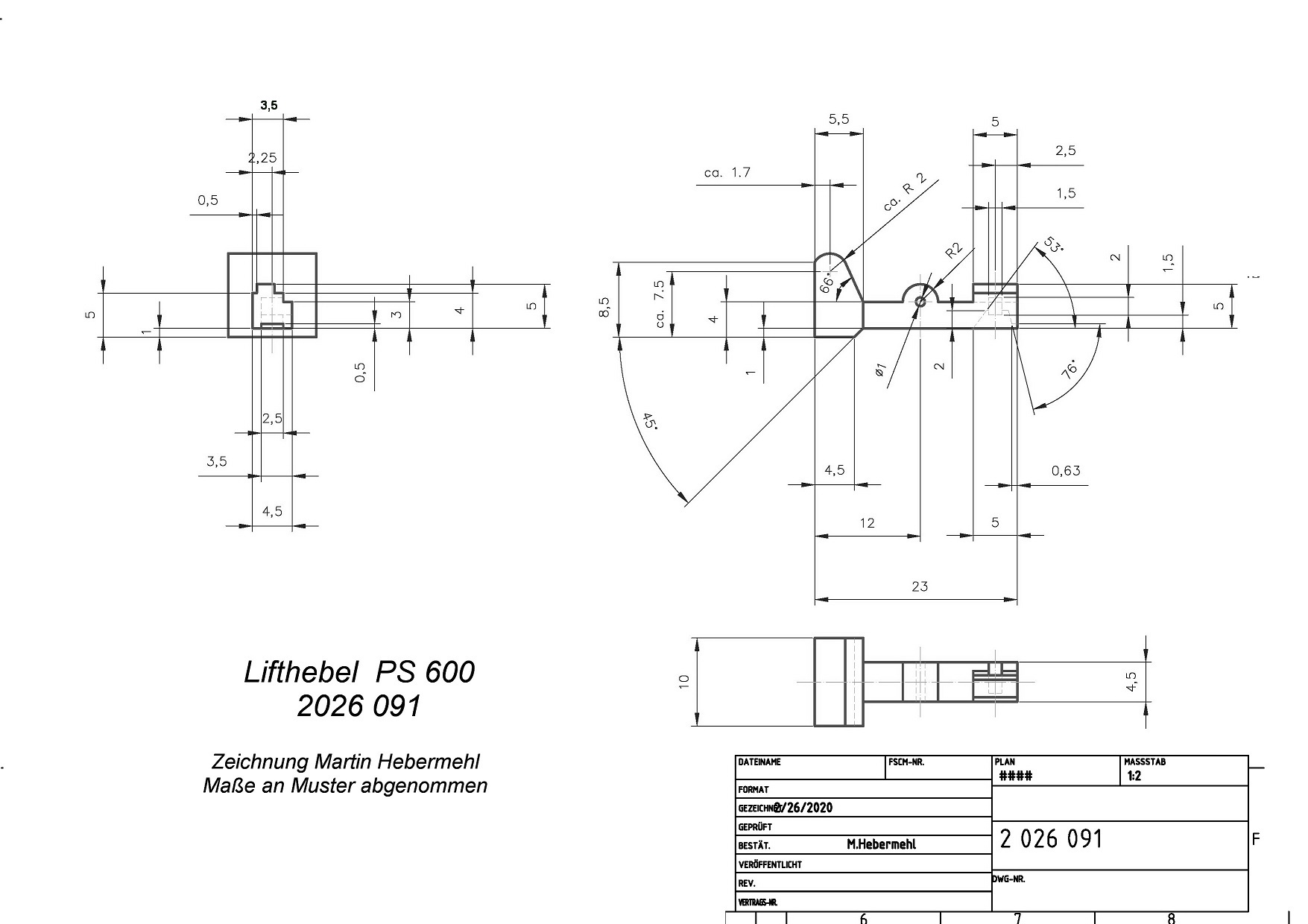
Ich kann zwar die Zeichnung des Lifthebels beisteuern aber mir fehlt die genaue Bemaßung. Da wäre es schön, wenn Ihr mir da weiterhelfen könntet. Es würde schon weiterhelfen, die Maße des " Hammers" am "Lebenden Objekt" abzunehmen. Dann kann ich dies auf der Zeichnung eintragen und den Rest rechnerisch ergänzen.
Gruß
Rainer
PS 600 Tonarmlift
- Rainer Hebermehl
- Lautsprecher-Profi

- Beiträge: 1236
- Registriert: 29.06.2009, 13:55
- Wohnort: Ronneburg
- Rainer Hebermehl
- Lautsprecher-Profi

- Beiträge: 1236
- Registriert: 29.06.2009, 13:55
- Wohnort: Ronneburg
Re: PS 600 Tonarmlift
Herr Heinrich war so freundlich, mir sein Muster zu senden.
Dadurch konnte mein Sohn eine bemaßte Zeichnung erstellen mit der jeder Techniker in der Lage sein sollte, den Hebel nochzufertigen .
Dadurch konnte mein Sohn eine bemaßte Zeichnung erstellen mit der jeder Techniker in der Lage sein sollte, den Hebel nochzufertigen .
Aus dem Radio steigt der Rauch - Soll er auch.
-
andreas schnadt
- Moderator

- Beiträge: 2243
- Registriert: 16.09.2010, 14:50
- Wohnort: Leverkusen
-
Strongpete
- Jungspund

- Beiträge: 21
- Registriert: 06.11.2024, 13:08
- Wohnort: Essen
Re: PS 600 Tonarmlift
Hallo,
mir ist ein PS 600 zugelaufen dessen Tonarmheber ebenfalls der "Zinkpest" zum Opfer gefallen ist. Ein paar Fragemente habe ich im Gehäuse gefunden und wieder zusammengeklebt, aber eben nicht alle Teile. Umso schöner, dass ich hier die Zeichnung des kompletten Teils finde. Vielen Dank dafür.
Den Heber nachzubauen und zu drucken ist kein Hexenwerk, allerdings erschließt sich mir nicht wie die Hebelstange dort eingehangen wird. Die Braun Expolosionszeichnung verschweigt diesen Heber am Ende der Hebelstange 161. Hat evtl. jemand ein Foto oder gibt es eine bessere Zeichung?
mir ist ein PS 600 zugelaufen dessen Tonarmheber ebenfalls der "Zinkpest" zum Opfer gefallen ist. Ein paar Fragemente habe ich im Gehäuse gefunden und wieder zusammengeklebt, aber eben nicht alle Teile. Umso schöner, dass ich hier die Zeichnung des kompletten Teils finde. Vielen Dank dafür.
Den Heber nachzubauen und zu drucken ist kein Hexenwerk, allerdings erschließt sich mir nicht wie die Hebelstange dort eingehangen wird. Die Braun Expolosionszeichnung verschweigt diesen Heber am Ende der Hebelstange 161. Hat evtl. jemand ein Foto oder gibt es eine bessere Zeichung?