es gibt gute Nachrichten. Zu dem schon mehrfach angesprochenen Wunsch, die FM-Empfangsfrequenz auf 108 MHz zu erweitern, möchte ich Euch eine leicht zu verwirklichende Lösung beschreiben.
Im Unterschied zum Regie 550 besitzt ja der d-Typ keine Senderskala, sondern ein Display, das die Empfangsfrequenz anzeigt. Dahinter steckt ein Frequenzzähler, der einfach die Oszillatorfrequenz misst und davon 10,7 MHz (bei AM 455 KHz) abzieht, woraus sich die Empfangsfrequenz ergibt.
Beim Umbau des Regie 550d auf 87,5...108 MHz entfallen praktisch alle Nachteile, die diesen Umbau beim Regie 550 als nicht empfehlenswert erscheinen lassen. Diese hatte ich hier schon mal geschildert.
Uli stellte mir glücklicherweise sein Regie 550d als "Versuchsobjekt" zur Verfügung, sodass ich meine Vorstellungen zum Umbau verwirklichen konnte. Vielen Dank dafür!
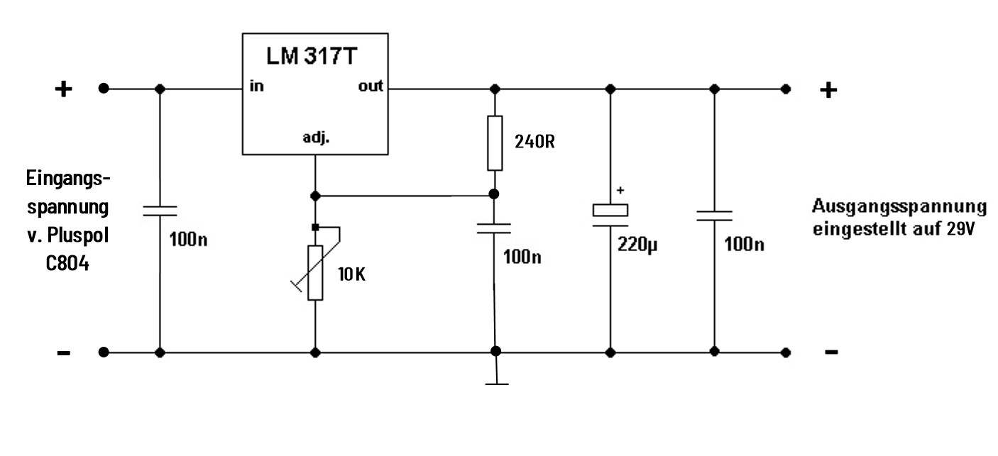
Als Erstes muss die Abstimmspannung für die Kapazitätsdioden erhöht werden, damit deren Kapazitäten für den 108 MHz-Empfang weiter verkleinert werden können. Dazu wird eine kleine, einfache Schaltung mit einem Widerstand, einem Elko und einer oder zwei Zenerdioden (erwünschte Zenerspannung 29V) aufgebaut. Da ich in dem kleinen Elektronikladen meines Vertrauens keine Zenerdiode mit 29V bekommen konnte, habe ich eine mit 13V und eine mit 16V in Reihe geschaltet. Die Eingangsspannung der Schaltung entnimmt man direkt am Elko C804. Die durch die Zenerdiode(n) einigermaßen stabilisierte Ausgangsspannung sollte 29V betragen. Die benötigte hochgenaue und temperaturkompensierte Stabilisierung der Abstimmspannung wird von Ci101 erledigt. Eine etwas höhere Spannung als 29V wäre zwar wünschenswert, lässt sich aber wegen der dann zu geringen Spannungsdifferenz zwischen Ein- und Ausgangsspannung des kleinen Selbstbaumoduls leider nicht realisieren. Aus diesem Grund sollte auch der Selengleichrichter Gr801 gegen einen Siliziumgleichrichter ausgetauscht werden, wodurch eine etwas höhere Gleichspannung an C804 erzielt wird. An die Stromversorgung für die Endstufe, die zwar 36V gegen Masse bereithält, mochte ich nicht drangehen, da sie (trotz Siebung) bei großen Lautstärken zu instabil wird und dazu noch mit niederfrequentem NF-Signal moduliert ist.
Ich habe die paar Bauteile vorerst auf einem Stückchen Experimentierplatine untergebracht und dieses auf einem Distanzröllchen an die untere Platine geschraubt. Uli möge mir verzeihen, dass ich dort (fernab von jeder Leiterbahn) ein kleines Loch hineingebohrt habe.
Da sich Uli auch bestens auf die Herstellung feiner Platinchen versteht, lässt er sich bestimmt eine elegantere Lösung einfallen, wenn er sein Gerät wieder zurückerhalten hat. Mir ging es zunächst mal um einen funktionierenden Versuchsaufbau.
Die Ausgangsspannung der kleinen Schaltung wird direkt der Dr101 auf der oberen Leiterplatte zugeführt, wobei man die Leiterbahn, die zu dieser Drossel führt, kurz davor natürlich unterbrechen muss. Nun stehen an der Drossel 29V anstelle der zuvor anliegenden 25V an.
Die letzte durchzuführende Schaltungsänderung besteht darin, dass der Widerstand R134 von 27KΩ auf 18KΩ reduziert werden muss. Das war dann schon alles.
Nun folgen nur noch die Einstell- und Abgleicharbeiten. Diese werden dank des Frequenzanzeigedisplays genial vereinfacht. Dadurch erspart sich nämlich der mittellose Heimwerker einen gescheiten UKW-Messsender und erzielt trotzdem ein für den Hausgebrauch absolut zufriedenstellendes Ergebnis. Also los geht's:
1. Den Senderwahlknopf an den rechten Anschlag (höchste Empfangsfrequenz) stellen. Mit R139 108 MHz einstellen. Wenn sich hierdurch 108 MHz (noch) nicht einstellen lassen, R139 vom Anschlag wieder um ca. 1/3 zurückstellen und den Oszillatorschwingkreis mit C120 (im FM-Frontend) auf 108 MHz abgleichen.
2. Den Senderwahlknopf an den linken Anschlag (niedrigste Empfangsfrequenz) stellen. Mit R142 87,5 MHz einstellen.
3. Bei rechtem Anschlag des Senderwahlknopfs mit R139 nochmal auf 108 MHz nachjustieren, anschließend Pkt. 2. und 3. wiederholen, bis die beiden Einstellungen stimmen.
Zu den Sender-Speichertasten:
Nach betätigen einer beliebigen Speichertaste ist dort am zugehörigen Spindelpotentiometer die niedrigst mögliche Frequenz einzustellen. Sie wird zunächst noch erheblich über der Sollfrequenz von 87,5 MHz liegen. Nun mit dem Trimmpoti R122 (auf der unteren Leiterplatte) die gewünschten 87,5 MHz einstellen. Fertig. Die Einstellung ist für alle Speichertasten wirksam. Es ist auch nicht mehr notwendig, eine Einstellung für das obere Ende der Empfangsfrequenz bei 108 MHz vorzunehmen. Diese stimmt noch nach wie vor.
Das war der Oszillator. Nun zu den Vor- und Zwischenkreisen:
4. Gerät auf einen schwachen Sender bei etwa 105...106 MHz einstellen; Feldstärkeanzeige ca. 1 bis 1,5 (ggf. ohne eingesteckte Antenne arbeiten). Abstimmbares Zwischenkreisbandfilter mit C108 und C111 auf maximale Feldstärkeanzeige abstimmen. Dann Vorkreis mit C104 ebenfalls auf Maximum abstimmen.
5. Gerät auf einen schwachen Sender bei etwa 90 MHz einstellen (Feldstärkeanzeige ca. 1 bis 1,5). Abstimmbares Zwischenkreisbandfilter mit L102 und L103 auf maximale Feldstärkeanzeige abstimmen. Dann Vorkreis mit L101 ebenfalls auf Maximum abstimmen.
Kleiner Hinweis: Da der Vorkreis recht breitbandig ausgelegt ist, ergibt sich eine relativ breite Resonazkurve, was sich (im Unterschied zu den steilflankigeren Zwischenkreisen) durch eine sehr weiche, nur wenig merkliche Reaktion beim Abgleich von C104/L101 zeigt. Dennoch: Sorgfältig abgleichen.
6. Pkt. 4. und 5. wiederholen, bis alle Maxima erreicht sind.
Für die Abgleicharbeiten an den Spulen und Trimmern müssen geeignete Abgleichschlüssel verwendet werden. Hierbei wäre auch etwas Fingerspitzengefühl und Sorgfalt gefragt, ansonsten ist das Ganze aber kein Hexenwerk.
Da ich leider nicht über einen UKW-Messsender verfüge, kann ich die Empfangsempfindlichkeit nicht auf genaue Werte hin überprüfen. Es zeigte sich jedoch, dass das Gerät nach dem Umbau mit anschließendem Abgleich nach wie vor eine ausgesprochen gute Empfindlichkeit aufweist. Auch nach mehrstündigem Probelauf blieb die Empfangsfrequenz absolut stabil. Man kann also rundum feststellen, dass dieser kleine Umbau, der in wenigen Stunden über die Bühne läuft, ausgesprochen lohnenswert ist.
Kleines Manko: Auf der Frontscheibe ist immer noch klein aufgedruckt:
UKW: Kanal 1 – 57 Kanal; 87,5 – 104 MHz.
Tatsächlich müsste es nun heißen:
UKW: Kanal 1 – 70 Kanal; 87,5 – 108 MHz.
Damit muss man jetzt eben leben
Viele Grüße
Heinrich




