Nadelreinigung
Nadelreinigung
Hallo zusammen,
nachdem ich mir jetzt 2x eine Tonabnehmernadel in meinem P3 beim Reinigen abgebrochen habe, würde es mich mal interessieren, wie ihr eure Nadel schonend reinigt. Da bin ich für jeden Tip dankbar.
Liebe Grüße
Volker
nachdem ich mir jetzt 2x eine Tonabnehmernadel in meinem P3 beim Reinigen abgebrochen habe, würde es mich mal interessieren, wie ihr eure Nadel schonend reinigt. Da bin ich für jeden Tip dankbar.
Liebe Grüße
Volker
Suche nix mehr - ich habe vorerst fertig
Re: Nadelreinigung
Habe mir damals mal eine kleine Nadelbürste für meinen P4 gekauft und bin bisher sehr zufrieden damit.
Wie reinigst Du denn die Nadel, wenn ich fragen darf? Immer vorsichtig von hinten nach vorne. Andersherum ist die Nadel schnell abgebrochen.
VG
Thomas
Wie reinigst Du denn die Nadel, wenn ich fragen darf? Immer vorsichtig von hinten nach vorne. Andersherum ist die Nadel schnell abgebrochen.
VG
Thomas
Re: Nadelreinigung
Eigentlich genau so, aber irgendwie muss ich doch etwas falsch machen. Hab schon Angst, wenn ich meinen P4 wieder in Betrieb nehme. Momentan suche ich noch nach einer geeigneten Nadel. Originales für das MC-System gibt es ja nicht mehr. Wer hierzu einen Tip hat, gerne
Suche nix mehr - ich habe vorerst fertig
Re: Nadelreinigung
Wenn Du Dir unsicher bist, dann knie auf Höhe der Nadel davor und gehe mit dem Bürstchen vorsichtig von hinten nach vorne einmal drunter her.
Irgendwann bekommst Du ein Gespür dafür und dann klappt es auch in aufrechter Körperhaltung.
Ansonsten habe ich meine P4 MC-Nadel auch schon mal beim Spezialisten mit einer neuen Nadel ausstatten lassen. Das hat wunderbar geklappt.
Falls Du gar keine hast, wird es natürlich schwierig. Dann mal schauen, ob Du irgendwo günstig zumindest an den Träger kommst und dann ab damit zum Nadelspezialisten.
Für um die 150-250€ bekommt man aber auch noch Nadeln im Auktionshaus. Musst Du mal schauen.
Ach, schau mal hier: https://www.ebay.de/itm/389171612055?_t ... 27.m162921 Die sollte auch passen.
VG
Thomas
Irgendwann bekommst Du ein Gespür dafür und dann klappt es auch in aufrechter Körperhaltung.
Ansonsten habe ich meine P4 MC-Nadel auch schon mal beim Spezialisten mit einer neuen Nadel ausstatten lassen. Das hat wunderbar geklappt.
Falls Du gar keine hast, wird es natürlich schwierig. Dann mal schauen, ob Du irgendwo günstig zumindest an den Träger kommst und dann ab damit zum Nadelspezialisten.
Für um die 150-250€ bekommt man aber auch noch Nadeln im Auktionshaus. Musst Du mal schauen.
Ach, schau mal hier: https://www.ebay.de/itm/389171612055?_t ... 27.m162921 Die sollte auch passen.
VG
Thomas
Re: Nadelreinigung
Bei welchen Spezialisten hast du deine Nadel erneuern lassen?
Suche nix mehr - ich habe vorerst fertig
Re: Nadelreinigung
Das war er hier. Ein sehr guter Service: http://www.nadelspezialist.de/index1a.htm
Im Shop unter "Retippingservice" schauen.
VG
Thomas
Im Shop unter "Retippingservice" schauen.
VG
Thomas
Re: Nadelreinigung
Welchen von den drei Nadeltypen hast du gewählt?tommi hat geschrieben: ↑24.11.2025, 13:58 Das war er hier. Ein sehr guter Service: http://www.nadelspezialist.de/index1a.htm
Im Shop unter "Retippingservice" schauen.
VG
Thomas
LG
Volker
Suche nix mehr - ich habe vorerst fertig
Re: Nadelreinigung
Hallo Volker,
meine Unterlagen von 2021 besagen, dass ich die elliptische Nadel bestellt hatte. Du sendest den Träger ein und dann wird dieser erst einmal untersucht.
Die Spulen müssen intakt sein. Wenn das nicht der Fall ist, bekommst Du eine entsprechende E-Mail, das eine Reparatur nicht möglich ist.
Dann bekommst Du alles wieder zurück. Den Fall hatte ich mit einer zweiten Nadel auch schon mal.
VG
Thomas
meine Unterlagen von 2021 besagen, dass ich die elliptische Nadel bestellt hatte. Du sendest den Träger ein und dann wird dieser erst einmal untersucht.
Die Spulen müssen intakt sein. Wenn das nicht der Fall ist, bekommst Du eine entsprechende E-Mail, das eine Reparatur nicht möglich ist.
Dann bekommst Du alles wieder zurück. Den Fall hatte ich mit einer zweiten Nadel auch schon mal.
VG
Thomas
Re: Nadelreinigung
Im Prinzip funktioniert mein System ja noch, aber ich weiss leider nicht,wieviel es „auf der Uhr hat“.Ich habe den P4 nur abgegraded, weil der Phonovorverstärker des P4 leider schwächelt. Manchmal denke ich schon über den Neukauf einer Anlage nach. Irgendwas geht immer kaputt und ich hab zwei linke Händetommi hat geschrieben: ↑24.11.2025, 14:12 Hallo Volker,
meine Unterlagen von 2021 besagen, dass ich die elliptische Nadel bestellt hatte. Du sendest den Träger ein und dann wird dieser erst einmal untersucht.
Die Spulen müssen intakt sein. Wenn das nicht der Fall ist, bekommst Du eine entsprechende E-Mail, das eine Reparatur nicht möglich ist.
Dann bekommst Du alles wieder zurück. Den Fall hatte ich mit einer zweiten Nadel auch schon mal.
VG
Thomas
LG
Volker
Suche nix mehr - ich habe vorerst fertig
Re: Nadelreinigung
Also war das vorher ein P4M mit einem Moving Magnet System und Du hast es zu einem Moving Coil umgebaut? Verstehe ich das richtig?
Was meinst Du mit dem schwächelnden "Phonovorverstärker des P4" ? Der P4 hat keinen eigenen Verstärker eingebaut. Alle Signale des Tonabnehmers gehen sofort zu den beiden Cinch-Ausgängen (links und rechts).
Alles Weitere macht der jeweils angeschlossene Vorverstärker.
VG
Thomas
Was meinst Du mit dem schwächelnden "Phonovorverstärker des P4" ? Der P4 hat keinen eigenen Verstärker eingebaut. Alle Signale des Tonabnehmers gehen sofort zu den beiden Cinch-Ausgängen (links und rechts).
Alles Weitere macht der jeweils angeschlossene Vorverstärker.
VG
Thomas
Re: Nadelreinigung
Es war eher umgekehrt - von mc zu mm.wieso hat der P4 keinen Phonovorverstärker eingebaut? Er hat doch sogar einen Umschalter für mm und mc. Wie dem auch sei leider ist die mc-Seite defekt und ich habe erst einmal auf mm umgebaut. Aber eigentlich will ich ja nur Vinyl hören, welches ich mir oft neu kaufe. Dann sollte es schon passen. Mein „Braunberater“ riet mir einen Phonoverstärker extern zu kaufen, dann hätte ich Ruh.tommi hat geschrieben: ↑24.11.2025, 15:36 Also war das vorher ein P4M mit einem Moving Magnet System und Du hast es zu einem Moving Coil umgebaut? Verstehe ich das richtig?
Was meinst Du mit dem schwächelnden "Phonovorverstärker des P4" ? Der P4 hat keinen eigenen Verstärker eingebaut. Alle Signale des Tonabnehmers gehen sofort zu den beiden Cinch-Ausgängen (links und rechts).
Alles Weitere macht der jeweils angeschlossene Vorverstärker.
VG
Thomas
VG
Volker
Suche nix mehr - ich habe vorerst fertig
Re: Nadelreinigung
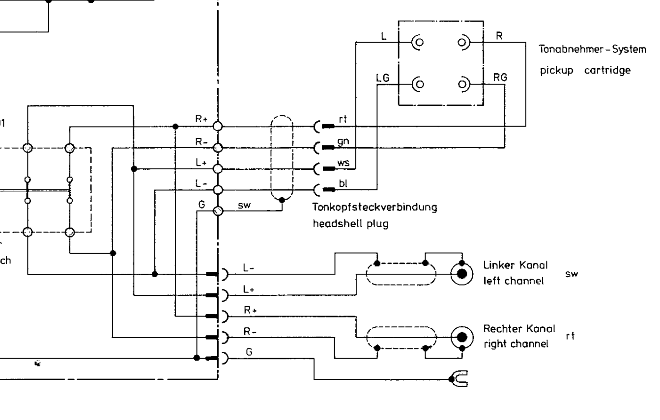
Nein, hat er nicht, wie man hier auch schön sehen kann:
An was für einem Verstärker ist der P4 denn angeschlossen?
VG
Thomas
An was für einem Verstärker ist der P4 denn angeschlossen?
VG
Thomas
Re: Nadelreinigung
Sorry da hab ich was falsch geschrieben - ich betreibe die ganze Anlage an einem R4tommi hat geschrieben: ↑24.11.2025, 16:20 Nein, hat er nicht, wie man hier auch schön sehen kann:Screenshot 2025-11-24 161433.png
Du verwechselst da etwas. Der Umschalter "MM" und "MC" befindet sich am angeschlossenen Verstärker (z.B. A2) oder an einem Receiver/Control Center (wie z.B. R4 oder CC4) und nicht direkt am P4.
An was für einem Verstärker ist der P4 denn angeschlossen?
VG
Thomas
Suche nix mehr - ich habe vorerst fertig
Re: Nadelreinigung
Okay.
Wenn Du Dir einen externen Phonoverstärker besorgst, dann kannst Du den P4 in Kombination mit diesem natürlich auch an einem Eingang ohne Phono-Vorverstärker betreiben. Sprich, CD, Tape etc.
Wäre es Dir denn nicht wichtig zu wissen, warum der MC-Eingang nicht mehr funktioniert? Entschuldige bitte meine etwas direkte Art, aber wäre es ein leidenschaftlicher "Braunberater" hätte er Dir geraten, das Gerät reparieren zu lassen.
VG
Thomas
Wenn Du Dir einen externen Phonoverstärker besorgst, dann kannst Du den P4 in Kombination mit diesem natürlich auch an einem Eingang ohne Phono-Vorverstärker betreiben. Sprich, CD, Tape etc.
Wäre es Dir denn nicht wichtig zu wissen, warum der MC-Eingang nicht mehr funktioniert? Entschuldige bitte meine etwas direkte Art, aber wäre es ein leidenschaftlicher "Braunberater" hätte er Dir geraten, das Gerät reparieren zu lassen.
VG
Thomas
Re: Nadelreinigung
Äähh ja, oder so. Den P4 am R4 oder umgekehrt. Bin leicht verwirrt.
Fassen wir zusammen. Dein zu einem MM-System umgebauter MC-P4 betreibst Du weiterhin am Phono-Eingang Deines R4 und das soll auch so bleiben? Weil, dann benötigst Du keinen externen Phono-Vorverstärker, wozu Dir Dein "Braunberater" ja geraten hatte.
Okay, dann hattest Du Angst, das an der Anlage noch mehr kaputt geht und Du deswegen mit dem Gedanken spielst, etwas neues zu kaufen. Hhmmm, in welche Richtung solls denn jetzt gehen?
Um noch einmal auf die Sache mit dem nicht-funktionierenden MC-Eingang zurückzukommen, würde ich dem MC/MM-Umschalter mal etwas mehr Aufmerksamkeit widmen. Eine sehr häufige Fehlerquelle.
Die Kontakte des Schalters verschmutzen mit der Zeit sehr stark und dann kann es zu Deinem genannten Problem kommen. Siehe auch hier: viewtopic.php?p=86892#p86892
Sofern es daran liegt, ist das Problem relativ schnell in den Griff zu bekommen.
Welche Rolle spielt denn der P3 noch? Der hat doch bestimmt ab Werk auch ein MM-System verbaut.
VG
Thomas
Fassen wir zusammen. Dein zu einem MM-System umgebauter MC-P4 betreibst Du weiterhin am Phono-Eingang Deines R4 und das soll auch so bleiben? Weil, dann benötigst Du keinen externen Phono-Vorverstärker, wozu Dir Dein "Braunberater" ja geraten hatte.
Okay, dann hattest Du Angst, das an der Anlage noch mehr kaputt geht und Du deswegen mit dem Gedanken spielst, etwas neues zu kaufen. Hhmmm, in welche Richtung solls denn jetzt gehen?
Um noch einmal auf die Sache mit dem nicht-funktionierenden MC-Eingang zurückzukommen, würde ich dem MC/MM-Umschalter mal etwas mehr Aufmerksamkeit widmen. Eine sehr häufige Fehlerquelle.
Die Kontakte des Schalters verschmutzen mit der Zeit sehr stark und dann kann es zu Deinem genannten Problem kommen. Siehe auch hier: viewtopic.php?p=86892#p86892
Sofern es daran liegt, ist das Problem relativ schnell in den Griff zu bekommen.
Welche Rolle spielt denn der P3 noch? Der hat doch bestimmt ab Werk auch ein MM-System verbaut.
VG
Thomas
Re: Nadelreinigung
Moin Thomas
Der P3 sollte eigentlich für meine Zweitanlage sein, jetzt habe ich aber das MM-System auf den P4 verbaut. Ist nicht so prickelnd - ich weiss, aber erst mal ne Lösung.Grundsätzlich bin ich auch dafür, dass die Geräte alle funktionieren sollen, aber wenn nacheinander in schnellen Abständen CD-Player, Kassettenrekorder und der R4 schwächeln, ist das nicht so toll.Da ich nichts selbst machen kann, bin ich immer auf externe Hilfe angewiesen. Zwar kenn ich jemand, der auch hilft, aber er ist beruflich stark eingebunden und hat leider wenig Zeit. Und lästig werden möchte ich auch nicht immer.
LG
Volker
Suche nix mehr - ich habe vorerst fertig
Re: Nadelreinigung
Moin Volker,
wie ich gerade sehe, wohnen wir ja gar nicht so weit voneinander entfernt. Ich kann gerne über die eine oder andere Komponente mal drüber schauen, wenn Du möchtest.
Eine wichtige Frage solltest Du Dir aber stellen. Soll nur immer wieder nachgebessert werden mit dem Hintergedanken, das jederzeit wieder irgendwas kaputtgehen kann,
oder aber Du gibst die Geräte mal jemanden für eine vollständige Revision. Wäre natürlich auch eine Kostenfrage.
Aber wir schweifen hier ein wenig vom Thema ab. Am besten machst Du dafür mal ein neues auf oder schreibst mich persönlich an.
VG
Thomas
wie ich gerade sehe, wohnen wir ja gar nicht so weit voneinander entfernt. Ich kann gerne über die eine oder andere Komponente mal drüber schauen, wenn Du möchtest.
Eine wichtige Frage solltest Du Dir aber stellen. Soll nur immer wieder nachgebessert werden mit dem Hintergedanken, das jederzeit wieder irgendwas kaputtgehen kann,
oder aber Du gibst die Geräte mal jemanden für eine vollständige Revision. Wäre natürlich auch eine Kostenfrage.
Aber wir schweifen hier ein wenig vom Thema ab. Am besten machst Du dafür mal ein neues auf oder schreibst mich persönlich an.
VG
Thomas
Re: Nadelreinigung
Schon gesehen und Du jetzt auch.
VG
Thomas
VG
Thomas

