Guten Abend in die Runde,
ich habe das Wochenende erfolgreich für die Wiederbelebung meines CSV 300 nutzen können.

- Nahaufnahme mit der bisherigen "goldenen" Ausbeute

- Bilden ein hübsches Gespann. TGC450 läuft prima am CSV. Easy Listing mit Bert Kaempfert (Der wohnte gleich um die Ecke am Brahmsee)
Ich habe mich zunächst nur auf den Austausch der Elkos beschränkt, um für mich die Änderungen in einem überschaubaren Rahmen zu halten. Von Massenevakuierungen aller Bauteile auf einen Schlag halte ich nicht viel. Damit handelt ich mir nur zusätzliche Fehlerquellen ein und ich verliere den Überblick bzw. die Ausgangssituation aus den Augen.
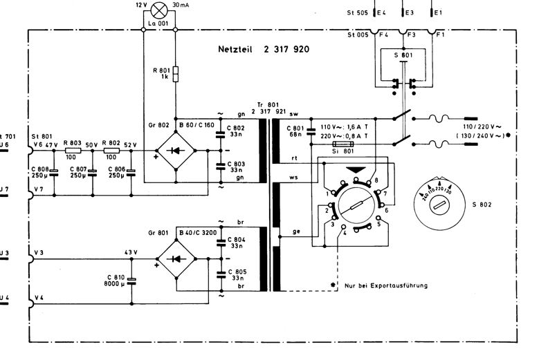
Also frisch ans Werk und zunächst das Netzteil auf Vordermann gebracht. Beim Aubauen des selbigen viel mir auf, dass der primärseitige Entstörkondensator C801, 68nF bereits seinem Namen alle Ehre gemacht hat und sich mit einem lauten Knall verabschiedet hatte. Erste Hoffnung keimte auf, dass sich die damaligen Besitzer so heftig erschrocken haben und den Braun sogleich vom Netz genommen und eingemottet haben. Naja man wird sehen, es soll ja Leute geben (also ich), die nach überstandenem Schreck die Geräte wieder einschalten. Stinkt zwar erbärmlich, aber die Kisten laufen ja auch ohne - bis zum nächsten Piek auf der Netzleitung, bei dem dann größerer Schaden entstehen kann. Einen 68nF Kondensator mit ca. 750 V hatte ich noch in meiner Dual - Kiste liegen. Die Typenbzeichnung des alten war nicht mehr hilfreich. Hoffe der ist ok?

- Knallfrosch C801. Welche Spannung hat dich bloss so ruiniert?
Also bleiben nur noch die drei C's 806-808 der Siebkette. Die Selen Gleichrichter durchgepiepst, scheinen noch ok zu sein, also erstmal drinlassen. Sicher muss man bei Ersatz durch moderne Gleichrichter die höhere Spannung am Ausgang irgendwie noch mit einem zusätzlichen Widerstand in Wärme umwandeln. Kommt auf die Todo Liste fürs Feintuning.
Sukzessive habe ich mir dann die Endstufenplatine (alle größeren Elkos bis auf die beiden hübschen Dicken), die Filterplatine mit den Schaltern, die Reglerplatine sowie den Phonoverstärker vorgenommen.

- Endstufe: Poties sahen besser aus als bei meinem Regie 520 und blieben wie die C-Pärchen darüber bzw. darunter erstmal drauf. Zur Sicherheit habe ich alle Widerstände zwischen den Pins im eingebauten Zustand gemessen und notiert. Man weiß ja nie, ob sich die Potis noch unbeschadet drehen lassen.

- Filterplatine: 2x Rödies raus und für den 250uF/35V einen Axial 220uF/50V verbaut. Alles Grüne kommt erstmal auf die Todo-Liste. Man beachte das Spiegelbild am polierten 8000uF Glattmacher.
Reglerplatine : Leider kein Foto gemacht. 4x Rödies raus und den 470uF / 50V durch einen radialen Typgleichen ersetzt. Auch hier 12 Grüne erstmal auf die Todo-Liste.

- Phonoverstärker: Überraschung, nach entfernen des Gehäuses, habe ich erstmal nur sauber gemacht und den mumifizierten Untermieter in Form einer Spinne sammt Nest rausgeschmissen und durchgelüftet.
Als letzte größere Maßnahme habe ich mir den Quellenwahlschalter vorgenommen. Das sah nicht gut aus, nach ersten zarten Berührungen erweisen sich die Kontakte aber als stabil. Dann mal los:

- Der Anblick des Wahlschalter machte mir doch ein wenig Sorgen.

- Das schwarze Eloxat? ließ sich mit einem Glasfaserpinsel sehr gut und einfach entfernen. Zum Schluss eine Dusche mit Kontaktspray sollte den Glanz doch eine Zeit bewahren und tadellose Wahlmöglichkeiten ermöglichen. Der Kugel in dem "Schnapper" hab ich noch ein wenig Fett gegönnt.
Zusammenbau
Als erstes hab ich das Netzteil wieder an seinen angestammten Platz gesetzt. Netzleitung angelötet und mit Schrumpfschlauch gegen Fummelfinger geschützt. Die Birne durchgemessen. Scheint OK zu sein . War das vieleicht ein weiters Indiz dafür, das nach dem Urknall (siehe ganz oben) der Braun aus dem Wohnzimmer verbannt wurde? Hoffnung macht sich breit, also nochmal Kontrolle, dass kein Kabel (bis auf dass für die Birne) das Netzteil verlässt, den Netzstecker rein und eingeschaltet. Birne geht an , nix knallt, auch nicht der respekteinflößende 8000uF Kondi. Prima. Also Spannungen messen: Im eingebauten Zustand kommt man schlecht an den Stecker ran, also direkt am C810 (8000uF) und am C808 messen. Beide Spannungen 43,5V und 55,8V sind da (natürlich ein wenig mehr, da ja noch im Leerlauf). Nochmal Prima.
Weiter gehts mit dem Einbau der restlichen Platinen und der Verkabelung . Dabei Achtung der C810 (8000uF) ist jetzt geladen, besser nicht mit irgendwelchen Kabeln, Fingern, Platinen oder Blechen die Pole berühren. Ich hatte den 8000uF mit der Schrift nach oben montiert. Ursprünglich war er aber mit der Schrift zum Trafo montiert, sodass jetzt ein Pol gefährlich nah dem Trägerblech des Endverstärkes kommt. Habe da erstmal ein dickes Stück Schrumpfschlauch zwischengesteckt und natürlich auf die ToDo-Liste aufgenommen (Ich will aber die Schrift lesen können, daher drehe ich den Elko nur um ca 30°, da können sich die Brauningenieure auf die Hinterbeine stellen).
Der Einbau der restlichen Platinen und Verkabelung ging dann zügig und unproblematisch über die Bühne. Keine Schraube blieb übrig

Aber dafür ein Kabel samt Stecker baumelte noch von der Filterplatine ? Muss ich jetzt doch noch den Schaltplan bemühen und das versteckte Weibchen ausfindig machen. Nach einer gefühlten Ewigkeit hab ich die Dame gefunden. Steht jetzt auch auf der ToDo-Liste: Erst den Stecker vom Schalterbaustein auf die Platine mit den DIN Buchsen stecken, bevor diese verbaut und festgeschraubt wird.
Inbetriebnahme
Irgendwie hatte ich ein gutes Gefühl und hab nach einem abschließenden Rundgang einfach eingeschaltet. Spannungen am Netzteil gemessen: 43V und 47,3V , Erschrecken gut. Sicherungen auf der Endstufe gezogen und nacheinander jeweils den Strom gemessen. 29mA und 33mA , Top. Sicherungen wieder rein und ein paar Spannungen gemessen, nix auffälliges festgestellt. Riecht auch nicht schlechter, also meine Testboxen und das TGC450 angeschlossen. Und dann war er da der Bernd mit seinem easy listening Sound. Herrlich A Swinging Safari an meinem 300er !!
Noch einmal volle Konzentration beim Einstellen des Ruhestrom von bummelig 25mA. Erledigt. Danach ging es daran die verschiedenen Eingangsquellen zu testen. Also den Dual 1214 an die Reservebuchse gestöpselt. Phill Collins Platte drauf und ab geht die wilde Fahrt mit Sussudio . Dann darf Phill auf dem Dual 1219 am Phonoeingang richtig loslegen. Nochmals besser. Zum Schluss hab ich das Technisat DigitRadio 100 IR am Radioeingang ausprobiert. Klingt auch klasse.
Was soll ich sagen, bin total begeistert von dem 300er. Keine größeren Probleme vorhanden. Hat Spass gemacht dem Kerl erstmal mit ein paar neuen Elkos wieder Kraft zu geben. Einige Elkos lagen doch schon weiter weg von ihren aufgedruckten Werten. Es bleibt aber noch was zu tun, ich hab jetzt ja ne ToDo Liste....
Grüße Tim