Reparatur CE 251
Reparatur CE 251
Hallo zusammen,
hatte einen CE 251 defekt bei Ebay gekauft. Sicherung war durch und eine neue brannte ebenfalls sofort wieder durch. Elkos waren größtenteils schon mal erneuert, der einzige große, der noch nicht neu war, zeigte sich beim Durchmessen auch i.O. Da am Netzkabel von Pol zu Pol extrem wenig Widerstand zu messen war, habe ich den Spannungswähler so eingestellt (Mitte zwischen 220 und 110), dass keine Kontakt mehr war und habe dann die Primärseite des Trafos durchgemessen. Dort waren die Werte mit 120 und 140 Ohm i.O. Von Pol zu Pol der Netzleitung hatte ich aber immer noch ca 5 Ohm. Es zeigte sich dann relativ schnell, dass der Entstörkondensator C932 (68 nF, ERO-Wickelkond.) Durchgang hatte. Kondensator ersetzt und das Gerät lief wieder.
Allerdings leuchtet die Stereokontrolleuchte nicht, obwohl das Birnchen i.O. ist und die Sender gut hereinkommen. Dem Höreindruck nach ist das Ausgangs-Signal nicht Stereo. Die kritischen Elkos waren auch im Decoder schon getauscht. Für den CE 251 gibt es zwei verschiedene Stereodecoder, einen mit 6 Transistoren (1 702 830) und einen mit 7 Transistoren (1 718 830). Ich habe die alte Variante mit 6 Transistoren. Zur Einstellung des Schwellwertes für die Anzeigelampe gibt es dort das Trimmpotentiometer R939 - dieses gibt es bei meinem Gerät aber gar nicht (war nie verbaut!), obwohl die Platine dafür vorgesehen ist. Da das Gerät aber sicher funktionsfähig ausgeliefert wurde und Stereo nicht decodiert wird, liegt die Ursache des Problems wohl nicht bei der Einstellung des Schwellwertes für die Lampe.
Hat noch jemand eine Idee, wie man ohne volle Werkstattausrüstung (Pilottongenerator, Oszi, ...) da weiter kommt?
Herzliche Grüße
Gerhard
hatte einen CE 251 defekt bei Ebay gekauft. Sicherung war durch und eine neue brannte ebenfalls sofort wieder durch. Elkos waren größtenteils schon mal erneuert, der einzige große, der noch nicht neu war, zeigte sich beim Durchmessen auch i.O. Da am Netzkabel von Pol zu Pol extrem wenig Widerstand zu messen war, habe ich den Spannungswähler so eingestellt (Mitte zwischen 220 und 110), dass keine Kontakt mehr war und habe dann die Primärseite des Trafos durchgemessen. Dort waren die Werte mit 120 und 140 Ohm i.O. Von Pol zu Pol der Netzleitung hatte ich aber immer noch ca 5 Ohm. Es zeigte sich dann relativ schnell, dass der Entstörkondensator C932 (68 nF, ERO-Wickelkond.) Durchgang hatte. Kondensator ersetzt und das Gerät lief wieder.
Allerdings leuchtet die Stereokontrolleuchte nicht, obwohl das Birnchen i.O. ist und die Sender gut hereinkommen. Dem Höreindruck nach ist das Ausgangs-Signal nicht Stereo. Die kritischen Elkos waren auch im Decoder schon getauscht. Für den CE 251 gibt es zwei verschiedene Stereodecoder, einen mit 6 Transistoren (1 702 830) und einen mit 7 Transistoren (1 718 830). Ich habe die alte Variante mit 6 Transistoren. Zur Einstellung des Schwellwertes für die Anzeigelampe gibt es dort das Trimmpotentiometer R939 - dieses gibt es bei meinem Gerät aber gar nicht (war nie verbaut!), obwohl die Platine dafür vorgesehen ist. Da das Gerät aber sicher funktionsfähig ausgeliefert wurde und Stereo nicht decodiert wird, liegt die Ursache des Problems wohl nicht bei der Einstellung des Schwellwertes für die Lampe.
Hat noch jemand eine Idee, wie man ohne volle Werkstattausrüstung (Pilottongenerator, Oszi, ...) da weiter kommt?
Herzliche Grüße
Gerhard
Re: Reparatur CE 251
Hallo Gerhard ,
der Beitrag ist ja schon ein wenig älter, hast Du noch im Kopf ob und wie Du das Problem mit der Stereo Lampe lösen konntest? Ich habe mir gerade eine CE 251 ( Serial 17267 ) gekauft, der ebenfalls keinen Stereoempfang hat ( Lampe i.o bleibt aber aus, Mono / Stereo Schalter kein hörbarer Unterschied)
Gruß Tim
der Beitrag ist ja schon ein wenig älter, hast Du noch im Kopf ob und wie Du das Problem mit der Stereo Lampe lösen konntest? Ich habe mir gerade eine CE 251 ( Serial 17267 ) gekauft, der ebenfalls keinen Stereoempfang hat ( Lampe i.o bleibt aber aus, Mono / Stereo Schalter kein hörbarer Unterschied)
Gruß Tim
Teilesuche Audio 2 TC 45/1: Gewicht für Tonabnehmer P 400 X
Re: Reparatur CE 251
Hallo Tim,
lang ist's her, ich wußte nicht mal mehr, dass ich mal dieses Problem hatte. Ich habe das Gerät aber sehr wahrscheinlich ohne weitere Reparatur ins Regal gestellt. Ich habe nur sehr wenige Geräte aus meiner Sammlung tatsächlich in Betrieb.
Herzliche Grüße
Gerhard
lang ist's her, ich wußte nicht mal mehr, dass ich mal dieses Problem hatte. Ich habe das Gerät aber sehr wahrscheinlich ohne weitere Reparatur ins Regal gestellt. Ich habe nur sehr wenige Geräte aus meiner Sammlung tatsächlich in Betrieb.
Herzliche Grüße
Gerhard
Re: Reparatur CE 251
Ok, dann versuche ich mal mein Glück. Wäre es ggf OK , dass ich diesen Thread dann fortsetze?
Teilesuche Audio 2 TC 45/1: Gewicht für Tonabnehmer P 400 X
Re: Reparatur CE 251
Ja, natürlich
Re: Reparatur CE 251
Hallo Tim,
wenn der CE 251 noch die grauen (2,2 µF etc.) Elkos hat, am besten alle wechseln. Nicht nur im Stereodecoder, sondern auch alle anderen.
Gruß
Raimund
wenn der CE 251 noch die grauen (2,2 µF etc.) Elkos hat, am besten alle wechseln. Nicht nur im Stereodecoder, sondern auch alle anderen.
Gruß
Raimund
Re: Reparatur CE 251
Moin,
bei meinem “Patienten” musste ich die Rumpeltransistoren tauschen. Die waren beim Decoder defekt.
Die gibt es NOS im Auktionshaus.
Seid lieb gegrüßt!
bei meinem “Patienten” musste ich die Rumpeltransistoren tauschen. Die waren beim Decoder defekt.
Die gibt es NOS im Auktionshaus.
Seid lieb gegrüßt!
Re: Reparatur CE 251
Moin, danke für Eure Tips & Hinweise, aber Meo, was sind Rumpeltransistoren?
ich habe sukzessive die Elkos auf dem Netzteil/Dekoder sowie dem HFZF Board getauscht.
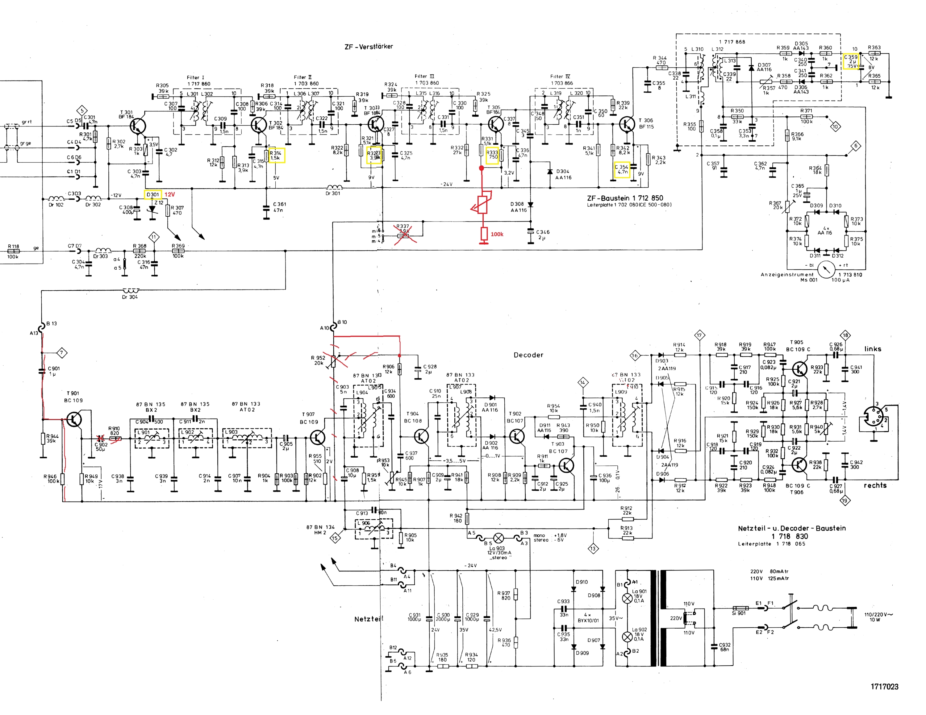
Scheinbar wurde einiges ab Werk auf dem HFZF Board anders gelöst als im Schaltplan bzw Bestückungsplan dokumentiert. Mein Dekoderboard scheint auch ein anderes zu sein, als in den gängigen Servicemanuals im Internet dokumentiert zu sein. Es besitzt, wie das von Gerhard , 6 Transistoren und nur ein Regelpoti. Board Bezeichnung CE500-650 (Auf der Lötseite abgebildet). Ich habe zunächst erstmal die angegeben Spannung des HFZF Boards nachgemessen. Meiner Meinung nach sieht das soweit passabel aus:
R303 soll 3,5V / ist 3,9V
R314 5V/5,9V
R323 9V/9V
R333 3,2V/3,1V
R343 9V/9V
C308/D301 Zp12 12V
C359 8V/ 9,3V bei Vollausschlag , 1,9V kein Sender
Und hier der Bestückungsplan . Gelb die Messpunkte und ja auch hier abweichende Bestückung bzw. fehlende Verbindungen ( insbesondere Mono/Stereo Umschalter)
Die Abweichungen in den Schaltplänen verwirren mich sehr. Die Pins des Mon/Stereo Umschalter 5/6) am ZF-Verstärker werden auch gesondert auf den Dekoder geführt (Stecker in der MItte des Dekoderboards Pin A7 und A9) und gehen nicht über R337 (nicht verbaut) an A10. An R333 ist zusätzlich ein Poti mit einem R100k an Masse angeschlossen. (Siehe Schaltplan)
Dekoderboard:
Der Eingang Pin A13 ist auch nur bis zum Transistor T901 im Schaltplan nachvollziehbar. Der Emitter geht nicht über C902/50uF und R910/820 Ohm (beide nicht verbaut) sondern direkt an L901.
Bin jetzt ein wenig ratlos . Ohne den Schaltplan für mein Dekoderboard komme ich nicht so recht weiter. Habt Ihr einen Tipp, wie ich mich nicht verliere ? Ich hoffe jetzt natürlich auch auf Gerhard, das er seinen CE251 aus dem Schrank nimmt, um vieleicht zeitgleich mit mir den Stereoempfang zu fixen
Grüße aus Kiel Tim
ich habe sukzessive die Elkos auf dem Netzteil/Dekoder sowie dem HFZF Board getauscht.
Scheinbar wurde einiges ab Werk auf dem HFZF Board anders gelöst als im Schaltplan bzw Bestückungsplan dokumentiert. Mein Dekoderboard scheint auch ein anderes zu sein, als in den gängigen Servicemanuals im Internet dokumentiert zu sein. Es besitzt, wie das von Gerhard , 6 Transistoren und nur ein Regelpoti. Board Bezeichnung CE500-650 (Auf der Lötseite abgebildet). Ich habe zunächst erstmal die angegeben Spannung des HFZF Boards nachgemessen. Meiner Meinung nach sieht das soweit passabel aus:
R303 soll 3,5V / ist 3,9V
R314 5V/5,9V
R323 9V/9V
R333 3,2V/3,1V
R343 9V/9V
C308/D301 Zp12 12V
C359 8V/ 9,3V bei Vollausschlag , 1,9V kein Sender
Und hier der Bestückungsplan . Gelb die Messpunkte und ja auch hier abweichende Bestückung bzw. fehlende Verbindungen ( insbesondere Mono/Stereo Umschalter)
Die Abweichungen in den Schaltplänen verwirren mich sehr. Die Pins des Mon/Stereo Umschalter 5/6) am ZF-Verstärker werden auch gesondert auf den Dekoder geführt (Stecker in der MItte des Dekoderboards Pin A7 und A9) und gehen nicht über R337 (nicht verbaut) an A10. An R333 ist zusätzlich ein Poti mit einem R100k an Masse angeschlossen. (Siehe Schaltplan)
Dekoderboard:
Der Eingang Pin A13 ist auch nur bis zum Transistor T901 im Schaltplan nachvollziehbar. Der Emitter geht nicht über C902/50uF und R910/820 Ohm (beide nicht verbaut) sondern direkt an L901.
Bin jetzt ein wenig ratlos . Ohne den Schaltplan für mein Dekoderboard komme ich nicht so recht weiter. Habt Ihr einen Tipp, wie ich mich nicht verliere ? Ich hoffe jetzt natürlich auch auf Gerhard, das er seinen CE251 aus dem Schrank nimmt, um vieleicht zeitgleich mit mir den Stereoempfang zu fixen
Grüße aus Kiel Tim
Teilesuche Audio 2 TC 45/1: Gewicht für Tonabnehmer P 400 X
Re: Reparatur CE 251
Die Transistoren sind schadhaft obwohl sie korrekte Werte anzeigen.
In der NF Schaltung machen die Geräusche (Rumpeln).
Auf dem Decoder Board verweigern sie die Funktion.
Es ist bei dieser Bauform von Transistortypen wohl so dass Feuchtigkeit in den Transistor einzieht.
Re: Reparatur CE 251
Hallo,
beim CE 251 gibt es 2 verschiedene Stereodecoderausführungen. Wenn ich mich recht entsinne, eine mit 4 Transistoren und die andere mit 5 Transistoren. Ich weiß es nicht mehr auswendig. Aber alle Transistoren kann man durch neuere Typen wie BC 547 o. besser BC 550 statt BC 107/109/147/149 ersetzen. BC 550 ist die raumscharme Variante.
Gruß
Raimund
beim CE 251 gibt es 2 verschiedene Stereodecoderausführungen. Wenn ich mich recht entsinne, eine mit 4 Transistoren und die andere mit 5 Transistoren. Ich weiß es nicht mehr auswendig. Aber alle Transistoren kann man durch neuere Typen wie BC 547 o. besser BC 550 statt BC 107/109/147/149 ersetzen. BC 550 ist die raumscharme Variante.
Gruß
Raimund
Re: Reparatur CE 251
Prima, danke für die erklärenden Worte.
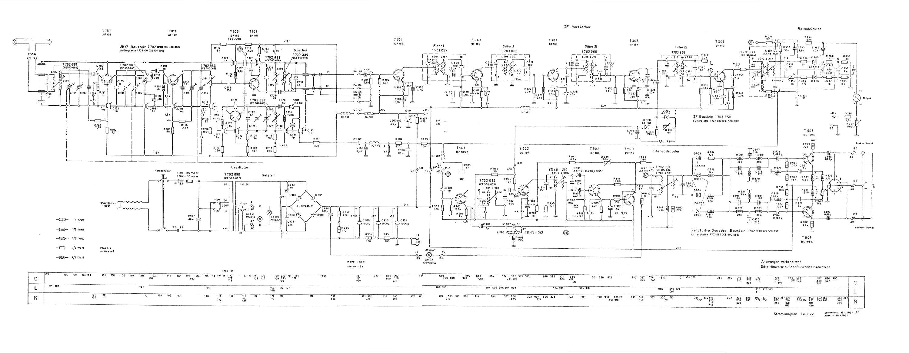
Ich habe mir einfach mal den Schaltplan für den CE250 angeschaut und eine Tapete aus den einzelnen Seiten zusammengebaut.
Es sieht so aus das bei meinem CE251 noch der Dekoder/Netzteil des CE250 verbaut wurde.
Das hilft mir weiter
Grüße Tim
Ich habe mir einfach mal den Schaltplan für den CE250 angeschaut und eine Tapete aus den einzelnen Seiten zusammengebaut.
Es sieht so aus das bei meinem CE251 noch der Dekoder/Netzteil des CE250 verbaut wurde.
Grüße Tim
Teilesuche Audio 2 TC 45/1: Gewicht für Tonabnehmer P 400 X
Re: Reparatur CE 251
Hallo in die Runde,
die Ausgangslage: Der CE251 hat hervorragenden Empfang (sogar der Dänische Landfunk kommt sehr gut an) mit einer exelenten Signaltrennung der Sender. Leider kommen die Sender nach meinem Empfinden nur in Mono an meinem CSV 300 an und die Stereo Lampe bleibt aus. Also dumpf ohne räumliches Empfinden. Mein Technisat InternetRadio lief vorher ebenfalls am Radio Eingang, somit sollte der Eingang i.O. sein. Das Technisat ist jetzt an den Reserve-Eingang verbannt worden. Der Schaltplan des CE250 ist die richtige Basis, um mich in meinem CE251 Tuner zurechtzufinden und dem Problem auf den Grund zu gehen. Ich habe mich daher zunächst mit dem Dekoder beschäftigt. Nach meinem Verständnis ist die Aufgabe des Dekoders aus dem Stereo-Sendesignal die Signale des linken und rechten Kanals zu isolieren und an den Verstärker weiterzugeben.
Das enthaltene 19khz Pilotsignal wird dabei auch verwendet, um über die Transistorsstufe T902 (rot) , T904 (rosa) ein ausreichend starkes Signal zu erzeugen, dass schlussendlich T903 (grün) zum Durchschalten seiner Kollektor-Emitter Strecke annimiert wird. Die Spannung am Kollektor wird damit soweit gegenüber der Spannung am 100uF Kondensator C936 (am Netzteil) reduziert, dass über die Stereo-Lampe (12V 30mA) eine hinreichende Spannung abfällt und somit aufleuchten kann. Lampe hab ich geprüft (heil und richtiger Typ verbaut
)
Die Messung begann daher am Kollektor von T903 . Bei dieser Transistorbauform ist der Kollektor mit dem Gehäuse verbunden und somit gut von der Bestückungsseite zu messen. Die zweite Messstrippe hab ich mittel Kroko-Klemme am Minuspol des 1000uF Kondensator C931 angeschlossen.
T903 Kollektor zu -24V: soll 26V - 0,1V ist: 26,5V (Stereosender) 26,6V(kein Sender).
Also Transistor schaltet nicht durch, Lampe kann nicht leuchten. Also weiter messen:
T903 Basis zu -24V: ist 50-60mV (Stereosender) 2mV (kein Sender) . Nach meinem Empfinden reichen 60mV an der Basis nicht aus, um einen BC107 Transitor durchschalten zu lassen . Bin mir da aber nicht sicher. Kann mich jemand Aufschlauen?
T904 Emitter zu -24V: soll 0-1V ist: 200mV (Stereosender) 2mV (kein Sender) . Nicht überzeugend, daraus könnte die schlappe Basisspannung am T903 resultieren. Ich verstehe allerdings nicht, wo ein besserer Wert über die Spule des Übertragers herkommen soll, da ich mit diesen Spulendingern keine Erfahrungen habe.
T904 Basis zu -24V: ist 720mV (Stereosender) 2mV (kein Sender) Prima!
T902 Emitter zu -24V: soll 4-5V ist: 5,4V (Stereosender) 2,5 (kein Sender) . Für mich unaufällig .
Als nächstes habe ich den Transisor T904 ausgelötet und mit meinem Chinamesser geprüft. Der Transistor scheint i.O. zu sein. Aber Meo meinte, dass die trotzdem marode sein können. Mangels Ersatz hab ich den T904 wieder eingelötet und mich daran gesetzt die Bauteile auf dem Board anhand des Schaltplans und "durchpiepen" zu lokalisieren. Dabei kam mir die Idee testweise die Last der Lampe duch einseitiges Ablöten des 180 Ohm Widerstand R942 vom T903 zu trennen. Die Hoffnung war, das so die 26V am Kollektor verschwinden und sich irgendetwas am Verhalten ändert. Nach dem Einschalten war die Verwunderung groß, aus den Boxen klang ein "besser" und räumlicher Klang , bei gleichbleibend gutem Empfang. Das tat meiner Motivation gut , wobei ich mir dass noch nicht recht erklären kann.
An T903 messe ich bei abgeklemmter Lampe folgendes:
T903 Kollektor zu -24V: soll 26V - 0,1V ist: 6,0V (Stereosender) und 3,3V (kein Sender)
erstmal wieder ratlose Grüße (Transistoren sind bestellt)
Tim
die Ausgangslage: Der CE251 hat hervorragenden Empfang (sogar der Dänische Landfunk kommt sehr gut an) mit einer exelenten Signaltrennung der Sender. Leider kommen die Sender nach meinem Empfinden nur in Mono an meinem CSV 300 an und die Stereo Lampe bleibt aus. Also dumpf ohne räumliches Empfinden. Mein Technisat InternetRadio lief vorher ebenfalls am Radio Eingang, somit sollte der Eingang i.O. sein. Das Technisat ist jetzt an den Reserve-Eingang verbannt worden. Der Schaltplan des CE250 ist die richtige Basis, um mich in meinem CE251 Tuner zurechtzufinden und dem Problem auf den Grund zu gehen. Ich habe mich daher zunächst mit dem Dekoder beschäftigt. Nach meinem Verständnis ist die Aufgabe des Dekoders aus dem Stereo-Sendesignal die Signale des linken und rechten Kanals zu isolieren und an den Verstärker weiterzugeben.
Das enthaltene 19khz Pilotsignal wird dabei auch verwendet, um über die Transistorsstufe T902 (rot) , T904 (rosa) ein ausreichend starkes Signal zu erzeugen, dass schlussendlich T903 (grün) zum Durchschalten seiner Kollektor-Emitter Strecke annimiert wird. Die Spannung am Kollektor wird damit soweit gegenüber der Spannung am 100uF Kondensator C936 (am Netzteil) reduziert, dass über die Stereo-Lampe (12V 30mA) eine hinreichende Spannung abfällt und somit aufleuchten kann. Lampe hab ich geprüft (heil und richtiger Typ verbaut
Die Messung begann daher am Kollektor von T903 . Bei dieser Transistorbauform ist der Kollektor mit dem Gehäuse verbunden und somit gut von der Bestückungsseite zu messen. Die zweite Messstrippe hab ich mittel Kroko-Klemme am Minuspol des 1000uF Kondensator C931 angeschlossen.
T903 Kollektor zu -24V: soll 26V - 0,1V ist: 26,5V (Stereosender) 26,6V(kein Sender).
Also Transistor schaltet nicht durch, Lampe kann nicht leuchten. Also weiter messen:
T903 Basis zu -24V: ist 50-60mV (Stereosender) 2mV (kein Sender) . Nach meinem Empfinden reichen 60mV an der Basis nicht aus, um einen BC107 Transitor durchschalten zu lassen . Bin mir da aber nicht sicher. Kann mich jemand Aufschlauen?
T904 Emitter zu -24V: soll 0-1V ist: 200mV (Stereosender) 2mV (kein Sender) . Nicht überzeugend, daraus könnte die schlappe Basisspannung am T903 resultieren. Ich verstehe allerdings nicht, wo ein besserer Wert über die Spule des Übertragers herkommen soll, da ich mit diesen Spulendingern keine Erfahrungen habe.
T904 Basis zu -24V: ist 720mV (Stereosender) 2mV (kein Sender) Prima!
T902 Emitter zu -24V: soll 4-5V ist: 5,4V (Stereosender) 2,5 (kein Sender) . Für mich unaufällig .
Als nächstes habe ich den Transisor T904 ausgelötet und mit meinem Chinamesser geprüft. Der Transistor scheint i.O. zu sein. Aber Meo meinte, dass die trotzdem marode sein können. Mangels Ersatz hab ich den T904 wieder eingelötet und mich daran gesetzt die Bauteile auf dem Board anhand des Schaltplans und "durchpiepen" zu lokalisieren. Dabei kam mir die Idee testweise die Last der Lampe duch einseitiges Ablöten des 180 Ohm Widerstand R942 vom T903 zu trennen. Die Hoffnung war, das so die 26V am Kollektor verschwinden und sich irgendetwas am Verhalten ändert. Nach dem Einschalten war die Verwunderung groß, aus den Boxen klang ein "besser" und räumlicher Klang , bei gleichbleibend gutem Empfang. Das tat meiner Motivation gut , wobei ich mir dass noch nicht recht erklären kann.
An T903 messe ich bei abgeklemmter Lampe folgendes:
T903 Kollektor zu -24V: soll 26V - 0,1V ist: 6,0V (Stereosender) und 3,3V (kein Sender)
erstmal wieder ratlose Grüße (Transistoren sind bestellt)
Tim
Teilesuche Audio 2 TC 45/1: Gewicht für Tonabnehmer P 400 X
Re: Reparatur CE 251
Hallo Braun-Enthusiasten,
ich habe mit Interesse die Abhandlungen über die Reparatur des CE251 gelesen und vermisse letztendlich die Lösung des Problems. Ich stehe mit meinem CE251 vor genau dem gleichen Problem. Elkos sind getauscht, Transistoren entsprechend gewechselt, leuchte ok usw. aber nichts tut sich in Richtung Stereo-Leuchte und Empfang. Daher interessiert mich die Lösung des Problems brennend.
Vielen Dank für eure Erkenntnisse hierzu.
Herzliche Grüße
Wolfgang
ich habe mit Interesse die Abhandlungen über die Reparatur des CE251 gelesen und vermisse letztendlich die Lösung des Problems. Ich stehe mit meinem CE251 vor genau dem gleichen Problem. Elkos sind getauscht, Transistoren entsprechend gewechselt, leuchte ok usw. aber nichts tut sich in Richtung Stereo-Leuchte und Empfang. Daher interessiert mich die Lösung des Problems brennend.
Vielen Dank für eure Erkenntnisse hierzu.
Herzliche Grüße
Wolfgang
Die Bitterkeit schlechter Qualität hält noch lange an, wenn die Süße des Preises längst verflogen ist...
Re: Reparatur CE 251
Hallo Wolfgang, ich bin leider nicht weitergekommen.
Es gibt aber auf yt ein neues Video zum gleichen Thema.
Dort ist ein loser Draht einer Übertragerspule der Übeltäter
https://youtu.be/NAjShi4Zp3Q?si=NuBLCz4dq00rPKhh
Weiß jetzt nicht genau, was du schon alles versuchst hast.
Aber unbedingt vorsichtig den Abschirmdeckel abnehmen. Bei mir hatte sich dabei eine Spule gelöst und 2 Drähte abgerissen. Es ist daher nicht auszuschließen, dass ich damit einiges verschlimmbessert habe.
In der Bucht konnte ich einen zweiten Tuner ergattern um Vergleichsmessungen durchführen zu können. Werde die dunkle Jahreszeit nutzen um beide Tuner wieder zum Leben zu erwecken.
Gruß aus dem Land der Horizonte
Tim
Es gibt aber auf yt ein neues Video zum gleichen Thema.
Dort ist ein loser Draht einer Übertragerspule der Übeltäter
https://youtu.be/NAjShi4Zp3Q?si=NuBLCz4dq00rPKhh
Weiß jetzt nicht genau, was du schon alles versuchst hast.
Aber unbedingt vorsichtig den Abschirmdeckel abnehmen. Bei mir hatte sich dabei eine Spule gelöst und 2 Drähte abgerissen. Es ist daher nicht auszuschließen, dass ich damit einiges verschlimmbessert habe.
In der Bucht konnte ich einen zweiten Tuner ergattern um Vergleichsmessungen durchführen zu können. Werde die dunkle Jahreszeit nutzen um beide Tuner wieder zum Leben zu erwecken.
Gruß aus dem Land der Horizonte
Tim
Teilesuche Audio 2 TC 45/1: Gewicht für Tonabnehmer P 400 X
Re: Reparatur CE 251
Hallo Tim, vielen Dank für deine Antwort und den beigefügten Link. Ich habe das Gerät dann Heinrich (Henry 2), der bei mir in der Nähe wohnt, zum "Knobeln" gegeben. Der sagte mir es lag an der Einstellung. Es schien daran einiges verstellt gewesen zu sein Empfang/Eingangs-Empfindlichkeit und Dekoder. Nun geht das gute Stück wieder einwandfrei. Ich wünsche Dir weiterhin viel Erfolg bei der Fehlersuche.
Grüße aus der Toskana Deutschlands
Wolfgang
Grüße aus der Toskana Deutschlands
Wolfgang
Die Bitterkeit schlechter Qualität hält noch lange an, wenn die Süße des Preises längst verflogen ist...



