Regie 550, Frequenzeinschränkung
- Thomas aus F.
- Profi

- Beiträge: 411
- Registriert: 03.11.2009, 11:36
- Wohnort: Hamburg
- Kontaktdaten:
Regie 550, Frequenzeinschränkung
Habe Regie 550, es lässt sich aber die Frequenz für NDR 2 in Hamburg mit 87,5 MHz nicht einstellen, weder am Drehko noch bei den Stationstasten.
Hatte Skalenantrieb auf Drehko gelockert, um mit Anzeige ganz zum linken Anschlag zu kommen, komme aber nur auf ca 92,3 ungefähr NDR Info.
Gibt es eine elektronische Basisverschiebung z.B. an einem Poti??
Wer hat guten Tipp??
Danke und Gruß Thomas
Hatte Skalenantrieb auf Drehko gelockert, um mit Anzeige ganz zum linken Anschlag zu kommen, komme aber nur auf ca 92,3 ungefähr NDR Info.
Gibt es eine elektronische Basisverschiebung z.B. an einem Poti??
Wer hat guten Tipp??
Danke und Gruß Thomas
Thomas aus Hamburg
Re: Regie 550, Frequenzeinschränkung
Hallo Thomas,der 550er wird auf UKW über Kapazitätsdioden abgestimmt.Es ist also die untere Spannung zu hoch,ich würde es mal mit R142 versuchen.
Gruss
Gerhard
Gruss
Gerhard
- Thomas aus F.
- Profi

- Beiträge: 411
- Registriert: 03.11.2009, 11:36
- Wohnort: Hamburg
- Kontaktdaten:
- Thomas aus F.
- Profi

- Beiträge: 411
- Registriert: 03.11.2009, 11:36
- Wohnort: Hamburg
- Kontaktdaten:
Re: Regie 550, Frequenzeinschränkung
Dann wäre das der mit Farbe gesicherte Poti hinter dem Drehko?
Warum ist er mit Farbe gesichert????
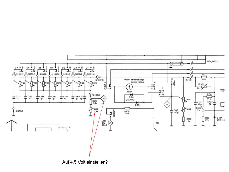
Messpunkt 17 sollte dann 4,5V haben nach Service Anleitung? Habe dort zZt. 5,85V
Liege ich da richtig?
Danke und gruß
Thomas
Warum ist er mit Farbe gesichert????
Messpunkt 17 sollte dann 4,5V haben nach Service Anleitung? Habe dort zZt. 5,85V
Liege ich da richtig?
Danke und gruß
Thomas
Thomas aus Hamburg
- Thomas aus F.
- Profi

- Beiträge: 411
- Registriert: 03.11.2009, 11:36
- Wohnort: Hamburg
- Kontaktdaten:
Re: Regie 550, Frequenzeinschränkung
Hab's schon gefunden, es ist das kleine weiße Polyamidzahnrad, an ihm lässt sich das Frequenzband verschieben!
Jetzt habe ich 4,7V am Messpunkt.
Geht super, danke nochmal!
Gruß Thomas
Jetzt habe ich 4,7V am Messpunkt.
Geht super, danke nochmal!
Gruß Thomas
Thomas aus Hamburg
- Thomas aus F.
- Profi

- Beiträge: 411
- Registriert: 03.11.2009, 11:36
- Wohnort: Hamburg
- Kontaktdaten:
Ausfall der UKW-Stationstasten Regelung
Leider funktioniert jetzt die Senderstationstasten-Wahl nicht mehr!
Man hört ein eindeutiges UKW Grundrauschen, aber beim Verstellen (mit Stift) hört man keine UKW Sender???
Gibt es dafür einen Grund ???
Ich rate mal: Messpunkt 16 muss mit R122 auf 4,5V eingestellt werden?
....oder ist es der 2Watt 150Ohm Widerstand R144, der ist etwas bräunlich ?
Gruß Thomas
Man hört ein eindeutiges UKW Grundrauschen, aber beim Verstellen (mit Stift) hört man keine UKW Sender???
Gibt es dafür einen Grund ???
Ich rate mal: Messpunkt 16 muss mit R122 auf 4,5V eingestellt werden?
....oder ist es der 2Watt 150Ohm Widerstand R144, der ist etwas bräunlich ?
Gruß Thomas
Thomas aus Hamburg
Re: Regie 550, Frequenzeinschränkung
Hallo Thomas,miss doch mal die Spannung an M16 ,dort liegt die untere Abstimmspannung an und die sollte etwa 4,5V sein.Am Ausgang der Stations Potis sollte eine Spannung zwischen 4,5 und 20V
anliegen.Die sollte sich beim Abstimmvorgang entsprechend ändern.
Gruss
Gerhard
anliegen.Die sollte sich beim Abstimmvorgang entsprechend ändern.
Gruss
Gerhard
- Thomas aus F.
- Profi

- Beiträge: 411
- Registriert: 03.11.2009, 11:36
- Wohnort: Hamburg
- Kontaktdaten:
Re: Regie 550, Frequenzeinschränkung
Danke Gerhard, mach dann mal am Wochenende:
Gruß Thomas
Gruß Thomas
Thomas aus Hamburg
- Thomas aus F.
- Profi

- Beiträge: 411
- Registriert: 03.11.2009, 11:36
- Wohnort: Hamburg
- Kontaktdaten:
Re: Regie 550, Frequenzeinschränkung
Leider lassen sich die Spannungen an R122 und an R139 nicht verändern, höchsten im 1/10 Bereich.
Da auch das AFC nicht funktioniert, denke ich der Spannungsstabilisierungs-IC 723 ist nicht funktionsfähig, da der Sender am Anfang leicht wandert. Gruß Thomas
Da auch das AFC nicht funktioniert, denke ich der Spannungsstabilisierungs-IC 723 ist nicht funktionsfähig, da der Sender am Anfang leicht wandert. Gruß Thomas
Thomas aus Hamburg
Re: Regie 550, Frequenzeinschränkung
Hallo Thomas,ich hatte dich so verstanden,dass die Handabstimmung nach deiner Einstellung funktioniert.Ist das noch so?
Gruss
Gerhard
Gruss
Gerhard
- Thomas aus F.
- Profi

- Beiträge: 411
- Registriert: 03.11.2009, 11:36
- Wohnort: Hamburg
- Kontaktdaten:
Re: Regie 550, Frequenzeinschränkung
Ja, ist richtig, verändert sich aber am Anfang, ist nicht stabil, nach einer Korrektur bleibt sie stabil.
Thomas aus Hamburg
Re: Regie 550, Frequenzeinschränkung
Hallo Thomas:R142 dient zurn Einstellung der unteren Abst.spannung,R139 der oberen.An Stecker 101 liegt an Pin 1 die stab.Spannung von etwa 25V an,an Pin 8 die Abstimmspannung.Teste doch mal mit dem UKW Abstimmrad ob du von links nach rechts auf der Skala entsprechende Spannungswerte an Pin 8 messen kannst.Dann drückst du eine der Stationstasten und drehst das zugehörige Poti durch.Dann schaun mer weiter.
Gruss
Gerhard
Gruss
Gerhard
- Thomas aus F.
- Profi

- Beiträge: 411
- Registriert: 03.11.2009, 11:36
- Wohnort: Hamburg
- Kontaktdaten:
Re: Regie 550, Frequenzeinschränkung
Habe mich zunächst erstmal um die Konstanz der Sendereinstellung gekümmert, der Sender ist dauernd "weggelaufen", habe im Netz den IC "LM 723" (Ci 101) für ca. 2,70 incl. Versand gekauft und gegen den alten ausgetauscht (sehr einfach, da mit Fassung). Der Sender bleibt jetzt super-konstant: Mit R142 (siehe Bild oben) habe ich nochmal die Frequenzbandposition justieren müssen.
Leider konnte ich das Problem der Stationstasten noch nicht lösen! Melde mich dazu noch.
Gruß Thomas
Leider konnte ich das Problem der Stationstasten noch nicht lösen! Melde mich dazu noch.
Gruß Thomas
Thomas aus Hamburg
