Braun Wecker 4768 AB30sl zerlegen zusammenbauen
-
BastelBastel
- Neuling

- Beiträge: 5
- Registriert: 18.02.2018, 13:45
Braun Wecker 4768 AB30sl zerlegen zusammenbauen
Hallo zusammen
nachdem ich meinen AB30 sl, schon sicher 20 Jahre ohne Probleme in Gebrauch hatte, habe ich Ihn versehenlich vom Nachtisch gestossen, was er auf den ersten Blick denoch gut überstanden hatte. Leider stellte sich dann nach ein paar Tagen heraus, das die Snooze und die Licht-Funktion nicht mehr funktioniert, der Weckton blieb für ein paar Sekunden weg, kam aber denn gleich wieder. Auch ging das Birnchen nicht mehr an.
Da ich ein einigermassen optimistischer Bastler bin habe ich mich dann doch ans Zerlegen getraut, da ich mir gedacht hatte das evtl die Mechanik etwas ausgeklippst wäre. Zu diesem Zweck habe ich das Uhrwerk an sein zwei Schrauben gelöst und nach hinten abgezogen was dazu führte das nun die Zweiger auch abgezogen sind und zwei Blechteile lose sind.
Für das Aufzeigern habe ich dann eine Anleiting hier im Forum gefunden, ich denke das wird änlich gehen, allerdings habe ich keinen Plan wie man die Blechteile wieder einbaut. Das ein habe ich mal auf verdacht da hingetan wo es vermutlich hinkommt. Das andere ...
Evtl. hat ja jemand hier eine idee ?
Danke im Vorraus
Jörg
nachdem ich meinen AB30 sl, schon sicher 20 Jahre ohne Probleme in Gebrauch hatte, habe ich Ihn versehenlich vom Nachtisch gestossen, was er auf den ersten Blick denoch gut überstanden hatte. Leider stellte sich dann nach ein paar Tagen heraus, das die Snooze und die Licht-Funktion nicht mehr funktioniert, der Weckton blieb für ein paar Sekunden weg, kam aber denn gleich wieder. Auch ging das Birnchen nicht mehr an.
Da ich ein einigermassen optimistischer Bastler bin habe ich mich dann doch ans Zerlegen getraut, da ich mir gedacht hatte das evtl die Mechanik etwas ausgeklippst wäre. Zu diesem Zweck habe ich das Uhrwerk an sein zwei Schrauben gelöst und nach hinten abgezogen was dazu führte das nun die Zweiger auch abgezogen sind und zwei Blechteile lose sind.
Für das Aufzeigern habe ich dann eine Anleiting hier im Forum gefunden, ich denke das wird änlich gehen, allerdings habe ich keinen Plan wie man die Blechteile wieder einbaut. Das ein habe ich mal auf verdacht da hingetan wo es vermutlich hinkommt. Das andere ...
Evtl. hat ja jemand hier eine idee ?
Danke im Vorraus
Jörg
Re: Braun Wecker 4768 AB30sl zerlegen zusammenbauen
hallo jörg,
hier findest du alle infos. viel erfolg
und gruß
günter
hier findest du alle infos. viel erfolg
und gruß
günter
-
BastelBastel
- Neuling

- Beiträge: 5
- Registriert: 18.02.2018, 13:45
Re: Braun Wecker 4768 AB30sl zerlegen zusammenbauen
Hallo Güntergstae hat geschrieben:hallo jörg,
hier findest du alle infos. viel erfolg
und gruß
günter
Ja danke, das hilft schon mal weiter.
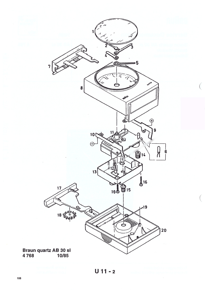
Ich sehe das eine der Metallteile ist die Hälfte von Teil 10 , ist wohl das Sturtzopfer, mal schauen wo die zweite Hälfte hin ist....
EDIT: ich glaube bei mir gibt es keine zweite Hälfte, da ich auch kein Gehäuse 13 hab, kommt die Masseleitung über das kürzere Blech
-
BastelBastel
- Neuling

- Beiträge: 5
- Registriert: 18.02.2018, 13:45
Re: Braun Wecker 4768 AB30sl zerlegen zusammenbauen
inzwischen habe ich herausgefunden, daß das eine Metallteil wohl wie auf dem Bild im Detail zusehen auf die Platine aufgeklippst wird, dann ist es fest und scheint über den rechten Nocken beim Betätigen des Snoozetaste auch einen Kontakt herzustellen.
zumindest kann ich so die Funktion wiederherstellen, die es vor dem Zerlegen hatte, Also das ganze Zusammenbauen und wenn der Wecker klingelt, kann man den Weckton über die Snooze Taste abstellen , es weckt jedoch beim loslassen der Taste weiter. Die Lötstelllen habe ich mal nachgelötet, auch das brachte keine Änderung.
Ich kann mich erinnern, das wenn die Batterie sehr schwach war (Ticken im 2 Sekunden Takt wenn man die Snooze taste betätigt hatte und das Licht anging ), dann ging das mit der Snooze funktion auch nicht...mit voller Batterie dann jedoch schon. Allerdings tickt die Uhr noch normal . Evtl. ist die Birne durch und dann funktioniert das ganze nicht .. Wäre aber komisch die Schaltung so auszulegen, aber wer weis.
zumindest kann ich so die Funktion wiederherstellen, die es vor dem Zerlegen hatte, Also das ganze Zusammenbauen und wenn der Wecker klingelt, kann man den Weckton über die Snooze Taste abstellen , es weckt jedoch beim loslassen der Taste weiter. Die Lötstelllen habe ich mal nachgelötet, auch das brachte keine Änderung.
Ich kann mich erinnern, das wenn die Batterie sehr schwach war (Ticken im 2 Sekunden Takt wenn man die Snooze taste betätigt hatte und das Licht anging ), dann ging das mit der Snooze funktion auch nicht...mit voller Batterie dann jedoch schon. Allerdings tickt die Uhr noch normal . Evtl. ist die Birne durch und dann funktioniert das ganze nicht .. Wäre aber komisch die Schaltung so auszulegen, aber wer weis.
-
BastelBastel
- Neuling

- Beiträge: 5
- Registriert: 18.02.2018, 13:45
Re: Braun Wecker 4768 AB30sl zerlegen zusammenbauen
So , das hat mir doch keine Ruhe gelassen.
Ich habe jetzt das Urwerk mal im Ausgebauten Zustand betrieben, und wenn man während des Wecksignals händisch beide Kontakte die oberhalb und unterhalb der Nocke sind durch runterdrücken der nun losen linken seite schliesst verstummt der Wecker und das Licht geht an. Nach ein paar Minuten klingelt es wieder
Also habe wohl ein Probelm beim zusammenbauen die Lasche von der Snooze taste über den Kontakt zu bringen, oder man darf die rechte Seite nicht einklipsen...
Ich habe jetzt das Urwerk mal im Ausgebauten Zustand betrieben, und wenn man während des Wecksignals händisch beide Kontakte die oberhalb und unterhalb der Nocke sind durch runterdrücken der nun losen linken seite schliesst verstummt der Wecker und das Licht geht an. Nach ein paar Minuten klingelt es wieder
Also habe wohl ein Probelm beim zusammenbauen die Lasche von der Snooze taste über den Kontakt zu bringen, oder man darf die rechte Seite nicht einklipsen...
-
BastelBastel
- Neuling

- Beiträge: 5
- Registriert: 18.02.2018, 13:45
Re: Braun Wecker 4768 AB30sl zerlegen zusammenbauen
nachmal anders , die rechte Seite muss man noch weiter einklipsen als auf einem der vorherigen Bilder gezeigt- Also so dass die Kontakte sehr dicht über der Platine schweben, leider wolte dann die Macro Einstellung nicht mehr und das Photo ist nichts geworden, aber so funktioniert es wieder.
Alos denke ich das ich bei meiner ursprünglichen Vermutung über den Sturz recht hatte und dieses Teil sich ausgeklippst hatte.
Aufzeigern kömmt dann ein anders mal
Alos denke ich das ich bei meiner ursprünglichen Vermutung über den Sturz recht hatte und dieses Teil sich ausgeklippst hatte.
Aufzeigern kömmt dann ein anders mal
