C4 Capstan-Motor - Eine erweiterte Diagnose

Sämtliche Gerätetypen Braun atelier
Antworten
Nachricht
Autor
Benutzeravatar
tommi
Experte
Experte
Beiträge: 326
Registriert: 24.11.2021, 12:56
Wohnort: Wesseling

C4 Capstan-Motor - Eine erweiterte Diagnose

#1 Beitrag von tommi » 27.11.2025, 16:30

Hallo zusammen,

ein weiteres C4-Tapedeck steht auf meinem Arbeitstisch. Hier hat der Capstan-Motor einen Lagerschaden und die Welle ist sehr schwergängig.
Beim hin- und herdrehen hört (und spürt) man ein deutliches Knirschen aus dem inneren des Gehäuses. Neugierig wie ich bin, gehts ans Zerlegen.
Vielleicht auch für Euch ganz spannend zu sehen, was mit den Motoren im Laufe der Zeit so passiert.
    IMG_7797.JPG
      Der Controller ist deutlich zu heiß geworden.
      IMG_7800.JPG
        IMG_7801.JPG
          IMG_7803.JPG
            Die rechte Bürstenseite ist kürzer als die andere und reicht nicht mehr vollständig über den Kommutator drüber weg. Das Knirschen beim hin- und herbewegen kam genau davon.
            IMG_7804.JPG
              Das Gehäuseinnere sieht lecker aus. Der Motor hat sich regelrecht in seine Bestandteile zerlegt.
              IMG_7806.JPG
                Der Kommutator wurde von den Bürsten, aufgrund des harten Dauereinsatzes, komplett zerstört.
                IMG_7808.JPG
                  Ich habe nun mal ein paar neue Motoren mit den gleichen Werten bestellt. Bin gespannt, ob die passen.

                  VG
                  Thomas

                  lars wei
                  Foren-As
                  Foren-As
                  Beiträge: 129
                  Registriert: 07.03.2022, 15:44
                  Wohnort: Ennepetal

                  Re: C4 Capstan-Motor - Eine erweiterte Diagnose

                  #2 Beitrag von lars wei » 28.11.2025, 10:46

                  Hallo Thomas.
                  Hättest du den Motor typ mal für mich?
                  Ich würde mir auch mal Ersatz beiseite legen.
                  LG
                  Lars
                  Wer alles auf einmal erledigt, zerstört nur alles auf einmal!

                  Bei obigem Beitrag handelt es sich um meine private Meinung.
                  Rechtsansprüche dürfen aus deren Anwendung nicht abgeleitet werden.

                  Benutzeravatar
                  tommi
                  Experte
                  Experte
                  Beiträge: 326
                  Registriert: 24.11.2021, 12:56
                  Wohnort: Wesseling

                  Re: C4 Capstan-Motor - Eine erweiterte Diagnose

                  #3 Beitrag von tommi » 28.11.2025, 11:32

                  Hallo Lars,

                  kein Thema. Der Motor hat folgende Bezeichnung: EG-530AD-6F / 6VDC - 2400 Umdrehungen - CW (für rechtsdrehend)
                  Dann bestelle mal bitte über Deine Quellen und später könnten wir dann vergleichen, falls ein Motortyp eines Lieferanten als Ersatzteil nicht in Frage kommt.

                  VG
                  Thomas

                  Benutzeravatar
                  mad max
                  Routinier
                  Routinier
                  Beiträge: 183
                  Registriert: 17.04.2019, 16:44
                  Wohnort: Rodgau

                  Re: C4 Capstan-Motor - Eine erweiterte Diagnose

                  #4 Beitrag von mad max » 28.11.2025, 13:51

                  Hallo Tommi,

                  wie wurde denn dieser Motor in der C4 angeschlossen? Es ist nicht der originale Motor.

                  Der originale Motor sieht zerlegt so aus:
                  Bild

                  An der Platine (Bauteil 2 von links) fehlt ein Stück Platine (die Anschlüsse). Batueile 3 und 4 dienen zur Bestimmung und Einhaltung der Drehzahl.

                  Auf dem folgenden Bild sieht man den Motor eingebaut.
                  Bild

                  Rechts am Motor das fehlende Platinenstück.

                  Die Steuerplatine ist eine dreieckige Platine auf der Slider Unterseite.

                  Gruß Markus

                  PS: den originalen Motor gibt es nicht mehr. Ich habe auch bislang keine Daten im Netz dazu gefunden.
                  Jeden Tag habe ich ein Grinsen im Gesicht, wenn ich meine Atelier sehe und nutze.

                  Benutzeravatar
                  tommi
                  Experte
                  Experte
                  Beiträge: 326
                  Registriert: 24.11.2021, 12:56
                  Wohnort: Wesseling

                  Re: C4 Capstan-Motor - Eine erweiterte Diagnose

                  #5 Beitrag von tommi » 28.11.2025, 15:01

                  Hallo Markus,

                  das ist interessant. Ich hatte bei dem Motor schon so ein Gefühl, das es nicht der Originale sein könnte. Aber wenn er als Ersatz läuft.
                  Ich schaue später mal nach, wie er genau angeschlossen war. Bin gerade nicht in der Werkstatt.

                  VG
                  Thomas

                  Benutzeravatar
                  tommi
                  Experte
                  Experte
                  Beiträge: 326
                  Registriert: 24.11.2021, 12:56
                  Wohnort: Wesseling

                  Re: C4 Capstan-Motor - Eine erweiterte Diagnose

                  #6 Beitrag von tommi » 28.11.2025, 18:00

                  Sieht tatsächlich so aus, als wäre dieser irgendwann mal neu eingebaut worden. Die gelbe und blaue Leitung (mutmaßlich Drehzahlsignal) wurde gekappt.
                  IMG_7811.JPG
                  IMG_7813.JPG
                    Angeschlossen an (+ Rot) und (- Minus) des Austauschmotors.
                    IMG_7792.JPG
                      Kommando zurück. Die komplette Motor-Steuerungsplatine wurde hier entfernt.

                      VG
                      Thomas

                      Benutzeravatar
                      tommi
                      Experte
                      Experte
                      Beiträge: 326
                      Registriert: 24.11.2021, 12:56
                      Wohnort: Wesseling

                      Re: C4 Capstan-Motor - Eine erweiterte Diagnose

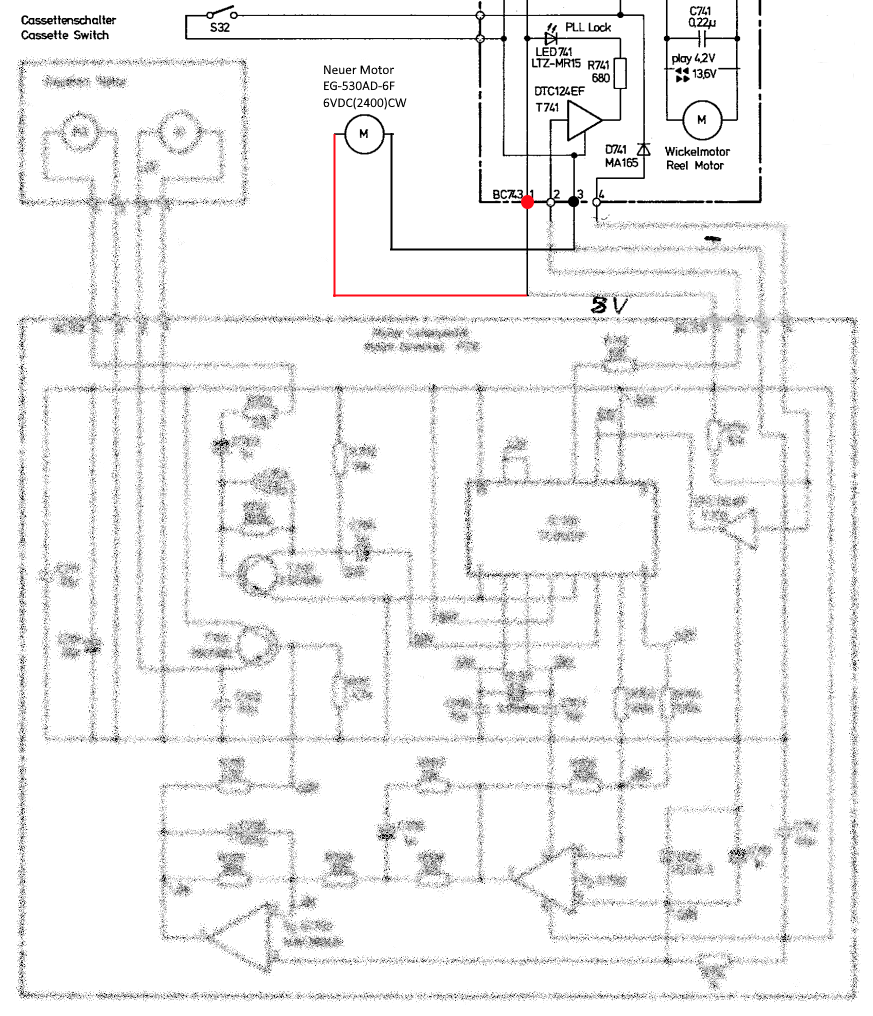
                      #7 Beitrag von tommi » 01.12.2025, 13:48

                      Hallo zusammen,

                      ich habe den Schaltplan jetzt mal ein wenig modifiziert, um zu zeigen, wie hier genau vorgegangen wurde.
                      Die dreieckige Platine für die Capstan-Regelung (unterer Bereich) wurde komplett entfernt. Dann wurde die 8V/GND an der Wickelmotorplatine direkt für den neuen Motor abgegriffen.

                      Was mich schon ein wenig wundert ist, das im Schaltplan bereits die 8V/GND von irgendjemandem eingezeichnet wurde.
                      Vielleicht auch schon damals ein gängiger Weg, den Motor gegen ein anderes Modell auszutauschen? Man weiß es nicht, man weiß es nicht. :tt:
                        C4-Capstan-Motor-Austausch.png
                        VG
                        Thomas

                        Benutzeravatar
                        mad max
                        Routinier
                        Routinier
                        Beiträge: 183
                        Registriert: 17.04.2019, 16:44
                        Wohnort: Rodgau

                        Re: C4 Capstan-Motor - Eine erweiterte Diagnose

                        #8 Beitrag von mad max » 01.12.2025, 17:15

                        Hallo Tommi,

                        das ist ja mal eine interessante Variante. Eine Hifi Werkstadt in Berlin hat mir nach langem Drängen eine Kurzanleitung gegeben. Am Spannungswandler T319 (8V) wurde die Spannung abgegriffen. Verbaut wurde aber ein 9V Motor und nicht en 6V Motor. Daher auch die durchgebrannte Platine bei dir. Man hatte sich dann eine Referenz-Kassette mit einem 1kHz Ton erstellt und mit der wurde dann der Motor eingestellt. Das musste dann im Abstand von mehreren Tagen und Durchläufe immer wiederholt werden. Nachteil dieser Lösung, der Motor läuft immer. Auch ohne Kassette.

                        Ich habe mehrere C4’s mit defektem Capstan Motor und suche schon seit Jahren nach einer vernünftigen Lösung. Leider habe ich noch keinen passenden Motor gefunden, der eine HAL oder ähnliches nach außen geführt hat. Die Steuerung wäre dann realisierbar. Die meisten Motoren sind zu Hoch oder zu groß im Durchmesser.

                        Auch die Chinesen haben nichts Passendes. Sollte jemand zufällig was passendes haben, würde ich mich im die Anpassung der Steuerung kümmern.

                        Gruß Markus
                        Jeden Tag habe ich ein Grinsen im Gesicht, wenn ich meine Atelier sehe und nutze.

                        Benutzeravatar
                        tommi
                        Experte
                        Experte
                        Beiträge: 326
                        Registriert: 24.11.2021, 12:56
                        Wohnort: Wesseling

                        Re: C4 Capstan-Motor - Eine erweiterte Diagnose

                        #9 Beitrag von tommi » 01.12.2025, 17:58

                        Hallo Markus,

                        ich würde die Ursache des "abgebrannten" ICs nicht unbedingt daran festmachen, das er anstatt 6Volt 8 bekommen hat. Wenn Du Dir das Datenblatt des ICs mal genauer anschaust, dann verträgt es bis zu 16V Eingangsspannung. Daran kann es also nicht gelegen haben. Ich vermute eher, das der Motor, aufgrund des Dauerlaufs, irgendwann einen Lagerschaden bekommen hat, dadurch schwerer lief und die daraus resultierenden hohen Ströme schlussendlich zum Exitus aller Komponenten geführt haben. Ich würde diesem Motor durchaus eine Chance geben.

                        Edit: Und eine Steuerung über den S32 sollte ja recht schnell zu realisieren sein, so dass er wieder nur dann anläuft, wenn eine Kassette eingelegt ist.

                        VG
                        Thomas

                        Benutzeravatar
                        mad max
                        Routinier
                        Routinier
                        Beiträge: 183
                        Registriert: 17.04.2019, 16:44
                        Wohnort: Rodgau

                        Re: C4 Capstan-Motor - Eine erweiterte Diagnose

                        #10 Beitrag von mad max » 01.12.2025, 22:28

                        Hallo Tommi,

                        Jep, ich gebe dir Recht.

                        Gruß Markus
                        Jeden Tag habe ich ein Grinsen im Gesicht, wenn ich meine Atelier sehe und nutze.

                        Benutzeravatar
                        tommi
                        Experte
                        Experte
                        Beiträge: 326
                        Registriert: 24.11.2021, 12:56
                        Wohnort: Wesseling

                        Re: C4 Capstan-Motor - Eine erweiterte Diagnose

                        #11 Beitrag von tommi » 02.12.2025, 17:26

                        mad max hat geschrieben: 01.12.2025, 17:15 Eine Hifi Werkstadt in Berlin hat mir nach langem Drängen eine Kurzanleitung gegeben. Am Spannungswandler T319 (8V) wurde die Spannung abgegriffen
                        Übrigens wurde das hier an dem C4 mit dem Austauschmotor auf meinem Tisch genauso gemacht.
                        Die 8 Volt Ausgangsspannung des T319 auf der Verstärkerplatine (unteres PCB; rechte Gehäuseseite) führt über den Connector BC501 (Pin4) zum Control PCB der Slider-Unit.
                        Von dort geht es zum Connector CN502 (Pin3) und dann weiter über eine Kabelbrücke zum Connector BC741 der Wickelmotor-Platine.
                        Schlussendlich liegen die 8 Volt dann am Connector BC743 (Pin1) an, zur Weiterleitung an die Capstan Motorsteuerplatine, welche aktuell bei mir ja nicht mehr existiert.
                        mad max hat geschrieben: 01.12.2025, 17:15 Man hatte sich dann eine Referenz-Kassette mit einem 1kHz Ton erstellt und mit der wurde dann der Motor eingestellt
                        Solche Referenzkassetten zum Einmessen von Tapedecks habe ich hier. Das würde ich dann ganz genauso durchführen.
                        mad max hat geschrieben: 01.12.2025, 17:15 Das musste dann im Abstand von mehreren Tagen und Durchläufe immer wiederholt werden
                        Warum das allerdings mehrere Tage lang gemacht werden muss, ist mir nicht ganz klar. Das Tapedeck sollte eine gewisse Betriebstemperatur haben, ja. Erst dann ein paar Messungen hintereinander durchführen.
                        Davor sollte das Laufwerk komplett gereinigt, geölt und neu gefettet werden. Mehrere Tage halte ich für Quatsch.

                        VG
                        Thomas

                        Benutzeravatar
                        tommi
                        Experte
                        Experte
                        Beiträge: 326
                        Registriert: 24.11.2021, 12:56
                        Wohnort: Wesseling

                        Re: C4 Capstan-Motor - Eine erweiterte Diagnose

                        #12 Beitrag von tommi » 02.12.2025, 21:17

                        mad max hat geschrieben: 28.11.2025, 13:51PS: den originalen Motor gibt es nicht mehr. Ich habe auch bislang keine Daten im Netz dazu gefunden.
                        Der Hersteller ist Matsushita, so viel steht schon mal fest.

                        VG
                        Thomas

                        Litton72
                        Experte
                        Experte
                        Beiträge: 344
                        Registriert: 30.07.2019, 17:07
                        Wohnort: 51491 Overath

                        Re: C4 Capstan-Motor - Eine erweiterte Diagnose

                        #13 Beitrag von Litton72 » 02.12.2025, 21:22

                        Hallo allerseits,
                        ich schlage mich gerade mit einem LG-Cassetten Laufwerk herum, in dem ein Mabuchi EG-530AD-9B Motor verbaut ist.
                        Das Deck läuft mit 9V Betriebsspannung.
                        Zu dem Motor konnte ich folgendes herausfinden:

                        - Die Betriebsdaten des Motors sind keineswegs so großzügig bemessen, wie das Datenblstt des Steuer- ICs vermuten lässt.

                        Bild

                        - Mabuchi stellt diese Motore nicht mehr her, es soll aber noch viel NOS- Reserven geben.
                        - Man nehme sich vor Billig- Nachbauten in acht, die haben - wie in anderen Foren zu lesen ist - nicht nur oft Probleme mit den Lagern und mechanischen Laufgeräuschen sondern stören auch massiv in die Elektronik ein.
                        Das erklärt mir auch, warum in meinem Laufwerk ein eigener 9V Regler (7809) nur für den Motor vorhanden ist, während der ganze Rest der Elektronik von einem zweiten 7809 versorgt wird.
                        Siehe hier:
                        tonbandforum.de/showthread.php?tid=21091
                        (möglicherweise muss man sich dort anmelden)

                        Was das C4 betrifft:
                        nach meinen Recherchen würde ich den Umbau so vornehmen, wie es hier schon beschrieben wurde.
                        Der Motor sollte ein 530AD9F (für 9V Spannung) sein.

                        wagneronline.com.au/product/mabuchi-eg530ad-series-2263

                        Eine Abschaltung des Motors über S32 ist nicht so einfach zu bewerkstelligen, da der Schalter nicht nur den Motor schaltet sondern auch noch Port 45 (DLL) von IC502 belegt.
                        Was aber nicht bedeutet, dass es unmöglich ist, den Motor zu schalten.

                        Viele Grüße
                        Hajo
                        R4/CC4 triple F (fit for future) https://tinyurl.com/2bay9e9k

                        Benutzeravatar
                        tommi
                        Experte
                        Experte
                        Beiträge: 326
                        Registriert: 24.11.2021, 12:56
                        Wohnort: Wesseling

                        Re: C4 Capstan-Motor - Eine erweiterte Diagnose

                        #14 Beitrag von tommi » 02.12.2025, 21:58

                        Ich habe zusätzlich noch einen Original Mabuchi Motor in der 9V Variante bestellt. Damit werde ich auch testen. Der sollte, von den Lagern her, auch etwas länger halten.

                        VG
                        Thomas

                        Benutzeravatar
                        mad max
                        Routinier
                        Routinier
                        Beiträge: 183
                        Registriert: 17.04.2019, 16:44
                        Wohnort: Rodgau

                        Re: C4 Capstan-Motor - Eine erweiterte Diagnose

                        #15 Beitrag von mad max » 02.12.2025, 22:27

                        Da ließe sich doch sicherlich eine kleine Schaltung zaubern, um C32 zu nutzen. Platz für eine Platine ist ja da.

                        Gruß Markus
                        Jeden Tag habe ich ein Grinsen im Gesicht, wenn ich meine Atelier sehe und nutze.

                        Benutzeravatar
                        tommi
                        Experte
                        Experte
                        Beiträge: 326
                        Registriert: 24.11.2021, 12:56
                        Wohnort: Wesseling

                        Re: C4 Capstan-Motor - Eine erweiterte Diagnose

                        #16 Beitrag von tommi » 03.12.2025, 07:35

                        Moin,

                        soll es ganz simpel sein, so würde ich über den S32 ein Printrelais mit zwei Wechslern schalten. Auf der einen Seite die bisherige Schaltung (DLL) mit anschließen, auf der anderen Seite den Motor mit ansteuern. Beide Seiten sind voneinander entkoppelt und stören sich nicht.
                        Klar, man könnte dies natürlich auch rein elektronisch realisieren. Evtl. mit Optokoppler.

                        VG
                        Thomas

                        Antworten