Hallo,
ich hatte meinen T2 schon lange in Betrieb. Was mir aber erst jetzt auffiel, war ein leichtes Brummen bei Benutzung der Stationstasten. Sobald die Sender mit dem "tuning" - Knopf gewählt wurden, war kein Brummen mehr vernehmbar. Das Ganze ließ sich immer wieder provozieren. Der gleiche Sender mit Stationstaten angewählt: leichtes Brummen in den Musik/Sprech-Pausen. Umschalten mit dem Senderwahlknopf: kein Brummen mehr. Der Verdacht fällt als erstes natürlich auf das Netzteil. Die Gleichrichterdioden waren aber alle in Ordnung. Die Sieb-Elkos im Netzteil wurden vorsichtshalber alle erneuert. Das Problem jedoch blieb. Ich konnte aber damit leben, weil ich ja wusste, wie das abzustellen war.
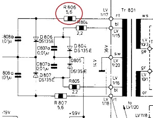
Nun hatte ich einen zweiten T2 in den Fingern, bei dem dieses Phänomen nicht auftrat. Das reizte mich nun, beide zu öffnen und Vergleichsmessungen durchzuführen. Die Messung der Spannungen brachten keinen Aufschluss. Erst jetzt fiel mir aber auf, dass einer der Sicherungswiderstände (R806 - 5,6 Ohm) keinen Durchgang hatte. Damit war der Fehler gefunden. Nach Auswechselung war das Brummphänomen verschwunden. Interessant ist aber, dass der Tuner damit bis auf das geringe Brummen einwandfrei lief. Es fehlte ja die komplette Halbwelle der Netzspannung.
Wie schon in einigen anderen Beiträgen zu lesen war, scheinen diese Widerstände anfällig zu sein, wie auch hier. Bei ähnlichen Problemen lohnt es sich also, zunächst diese Widerstände zu überprüfen.
Gruß Udo
T2 - Sicherungswiderstände
T2 - Sicherungswiderstände
- Dateianhänge
-
- Netzteil T2
- Sicherungs-Widerstände.jpg (52.54 KiB) 2705 mal betrachtet
Re: T2 - Sicherungswiderstände
Hallo Udo,
vielen Dank für den Hinweis!
Spannend, da muß man erst mal drauf kommen.
LG
Claus
vielen Dank für den Hinweis!
Spannend, da muß man erst mal drauf kommen.
LG
Claus

