Netzschalter + Haltewinkel

Hier kann jedes nicht gewerbliche Forumsmitglied seine sämtlichen Ersatzteile für alle Braun-Geräte anbieten.
Nachricht
Autor
Dennis
Neuling
Neuling
Beiträge: 8
Registriert: 13.02.2012, 11:18
Wohnort: Düsseldorf

Netzschalter + Haltewinkel

#1 Beitrag von Dennis » 14.02.2012, 18:22

Hallo,

Ich habe aus einer Mindestbestellmenge einige Netzschalter vom Typ NE1839EE ITT/Schadow/C&K abzugeben. Hier die Kurzdaten:
- zweipoliger AC Schalter (NO)
- zweipoliger Umschalter
- Unterseite mit Lötstiften
- Oberseite mit Lötösen

Sowie einen passenden Haltewinkel:
- mit zwei 3 mm Bohrungen
- Lochabstand: 20 mm (Standard ist 18 mm)

Könnte dieser Typ für einige Braun Geräte interessant sein ?

Grüße
Dennis

Benutzeravatar
roland
Administrator
Administrator
Beiträge: 951
Registriert: 12.02.2010, 15:26
Wohnort: 72119 ammerbuch / ex-aachener
Kontaktdaten:

#2 Beitrag von roland » 14.02.2012, 18:28

hallo dennis,

:willkommen: in der "braungemeinde", ich habe deinen beitrag in der regie-kategorie gelöscht...denn dein neuer beitrag ist jetzt genau richtig :wink:
herzlichen gruß

roland

________________________________________
carum est quod rarum est et veri amici rari sunt.
absolvo te

Dennis
Neuling
Neuling
Beiträge: 8
Registriert: 13.02.2012, 11:18
Wohnort: Düsseldorf

#3 Beitrag von Dennis » 14.02.2012, 18:40

Hallo Roland,

Danke. Ich muß mich erst einmal zurechtfinden und besser erst einmal etwas einlesen.


Grüße
Dennis

Dennis
Neuling
Neuling
Beiträge: 8
Registriert: 13.02.2012, 11:18
Wohnort: Düsseldorf

#4 Beitrag von Dennis » 15.02.2012, 08:27

Hallo,

Hier ein Foto von dem Schalter.Bild
Grüße
Dennis

Benutzeravatar
Uli
Braun-Insider
Braun-Insider
Beiträge: 4452
Registriert: 13.09.2009, 14:35
Wohnort: Bielefeld

#5 Beitrag von Uli » 15.02.2012, 08:38

Moin!

der könnte sogar im A1/A2 & R2 passen...
Schade, passt doch nicht:
Bild

Falls Du mal soetwas siehst... da würden Dir viele die Füße küssen!

Gruß... Uli

Benutzeravatar
Rainer Hebermehl
Lautsprecher-Profi
Lautsprecher-Profi
Beiträge: 1236
Registriert: 29.06.2009, 13:55
Wohnort: Ronneburg

#6 Beitrag von Rainer Hebermehl » 15.02.2012, 09:26

Er könnte als Netzschalter für PC1 und die gesamte PS550er Serie passen.
Gruß
Heb
Aus dem Radio steigt der Rauch - Soll er auch.

Benutzeravatar
Fiasko
Braun-Freak
Braun-Freak
Beiträge: 974
Registriert: 16.02.2010, 14:35
Wohnort: 51381 Leverkusen

#7 Beitrag von Fiasko » 15.02.2012, 09:32

und mit Modifikationen auch für einige Regie Geräte???

http://www.braun-hifi-forum.de/viewtopi ... tzschalter

Jochen

p.s. Hast ne PN
Es war gut und reichlich - es hätte besser und mehr sein können!
Braun HiFi - Rasierer - Küchenmaschinen - Föns - Uhren

Benutzeravatar
Rainer Hebermehl
Lautsprecher-Profi
Lautsprecher-Profi
Beiträge: 1236
Registriert: 29.06.2009, 13:55
Wohnort: Ronneburg

#8 Beitrag von Rainer Hebermehl » 15.02.2012, 10:45

Hallo Jochen, da mußt du viel modifizieren. Bei PC1 und PS brauchst du nur den Haltebügel umzuwechseln. Bei den regiegeräten paßt nix. Da ist Erfindergeist gefordert.
Gruß
Heb
Aus dem Radio steigt der Rauch - Soll er auch.

Dennis
Neuling
Neuling
Beiträge: 8
Registriert: 13.02.2012, 11:18
Wohnort: Düsseldorf

#9 Beitrag von Dennis » 15.02.2012, 17:02

Hallo,

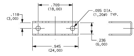
Hier noch ein Foto vom Haltewinkel.

Bild

Breite: 28 mm
Höhe: 10,5 mm
Tiefe: 7 mm
Lochabstand: 20 mm
Je 3 mm Gewindebohrung
Grüße
Dennis

Benutzeravatar
Rainer Hebermehl
Lautsprecher-Profi
Lautsprecher-Profi
Beiträge: 1236
Registriert: 29.06.2009, 13:55
Wohnort: Ronneburg

#10 Beitrag von Rainer Hebermehl » 15.02.2012, 18:45

Hallo Dennis,
paßt für PC1 und PS 550. Allenfalls 2 Bohrungen in die Stirnseite des Haltebügels.
Das Bild hat's gebracht.
Grüße
Heb
Aus dem Radio steigt der Rauch - Soll er auch.

Benutzeravatar
Fiasko
Braun-Freak
Braun-Freak
Beiträge: 974
Registriert: 16.02.2010, 14:35
Wohnort: 51381 Leverkusen

#11 Beitrag von Fiasko » 15.02.2012, 18:58

So, 3 Stück bestellt.

Jochen
Es war gut und reichlich - es hätte besser und mehr sein können!
Braun HiFi - Rasierer - Küchenmaschinen - Föns - Uhren

Dennis
Neuling
Neuling
Beiträge: 8
Registriert: 13.02.2012, 11:18
Wohnort: Düsseldorf

Netzschalter

#12 Beitrag von Dennis » 25.02.2012, 12:01

Hallo,

Die Bezeichnung des Schalters lautet nicht NE1839EE, sondern NE1851EE.

Den Schalter gebe ich für 5,50 € + Versand ab.
Grüße
Dennis

Benutzeravatar
Paparierer
Moderator
Moderator
Beiträge: 2800
Registriert: 28.12.2010, 15:36
Wohnort: 85077 Manching

#13 Beitrag von Paparierer » 26.02.2012, 19:00

Uli hat geschrieben:Moin!

der könnte sogar im A1/A2 & R2 passen...
Schade, passt doch nicht:
Bild

Falls Du mal soetwas siehst... da würden Dir viele die Füße küssen!

Gruß... Uli
Würden diese passen?
http://cgi.ebay.de/ws/eBayISAPI.dll?Vie ... IF:DE:1123

Der versendet weltweit, 10 Stück kosten mit Versand nach Deutschland ca. 6,57€. das wäre schon arg cool, wenn die passen, nicht wahr?

Gruß, Gereon
_______________________________
meistens ist es was mechanisches...
_______________________________
„Audiophile verwenden ihre Geräte nicht, um Ihre Musik zu hören.
Audiophile verwenden Ihre Musik, um ihre Geräte zu hören.“

Alan Parsons

Benutzeravatar
Paparierer
Moderator
Moderator
Beiträge: 2800
Registriert: 28.12.2010, 15:36
Wohnort: 85077 Manching

Schalter für A1/A2/R2

#14 Beitrag von Paparierer » 26.02.2012, 19:57

Also: Ich hab jetzt mal einen Pack bestellt und werde Euch informieren, ob die passen. Gruß, Gereon
_______________________________
meistens ist es was mechanisches...
_______________________________
„Audiophile verwenden ihre Geräte nicht, um Ihre Musik zu hören.
Audiophile verwenden Ihre Musik, um ihre Geräte zu hören.“

Alan Parsons

Dennis
Neuling
Neuling
Beiträge: 8
Registriert: 13.02.2012, 11:18
Wohnort: Düsseldorf

Schalter

#15 Beitrag von Dennis » 17.04.2012, 09:45

Hallo,

Was ist denn aus den Schaltern geworden ?
Grüße
Dennis

Benutzeravatar
eleflo
Foren-As
Foren-As
Beiträge: 109
Registriert: 17.11.2011, 23:50
Wohnort: Stuttgart
Kontaktdaten:

#16 Beitrag von eleflo » 17.04.2012, 16:19

Würde mich auch interessieren, dann kann ich probieren, ob ich den in meinen CEV 510 eingebaut bekomme.

Benutzeravatar
Paparierer
Moderator
Moderator
Beiträge: 2800
Registriert: 28.12.2010, 15:36
Wohnort: 85077 Manching

#17 Beitrag von Paparierer » 17.04.2012, 18:30

Moin.
Sorry, vergessen zu sagen, die Schalter sind natürlich längst da. Optisch / von den Abmessungen sieht das so aus als ob es passt, nur wollte ich keinen meiner (gut) funktionierenden A1/A2 auseinandernehmen um es auszuprobieren. Zwei habe ich verschenkt, zwei/drei behalte ich selbst, die restlichen fünfe bringe ich zur Börse mit, falls jemand es versuchen will. Wie gesagt, 0,67€/Stück... :wink:

Bild

Gruß, Gereon
_______________________________
meistens ist es was mechanisches...
_______________________________
„Audiophile verwenden ihre Geräte nicht, um Ihre Musik zu hören.
Audiophile verwenden Ihre Musik, um ihre Geräte zu hören.“

Alan Parsons

Benutzeravatar
Uli
Braun-Insider
Braun-Insider
Beiträge: 4452
Registriert: 13.09.2009, 14:35
Wohnort: Bielefeld

#18 Beitrag von Uli » 17.04.2012, 21:39

Hi!

Gereon hatte mir 2 Der Schalter überlassen, vielen Dank nochmals!

Ich habe gerade mal geschaut, die Schalter passen vom Rastermaß nur für die Raum1 & 2 Umschaltung (S601 & S602) beim A1, R1, R2 & A2 sonst leider nirgens, die Pinbelegung habe ich jetzt nicht kontrolliert, sollte aber vor Einbau geprüft werden.
Leider sind diese Schalter selten kaputt da sie so gut wie nie benutzt werden.

Bild
Wie am Rastermaß der in der Servicedoku gezeigten Platinen zu erkennen ist, haben S901 bis S905 RM2,5 und haben 6 Pins. Gereons Buchtfang leider RM5 und 12Pins so kann man sie auch nicht anpassen da sie nicht auf die Platine passen.

Leider kann man die Schalter auch nur bedingt empfehlen da die Kontakte über die Jahre und schlechter Lagerung (waren nicht Vakuumverschweißt) alle angelaufen sind. Man müsste sie vor dem Verarbeiten erst demontieren und Ultraschallreinigen damit sie wieder ordentlich Ihren Dienst verrichten könnten.

Ob sie Verwendung in Schuhkartons finden könnten kann ich nicht sagen... vielleicht macht Ihr mal Heinrich (Henry2) auf diesen Thread aufmerksam, er hat dafür die nötige Erfahrung!

Gruß... Uli

Benutzeravatar
eleflo
Foren-As
Foren-As
Beiträge: 109
Registriert: 17.11.2011, 23:50
Wohnort: Stuttgart
Kontaktdaten:

#19 Beitrag von eleflo » 17.04.2012, 22:26

Ups... ich war noch an dem Kombischalter von Seite 1, also dem NE1851EE

lisafly

Re: Netzschalter + Haltewinkel

#20 Beitrag von lisafly » 08.09.2014, 13:07

Hallo Dennis,

falls Du noch Schalter hast (NE1851EE) würde ich dir gerne welche abkaufen.

Ich hab mal die Adresse raus genommen.
Muss ja nicht die halbe Welt kennen :wink:
Kontakt ist per PN möglich.
Viele Grüße
Thomas


Bitte die Bankverbindung und den Gesamtpreis, würde 3 Stück benötigen.
Falls keine mehr vorhanden könntest Du mir die Bezugsadresse mitteilen.

Danke Hartmut

Benutzeravatar
Uli
Braun-Insider
Braun-Insider
Beiträge: 4452
Registriert: 13.09.2009, 14:35
Wohnort: Bielefeld

Re: Netzschalter + Haltewinkel

#21 Beitrag von Uli » 27.02.2016, 19:56

Moin!

Gerade gefunden, das könnte die Ersetzung auf den alten Powerschalter für Regie 510-550(d) sein.
Hier das Bild von oben aus dem Beitrag:
Bild
Hier die Datenkarte als PDF zum download: klick mich!
Das Halteblech müsste angepasst werden, beim 550d sind die Haltebohrungen 14mm auseinander, hier eine Maßzeichnung aus dem hier genannten Data Sheet:
Blech.PNG
Blech.PNG (8.1 KiB) 20382 mal betrachtet
Es gibt die Schalterbleche auch geschlossen zu kaufen so das man die richtigen Bohrungen selbst vornehmen muss, dann passte es aber auch!
Alternativ stehen noch Schalter der Firma Preh auf dem Programm.
Von Preh hab ich schon welche da, leider hackt er sehr und rastet nicht immer ein, die Druckhaptik kann aber eher überzeugen! :?
Für 510-520 Regienutzer gibt es vielleicht auch einen zusätzlichen 2x Umschalter im Web... die Spec's müsst ihr selbst rausfinden!
Alps hat leider keine Netzschalter mit zusätlichen UM Schaltern im Angebot, gerne lasse ich mich aber eines besseren belehren!
Nun braucht man nur einen Druckknopf, hier musste eine alte Kappe vom Atelier herhalten und passte perfekt.

Gruß... Uli

@Thomas.: kannst Du das aktuelle Thema und diesen vielleicht zusammenfügen? Auch kann man wohl nur 2 Bilder hier einfügen, ist das nicht ein bisschen wenig?

Benutzeravatar
Uli
Braun-Insider
Braun-Insider
Beiträge: 4452
Registriert: 13.09.2009, 14:35
Wohnort: Bielefeld

Re: Netzschalter + Haltewinkel

#22 Beitrag von Uli » 27.02.2016, 20:00

In einem weiteren Beitrag wollte ich noch die Schalter alle zeigen:
Das Kontingent für Dateianhänge ist bereits vollständig ausgenutzt.
Dabei hatte ich noch kein Bild angehängt!? :?
Uli

edit p1i:
Schalter.jpg

Dennis
Neuling
Neuling
Beiträge: 8
Registriert: 13.02.2012, 11:18
Wohnort: Düsseldorf

Re: Netzschalter + Haltewinkel

#23 Beitrag von Dennis » 27.02.2016, 21:34

Hallo,

wie ist es mit diesem Netzschalter:

http://www.ebay.de/itm/262304086296?ssP ... 1436.l2649" onclick="window.open(this.href);return false;

Schönes Wochenende
Grüße
Dennis

Benutzeravatar
Uli
Braun-Insider
Braun-Insider
Beiträge: 4452
Registriert: 13.09.2009, 14:35
Wohnort: Bielefeld

Re: Netzschalter + Haltewinkel

#24 Beitrag von Uli » 27.02.2016, 22:05

nicht schlecht aber auch nicht ganz billig, es ist auch ein Schadow!

Gruß... Uli

Benutzeravatar
v/d/b
Braun-Insider
Braun-Insider
Beiträge: 2767
Registriert: 13.01.2009, 18:37
Kontaktdaten:

Re: Netzschalter + Haltewinkel

#25 Beitrag von v/d/b » 28.02.2016, 11:07

Moin Uli,
das Problem mit dem Dateikontingent sollte behoben sein (siehe auch PN).
Zusammenlegen der beiden Threads fände ich nicht gut. Das wird dann zu unübersichtlich.

Viele Grüße
Thomas

Dennis
Neuling
Neuling
Beiträge: 8
Registriert: 13.02.2012, 11:18
Wohnort: Düsseldorf

Re: Netzschalter + Haltewinkel

#26 Beitrag von Dennis » 28.02.2016, 11:52

Hallo,

der Schalter ist von Alps und hat zwei DC Umschalter. Dieser kann mit seinem Haltewinkel in sehr viele Gerätetypen eingesetzt werden, u.a.: Saba MI212, MI215, MD292 und MT201.
Grüße
Dennis

Benutzeravatar
Rainer Hebermehl
Lautsprecher-Profi
Lautsprecher-Profi
Beiträge: 1236
Registriert: 29.06.2009, 13:55
Wohnort: Ronneburg

Re: Netzschalter + Haltewinkel

#27 Beitrag von Rainer Hebermehl » 03.03.2016, 13:19

Da wir so schön bei Netzschaltern sind :
Es ist schon zu lange her, zu welchem Gerät gehört dieser Netzschalter ? ? ?

Gruß
Rainer
Dateianhänge
Schalter 2.jpg
Aus dem Radio steigt der Rauch - Soll er auch.

Benutzeravatar
Wilhelm
Braun-Freak
Braun-Freak
Beiträge: 857
Registriert: 19.01.2009, 03:06
Wohnort: Mount Forest, Kanada

Re: Netzschalter + Haltewinkel

#28 Beitrag von Wilhelm » 03.03.2016, 14:22

Hallo Rainer,
Netzschalter CSV1000 und CE1000.

Gruss
Wilhelm

(suche auch noch einen)

Benutzeravatar
raimund54
Braun-Insider
Braun-Insider
Beiträge: 1680
Registriert: 03.01.2009, 20:23
Wohnort: 64295 Darmstadt

Re: Netzschalter + Haltewinkel

#29 Beitrag von raimund54 » 03.03.2016, 15:44

Hallo Wilhelm,

was suchst Du? Den Netzschalter oder die Geräte CSV/CE 1000? Mit dem Netzschalter kann ich weiterhelfen, einen originalen unbenutzt habe ich noch.

Liebe Grüße,

Raimund

Benutzeravatar
Wilhelm
Braun-Freak
Braun-Freak
Beiträge: 857
Registriert: 19.01.2009, 03:06
Wohnort: Mount Forest, Kanada

Re: Netzschalter + Haltewinkel

#30 Beitrag von Wilhelm » 03.03.2016, 15:56

Hallo Raimund,
ich suche nur den Netzschalter. Bei meinem CSV1000 rastet der Schalter nicht immer ein, er wird sich bald verabschieden.

Vielen Dank noch fuer Dein freundliches Angebot, alles weitere per PN.

Gruss
Wilhelm

Antworten