Als Max Braun noch keine TELEFUNKEN - LIZENZ zum Bau von Radiogeräten hatte tat er sich mit Carl Sevece zusammen. Von ihm übernahm er dann diese Lizenz.
Sonst hätte es wohl später kein Braun - Hifi gegeben.
Aus der " Mottenkiste"
- Rainer Hebermehl
- Lautsprecher-Profi

- Beiträge: 1236
- Registriert: 29.06.2009, 13:55
- Wohnort: Ronneburg
Re: Aus der " Mottenkiste"
Hallo Rainer,
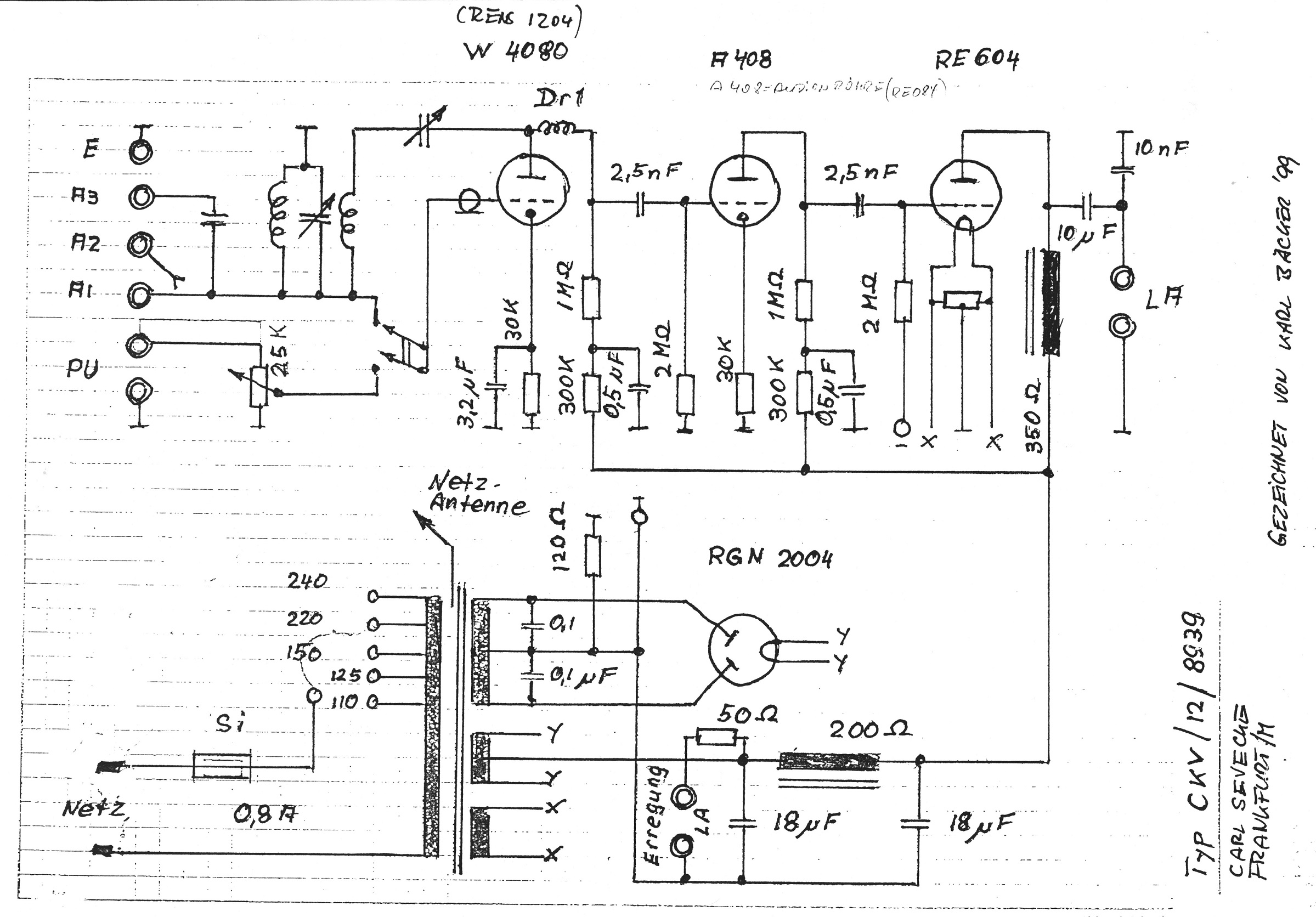
das ist aber ein schöner Rückkopplungs-Audionempfänger. Ganz klassische Einkreiser-Schaltung mit 3 Trioden zum Empfang lediglich eines Wellenbereichs. Anfang 1930er Jahre? Beim Anschauen der Schaltung werde ich total an meine frühe Bastel-Ära als Junge erinnert. Außerdem freut es einem heute um so mehr, wenn man dabei erfährt, dass es sich hierbei um einen Vorläufer der Atelier-Serie handelt.
Wenn man genauer hinschaut, kann man erkennen, dass Herr Karl Bäcker entweder eine fehlerhafte Vorlage hatte (glaube ich eher), oder er baute beim Übertragen der Schaltung auf ein anderes Papier einige Ungereimtheiten ein.
Von "hinten" angefangen: Die Schaltung der Endtriode mit der RE604 ist korrekt gezeichnet. Die davor liegende NF-Verstärkerstufe mit der A408 bzw. RE084 ist allerdings nicht die Audionröhre, wie im Schaltplan vermerkt, denn das ist die erste Röhre, die W4080. Des weiteren ist die A408 als indirekt geheizte Triode gezeichnet, sie wird jedoch direkt geheizt.
Schließlich zur Audionröhre: Die W4080 bzw. RENS1204 wird im Schaltbild als Triode dargestellt, ist aber tatsächlich eine Tetrode. Wo ist dann das Schirmgitter und sein Anschluss mit der Außenbeschaltung? Oder ist es überhaupt eine W4080 bzw. RENS1204? Vermutlich nicht. Eine zweite A408 bzw. RE084 wäre an dieser Stelle nämlich auch geeignet gewesen, dann würde der Plan wieder eher stimmen.
Vermutlich wurde im Verlauf die Produktion die Audionröhre geändert. Entweder von einer A408 auf eine W4080 – die teurere, aber etwas bessere Variante – oder umgekehrt, weil kostengünstiger. Jedenfalls hatte man vergessen, danach das Schaltbild entsprechend anzupassen.
So geht 's manchmal auch heute noch.
Viele Grüße
Heinrich
das ist aber ein schöner Rückkopplungs-Audionempfänger. Ganz klassische Einkreiser-Schaltung mit 3 Trioden zum Empfang lediglich eines Wellenbereichs. Anfang 1930er Jahre? Beim Anschauen der Schaltung werde ich total an meine frühe Bastel-Ära als Junge erinnert. Außerdem freut es einem heute um so mehr, wenn man dabei erfährt, dass es sich hierbei um einen Vorläufer der Atelier-Serie handelt.
Wenn man genauer hinschaut, kann man erkennen, dass Herr Karl Bäcker entweder eine fehlerhafte Vorlage hatte (glaube ich eher), oder er baute beim Übertragen der Schaltung auf ein anderes Papier einige Ungereimtheiten ein.
Von "hinten" angefangen: Die Schaltung der Endtriode mit der RE604 ist korrekt gezeichnet. Die davor liegende NF-Verstärkerstufe mit der A408 bzw. RE084 ist allerdings nicht die Audionröhre, wie im Schaltplan vermerkt, denn das ist die erste Röhre, die W4080. Des weiteren ist die A408 als indirekt geheizte Triode gezeichnet, sie wird jedoch direkt geheizt.
Schließlich zur Audionröhre: Die W4080 bzw. RENS1204 wird im Schaltbild als Triode dargestellt, ist aber tatsächlich eine Tetrode. Wo ist dann das Schirmgitter und sein Anschluss mit der Außenbeschaltung? Oder ist es überhaupt eine W4080 bzw. RENS1204? Vermutlich nicht. Eine zweite A408 bzw. RE084 wäre an dieser Stelle nämlich auch geeignet gewesen, dann würde der Plan wieder eher stimmen.
Vermutlich wurde im Verlauf die Produktion die Audionröhre geändert. Entweder von einer A408 auf eine W4080 – die teurere, aber etwas bessere Variante – oder umgekehrt, weil kostengünstiger. Jedenfalls hatte man vergessen, danach das Schaltbild entsprechend anzupassen.
So geht 's manchmal auch heute noch.
Viele Grüße
Heinrich
- Rainer Hebermehl
- Lautsprecher-Profi

- Beiträge: 1236
- Registriert: 29.06.2009, 13:55
- Wohnort: Ronneburg
Re: Aus der " Mottenkiste"
Hallo Heinrich,
die Schaltung wurde damals nach einem " lebenden Objekt" gezeichnet. Karl Bäcker hatte seinerzeit das Radio zur Reparatur.
Wie es in der " Radiosteinzeit" so war, Hauptsache die Flaschen ließen sich als Triode schalten und paßten in den 4 bzw. 5 pol Sockel . Die Heizung war eh 4 Volt und die Anodenspannung höher als 90 Volt.
Bei späteren Geräten war auf einigen Typenschildern vermerkt : Inhaber der Telefunken und Huth Lizenz und die Namen Max Braun und Carl Sevecke.
Schönen Gruß
Rainer
die Schaltung wurde damals nach einem " lebenden Objekt" gezeichnet. Karl Bäcker hatte seinerzeit das Radio zur Reparatur.
Wie es in der " Radiosteinzeit" so war, Hauptsache die Flaschen ließen sich als Triode schalten und paßten in den 4 bzw. 5 pol Sockel . Die Heizung war eh 4 Volt und die Anodenspannung höher als 90 Volt.
Bei späteren Geräten war auf einigen Typenschildern vermerkt : Inhaber der Telefunken und Huth Lizenz und die Namen Max Braun und Carl Sevecke.
Schönen Gruß
Rainer
Aus dem Radio steigt der Rauch - Soll er auch.
Re: Aus der " Mottenkiste"
Hallo Rainer,
danke für Deine ergänzende Erklärung. Ich nehme alles zurück, was die Audion-Röhre angeht. Habe ich mich doch von dem Eintrag im Schaltplan zu dieser Röhre "W4080 (RENS1204)" beirren lassen und bin dann im folgenden von der Tetrode RENS1204 ausgegangen. Du schriebst, dass der Schaltplan vom "lebenden Objekt" abgezeichnet wurde. Das brachte mich darauf, mal in der Röhrentabelle nach der W4080 zu schauen. Und siehe da, sie entspricht nicht der RENS1204, sondern der REN904.
Nun stimmt weitestgehend auch der Schaltplan, mit Ausnahme des Vermerks "W4080 (RENS1204)"; die Welt ist also wieder in Ordnung.
Es grüßt Dich
Heinrich
danke für Deine ergänzende Erklärung. Ich nehme alles zurück, was die Audion-Röhre angeht. Habe ich mich doch von dem Eintrag im Schaltplan zu dieser Röhre "W4080 (RENS1204)" beirren lassen und bin dann im folgenden von der Tetrode RENS1204 ausgegangen. Du schriebst, dass der Schaltplan vom "lebenden Objekt" abgezeichnet wurde. Das brachte mich darauf, mal in der Röhrentabelle nach der W4080 zu schauen. Und siehe da, sie entspricht nicht der RENS1204, sondern der REN904.
Nun stimmt weitestgehend auch der Schaltplan, mit Ausnahme des Vermerks "W4080 (RENS1204)"; die Welt ist also wieder in Ordnung.
Es grüßt Dich
Heinrich
