Liebe Braungemeinde,
beim aufräumen habe ich meine wiederaufladbare Taschenlampe mit der Bezeichung 5903 aus den 70er Jahren entdeckt. Auf der Glühbirne steht 2,5V / 0,2A. Natürlich ist nach so langer Zeit der Akku defekt. Leider steht dort keine Bezeichnung drauf. Meine Frage ist nun, ob jemand von den Experten diese Taschenlampe kennt und dazu Unterlagen hat bzw. mir sagen kann, welchen Akkutyp ich als Ersatz nehmen kann. Ich würde die Taschenlampe gerne wieder funtionstüchtig machen.
Gruß hüppi
Taschenlampe 5903
Taschenlampe 5903
Ist das Schäfchen schwarz und braun, dann liegt es am Elektrozaun. Und wenn es mit den Augen rollt, will es sagen, zu viel Volt.
Re: Taschenlampe 5903
Hallo Hüppi,
Modell 5903 heisst nach Verkaufsbezeichnung Manulux NC. NC steht für Nickel-Cadmium - solche Zellen haben 1,2 V pro Zelle. Wahrscheinlich sind dort die runden DEAC-Zellen verbaut (wie in den alten Braun-Blitzgeräten). Für diese gibt es wohl keinen direkt passenden Ersatz. Daher muss man das Gerät mal aufmachen und schauen, welche Zellen man als Ersatz dort hinein bekommt.
Herzliche Grüße
Gerhard
Modell 5903 heisst nach Verkaufsbezeichnung Manulux NC. NC steht für Nickel-Cadmium - solche Zellen haben 1,2 V pro Zelle. Wahrscheinlich sind dort die runden DEAC-Zellen verbaut (wie in den alten Braun-Blitzgeräten). Für diese gibt es wohl keinen direkt passenden Ersatz. Daher muss man das Gerät mal aufmachen und schauen, welche Zellen man als Ersatz dort hinein bekommt.
Herzliche Grüße
Gerhard
Re: Taschenlampe 5903
hallo hüppi,
es gibt einen passenden akku. "Ni-MH Varta 2/V80H, +2,4V S083".
er muss dann nach umbau gegen den dort vorhandenen größeren
akku ausgetauscht werden. funktioniert dann wunderbar.
gruß
günter
es gibt einen passenden akku. "Ni-MH Varta 2/V80H, +2,4V S083".
er muss dann nach umbau gegen den dort vorhandenen größeren
akku ausgetauscht werden. funktioniert dann wunderbar.
gruß
günter
Re: Taschenlampe 5903
Hallo Gerhard, hallo Günter!
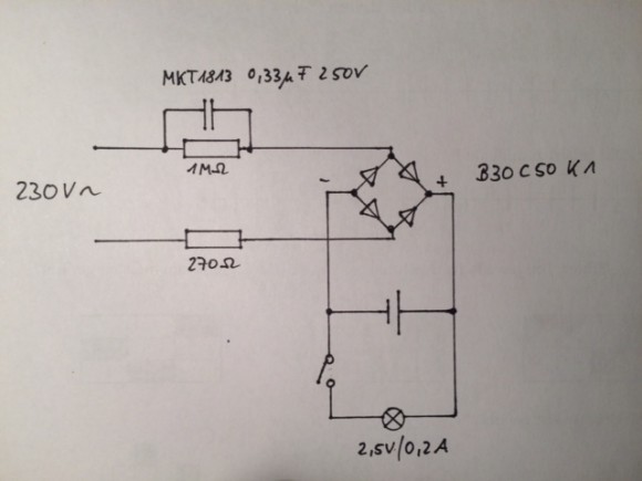
Vielen Dank für die schnelle Rückmeldung. Tatsächlich würde der Nickel-MH Varta 2/V80H Akku bautechnisch in die Taschenlampe passen. Brauche ich nur diesen gegen den alten Nickel-Cadmium ersetzen oder müssen eventuell noch weitere Bauteile ersetzt werden? Ich habe mal die Schaltung so wie sie aktuell ist aufgezeichnet.
Gruß hüppi
Vielen Dank für die schnelle Rückmeldung. Tatsächlich würde der Nickel-MH Varta 2/V80H Akku bautechnisch in die Taschenlampe passen. Brauche ich nur diesen gegen den alten Nickel-Cadmium ersetzen oder müssen eventuell noch weitere Bauteile ersetzt werden? Ich habe mal die Schaltung so wie sie aktuell ist aufgezeichnet.
Gruß hüppi
Ist das Schäfchen schwarz und braun, dann liegt es am Elektrozaun. Und wenn es mit den Augen rollt, will es sagen, zu viel Volt.
Re: Taschenlampe 5903
hallo hüppi,
du musst nur den akku tauschen und sonst nichts verändern.
gruss
günter
du musst nur den akku tauschen und sonst nichts verändern.
gruss
günter
Re: Taschenlampe 5903
Ich wollte nur kurz berichten, dass ich gestern den neuen Akku eingebaut habe und die Taschenlampe über Nacht geladen habe. Sie funktioniert wieder, auch wenn sie im Vergleich zu LED Taschenlampen sehr dunkel scheint.
Vielen Dank nochmal für die wertvollen Tipps.
Gruß hüppi
Vielen Dank nochmal für die wertvollen Tipps.
Gruß hüppi
Ist das Schäfchen schwarz und braun, dann liegt es am Elektrozaun. Und wenn es mit den Augen rollt, will es sagen, zu viel Volt.


