Hallo,
meine Frau hat eine Küchenmaschine von Braun Modell 4243 die möchte sie nicht eintauschen gegen eine Neue.
Leider ist das Gehäuse kaputt und ich muss es wechseln. Gehäuse habe ich aber wie bekomme ich das Innenleben
aus der alten Maschine raus. Habe den Boden ab aber es bewegt sich nichts. Kann mir jemand helfen wie ich das
Gehäuse wechseln kann. Im Voraus vielen Dank Ralf
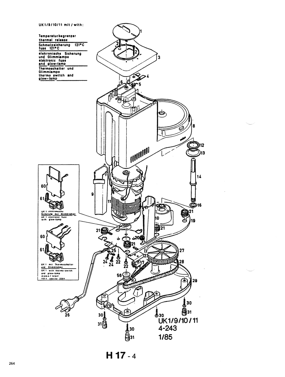
Küchenmaschine Braun Modell 4243
Re: Küchenmaschine Braun Modell 4243
hallo ralf,
vielleicht kommst du damit weiter.
gruss
günter
vielleicht kommst du damit weiter.
gruss
günter
Re: Küchenmaschine Braun Modell 4243
hallo ralf,
da habe ich dir versehentlich die info zur km 32 geschickt.
hier sind die zur braun multipractic uk 1.
grüsse günter
da habe ich dir versehentlich die info zur km 32 geschickt.
hier sind die zur braun multipractic uk 1.
grüsse günter
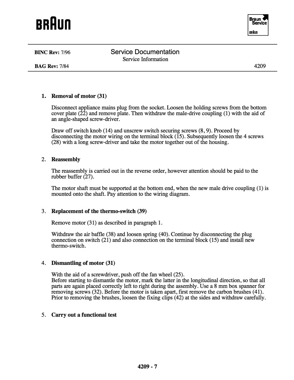
Re: Küchenmaschine Braun Modell 4243
Hallo Günter,
vielen Dank für deine Hilfe, war auch eine wirkliche Hilfe.
Da die Küchenmaschine schon sehr alt ist, haben sich zwar
die Schrauben gelöst, doch die Gummipropfen waren so fest
das ich sie nicht gelöst bekommen habe. Dank deiner Anleitung
musste ich nun ein wenig Gewalt und Krichöl anwenden und
konnte somit das Gehäuse entfernen.
Danke Ralf
vielen Dank für deine Hilfe, war auch eine wirkliche Hilfe.
Da die Küchenmaschine schon sehr alt ist, haben sich zwar
die Schrauben gelöst, doch die Gummipropfen waren so fest
das ich sie nicht gelöst bekommen habe. Dank deiner Anleitung
musste ich nun ein wenig Gewalt und Krichöl anwenden und
konnte somit das Gehäuse entfernen.
Danke Ralf

