Service Manual gesucht EspressoCappucinoPro Type 3063

Braun Nizo, Lectron, Rasierapparate, Haushaltsgeräte etc.
Antworten
Nachricht
Autor
Grün
Jungspund
Jungspund
Beiträge: 10
Registriert: 18.04.2016, 13:09

Service Manual gesucht EspressoCappucinoPro Type 3063

#1 Beitrag von Grün » 11.06.2016, 14:08

Hallo,

in der Bucht habe ich eine ältere Espressomaschine ersteigert (E300), die nach einem ziemlich pfiffigen System arbeitet. Leider pumpt mein Exemplar nicht :shock: :cry:
Die Maschine war sehr günstig und sieht noch top aus, so dass ich mich entschieden habe, sie zu behalten und zu reparieren.
Weiß jemand, wo man ein Service Manual herbekommt, bzw. hat bereits diesbezüglich Erfahrungen gesammelt?
Meine Vermutung ist, dass der Drehschalter an der linken Seite nicht in Ordnung ist.
Die Gebrauchsanleitung ist vorhanden, ich brauche die Version für den Techniker :wink:

Vorab vielen Dank für Eure Hilfe und beste Grüße
Bodo

Grün
Jungspund
Jungspund
Beiträge: 10
Registriert: 18.04.2016, 13:09

Re: Service Manual gesucht EspressoCappucino Pro Type 3063 E

#2 Beitrag von Grün » 11.06.2016, 17:14

gerade wollte ich das Teil aufschrauben und scheitere im ersten Anlauf an ungewöhnlichen Schrauben (s. Bild). Kennt jemand diese Schrauben von anderen Braun Geräten, bzw hat jemand eine Idee, wie man die aufbekommt?

Vielen Dank für Infos und Grüße
Bodo
Dateianhänge
IMG_20160611_170439.jpg

wickerge
Braun-Insider
Braun-Insider
Beiträge: 1261
Registriert: 26.05.2009, 21:52

Re: Service Manual gesucht EspressoCappucinoPro Type 3063

#3 Beitrag von wickerge » 11.06.2016, 17:19

Hallo Bodo,
die Schrauben sind nicht Braunspezifisch, sondern sollen allgemein bei Geräten mit Netzanschluß verhindern, dass diese von nicht-fachkundigen Personen geöffnet werden. Passende Bits gibt es im einschlägigen Elektronik-Handel.

Herzliche Grüße
Gerhard

Grün
Jungspund
Jungspund
Beiträge: 10
Registriert: 18.04.2016, 13:09

Re: Service Manual gesucht EspressoCappucinoPro Type 3063

#4 Beitrag von Grün » 11.06.2016, 19:39

Danke für den Tipp, Gerhard!
Habe mir jetzt bei Conrad das entsprechende Bit-Set bestellt. Das ist dann doch entspannter als aufbohren :D

gstae
Experte
Experte
Beiträge: 377
Registriert: 03.02.2010, 15:07
Wohnort: Weserbergland

Re: Service Manual gesucht EspressoCappucinoPro Type 3063

#5 Beitrag von gstae » 13.06.2016, 09:31

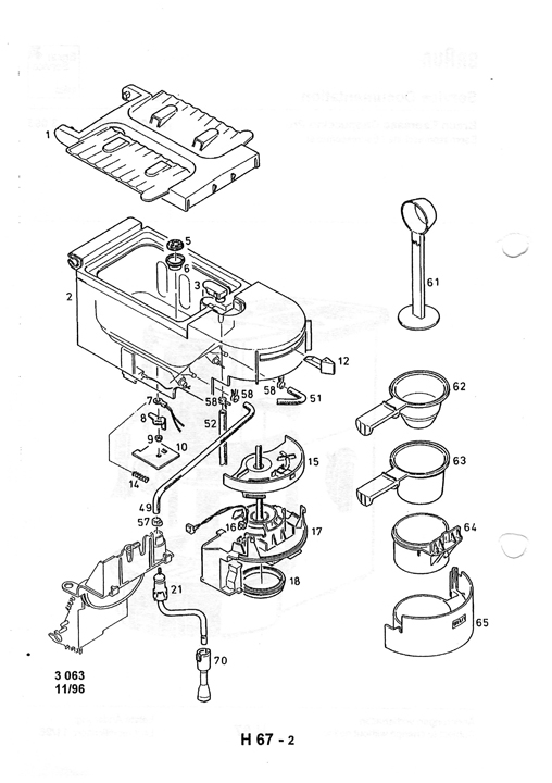
hallo bodo,
hier eine auszug aus der srvice dokumentation.
vielleicht kommst du damit zurecht.
grüsse
günter
Dateianhänge
DB10_03.jpg
DB10_04.jpg
DB10_05.jpg
DB10_06.jpg
DB10_07.jpg
DB10_08.jpg
DB10_09.jpg
DB10_10.jpg

Grün
Jungspund
Jungspund
Beiträge: 10
Registriert: 18.04.2016, 13:09

Re: Service Manual gesucht EspressoCappucinoPro Type 3063

#6 Beitrag von Grün » 13.06.2016, 17:22

das sieht ja großartig aus! Vielen Dank Günter!! :thumb:

Sobald die Tri-Wing-Bits von Conrad da sind, werde ich das Teil aufschrauben.

Grüße
Bodo

Grün
Jungspund
Jungspund
Beiträge: 10
Registriert: 18.04.2016, 13:09

Reparatur EspressoCappucinoPro Type 3063 Schaltknopf/Ventil

#7 Beitrag von Grün » 15.06.2016, 21:24

Liebe Forum-Experten!

Nach Günters Service Information habe ich die Maschine nun erfolgreich zerlegt.
Fehler gefunden: Die Drehachse des Ventils, auf dem der Schaltknopf sitzt, war gebrochen.
Beim Zerlegen des Ventils stelle ich fest, dass die unterschiedlichen Schaltpositionen durch 2 aufeinanderliegende Keramikscheiben geschaltet werden, die sich aufeinander drehen (s. Bild).
Die Maschine ist fast nie benutzt worden und stand wohl viele Jahre herum. Meine Theorie ist, dass dadurch die Keramikscheiben so miteinander verbacken sind, dass sie sich nicht mehr aufeinander drehen lassen. Dreht man dann zu stark am Schaltknopf, bricht die Achse (s. Bilder).
Ich habe also das Ventil gereinigt, den Innenraum entfettet und getrocknet. Nach dem Zusammenbau sitzen die Keramikscheiben allerdings wieder so fest aufeinander, dass sie sich nicht mehr gegeneinander drehen, auch bei hohem Kraftaufwand.

Weiß jemand eine Lösung? - Müssen die Keramikscheiben geschmiert werden?
Ich bin am Ende meines Lateins :shock: :wall: .. Und freue mich sehr, wenn einer von Euch einen Tipp für mich hat.

Grüße, Bodo
Dateianhänge
die beiden Keramikscheiben, nachdem ich sie auseinandergestemmt habe.
die beiden Keramikscheiben, nachdem ich sie auseinandergestemmt habe.
Zerlegen des Drehventils. Unter der Metallplatte befindet sich das Gehäuse mit den 2 Keramikscheiben. Die gebrochene Achse ist gut zu erkennen.
Zerlegen des Drehventils. Unter der Metallplatte befindet sich das Gehäuse mit den 2 Keramikscheiben. Die gebrochene Achse ist gut zu erkennen.
Drehventil komplett, die gebrochene Achse ist sichtbar
Drehventil komplett, die gebrochene Achse ist sichtbar

Benutzeravatar
abig
Braun-Freak
Braun-Freak
Beiträge: 949
Registriert: 09.08.2013, 21:02
Wohnort: Rhein Pfalz Kreis

Re: Service Manual gesucht EspressoCappucinoPro Type 3063

#8 Beitrag von abig » 16.06.2016, 06:17

moin Bodo,

in Kartuschen der modernen Armaturen sind auch Keramikscheiben verbaut.
Diese sind mit Armaturenfett dauerhaft geschmiert und somit gedichtet.
Da kann dir eigentlich jeder Installateur und Heizungsbauer günstig helfen.
Viele Grüsse
Oliver
Dateianhänge
SAM_5649.JPG
BRAUN Hifi, nur das Beste für meine Ohren !

Grün
Jungspund
Jungspund
Beiträge: 10
Registriert: 18.04.2016, 13:09

Re: Service Manual gesucht EspressoCappucinoPro Type 3063

#9 Beitrag von Grün » 16.06.2016, 13:38

Dank Olivers gutem Hinweis laufen die Keramikscheiben wieder einwandfrei - der Klempner meines Vertrauens hat mir ein wenig von seinem Armaturenfett abgefüllt. - Vielen Dank Oliver!!

Nun stehe ich vor dem nächsten Problem: die gebrochene Drehachse besteht aus POM und lässt sich nicht kleben
https://de.wikipedia.org/wiki/Polyoxymethylen" onclick="window.open(this.href);return false;
Mein Versuch mit Sekundenkleber ist gescheitert, der blättert einfach wieder ab.

1. Idee: die Achse als Ersatzteil besorgen: weiß jemand, wo es das geben könnte? - Zur Not auch das komplette Drehventil. Leider steht kein Hersteller auf dem Teil.

2. Idee: die Teile doch irgendwie zusammenfügen durch Kleben oä: Kennt sich da jemand besser aus? - POM wird auch im Automobilbau verwendet.

Vielleicht könnt ihr mich aus meiner Ratlosigkeit erlösen ... :cry:

Grüße
Bodo

Benutzeravatar
Fiasko
Braun-Freak
Braun-Freak
Beiträge: 974
Registriert: 16.02.2010, 14:35
Wohnort: 51381 Leverkusen

Re: Service Manual gesucht EspressoCappucinoPro Type 3063

#10 Beitrag von Fiasko » 16.06.2016, 14:42

Hallo Bodo,

guck doch einfach mal nach einer gebrauchten als Schlachtgerät. Hier https://www.ebay-kleinanzeigen.de/s-anz ... 83-176-746" onclick="window.open(this.href);return false; war z. b. mal eine für 29 angeboten, günstiger wird auch das einzelne Ersatzteil nicht.

Jochen
Es war gut und reichlich - es hätte besser und mehr sein können!
Braun HiFi - Rasierer - Küchenmaschinen - Föns - Uhren

Benutzeravatar
Paparierer
Moderator
Moderator
Beiträge: 2831
Registriert: 28.12.2010, 15:36
Wohnort: 85077 Manching

Re: Service Manual gesucht EspressoCappucinoPro Type 3063

#11 Beitrag von Paparierer » 16.06.2016, 15:05

Hi Bodo,
ich hab Zeugs von diesem Anbieter im Einsatz:
http://schwanheimer-industriekleber.de" onclick="window.open(this.href);return false;
Da gibt es Aktivator und Primer extra. Ob das in Deinem speziellen Fall eine Lösung wäre, weiß ich nicht.
Gruß, Gereon
_______________________________
meistens ist es was mechanisches...
_______________________________
„Audiophile verwenden ihre Geräte nicht, um Ihre Musik zu hören.
Audiophile verwenden Ihre Musik, um ihre Geräte zu hören.“

Alan Parsons

Benutzeravatar
thoman
Experte
Experte
Beiträge: 327
Registriert: 18.04.2010, 20:51
Wohnort: 94060 Pocking

Re: Service Manual gesucht EspressoCappucinoPro Type 3063

#12 Beitrag von thoman » 17.06.2016, 14:27

Servus Bodo,
kannst du die gebrochenen Teile evtl. mit einem passenden übergeschobenem Alu-Vierkantprofil wieder soweit fixieren?

Gruß
Thomas
Der Koch zum Fotograf: Sie machen wunderschöne Bilder, ihre Kamera muß sehr teuer gewesen sein!
Der Fotograf zum Koch: Ihr Essen schmeckt hervorragend, sie müssen sehr teure Töpfe haben!

Antworten