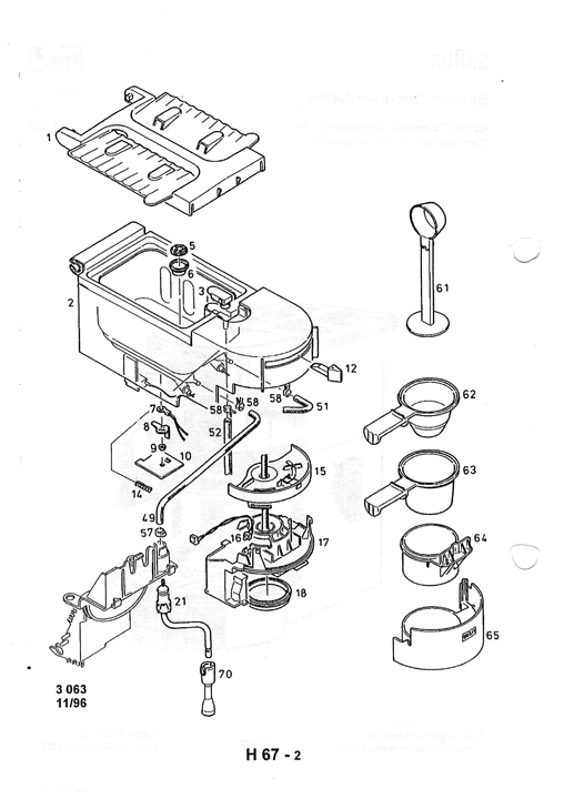
in der Bucht habe ich eine ältere Espressomaschine ersteigert (E300), die nach einem ziemlich pfiffigen System arbeitet. Leider pumpt mein Exemplar nicht
Die Maschine war sehr günstig und sieht noch top aus, so dass ich mich entschieden habe, sie zu behalten und zu reparieren.
Weiß jemand, wo man ein Service Manual herbekommt, bzw. hat bereits diesbezüglich Erfahrungen gesammelt?
Meine Vermutung ist, dass der Drehschalter an der linken Seite nicht in Ordnung ist.
Die Gebrauchsanleitung ist vorhanden, ich brauche die Version für den Techniker
Vorab vielen Dank für Eure Hilfe und beste Grüße
Bodo




