Bluetooth Empfänger an SK55 Phono

Kleinempfänger, Röhrenradios, Phonokoffer, Musikschränke, Schneewittchensarg & Co.

Antworten
Nachricht
Autor
matzgp
Jungspund
Jungspund
Beiträge: 11
Registriert: 29.05.2016, 22:26

Bluetooth Empfänger an SK55 Phono

#1 Beitrag von matzgp » 01.06.2016, 20:17

...spielt viel leiser als UKW..
Ist bestimmt ein oft gefragtes Thema, aber ich hab noch keine befriedigende Lösung gefunden.
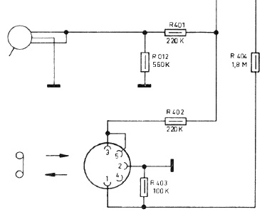
In Reihe hängt ja ein 220K Widerstand R401... (auch im TB Eingang) evtl. ganz rauslöten ? Wofür ist der 550K Widerstand R012 gegen Masse?
Hab links und rechts Ausgang Bluetooth/smartphone mit je einem 1K auf Mono zusammengeführt.
Abgesehen davon, dass man die Lautstärke sowohl am handy als auch am Radio weit aufdrehen muss, brummts auch noch hörbar... (Becherelko schon gegen 2 Elkos 47µF getauscht, ist bei UKW deutlich besser)
Vielleicht weiß Jemand Rat

p.s. den 220er mal gebrückt... schon etwas lauter.
Brumm ist noch da. Ist eher ein Summen als ein Brummen ;-)
Dateianhänge
sk55 phono.jpg
sk55 phono.jpg (17.9 KiB) 2773 mal betrachtet

MaFeFe
Neuling
Neuling
Beiträge: 2
Registriert: 01.08.2016, 00:48

Re: Bluetooth Empfänger an SK55 Phono

#2 Beitrag von MaFeFe » 01.08.2016, 00:56

Hi,
brummt es denn beim Radio/Platte hören nicht?
Ich kenne das von meinem SK5.
Auch nach Autausch der Sieb-Elkos brummte der noch. Geholfen hat eine große Induktivität in der Leitung vom Elko zum NF-Übertrager. Ich habe dazu einen Ringkerntrafo verwendet, der noch herumlag...es gibt aber auch spezielle Spulen dafür.
Viele Grüß, Martin

Antworten