Hallo, guten Morgen Allerseits,
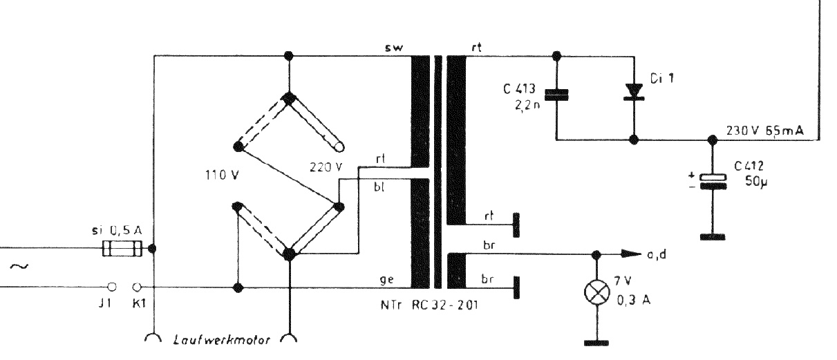
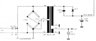
sehe ich das richtig, der SK55 hat "nur" einen Einweg-Gleichrichter, mit Kondensator/Diode?
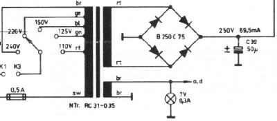
Um eine saubere Gleichspannung zu erhalten, wäre es nicht besser, einen Brückengleichrichter einzubauen, so wie z.B. beim Netzteil RT20. Sollte sich auch positiv auf den Brumm auswirken...
Grüße
Matthias
