Ist bestimmt ein oft gefragtes Thema, aber ich hab noch keine befriedigende Lösung gefunden.
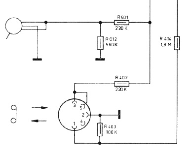
In Reihe hängt ja ein 220K Widerstand R401... (auch im TB Eingang) evtl. ganz rauslöten ? Wofür ist der 550K Widerstand R012 gegen Masse?
Hab links und rechts Ausgang Bluetooth/smartphone mit je einem 1K auf Mono zusammengeführt.
Abgesehen davon, dass man die Lautstärke sowohl am handy als auch am Radio weit aufdrehen muss, brummts auch noch hörbar... (Becherelko schon gegen 2 Elkos 47µF getauscht, ist bei UKW deutlich besser)
Vielleicht weiß Jemand Rat
p.s. den 220er mal gebrückt... schon etwas lauter.
Brumm ist noch da. Ist eher ein Summen als ein Brummen

