Bei LV 720 Elkos ausgetauscht, jetzt Knallgeräusche
- Thomas aus F.
- Profi

- Beiträge: 411
- Registriert: 03.11.2009, 11:36
- Wohnort: Hamburg
- Kontaktdaten:
Bei LV 720 Elkos ausgetauscht, jetzt Knallgeräusche
Da meine 4 Aktivboxen LV 720 permanent eigene Störgeräusche produzierten, habe ich mir neue Elks gegönnt. Alle von den Spannungswerten etwas höher als die Orginalen.
Mit alle bezeichne ich, alle Siebelkos und alle Auskoppelelkos der Endstufen.
Bei den ersten beiden Boxen klappte alles wunderbar, Klang fast wie neu!
Ich bin jetzt bei der dritten und die macht mir Kopfzerbrechen! Habe gerade nochmal optisch die Schaltung überprüft, ob alle Elkos richtig festgelötet sind. Diese 3. läuft zunächst einwandfrei, wie die ersteren, aber plötzlich knallt es und das NF-Signal läuft erheblich leiser weiter.Nach einem kurzen Abschalten geht wieder alles , aber knallt dann wieder und alles beginnt neu!
Wer hat hier einen Tipp. Da alles gleichzeitig leiser wird, könnte es eigentlich nur an der elektronischen Weiche, bzw deren Gleichspannungs-Versorgung liegen????? Sie hat einen seperaten Siebelko auf der Platine von 1000uF.
Gruß Thomas
Mit alle bezeichne ich, alle Siebelkos und alle Auskoppelelkos der Endstufen.
Bei den ersten beiden Boxen klappte alles wunderbar, Klang fast wie neu!
Ich bin jetzt bei der dritten und die macht mir Kopfzerbrechen! Habe gerade nochmal optisch die Schaltung überprüft, ob alle Elkos richtig festgelötet sind. Diese 3. läuft zunächst einwandfrei, wie die ersteren, aber plötzlich knallt es und das NF-Signal läuft erheblich leiser weiter.Nach einem kurzen Abschalten geht wieder alles , aber knallt dann wieder und alles beginnt neu!
Wer hat hier einen Tipp. Da alles gleichzeitig leiser wird, könnte es eigentlich nur an der elektronischen Weiche, bzw deren Gleichspannungs-Versorgung liegen????? Sie hat einen seperaten Siebelko auf der Platine von 1000uF.
Gruß Thomas
Zuletzt geändert von Thomas aus F. am 28.01.2018, 16:39, insgesamt 1-mal geändert.
Thomas aus Hamburg
- Thomas aus F.
- Profi

- Beiträge: 411
- Registriert: 03.11.2009, 11:36
- Wohnort: Hamburg
- Kontaktdaten:
Re: Bei LV 720 Elkos ausgetauscht, jetzt Knallgeräusche
Hallo Thomas,
ich kann mir nicht vorstellen, dass es an der Höhe der Spannungsversorgung liegt. Im Eingangsverstärker hast Du eine gegengekoppelte Stufe, bei der die Verstärkung durch die Gegenkopplung festgelegt ist und danach in der Frequenzweiche nur noch Impedanzwandler, die die Höhe des Tonsignals nicht beeinflussen.
Da alles leiser wird, kann das Problem eigentlich nur im Eingangsverstärker liegen. Was passiert, wenn Du am Eingangspegelsteller drehst? Die Potis haben nach 40 Jahren schon mal Kontaktschwächen (bei mir jedenfalls).
Gruß,
Raimund
ich kann mir nicht vorstellen, dass es an der Höhe der Spannungsversorgung liegt. Im Eingangsverstärker hast Du eine gegengekoppelte Stufe, bei der die Verstärkung durch die Gegenkopplung festgelegt ist und danach in der Frequenzweiche nur noch Impedanzwandler, die die Höhe des Tonsignals nicht beeinflussen.
Da alles leiser wird, kann das Problem eigentlich nur im Eingangsverstärker liegen. Was passiert, wenn Du am Eingangspegelsteller drehst? Die Potis haben nach 40 Jahren schon mal Kontaktschwächen (bei mir jedenfalls).
Gruß,
Raimund
Re: Bei LV 720 Elkos ausgetauscht, jetzt Knallgeräusche
Hallo Thomas,ist T502 noch einer von den eckigen Siemens Exemplaren?.Die neigen doch zum Knacken.
Gruss
Gerhard
Gruss
Gerhard
- Thomas aus F.
- Profi

- Beiträge: 411
- Registriert: 03.11.2009, 11:36
- Wohnort: Hamburg
- Kontaktdaten:
Re: Bei LV 720 Elkos ausgetauscht, jetzt Knallgeräusche
Es sind die runden Transistoren! Es ist kein Knistern oder Knacken, sondern richtiges Knallen. (Zu hören über die Lautsprecher)
Da die Elkos alle nagelneu sind, denke ich nicht, dass sie es sind, könnte es der oder einer der Gleichrichter sein, bei denen eine Diode durchschlägt??
Gruß Thomas
Da die Elkos alle nagelneu sind, denke ich nicht, dass sie es sind, könnte es der oder einer der Gleichrichter sein, bei denen eine Diode durchschlägt??
Gruß Thomas
Thomas aus Hamburg
Re: Bei LV 720 Elkos ausgetauscht, jetzt Knallgeräusche
Hallo Thomas,zur Eingrenzung würde ich mal die Steckverbinder von der Eingangsstufe zu den Endverstärkern auftrennen und hören obs weiter knallt.
Gruss
Gerhard
Gruss
Gerhard
- Thomas aus F.
- Profi

- Beiträge: 411
- Registriert: 03.11.2009, 11:36
- Wohnort: Hamburg
- Kontaktdaten:
Re: Bei LV 720 Elkos ausgetauscht, jetzt Knallgeräusche
Danke, guter Tipp!
Gruß Thomas
Gruß Thomas
Thomas aus Hamburg
- Thomas aus F.
- Profi

- Beiträge: 411
- Registriert: 03.11.2009, 11:36
- Wohnort: Hamburg
- Kontaktdaten:
Re: Bei LV 720 Elkos ausgetauscht, jetzt Knallgeräusche
Also habe den Mehrfachstecker zur Eingangstufe (elektronische Frequenz-Weiche) abgezogen und die Box eine Nacht unter Strom gehabt, kein Tönchen, ich dachte sie funktioniert gar nicht mehr!
Dann habe ich den Stecker wieder aufgesetzt, jetzt knisterte die Box so ab und zu leise vor sich hin, aber kein Knallen mehr. Das Knistern kam sicher von den Eingangstransistoren, die hatte ich bei einer anderen Box auch schon mal ausgetauscht durch Vergleichstypen: Also BC157 durch BC556 PNP und BC 171 durch BC 547 NPN. Das klappte auch ganz gut. Ich ließ die unveränderte Box wieder eine Nacht unter Strom, am nächsten Morgen knisterte nichts mehr, wieder dachte ich, sie hat aufgegeben. Eben gerade habe ich den Bluetooth Empfänger angeschlossen und was soll ich sagen, sie funktioniert auf allen Kanälen!! Selbstheilende Elkos???
Danke für die Tipps .
Gruß Thomas
Dann habe ich den Stecker wieder aufgesetzt, jetzt knisterte die Box so ab und zu leise vor sich hin, aber kein Knallen mehr. Das Knistern kam sicher von den Eingangstransistoren, die hatte ich bei einer anderen Box auch schon mal ausgetauscht durch Vergleichstypen: Also BC157 durch BC556 PNP und BC 171 durch BC 547 NPN. Das klappte auch ganz gut. Ich ließ die unveränderte Box wieder eine Nacht unter Strom, am nächsten Morgen knisterte nichts mehr, wieder dachte ich, sie hat aufgegeben. Eben gerade habe ich den Bluetooth Empfänger angeschlossen und was soll ich sagen, sie funktioniert auf allen Kanälen!! Selbstheilende Elkos???
Danke für die Tipps .
Gruß Thomas
Thomas aus Hamburg
- Thomas aus F.
- Profi

- Beiträge: 411
- Registriert: 03.11.2009, 11:36
- Wohnort: Hamburg
- Kontaktdaten:
Re: Bei LV 720 Elkos ausgetauscht, jetzt Knallgeräusche
So jetzt sind's doch die Potis, habe beim Umräumen der angesschlossenen Box aus Versehen an die Drehknöpfe gefasst und da hat's geknallt, nach mehrmaligem wiederholen bekam ich immer das gleiche Ergebnis!
Also Potis reinigen oder tauschen.
Danke und Gruß Thomas
PS: es laufen jetzt alle 4 Boxen !
Also Potis reinigen oder tauschen.
Danke und Gruß Thomas
PS: es laufen jetzt alle 4 Boxen !
Thomas aus Hamburg
Re: Bei LV 720 Elkos ausgetauscht, jetzt Knallgeräusche
Wenn Potis Geräusche machen und die auch nach mehrmaligen Drehen nicht besser werden, dann kann am Poti auch als Fehler Gleichspannung anliegen. Da solltest Du mal messen. Das sollen Koppel Cs ja gerade verhindern. Ich glaube da auch nicht an Zufälle und vermute den Fehler vor dem Gerät. 
- Thomas aus F.
- Profi

- Beiträge: 411
- Registriert: 03.11.2009, 11:36
- Wohnort: Hamburg
- Kontaktdaten:
Re: Bei LV 720 Elkos ausgetauscht, jetzt Knallgeräusche
Die Potis laufen kratzfrei. Wenn ich jedoch mit dem Finger auf die Drehknöpfe trommele (verhalten),
gibt's sehr laute Ploppgeräusche, aber nicht im kalten Zustand.
Die Basslautsprechermembranen lenken dann um einiges aus.
Ich dachte nun in meinem Leichtsinn, dass die Koppelelkos die Gleichspannung vom Lautsprecher abhalten sollen, aber die sind ja auch alle neu, ein Rückbau eines anderen Bass-Elkos brachte das gleiche Resultat.
Im Leerlauf knallt die Box ab und zu (wie Entladung).
Da bin ich dann mit meiner Weisheit auch am Ende!
Thomas aus Hamburg
Re: Bei LV 720 Elkos ausgetauscht, jetzt Knallgeräusche
Hallo Thomas,
Hast Du mal überprüft, ob alle Elkos richtig gepolt von Dir eingebaut wurden. Wenn man etliche Bauteile wechselt kann einem schon mal ein Fehler beim Einbau, auch bei Transitoren unterlaufen.
Gruß
hannes
Hast Du mal überprüft, ob alle Elkos richtig gepolt von Dir eingebaut wurden. Wenn man etliche Bauteile wechselt kann einem schon mal ein Fehler beim Einbau, auch bei Transitoren unterlaufen.
Gruß
hannes
- Thomas aus F.
- Profi

- Beiträge: 411
- Registriert: 03.11.2009, 11:36
- Wohnort: Hamburg
- Kontaktdaten:
Re: Bei LV 720 Elkos ausgetauscht, jetzt Knallgeräusche
Ja das kann passieren, habe aber vorher Fotos gemacht und diese auch schon verglichen!
Gruß Thomas
Gruß Thomas
Thomas aus Hamburg
Re: Bei LV 720 Elkos ausgetauscht, jetzt Knallgeräusche
Hallo Thomas,ich hab meine vor über einem Jahr revidiert,deshalb sind mir die Details nicht mehr so intus.Aber ist es nicht so,dass die die drei Potis eine gemeinsame Masseverbindung haben?Da läge die Vermutung nahe,dass dort eine Unterbrechung oder ein Wackler versteckt ist.
Gruss
Gerhard
Gruss
Gerhard
Re: Bei LV 720 Elkos ausgetauscht, jetzt Knallgeräusche
Auch eine fehlende Masseverbindung, oder eine mit hohem Übergangswiderstand führt zu Potentialunterschiede und damit dann zu einer Gleichspannung. Mir ist die Schaltung der Boxen nicht bekannt. Ich kann deshalb nur theoretisieren.
- Thomas aus F.
- Profi

- Beiträge: 411
- Registriert: 03.11.2009, 11:36
- Wohnort: Hamburg
- Kontaktdaten:
Re: Bei LV 720 Elkos ausgetauscht, jetzt Knallgeräusche
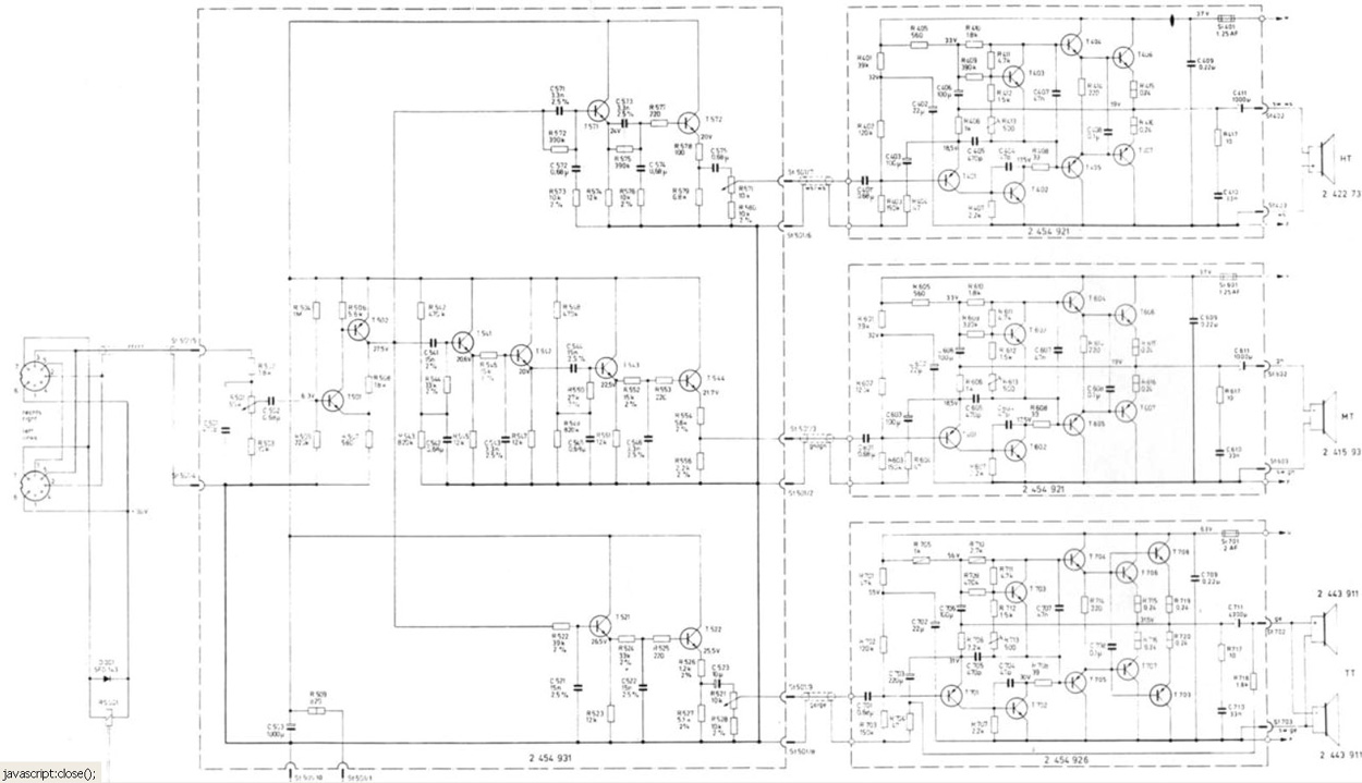
Danke, die Schaltung ist doch oben!
Gruß Thomas
Gruß Thomas
Thomas aus Hamburg
Re: Bei LV 720 Elkos ausgetauscht, jetzt Knallgeräusche
Das meinte ich nicht. Ich sprach von persönlicher Erfahrung.
- Thomas aus F.
- Profi

- Beiträge: 411
- Registriert: 03.11.2009, 11:36
- Wohnort: Hamburg
- Kontaktdaten:
Re: Bei LV 720 Elkos ausgetauscht, jetzt Knallgeräusche
Ist ganz alte Technik aus den 60/70er Jahren!
Gruß Thomas
Gruß Thomas
Thomas aus Hamburg
Re: Bei LV 720 Elkos ausgetauscht, jetzt Knallgeräusche
Naja, die Probleme mit Potential Unterschieden gab es schon damals. Messe doch mal die Masse an den Potis gegen die Masse im Netzteil. Da darf es keinen Unterschied geben. Wie es Gecko10 schon richtig schrieb, wäre das eine mögliche Fehlerquelle. Man kann auch temporär eine eigene Masseleitung zu den Potis ziehen.
Re: Bei LV 720 Elkos ausgetauscht, jetzt Knallgeräusche
Hallo Thomas,
wenn durch Trommeln auf den Potis Knallgeräusche entstehen, sind es entweder die Potis selbst oder evtl. die Stickverbindung zur Frequenzweichenleiterplatte fehlerhaft.
Gruß,
Raimund
wenn durch Trommeln auf den Potis Knallgeräusche entstehen, sind es entweder die Potis selbst oder evtl. die Stickverbindung zur Frequenzweichenleiterplatte fehlerhaft.
Gruß,
Raimund


