Sound improvement on LV1020: Capacitors a.o.
Sound improvement on LV1020: Capacitors a.o.
Hi All,
My son wants to change all of the electrolytic capacitors in his set of LV1020's, and he wants me to change mine as well. Has anyone in the Forum made these changes, and if so, have you noticed a significant improvement in sound quality? I personally can't imagine that my 1020's could sound any better than they do now, but he thinks they will. I would greatly appreciate any suggestions for the best quality brands for the replacement. If you also have a list of the capacitors that were replaced, that would be great. Thanks !!
All the best,
Ron
My son wants to change all of the electrolytic capacitors in his set of LV1020's, and he wants me to change mine as well. Has anyone in the Forum made these changes, and if so, have you noticed a significant improvement in sound quality? I personally can't imagine that my 1020's could sound any better than they do now, but he thinks they will. I would greatly appreciate any suggestions for the best quality brands for the replacement. If you also have a list of the capacitors that were replaced, that would be great. Thanks !!
All the best,
Ron
Hello Ron,
from my point of view, changing all caps is nonsense. They are used 1. for galvanic separation between the amplifier stages - a loss of capacity will result in a loss of low frequency, 2. for filtering of hum caused by the 50 Hz net frequency.
A lost of 50 % of the capacity will cause 1. a maximal loss at 20 Hz of 3 dB - compare this to they level chance possible by the bass-regulator of your pre amp (that also meens max. loss of 1,5 dB at 40 Hz), 2. a increase of hum of 3 dB - that is not much! But most time you can expact a little loss of capacity or a total defect, but not a lost of 50 % - so if your LVs sound well, there is no need to change all capacitors.
I also own some much older devices than LV 1020 and they work well. Of cause I had to chance one or two caps because they were totally defect.
Yours
DerLange
from my point of view, changing all caps is nonsense. They are used 1. for galvanic separation between the amplifier stages - a loss of capacity will result in a loss of low frequency, 2. for filtering of hum caused by the 50 Hz net frequency.
A lost of 50 % of the capacity will cause 1. a maximal loss at 20 Hz of 3 dB - compare this to they level chance possible by the bass-regulator of your pre amp (that also meens max. loss of 1,5 dB at 40 Hz), 2. a increase of hum of 3 dB - that is not much! But most time you can expact a little loss of capacity or a total defect, but not a lost of 50 % - so if your LVs sound well, there is no need to change all capacitors.
I also own some much older devices than LV 1020 and they work well. Of cause I had to chance one or two caps because they were totally defect.
Yours
DerLange
Re: LV1020 Capacitors
Audio grade capacitor (Elna, Black Gate) sounds better than all over. Theses devices are designed for high end audio. They have particular internal structure, which seem to be very important for audio render. While, very low ESR doesn’t seem to be quality argument. Elna gives detail and pictures about internal structure (Silk Fiber)
NOT for Power supply .
So soon I'll order ELNA (Elna Silmic II) this capacitors need 100 hours burning time.
I will surely answer as Elna Silmic II sound, now on LV1020 i got are new condensers but different like Nichcon and without names.
This speakers can sounding like real High End.
NOT for Power supply .
So soon I'll order ELNA (Elna Silmic II) this capacitors need 100 hours burning time.
I will surely answer as Elna Silmic II sound, now on LV1020 i got are new condensers but different like Nichcon and without names.
This speakers can sounding like real High End.
My equipment: Маc Mini (JRiver) --> DAC: Antelope Zodiac --> Braun of LV1020.
What can sound better than LV 1020 ? Two pairs of LV1020.
What can sound better than LV 1020 ? Two pairs of LV1020.
Cut off feedback to amp in LV1020
Tip 2
Improving the sound by 40% up,
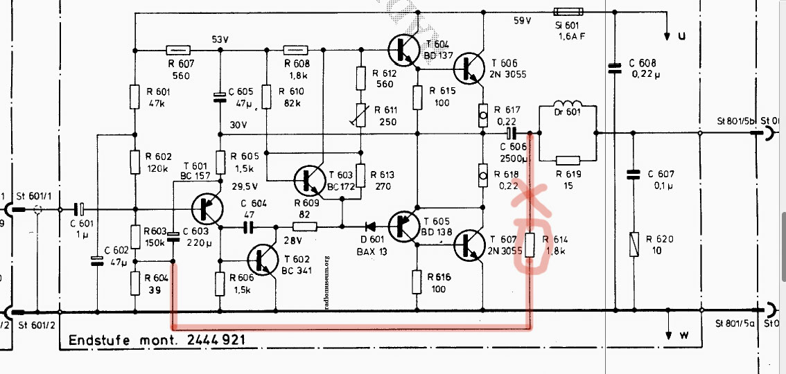
Тurning off the feedback in the LF . Take off one leg of resistor R614 on LF amplifier. 1.8 Kohm
Feedback resistor is not worth on the other two amplifiers MF and HF.
What does the feedback do? Sends the output back to the input of the amplifier. The sound is compressed, dead sound.
Unsolder one leg resistor R614, you interrupt ( CUT) the feedback.
Possible perhaps Broun did this to relieve the load from the low-frequency amplifier and speaker, so that lovers of very loud music do not overload the amplifier.
Please do not turn on at a very high volume after rework. .
Improving the sound by 40% up,
Тurning off the feedback in the LF . Take off one leg of resistor R614 on LF amplifier. 1.8 Kohm
Feedback resistor is not worth on the other two amplifiers MF and HF.
What does the feedback do? Sends the output back to the input of the amplifier. The sound is compressed, dead sound.
Unsolder one leg resistor R614, you interrupt ( CUT) the feedback.
Possible perhaps Broun did this to relieve the load from the low-frequency amplifier and speaker, so that lovers of very loud music do not overload the amplifier.
Please do not turn on at a very high volume after rework. .
My equipment: Маc Mini (JRiver) --> DAC: Antelope Zodiac --> Braun of LV1020.
What can sound better than LV 1020 ? Two pairs of LV1020.
What can sound better than LV 1020 ? Two pairs of LV1020.
Re: Sound improvement on LV1020: Capacitors a.o.
Hi Pashka,
thank you for your tips. At first, I would like to draw attention to a bad mistake in the circuit diagram. Of course, the connection between the emitter of T605 and R615, bridging R618, must not exist. This is doubtless a drawing error, which was overlooked by the 'lector'.
As far as the negative feedback via R614 (1.8 KΩ) is concerned, it does not relieve the power amplifier at higher volume levels, but counteracts the mutual induction when the membranes of the bass speakers overshoot. It basically increases the damping factor of the output stage. I also don't think that this will affect the sound quality noticeably and I would recommend leaving this negative feedback as intended.
Incidentally, exactly the same negative feedback was also implemented in the amplifier CSV 510 and in the receivers Regie 510 (CEV 510), Regie 520 (CEV 520) and Regie 530. These are all devices that, among other things, were also well known through its very good sound.
Best regards
Heinrich
Edit: I changed the expression atenunation factor in damping factor which i think is in this context more correctly.
thank you for your tips. At first, I would like to draw attention to a bad mistake in the circuit diagram. Of course, the connection between the emitter of T605 and R615, bridging R618, must not exist. This is doubtless a drawing error, which was overlooked by the 'lector'.
As far as the negative feedback via R614 (1.8 KΩ) is concerned, it does not relieve the power amplifier at higher volume levels, but counteracts the mutual induction when the membranes of the bass speakers overshoot. It basically increases the damping factor of the output stage. I also don't think that this will affect the sound quality noticeably and I would recommend leaving this negative feedback as intended.
Incidentally, exactly the same negative feedback was also implemented in the amplifier CSV 510 and in the receivers Regie 510 (CEV 510), Regie 520 (CEV 520) and Regie 530. These are all devices that, among other things, were also well known through its very good sound.
Best regards
Heinrich
Edit: I changed the expression atenunation factor in damping factor which i think is in this context more correctly.
Re: Sound improvement on LV1020: Capacitors a.o.
Heinrich thanks for the interesting advice.henry2 hat geschrieben:Hi Pashka,
thank you for your tips. At first, I would like to draw attention to a bad mistake in the circuit diagram. Of course, the connection between the emitter of T605 and R615, bridging R618, must not exist. This is doubtless a drawing error, which was overlooked by the 'lector'.
I did not notice this difference in the scheme (connection between the emitter of T605 and R615) .
My idea was to make all three amplifiers the same according to the scheme and remove the feedback as an appendix. Now I will change the circuit (connection between the emitter of T605 and R615) in the amplifier and listen to the difference.
To hear the difference need very good source.
Perhaps changes in the bass amplifier were specifically made by Braun to limit the impact on the turntable which was popular in those days and the removal of the overload from the transformer.
Anyway, for what reason what and why Braun change LF amplifier schematic different , without feedback sound much much better .
Turning off the feedback gave me more natural sound, the bass became more vibrant, natural, alive , more punch , more lower . Yes, I can not imagine where it might sound even better. Listening naturally needs to be done from good sources to understand how is best of the best this speakers .
Today I will try to disable the connection between the emitter of T605 and
R615. I let you know .
These speakers replay a lot of high end systems.
Zuletzt geändert von pashka am 12.11.2018, 21:04, insgesamt 1-mal geändert.
My equipment: Маc Mini (JRiver) --> DAC: Antelope Zodiac --> Braun of LV1020.
What can sound better than LV 1020 ? Two pairs of LV1020.
What can sound better than LV 1020 ? Two pairs of LV1020.
Re: Sound improvement on LV1020: Capacitors a.o.
My first changes schematic was bypass preamp T501 and T 502 . For example: If compare stereo sound of 2 speakers stand together , sound is full and massive , but if disconnect one channel one speakers play like 1/2 massive and full . Then I bypass T501 T502 Sound from one speakers started sounding rich, full, massive like from two speakers together .
This speaker make real sounding instrument with a lot of air .
I can't tell how much need spend money to get high level of sound like Braun LV 1020 .
This speaker make real sounding instrument with a lot of air .
I can't tell how much need spend money to get high level of sound like Braun LV 1020 .
My equipment: Маc Mini (JRiver) --> DAC: Antelope Zodiac --> Braun of LV1020.
What can sound better than LV 1020 ? Two pairs of LV1020.
What can sound better than LV 1020 ? Two pairs of LV1020.
Re: Sound improvement on LV1020: Capacitors a.o.
When I wrote that I would change the scheme today by connecting between the emitter of T605 and R615, at that moment I thought that it would change and improve the bass, because what I now have sounds like the ultimate dream.
It turned out that I did not carefully read the text of the error only in the schematics on paper, everything is fine on the board itself.
Thanks .
It turned out that I did not carefully read the text of the error only in the schematics on paper, everything is fine on the board itself.
Thanks .
My equipment: Маc Mini (JRiver) --> DAC: Antelope Zodiac --> Braun of LV1020.
What can sound better than LV 1020 ? Two pairs of LV1020.
What can sound better than LV 1020 ? Two pairs of LV1020.
Re: Sound improvement on LV1020: Capacitors a.o.
Tip 3.
Speakers with no interconnect cable catch hum noise. Such noise is like a wire without a screen or ground.
I accidentally found a problem, connect interconnect wire a signal immediately to the board from my DAC.
Connectors DIN better than RCA, I soldered the wire directly to the connector on the board into the amplifier.
different Interconnect cable also affects sound. The better the interconnect cable the better the sound.
Speakers with no interconnect cable catch hum noise. Such noise is like a wire without a screen or ground.
I accidentally found a problem, connect interconnect wire a signal immediately to the board from my DAC.
Connectors DIN better than RCA, I soldered the wire directly to the connector on the board into the amplifier.
different Interconnect cable also affects sound. The better the interconnect cable the better the sound.
My equipment: Маc Mini (JRiver) --> DAC: Antelope Zodiac --> Braun of LV1020.
What can sound better than LV 1020 ? Two pairs of LV1020.
What can sound better than LV 1020 ? Two pairs of LV1020.


