LV 1020

Die aktiven und passiven HiFi-Lautsprecherboxen
Antworten
Nachricht
Autor
_Frank_
Eroberer
Eroberer
Beiträge: 68
Registriert: 12.01.2011, 12:21

LV 1020

#1 Beitrag von _Frank_ » 12.01.2011, 19:41

Hallo zusammen,

nachdem in in den letzten 25 Jahren schon etliche BRAUN Geräte der unterschiedlichsten Baureihen repariert und gehört habe, habe ich mich über mein letztes "Fundstück" sehr gefreut: zwei LV 1020.

Leider ist der Zustand mehr als erbärmlich und daher würde mich als erstes interessieren, wie die denn klanglich einzustufen sind und was sie in ordentlichem Zustand denn wert sind (damit ich abschätzen kann, ob sich die Reparatur überhaupt lohnt).

Danke Euch - Frank

Benutzeravatar
Norbert
Obermaschinist
Obermaschinist
Beiträge: 2047
Registriert: 02.01.2009, 19:27
Wohnort: 79106 Freiburg

LV 1020

#2 Beitrag von Norbert » 12.01.2011, 20:48

Hallo Frank,

sei herzlich willkommen in unserer Runde :D

Die aktiven LV 1020 sind auch noch nach heutigen Ansprüchen klanglich hervorragende Lautsprechereinheiten. Die Frage ist eben, was Du noch investieren möchtest, wenn der Zustand wie Du schreibst mehr als erbärmlich ist. Bezieht sich das in der Hauptsache auf die Optik, fehlen Teile?

Sämtliche Chassis kann (falls notwendig) unser Lautsprecher-Profi Rainer Hebermehl bestens instandsetzen. Bei Elektronik-Reparaturen kannst Du selbst Hand anlegen. Vielleicht könntest Du mal Fotos der beiden "Kameraden" einstellen?

Was sie im ordentlichen Zustand noch wert sind, kann Dir sicher ein anderes Mitglied beantworten.

Gruß, Norbert
Wenn es nach dem Löten kracht, hast du etwas falsch gemacht.
Nostalgie Funk - le groove de légende

_Frank_
Eroberer
Eroberer
Beiträge: 68
Registriert: 12.01.2011, 12:21

#3 Beitrag von _Frank_ » 12.01.2011, 21:16

Hallo Norbert,

ganz so schlimm, wie auf den ersten Blick scheint es nun doch nicht zu sein: ich habe sie spontan mal zerlegt und mir die beiden Endstufen angesehen.

Zu meinem Erstaunen messe ich ohne Eingangssignal an beiden Mitteltonchassis (ausgelötet) ca. 30V=, an den Hochtönern und den Bässen 0V, allerdings scheint es sich dabei um einen sich aufladenden Kondensator zu handeln, denn die Spannung steigt nach jedem Einschalten ohne Last an und die beiden großen Kalotten sind ok (die hätten 30V= nicht überlebt).

Werde mal einen Widerstand dazwischenhängen und noch mal messen oder einfach mal eine Quelle davorhängen und dann messen. Ansonsten sind die Endstufen ja recht einfach aufgebaut - vielleicht hat mir hier ja jemand einen Schaltplan der LV 1020!?

Gruß Frank

_Frank_
Eroberer
Eroberer
Beiträge: 68
Registriert: 12.01.2011, 12:21

#4 Beitrag von _Frank_ » 12.01.2011, 21:51

Hier ein Bild beim Verladen - praktisch, wenn man Dach seines Kombis weit öffnen kann ...

Bild

Benutzeravatar
Norbert
Obermaschinist
Obermaschinist
Beiträge: 2047
Registriert: 02.01.2009, 19:27
Wohnort: 79106 Freiburg

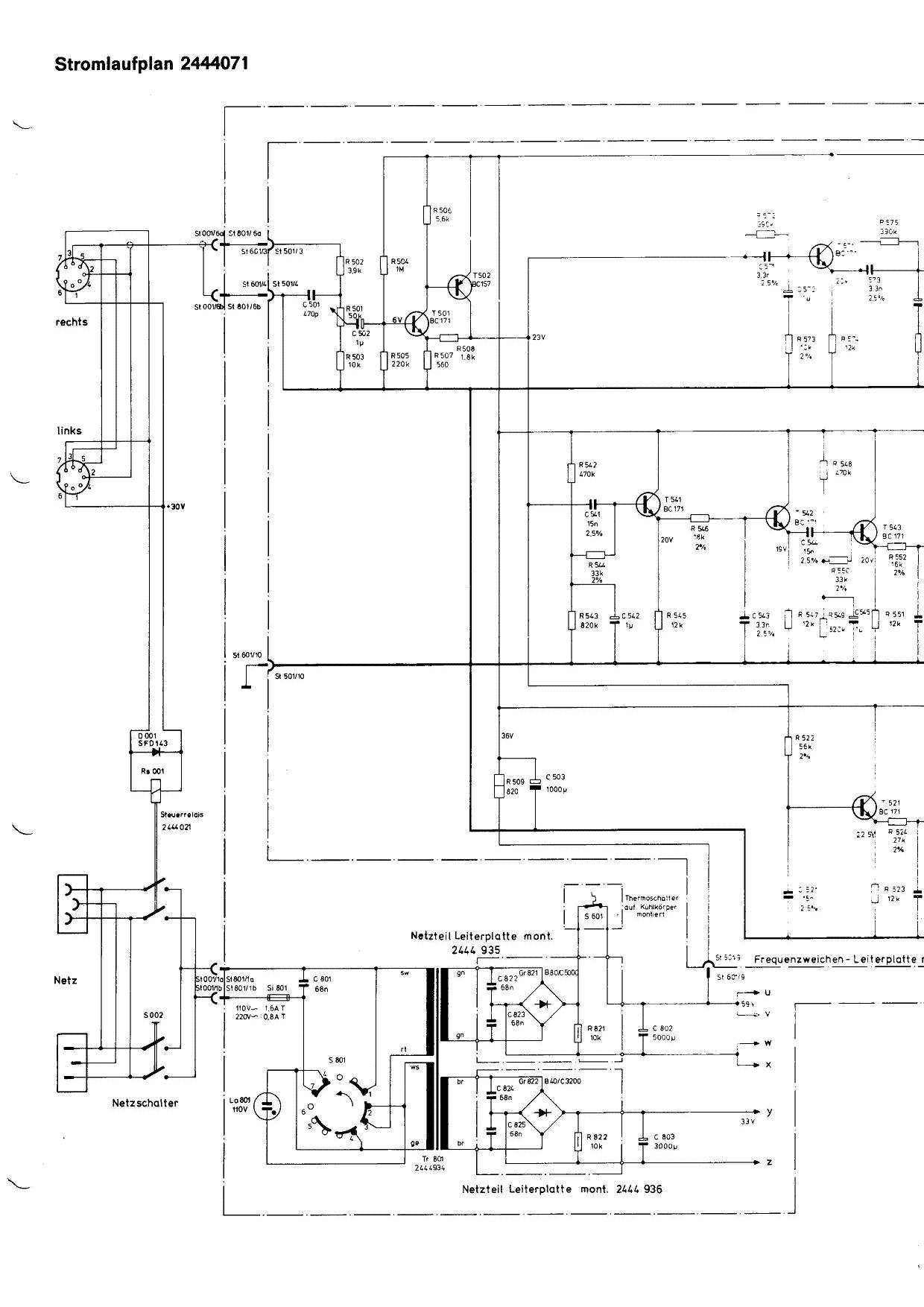
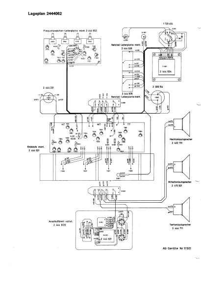
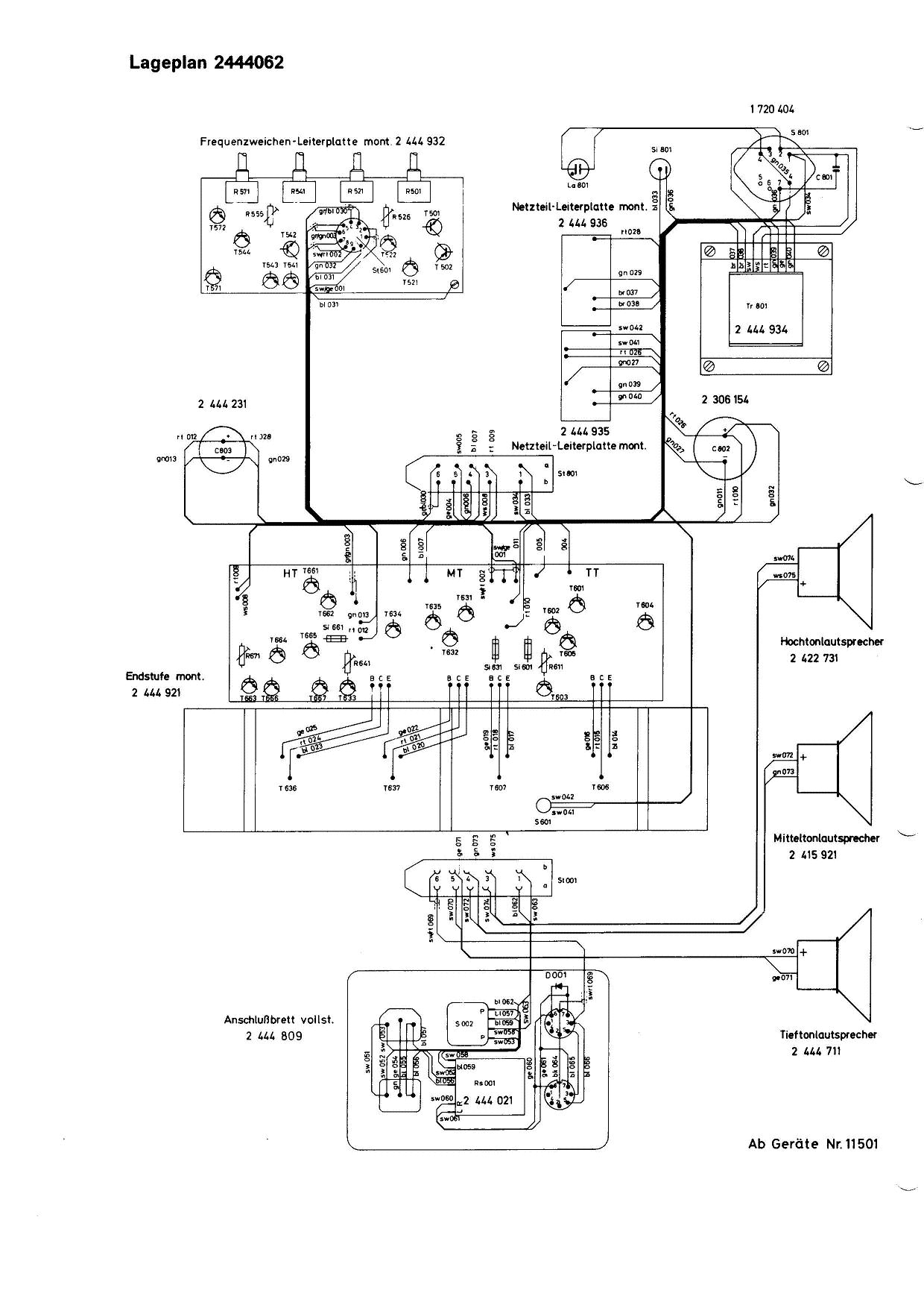
Schaltplan LV 1020

#5 Beitrag von Norbert » 12.01.2011, 22:16

Hallo Frank,

zum Glück hat's gerade beim Transport nicht geregnet :D Ich habe Dir den Schaltplan als PDF-Datei. Hoffe, Die Qualität ist soweit ausreichend. Schön vergrößern - klick mich. Viel Erfolg!

Gruß, Norbert
Wenn es nach dem Löten kracht, hast du etwas falsch gemacht.
Nostalgie Funk - le groove de légende

Benutzeravatar
raimund54
Braun-Insider
Braun-Insider
Beiträge: 1679
Registriert: 03.01.2009, 20:23
Wohnort: 64295 Darmstadt

#6 Beitrag von raimund54 » 12.01.2011, 22:20

Hallo Frank,

die zerbröselten Tieftönersicken sind ein Fall für Rainer Hebermehl.

Grüße,

Raimund

_Frank_
Eroberer
Eroberer
Beiträge: 68
Registriert: 12.01.2011, 12:21

Re: Schaltplan LV 1020

#7 Beitrag von _Frank_ » 12.01.2011, 22:37

Norbert hat geschrieben:zum Glück hat's gerade beim Transport nicht geregnet
Man hat das Dach dann ja wieder zubekommen ...

Gerade löte ich einen der feinen Drähte eines der Mitteltöner neu ein, denn der war wohl beim Einlagern im Keller irgendwann abgerissen und rund um die Kalotte in der klebrigen Beschichtung fixiert.

mahl
Mitglied
Mitglied
Beiträge: 35
Registriert: 21.08.2009, 13:14

#8 Beitrag von mahl » 13.01.2011, 09:16

Hallo Frank,

ich betreibe selbst 2 Pärchen der LV 1020 und habe noch ein Paar defekt in der "Warteschleife". Das sind ganz tolle Lautsprecher mit einem unglaublich gutem Klang. Du solltest über eine Reparatur auf jeden Fall nachdenken.

Für die Chassis selbst kann ich Dir aus Erfahrung Rainer Hebermehl empfehlen. Er hat für mich schon 4 Basslautsprecher und einen Mitteltöner repariert. Alles war von bester Qualität und preiswert. Das Problem mit dem abgerissenen Drähtchen beim MT war übrigens auch dabei.

Defekte Verstärker lassen sich mit entsprechenden Elektronik Kenntnissen auch relativ einfach reparieren. Es sind fast nur Standard Bauteile verwendet worden. Bei der eingebauten Weiche gibt es übrigens 2 Versionen. Bitte aufpassen, ob die Schaltung wirklich passt.

Ich empfehle Dir alle Elkos zu tauschen. die sind oft im Laufe der vielen vielen Jahre trocken geworden und haben die Kapazität geändert. Besonders im Mitteltonbereich macht sich ein Austausch positiv bemerkbar.

Falls Du sie doch los werden willst (auch in Teilen), bitte eine PN, bevor sie in die Bucht oder sonst wo hin gehen.

Grüße

Thomas

Benutzeravatar
Sven Carstensen
Eroberer
Eroberer
Beiträge: 95
Registriert: 12.01.2009, 16:40
Wohnort: Worpswede

#9 Beitrag von Sven Carstensen » 13.01.2011, 15:23

Hallo Frank,

ich kann mich den Kollegen nur voll und ganz anschließen.
Die LV 1020 sind top und eine Reparatur lohnt sich wirklich.

Auch bei meinen LV´s hat Herr Hebermehl die Bässe und Mitteltöner repariert, für wirklich kleines Geld.

Durch die Einschub-Elektronik macht die Reparatur und Wartung Freude.

Ich empfehle Dir, neben dem vollständigen Elkotausch, auch die "Knistertransistoren" BC15X durch Vergleichstypen zu ersetzen.

Viel Freude mit den Lautsprechern !

Viele Grüße
Sven

P.S.: Hab auch vor kurzem meine L2 mit dem Cabrio spazieren gefahren

_Frank_
Eroberer
Eroberer
Beiträge: 68
Registriert: 12.01.2011, 12:21

#10 Beitrag von _Frank_ » 13.01.2011, 18:07

Sven Carstensen hat geschrieben:Ich empfehle Dir, neben dem vollständigen Elkotausch, auch die "Knistertransistoren" BC15X durch Vergleichstypen zu ersetzen.
Du meinst den BC157 auf auf der Frequenzweiche oder gibt's noch mehr, die ich übersehen habe?

Benutzeravatar
Sven Carstensen
Eroberer
Eroberer
Beiträge: 95
Registriert: 12.01.2009, 16:40
Wohnort: Worpswede

#11 Beitrag von Sven Carstensen » 13.01.2011, 18:29

Hallo Frank,

da sind 4 oder 5 von diesen Transistoren pro Box verbaut. Ich schaue heute Abend mal in den Plan.

Du kannst Dir ja nochmal dieses Thema durchlesen:
http://www.braun-hifi-forum.de/viewtopi ... ght=lv1020

Viele Grüße
Sven

_Frank_
Eroberer
Eroberer
Beiträge: 68
Registriert: 12.01.2011, 12:21

#12 Beitrag von _Frank_ » 13.01.2011, 19:16

Danke - habe ich wohl welche übersehen.

Welche Farben haben Eure denn? Meine ist wohl eine umlackierte weiße, aber ich werde sie wohl schwarz lassen bzw. schwarz neu lackieren.

mahl
Mitglied
Mitglied
Beiträge: 35
Registriert: 21.08.2009, 13:14

#13 Beitrag von mahl » 13.01.2011, 19:26

Hallo Frank,

zweimal weiß und einmal nußbaum. Die Box in Nußbaum ist noch nicht revidiert.

Grüße

Thomas

_Frank_
Eroberer
Eroberer
Beiträge: 68
Registriert: 12.01.2011, 12:21

#14 Beitrag von _Frank_ » 14.01.2011, 16:01

Eigentlich hätte ich heute was arbeiten sollen, aber ... nun sind sie "im trash-look" fertig für den Einbau der Tieftöner, d.h. alle vier Kalotten wurden gereinigt und die beiden Mitteltöner bis zu den feinen freiliegenden Adern neu verkabelt, denn die Lötösen waren im zähen Karosseriekitt (habe den beim Zusammenbau weggelassen) verklebt und abgerissen. Kontakte der beiden Endstufen habe ich alle gereinigt und wieder zusammengebaut/-gesteckt - Bauteile (Transistoren) aber noch keine ausgetauscht, denn erst sollen sie ja mal spielen!

Offensichtlich funktioniert alles, denn aktuell quietschen sie Gotan Project (ohne TT) und alle Systeme lassen sich einzeln über die Regler einstellen, die nach mehrfachem Drehen nun auch nicht mehr kratzen. Soweit ich das jetzt beurteilen kann, klingen sie ähnlich wie meine modifizierten aktiven Grundig 40, denen ich für die beiden TT getrennte stark bedämpfte Gehäuse spendiert habe (was ihnen im TT-Bereich sehr gut tat). Freue mich schon ... und wenn ich bedenke, dass ich die beiden vor der Sperrmüllentsorgung gerettet habe!?

_Frank_
Eroberer
Eroberer
Beiträge: 68
Registriert: 12.01.2011, 12:21

#15 Beitrag von _Frank_ » 17.01.2011, 17:09

Wenn auch nicht original, so doch ähnlich werde ich die LS nun wie die LV 720 gestalten, d.h. ich werden den sowieso schon schwarzen Korpus bei Gelegenheit neu schwarz lackieren (lassen) und die Frontgitter (sind derzeit noch undefinierbar grün lackiert) ablaugen und silbern lassen - das gefällt mir bei den LV 720 wirklich sehr gut, also wird es bei den LV 1020 auch nicht schlecht aussehen!?

_Frank_
Eroberer
Eroberer
Beiträge: 68
Registriert: 12.01.2011, 12:21

#16 Beitrag von _Frank_ » 29.01.2011, 14:24

Wunderbar - gerade höre ich die LV 1020 zum ersten mal mit den Tieftönern (mit neuen Schaumstoffsicken) und das klingt gar nicht schlecht ... allerdings stehen sie an blöden Stellen und sind auch nur provisorisch angeschlossen ... werde berichten, wenn ich sie im AB-Vergleich mit meinen anderen aktiven LS hören kann.

_Frank_
Eroberer
Eroberer
Beiträge: 68
Registriert: 12.01.2011, 12:21

#17 Beitrag von _Frank_ » 04.02.2011, 18:15

Hier mal ein Bild ... klingen nicht schlecht, kommen so ad hoc aber nicht wirklich an meine Grundig-Eigenbauten ran. Muss mal in Ruhe hören, wenn sie in der gleichen Höhe neben den Grundig stehen.


Bild

Benutzeravatar
Norbert
Obermaschinist
Obermaschinist
Beiträge: 2047
Registriert: 02.01.2009, 19:27
Wohnort: 79106 Freiburg

#18 Beitrag von Norbert » 04.02.2011, 20:29

_Frank_ hat geschrieben:klingen nicht schlecht, kommen so ad hoc aber nicht wirklich an meine Grundig-Eigenbauten ran. Muss mal in Ruhe hören, wenn sie in der gleichen Höhe neben den Grundig stehen.
Hallo Frank,

gleiche Bedingungen sind wichtig - und vor allem sollten die Abhörpegel so genau wie möglich angeglichen werden. Lauter wird oft als besser empfunden.

Vielleicht spielen sie erst an einem CSQ, CES 1020 oder CEV 520 ihr volles Potential aus :zwink:

Gruß, Norbert
Wenn es nach dem Löten kracht, hast du etwas falsch gemacht.
Nostalgie Funk - le groove de légende

_Frank_
Eroberer
Eroberer
Beiträge: 68
Registriert: 12.01.2011, 12:21

#19 Beitrag von _Frank_ » 04.02.2011, 21:18

Norbert hat geschrieben:... gleiche Bedingungen sind wichtig - und vor allem sollten die Abhörpegel so genau wie möglich angeglichen werden. Lauter wird oft als besser empfunden.
Habe nicht nur die Hörpegel, sondern auch Bässe, Mitten und Höhen - soweit möglich - angeglichen, aber den Braun fehlt was ... allerdings sind mir die Eigenbauten offensichtlich so gut gelungen, dass ein nicht ganz unbedeutender Profi aus der Szene vor einiger Zeit ein uneingeschränktes Lob ausgesprochen hat.
Norbert hat geschrieben: Vielleicht spielen sie erst an einem CSQ, CES 1020 oder CEV 520 ihr volles Potential aus :zwink:
Möglich, daher schaue ich ja auch nach einem CES ... allerdings glaube ich nicht wirklich, dass meine Camtech-Kette wirklich viel falsch macht ... vielleicht passt die Kombination mit meinem Elektor Preamp aus den 80ern besser!?

Benutzeravatar
Norbert
Obermaschinist
Obermaschinist
Beiträge: 2047
Registriert: 02.01.2009, 19:27
Wohnort: 79106 Freiburg

Alte Elkos

#20 Beitrag von Norbert » 04.02.2011, 23:22

_Frank_ hat geschrieben:allerdings glaube ich nicht wirklich, dass meine Camtech-Kette wirklich viel falsch macht ... vielleicht passt die Kombination mit meinem Elektor Preamp aus den 80ern besser!?
Hallo Frank,

hast Du eigentlich auch Elkos getauscht oder nur Transistoren? Taube oder schlappe Elkos machen sich gerade bei Aktivboxen klanglich negativ bemerkbar. Wenn man in dieser Richtung für die nächsten 30 Jahre beruhigt sein möchte, wirft man sie am besten alle raus.

Gruß, Norbert
Wenn es nach dem Löten kracht, hast du etwas falsch gemacht.
Nostalgie Funk - le groove de légende

_Frank_
Eroberer
Eroberer
Beiträge: 68
Registriert: 12.01.2011, 12:21

#21 Beitrag von _Frank_ » 05.02.2011, 07:38

Nein, an der Elektronik habe ich /noch) nichts geändert, allerdings meinten 2 seit langer Zeit professionell im Hifi-Sektor tätige Freunde, dass man das aus Sicherheitsgründen machen solle, man den Unterschied aber kaum höre ... ich lasse mich überraschen, denn die Aufarbeitung der Elektronik kommt noch, allerdings werden sie eben einfach anders klingen - "Taunussound" ist für mich eben neu, denn auch Cantons hatte ich nie länger da.

An den Endstufen der Grundig habe ich übrigens auch nichts geändert, lediglich komplett neue Gehäuse mit anderem Volumen und separaten Kammern für die beiden Tieftöner gebaut und diese dann mit unterschiedlichen Füllungen abgestimmt ... die Bässe dieser Boxen sind seitdem knochentrocken und abgrundtief - sowas habe ich noch kein 2tes Mal gehört (man erschreckt bspw. wenn im TV-Betrieb eine U-Bahn durch's Zimmer fährt).

Benutzeravatar
Norbert
Obermaschinist
Obermaschinist
Beiträge: 2047
Registriert: 02.01.2009, 19:27
Wohnort: 79106 Freiburg

#22 Beitrag von Norbert » 05.02.2011, 21:06

_Frank_ hat geschrieben:Nein, an der Elektronik habe ich /noch) nichts geändert, allerdings meinten 2 seit langer Zeit professionell im Hifi-Sektor tätige Freunde, dass man das aus Sicherheitsgründen machen solle, man den Unterschied aber kaum höre ...
Hallo Frank,

es kommt darauf an, wo die "Kameraden" sitzen. Wenn sie frequenzbestimmende Funktionen haben, sollte man schon einen mehr oder weniger deutlichen Unterschied hören. Auf jeden Fall bist Du bei einen Tausch nicht auf der falschen Seite.

Gut - wenn Deine Selbstbau-Grundigs zwei Tieftöner haben, rumpeln sie untenrum wohl kräftiger, mehr Membranfläche. Kannst ja mal tiefe Sinustöne drauf geben, welche Boxen bei 20 Hz noch mehr "zu sagen" haben :wink:

Schlußendlich ist der Gesamtsound ganz klar Geschmacksache.

Gruß, Norbert
Wenn es nach dem Löten kracht, hast du etwas falsch gemacht.
Nostalgie Funk - le groove de légende

_Frank_
Eroberer
Eroberer
Beiträge: 68
Registriert: 12.01.2011, 12:21

#23 Beitrag von _Frank_ » 19.05.2011, 15:56

Weiter geht's:

Schon lange hatte ich vor, die vom Vorvorbesitzer dkl. grünmetallic lackierten Frontgitter abzulaugen, nur scheiterte der erste Versuch ganz kläglich, denn das Ablaugegel klebte überall (v.a. in den kleinen Löhern des Gitters), war aber kaum flächendeckend abzutragen ...

Beim Reinigen der Terrasse kam mir letzhin die Idee, das Gel nach der Einwirkzeit mit einem Hochdruckreiniger zu entfernen ... und siehe da, es hat funktioniert - zwar sitzen in einigen kleinen Ritzen noch Farbreste, aber solange die LS nicht perfekt restauriert sind, wird mich das nicht stören.

Die Optik mit schwarzem LS und silbergrauem Gitter lässt die LV 1020 schon wesentlich "unproblematischer" aussehen.

_Frank_
Eroberer
Eroberer
Beiträge: 68
Registriert: 12.01.2011, 12:21

#24 Beitrag von _Frank_ » 19.05.2011, 21:49

Ich habe eben gesehen, dass es die LV 1020 ursprünglich nur in Kunststoff weiß und Nussbaum Furnier gab ... nun, dann waren meine also weiß (kam mir beim Ablaugen der Gitter auch so vor) und werden nach 35 Jahren eben schwarz/silber ... nicht originalgetreu, aber nett anzusehen - vielleicht lasse ich die Lautsprecherfüße passend in alusilber beschichten.
Norbert hat geschrieben:Gut - wenn Deine Selbstbau-Grundigs zwei Tieftöner haben, rumpeln sie untenrum wohl kräftiger, mehr Membranfläche.
Nicht (mehr) wirklich, denn nachdem ich die beiden 20er TT aus dem gemeinsamen Gehäuse (in dem sie sich ja gegenseitig bedämpften) in getrennte Kammern der neuen Gehäuse gesetzt hatte, dröhnten sie anfänglich derart laut, dass selbst das Runterregeln der Bässe nichts brachte ... ein befreundeter Akustik-Ing. gab mir dann den Tipp: ich habe die beiden Kammern sehr stark "gestopft" (Wände mit Pritex bedämpft und innen mit Putzwolle gefüllt) und damit einen abgrundtiefen knochentrockenen Bass bekommen, wie ich ihn noch nie bei Heimlautsprechern gehört habe - und ja, sie geben auch noch bei 20Hz etwas wieder, als "brauchbaren" Ton kann man das aber nicht bezeichnen, zumal (m)ein kleiner Hörraum für diese Frequenzen eh ungeeignet ist.

Pelvis77
Neuling
Neuling
Beiträge: 5
Registriert: 12.05.2024, 15:25

Re: LV 1020

#25 Beitrag von Pelvis77 » 28.05.2024, 20:44

Hallo erstmal, bin neu hier im Forum und beginne auch gerade erst mit dem Sammeln von Braun Geräten. Ich weiß dieser Thread ist uralt, aber warum einen neuen aufmachen....hat jemand nochmal den Schaltplan der LV1020? Habe ein Paar ergattert und die müssen in jedem Fall revidiert werden. Einer klingt passabel, der andere wie Grütze.
Vielleicht hab ich ja Glück....gern auch ansonsten Tipps was diese Lautsprecher angeht. Dazu hab ich den passenden Vorverstärker 1020, leider auch nicht mehr ganz frisch....aber ich liebe Projekte;-)
Gruß und Dank
Andreas

Benutzeravatar
Rainer Hebermehl
Lautsprecher-Profi
Lautsprecher-Profi
Beiträge: 1236
Registriert: 29.06.2009, 13:55
Wohnort: Ronneburg

Re: LV 1020

#26 Beitrag von Rainer Hebermehl » 29.05.2024, 09:35

Schaltung : Kein Problem

Hier bitte

Gruß
Rainer
Dateianhänge
10.jpg
09b.jpg
09a.jpg
Aus dem Radio steigt der Rauch - Soll er auch.

Pelvis77
Neuling
Neuling
Beiträge: 5
Registriert: 12.05.2024, 15:25

Re: LV 1020

#27 Beitrag von Pelvis77 » 28.03.2025, 20:15

Ein verspätetes aber herzliches Dankeschön!

Antworten