Braun TG1020/4
-
interpolar
- Neuling

- Beiträge: 1
- Registriert: 06.02.2025, 18:09
Braun TG1020/4
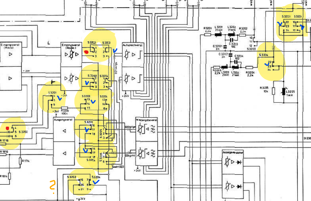
Hallo, tut mir leid für meine deutsche Sprache, aber ich benutze einen Übersetzer. Mein Problem betrifft Braun TG 1020/4. Beinebsartenschatter S3202 ist vermutlich beschädigt. Die Kontakte 2 und 3 sowie 5 und 6 funktionieren nicht. So beheben Sie das Problem. Die zweite Frage lautet wie folgt: Beinebsartenschatter S3202 hat nur 12 Kontakte. Der Schaltplan zeigt die Pins 19, 20 und 21. Worum geht es?